bf9.9am
Choose a section to open the exploded parts diagram with live pricing. (v2)
Model code: BF9-9AM
Engine sections in this model
CYLINDER HEAD
CYLINDER BARREL
INLET MANIFOLD
OIL PUMP/EXHAUST PIPE
PISTON/CRANKSHAFT
CAMSHAFT/VALVE
RECOIL STARTER
TIMING BELT
CARBURETOR
FUEL PUMP
FLYWHEEL
IGNITION COIL
STARTER MOTOR
CHARGE COIL KIT
STEERING HANDLE (BF9.9AM/B/BF15AM/B)
GEAR CASE/ EXTENSION CASE
GEAR CASE ASSY. (BF9.9AM/B/BF15AM/B)
WATER PUMP/VERTICAL SHAFT
PROPELLER SHAFT/PROPELLER
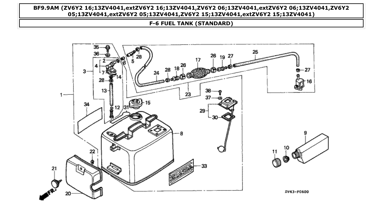
FUEL TANK (STANDARD)
REGULATOR/STARTER CABLE
OIL CASE/ENGINE COVER
STERN BRACKET
SWIVEL CASE/MOUNT FRAME
MARK
TOOL
LAMP CONSENT KIT (BF9.9AK/M/BF15AK/M) (6A)
LAMP CONSENT KIT (BF9.9AK/M/BF15AK/M) (10A)
REMOTE CONTROL
REMOTE CONTROL BRACKET KIT
WATER PUMP IMPELLER KIT
Fig. E-2
β CYLINDER HEAD
Fig. E-3
β CYLINDER BARREL
Fig. E-4
β INLET MANIFOLD
Fig. E-5
β OIL PUMP/EXHAUST PIPE
Fig. E-7
β PISTON/CRANKSHAFT
Fig. E-9
β CAMSHAFT/VALVE
Fig. E-11
β RECOIL STARTER
Fig. E-13
β TIMING BELT
Fig. E-14
β CARBURETOR
Fig. E-18
β FUEL PUMP
Fig. E-19
β FLYWHEEL
Fig. E-20
β IGNITION COIL
Fig. E-21
β STARTER MOTOR
Fig. EOP-1
β CHARGE COIL KIT
Fig. F-1-1
β STEERING HANDLE (BF9.9AM/B/BF15AM/B)
Fig. F-3
β GEAR CASE/ EXTENSION CASE
Fig. F-3-10
β GEAR CASE ASSY. (BF9.9AM/B/BF15AM/B)
Fig. F-4
β WATER PUMP/VERTICAL SHAFT
Fig. F-5
β PROPELLER SHAFT/PROPELLER
Fig. F-6
β FUEL TANK (STANDARD)
Fig. F-7
β REGULATOR/STARTER CABLE
Fig. F-8
β OIL CASE/ENGINE COVER
Fig. F-10
β STERN BRACKET
Fig. F-11
β SWIVEL CASE/MOUNT FRAME
Fig. F-12
β MARK
Fig. F-13
β TOOL
Fig. FOP-1-1
β LAMP CONSENT KIT (BF9.9AK/M/BF15AK/M) (6A)
Fig. FOP-1-2
β LAMP CONSENT KIT (BF9.9AK/M/BF15AK/M) (10A)
Fig. FOP-2
β REMOTE CONTROL
Fig. FOP-3
β REMOTE CONTROL BRACKET KIT
Fig. FOP-4
β WATER PUMP IMPELLER KIT