M120,140A2
Choose a section to open the exploded parts diagram with live pricing. (v2)
Engine sections in this model
CYLINDER CRANK CASE
PISTON CRANK SHAFT
INTAKE MANIFOLD REED VALVE
INTAKE SILENCER CARBURETOR
FUEL PUMP
THROTTLE
MAGNETO STARTER MOTOR
ELECTRIC PARTS (C.D. UNIT)
ELECTRIC PARTS (DIAGRAM)
OIL PUMP
DRIVE SHAFT HOUSING
GEAR CASE (DRIVE SHAFT)
GEAR CASE (PROPELLER SHAFT)
BRACKET
POWER TRIM & TILT
BOTTOM COWL
SHIFT
TOP COWL
FUEL TANK
COMPONENT PARTS OF REMOTE CONTROL
COMPONENT PARTS OF REMOTE CONTROL (ELECTRIC PARTS)
ACCESSORIES
OPTIONAL PARTS (1)
OPTIONAL PARTS (2)
ASSEMBLY KIT PARTS
Fig. 1
β CYLINDER CRANK CASE
Fig. 2
β PISTON CRANK SHAFT
Fig. 3
β INTAKE MANIFOLD REED VALVE
Fig. 4
β INTAKE SILENCER CARBURETOR
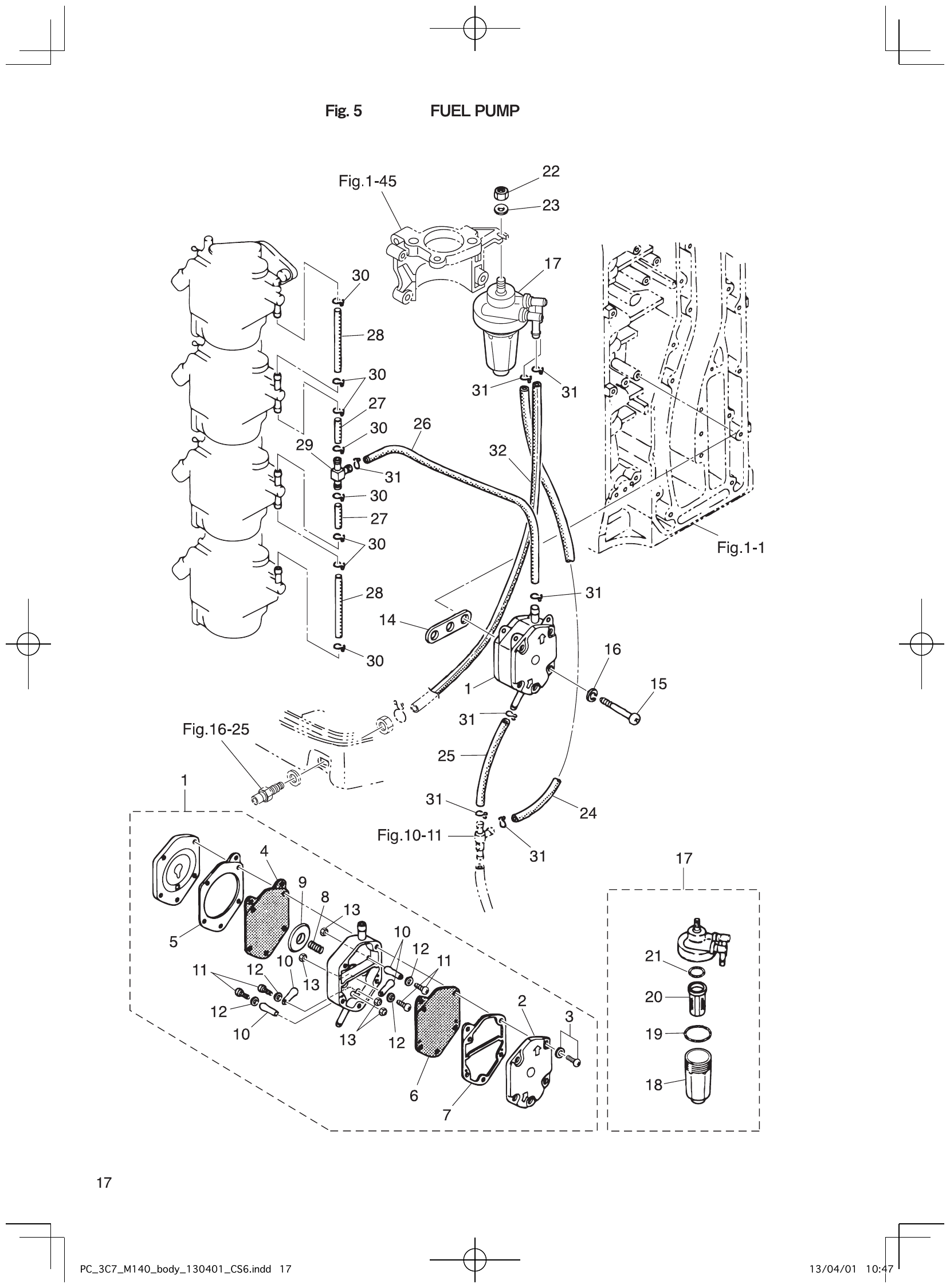
Fig. 5
β FUEL PUMP
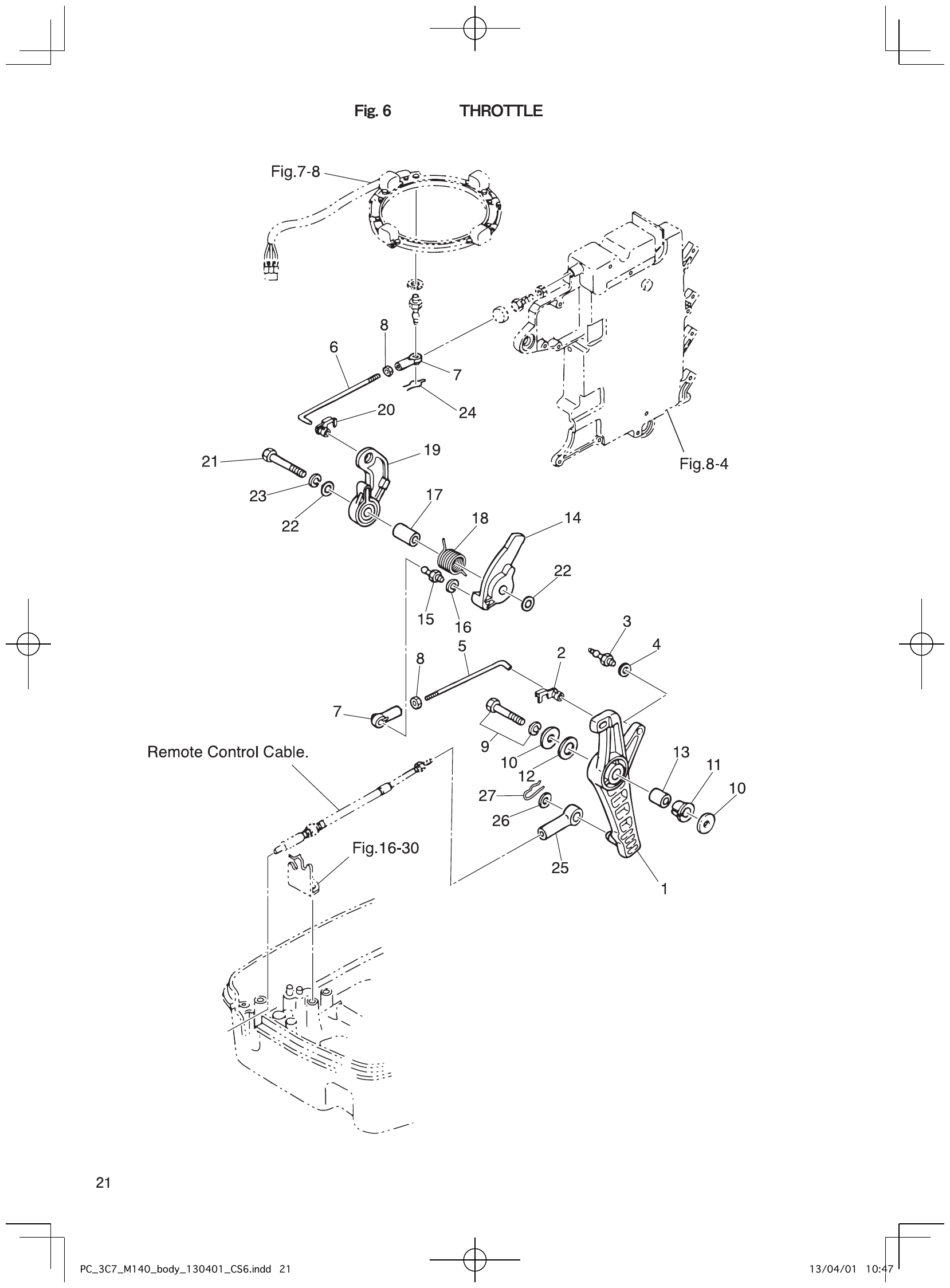
Fig. 6
β THROTTLE
Fig. 7
β MAGNETO STARTER MOTOR
Fig. 8
β ELECTRIC PARTS (C.D. UNIT)
Fig. 9
β ELECTRIC PARTS (DIAGRAM)
Fig. 10
β OIL PUMP
Fig. 11
β DRIVE SHAFT HOUSING
Fig. 12
β GEAR CASE (DRIVE SHAFT)
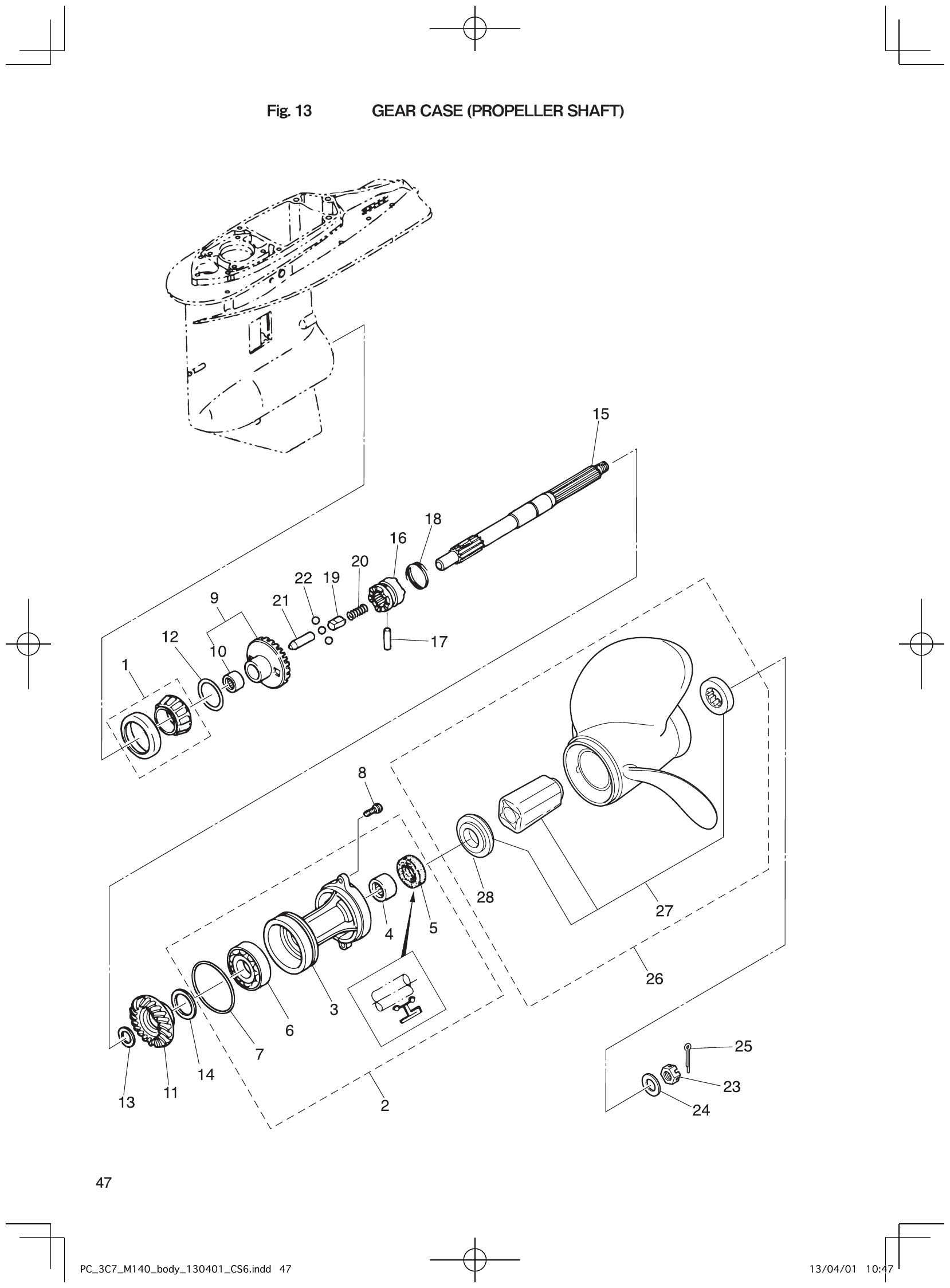
Fig. 13
β GEAR CASE (PROPELLER SHAFT)
Fig. 14
β BRACKET
Fig. 15
β POWER TRIM & TILT
Fig. 16
β BOTTOM COWL
Fig. 17
β SHIFT
Fig. 18
β TOP COWL
Fig. 19
β FUEL TANK
Fig. 20
β COMPONENT PARTS OF REMOTE CONTROL
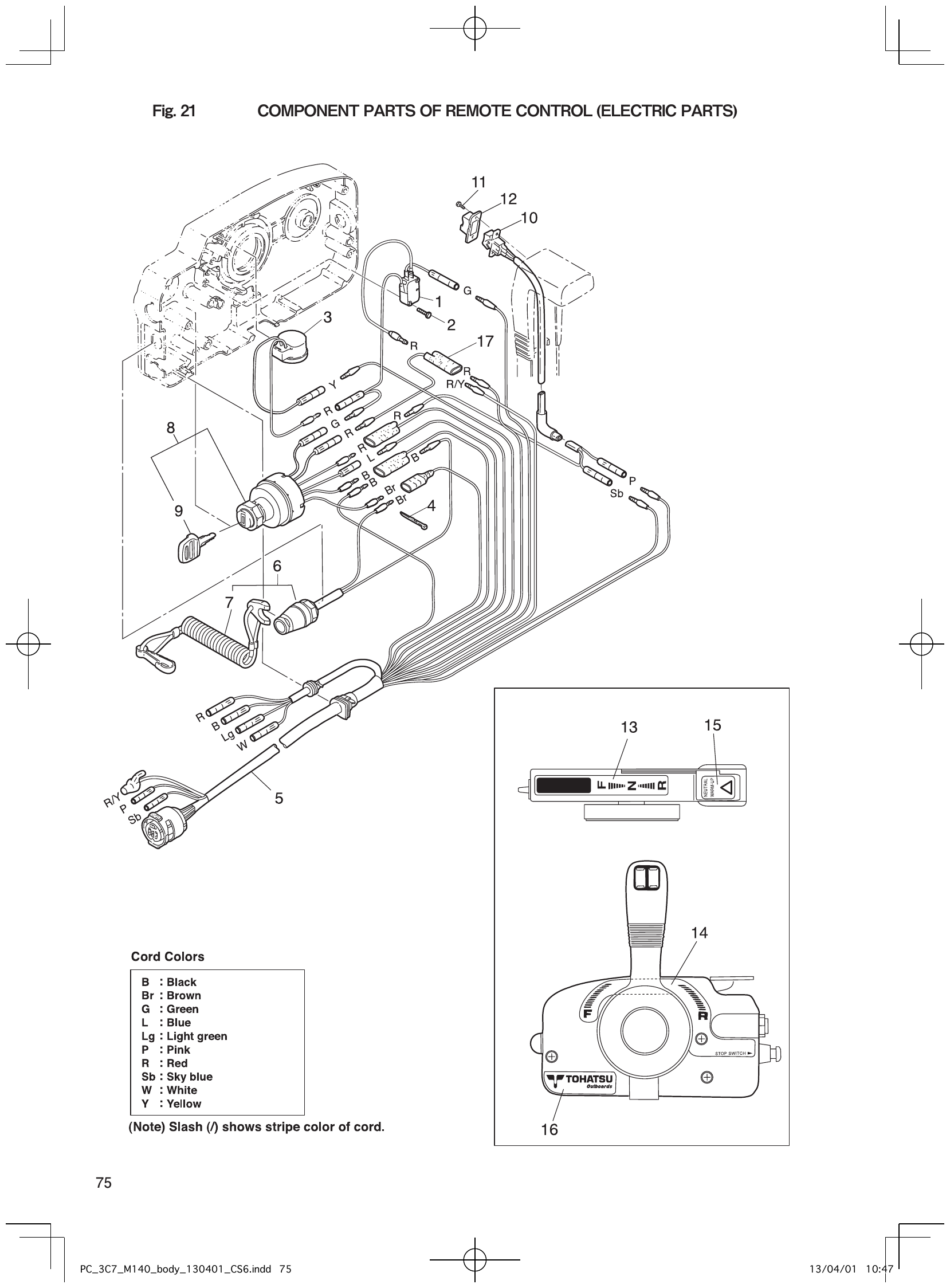
Fig. 21
β COMPONENT PARTS OF REMOTE CONTROL (ELECTRIC PARTS)
Fig. 22
β ACCESSORIES
Fig. 23
β OPTIONAL PARTS (1)
Fig. 24
β OPTIONAL PARTS (2)
Fig. 25
β ASSEMBLY KIT PARTS