M4C,5B
Choose a section to open the exploded parts diagram with live pricing. (v2)
Engine sections in this model
CYLINDER CRANK CASE
PISTON CRANK SHAFT
CARBURETOR
RECOIL STARTER LOCK
MAGNETO
DRIVE SHAFT HOUSING SHIFT
GEAR CASE
BRACKET REVERSE LOCK ARM
BOTTOM COWL TILLER HANDLE
TOP COWL
INTEGRAL FUEL TANK(M5B-D M5B M4C)
SEPARATE FUEL TANK DUAL FUEL(M5B-D M5B-S)
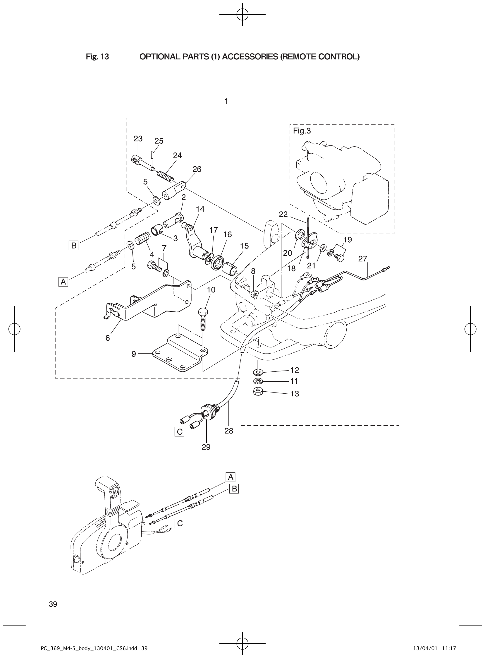
OPTIONAL PARTS (1) ACCESSORIES (REMOTE CONTROL)
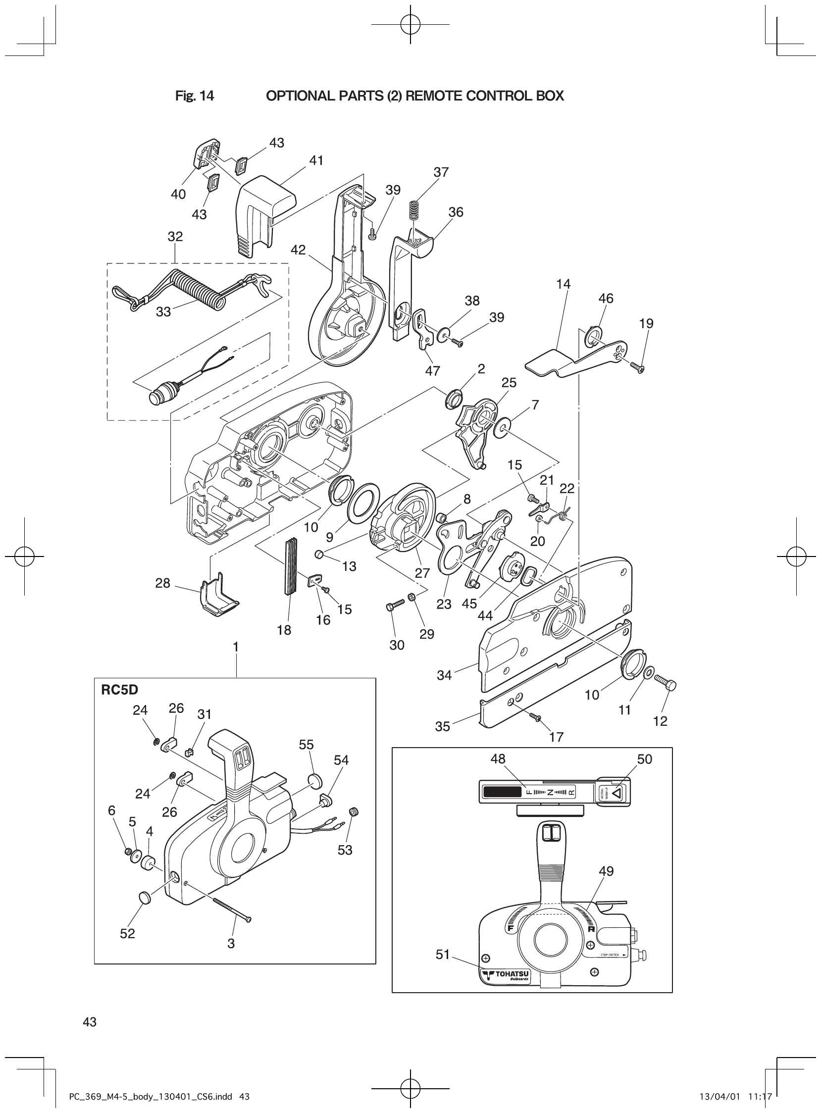
OPTIONAL PARTS (2) REMOTE CONTROL BOX
OPTIONAL PARTS (3) ACCESSORIES
ASSEMBLY KIT PARTS
Fig. 1
– CYLINDER CRANK CASE
Fig. 2
– PISTON CRANK SHAFT
Fig. 3
– CARBURETOR
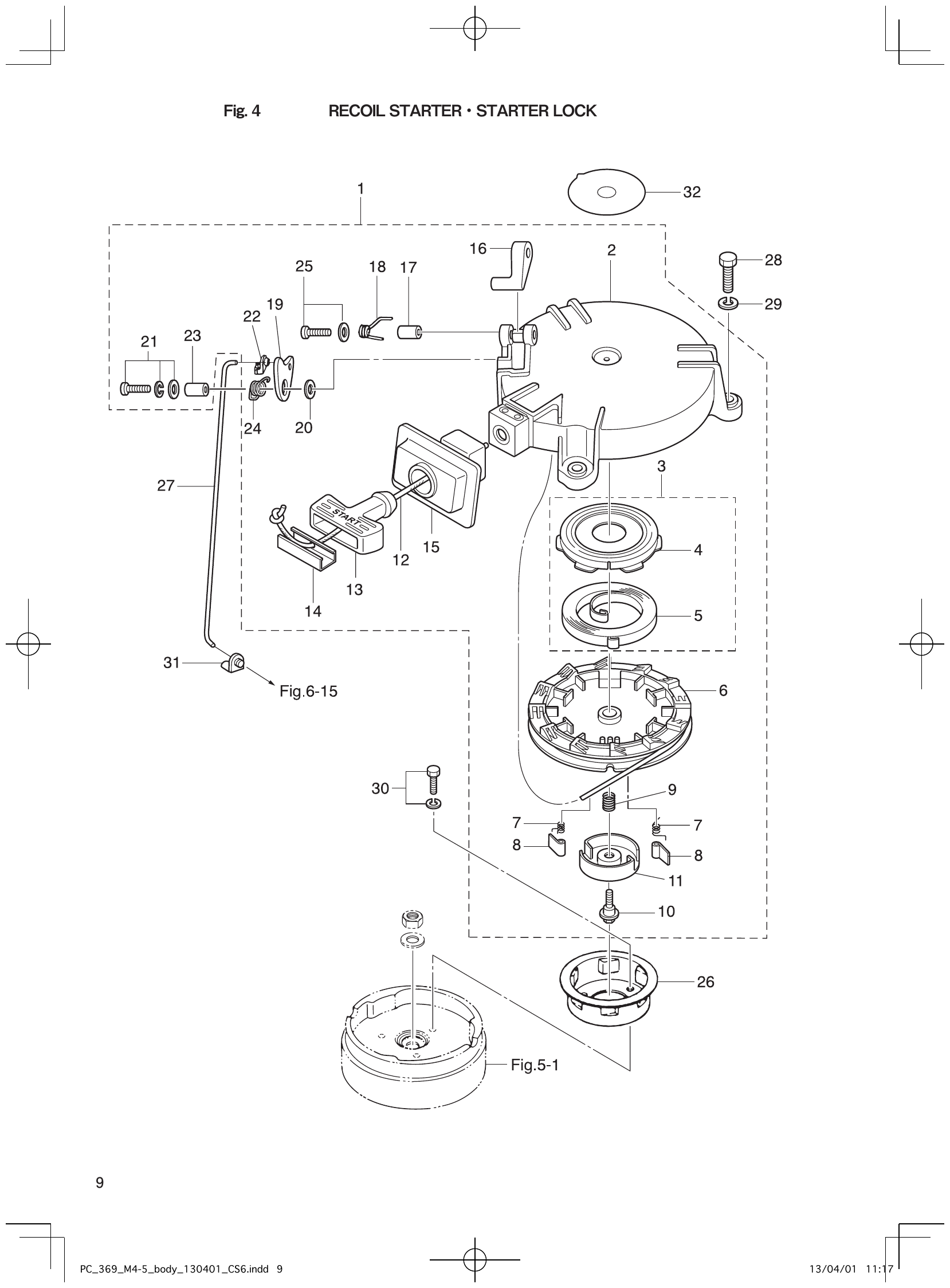
Fig. 4
– RECOIL STARTER LOCK
Fig. 5
– MAGNETO
Fig. 6
– DRIVE SHAFT HOUSING SHIFT
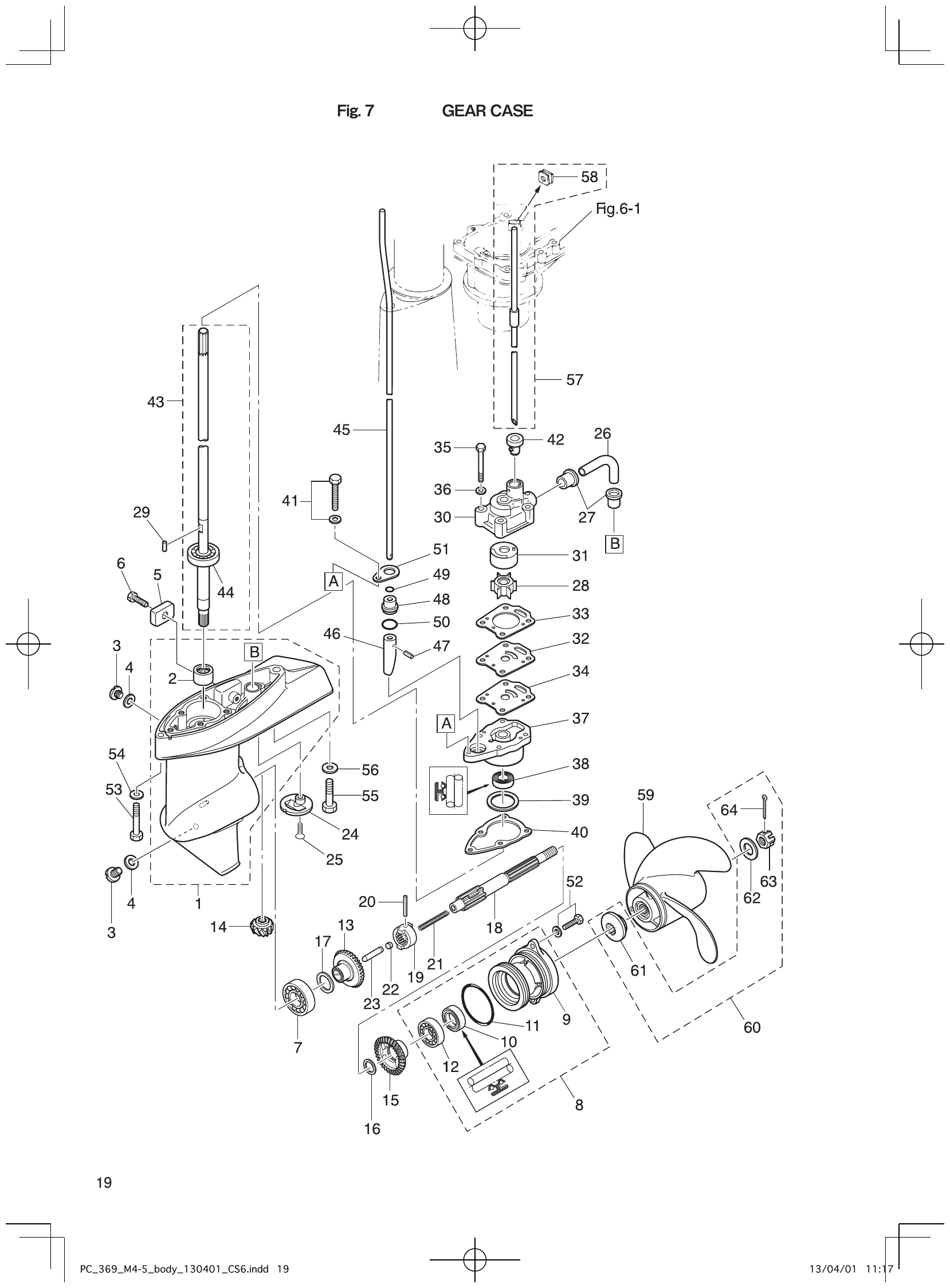
Fig. 7
– GEAR CASE
Fig. 8
– BRACKET REVERSE LOCK ARM
Fig. 9
– BOTTOM COWL TILLER HANDLE
Fig. 10
– TOP COWL
Fig. 11
– INTEGRAL FUEL TANK(M5B-D M5B M4C)
Fig. 12
– SEPARATE FUEL TANK DUAL FUEL(M5B-D M5B-S)
Fig. 13
– OPTIONAL PARTS (1) ACCESSORIES (REMOTE CONTROL)
Fig. 14
– OPTIONAL PARTS (2) REMOTE CONTROL BOX
Fig. 15
– OPTIONAL PARTS (3) ACCESSORIES
Fig. 16
– ASSEMBLY KIT PARTS