MFS 2/2.5/3.5B
Choose a section to open the exploded parts diagram with live pricing. (v2)
Model code: MFS2-2-5-3-5B
Engine sections in this model
Fig. 1
β cylinder crank case
Fig. 2
β piston crank shaft
Fig. 3
β oil pan
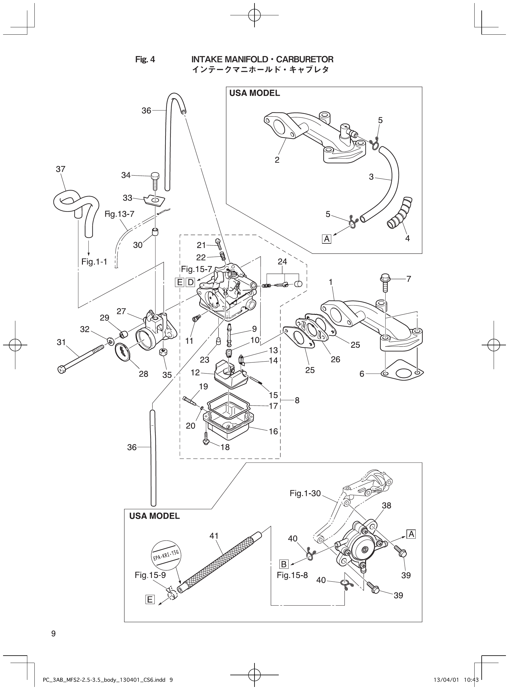
Fig. 4
β intake manifold carburetor
Fig. 5
β throttle
Fig. 6
β recoil starter
Fig. 7
β magneto
Fig. 8
β drive shaft housing
Fig. 9
β shift
Fig. 10
β gear case
Fig. 11
β clamp bracket swivel bracket
Fig. 12
β tiller handle
Fig. 13
β bottom cowl
Fig. 14
β top cowl
Fig. 15
β fuel tank
Fig. 16
β optional parts accessories
Fig. 17
β assembly kit parts