MFS4,5,6C
Choose a section to open the exploded parts diagram with live pricing. (v2)
Engine sections in this model
CYLINDER OIL PAN
PISTON CRANK SHAFT
CYLINDER HEAD VALVE CAMSHAFT
CARBURETOR FUEL PUMP
RECOIL STARTER
MAGNETO
DRIVE SHAFT HOUSING SHIFT
GEAR CASE
BRACKET REVERSE LOCK
BOTTOM COWL TILLER HANDLE
TOP COWL
SEPARATE FUEL TANK
INTEGRAL FUEL TANK
OPTIONAL PARTS (1) ACCESSORIES (REMOTE CONTROL) (1)()
COMPONENT PARTS OF REMOTE CONTROL
OPTIONAL PARTS (2) ACCESSORIES (2)
ASSEMBLY KIT PARTS
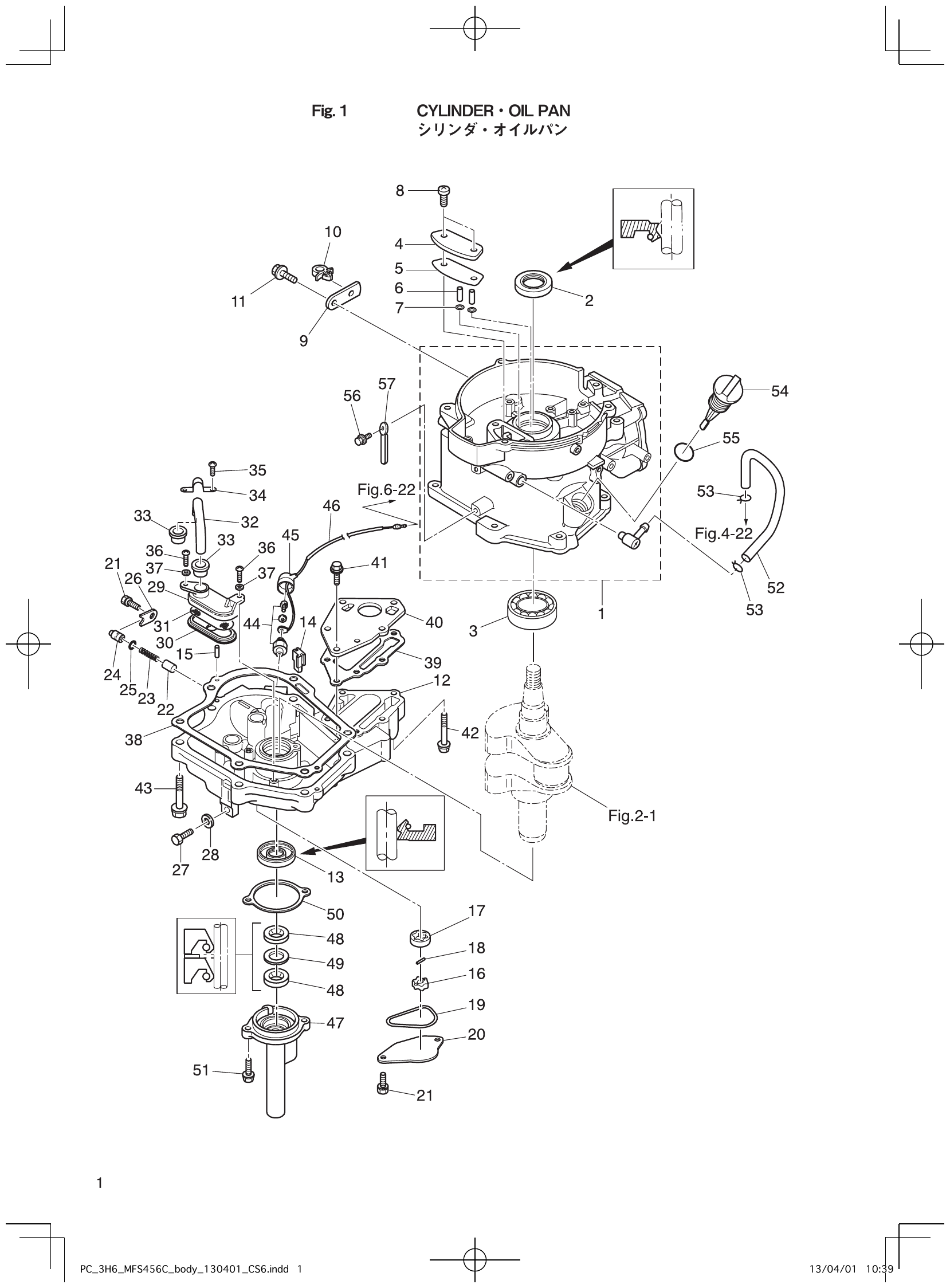
Fig. 1
– CYLINDER OIL PAN
Fig. 2
– PISTON CRANK SHAFT
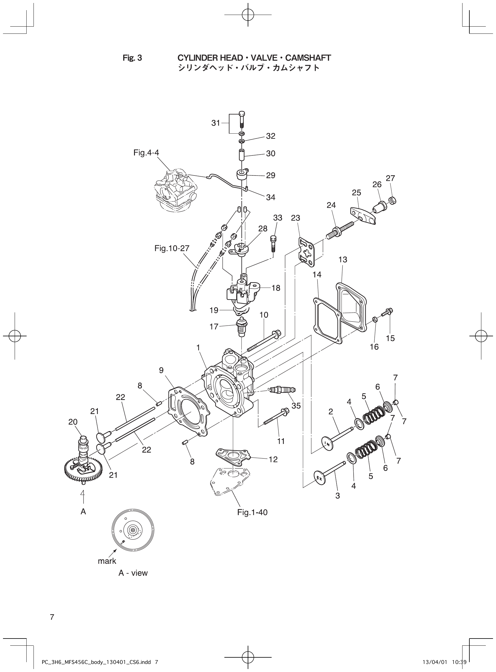
Fig. 3
– CYLINDER HEAD VALVE CAMSHAFT
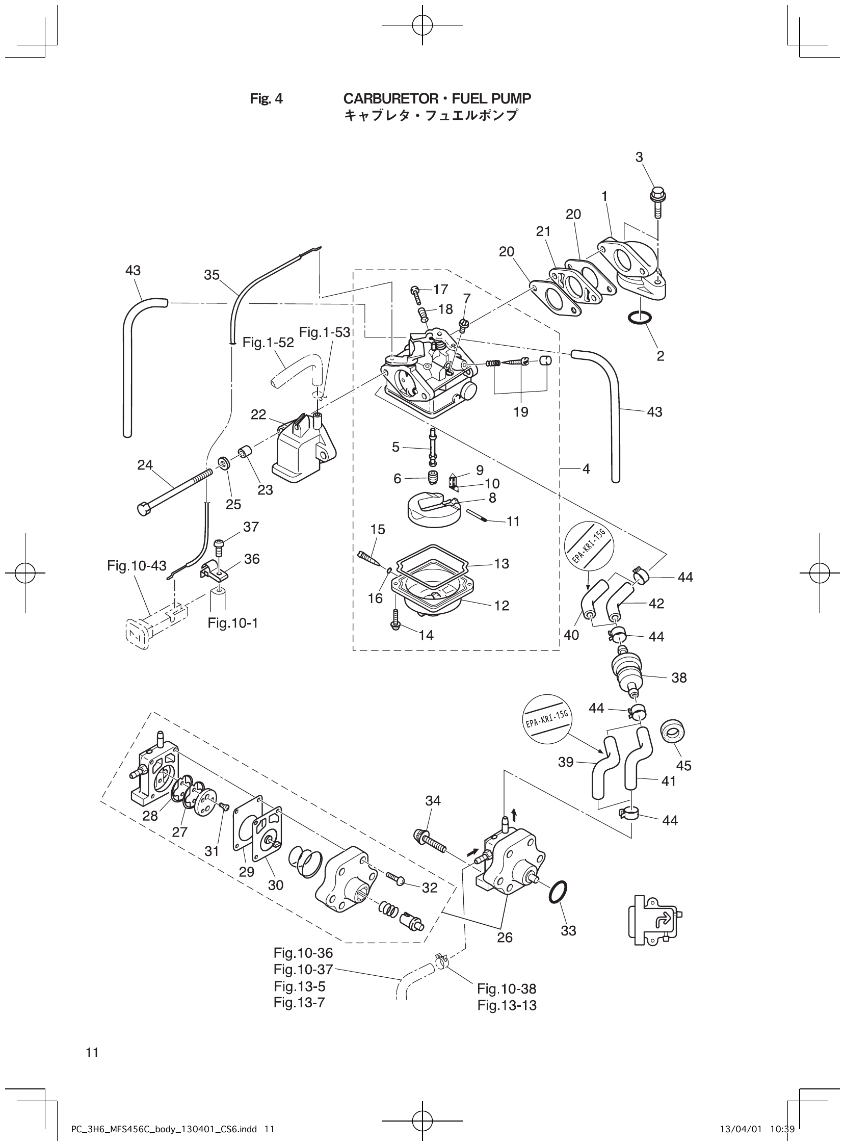
Fig. 4
– CARBURETOR FUEL PUMP
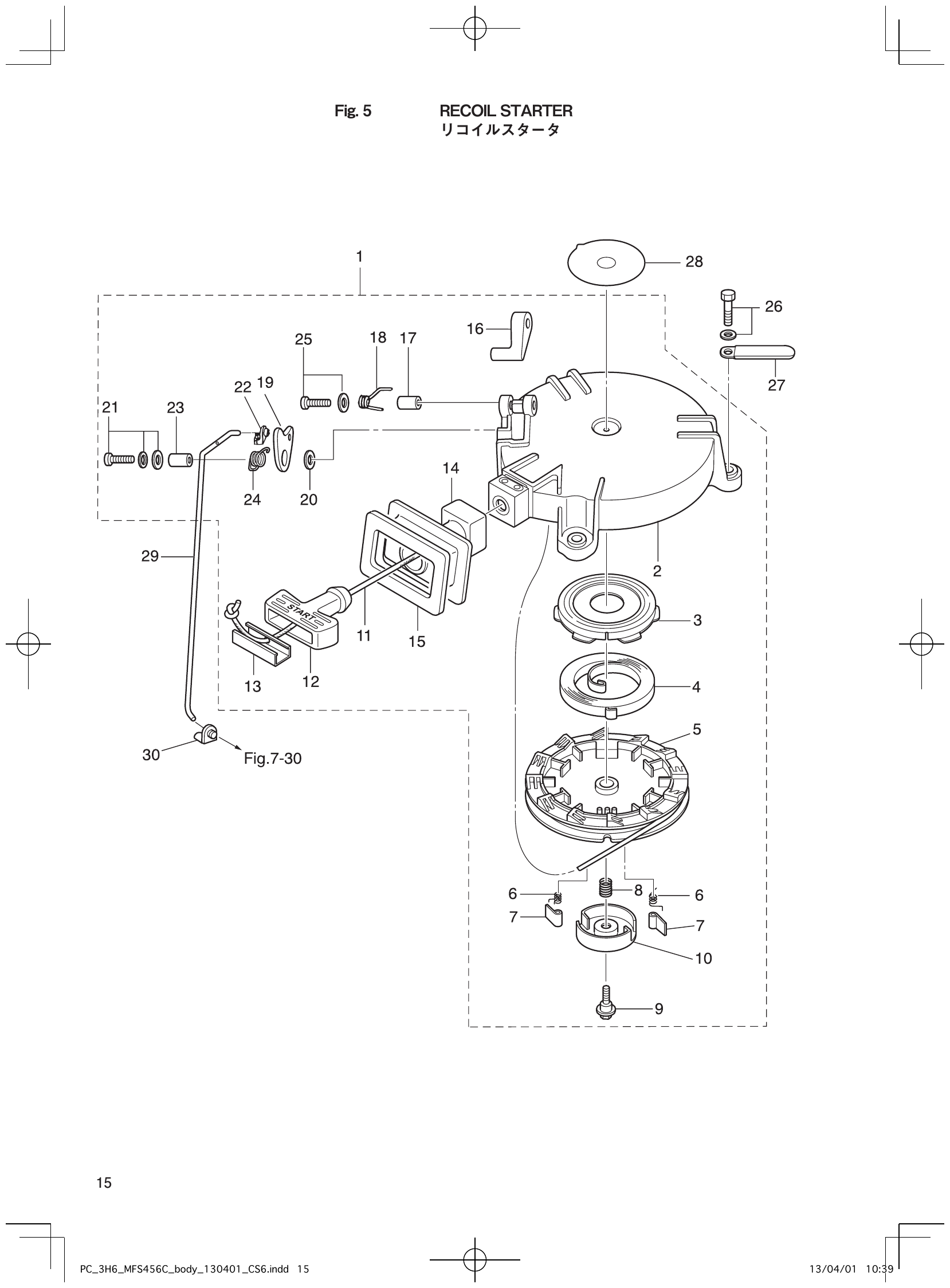
Fig. 5
– RECOIL STARTER
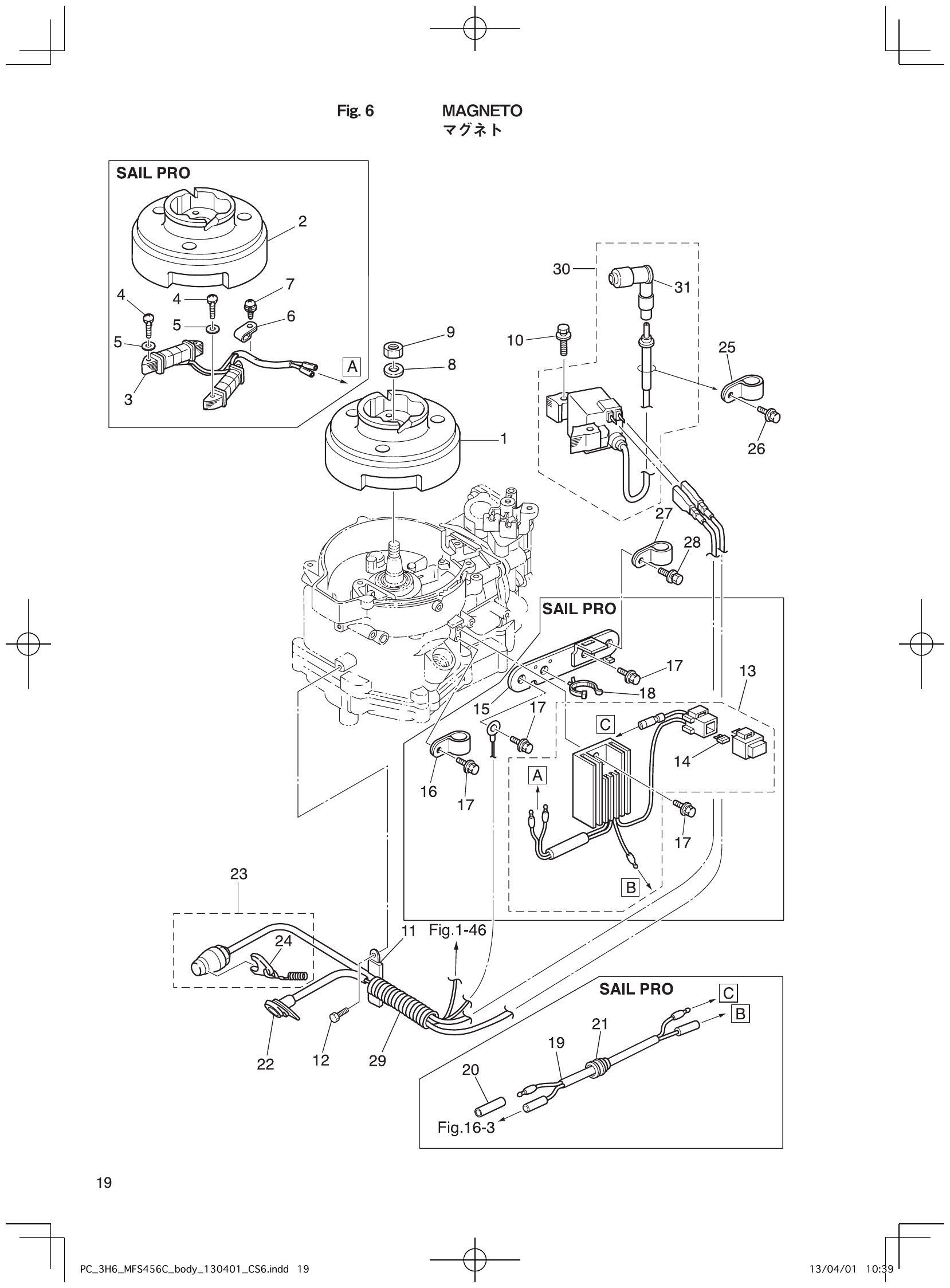
Fig. 6
– MAGNETO
Fig. 7
– DRIVE SHAFT HOUSING SHIFT
Fig. 8
– GEAR CASE
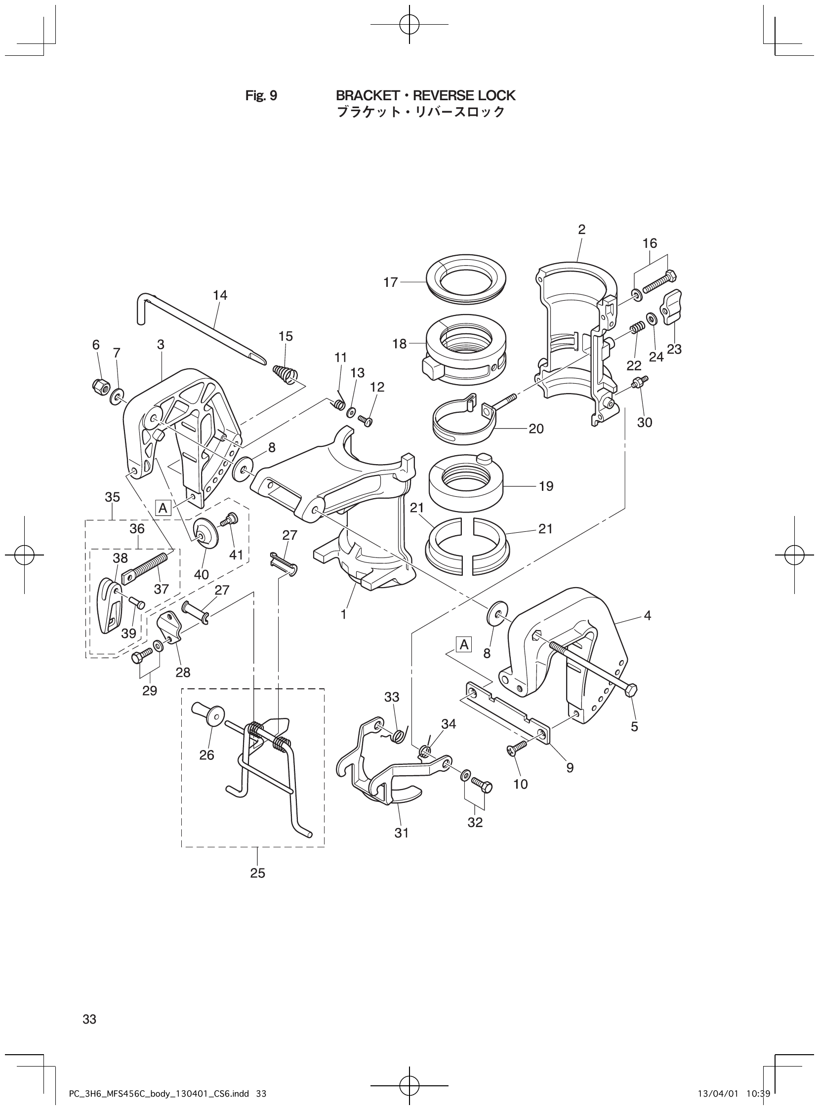
Fig. 9
– BRACKET REVERSE LOCK
Fig. 10
– BOTTOM COWL TILLER HANDLE
Fig. 11
– TOP COWL
Fig. 12
– SEPARATE FUEL TANK
Fig. 13
– INTEGRAL FUEL TANK
Fig. 14
– OPTIONAL PARTS (1) ACCESSORIES (REMOTE CONTROL) (1)()
Fig. 15
– COMPONENT PARTS OF REMOTE CONTROL
Fig. 16
– OPTIONAL PARTS (2) ACCESSORIES (2)
Fig. 17
– ASSEMBLY KIT PARTS