MFS75-90-100-115-140A
Choose a section to open the exploded parts diagram with live pricing. (v2)
Engine sections in this model
CYLINDER CRANK CASE
PISTON CRANK SHAFT
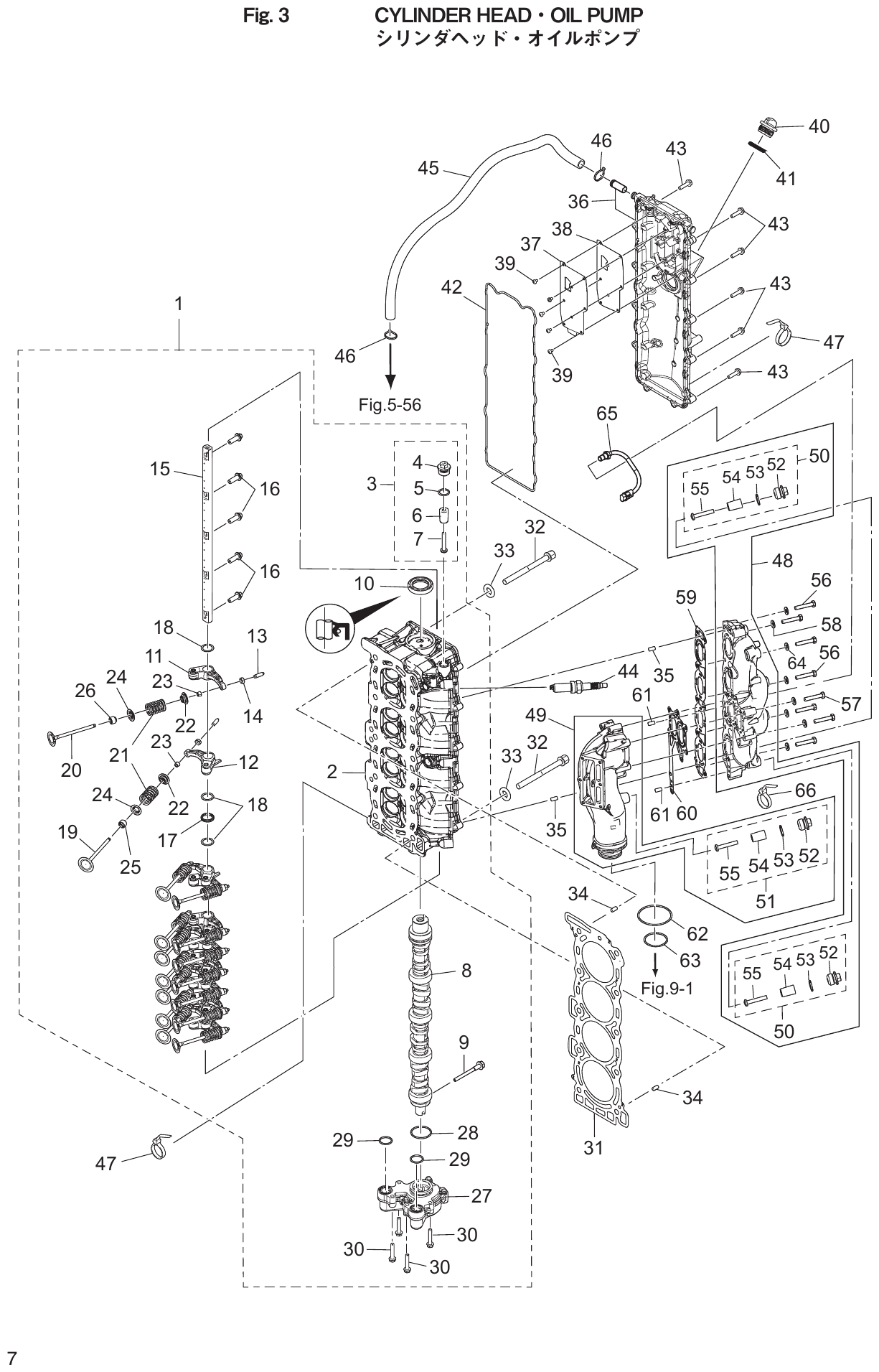
CYLINDER HEAD OIL PUMP
PULLEY TIMING BELT
INTAKE MANIFOLD FUEL SYSTEM
MAGNETO
ELECTRIC PARTS (STARTER MOTOR) ( )
ELECTRIC PARTS
DRIVE SHAFT HOUSING
GEAR CASE (DRIVE SHAFT) ( )
GEAR CASE (PROPELLER SHAFT) ( )
BRACKET
POWER TRIM&TILT &
SHIFT THROTTLE
STEERING
TOP COWL
MULTI TILLER HANDLE
COMPONENT PARTS OF REMOTE CONTROL
COMPONENT PARTS OF REMOTE CONTROL (ELECTRIC PARTS) ( )
OPTIONAL PARTS ACCESSORIES
OPTIONAL PARTS (1)
OPTIONAL PARTS (2)
RIGGING KIT
ASSEMBLY KIT PARTS
Fig. 1
β CYLINDER CRANK CASE
Fig. 2
β PISTON CRANK SHAFT
Fig. 3
β CYLINDER HEAD OIL PUMP
Fig. 4
β PULLEY TIMING BELT
Fig. 5
β INTAKE MANIFOLD FUEL SYSTEM
Fig. 6
β MAGNETO
Fig. 7
β ELECTRIC PARTS (STARTER MOTOR) ( )
Fig. 8
β ELECTRIC PARTS
Fig. 9
β DRIVE SHAFT HOUSING
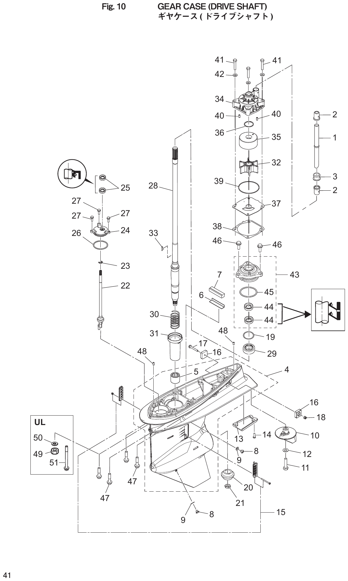
Fig. 10
β GEAR CASE (DRIVE SHAFT) ( )
Fig. 11
β GEAR CASE (PROPELLER SHAFT) ( )
Fig. 12
β BRACKET
Fig. 13
β POWER TRIM&TILT &
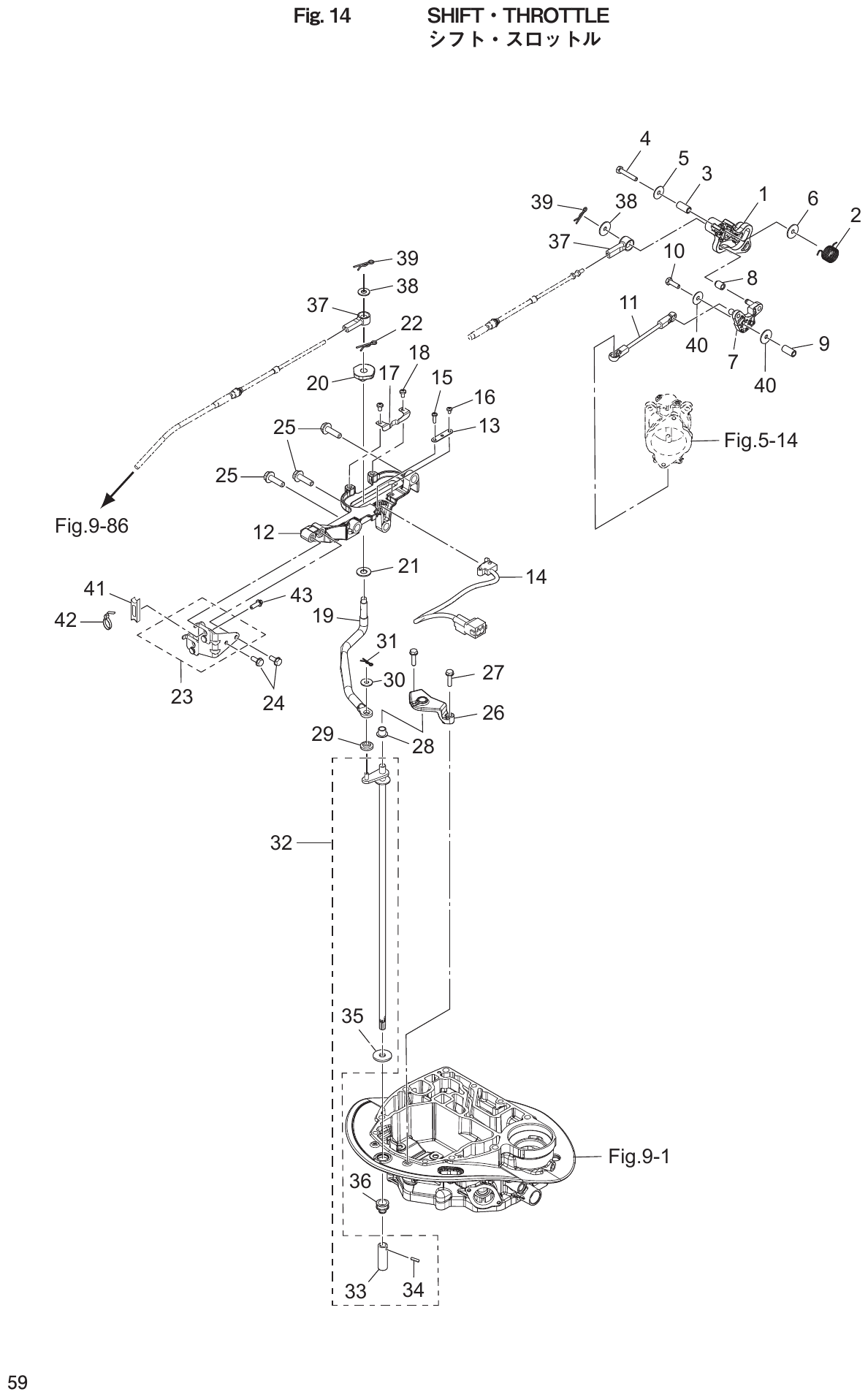
Fig. 14
β SHIFT THROTTLE
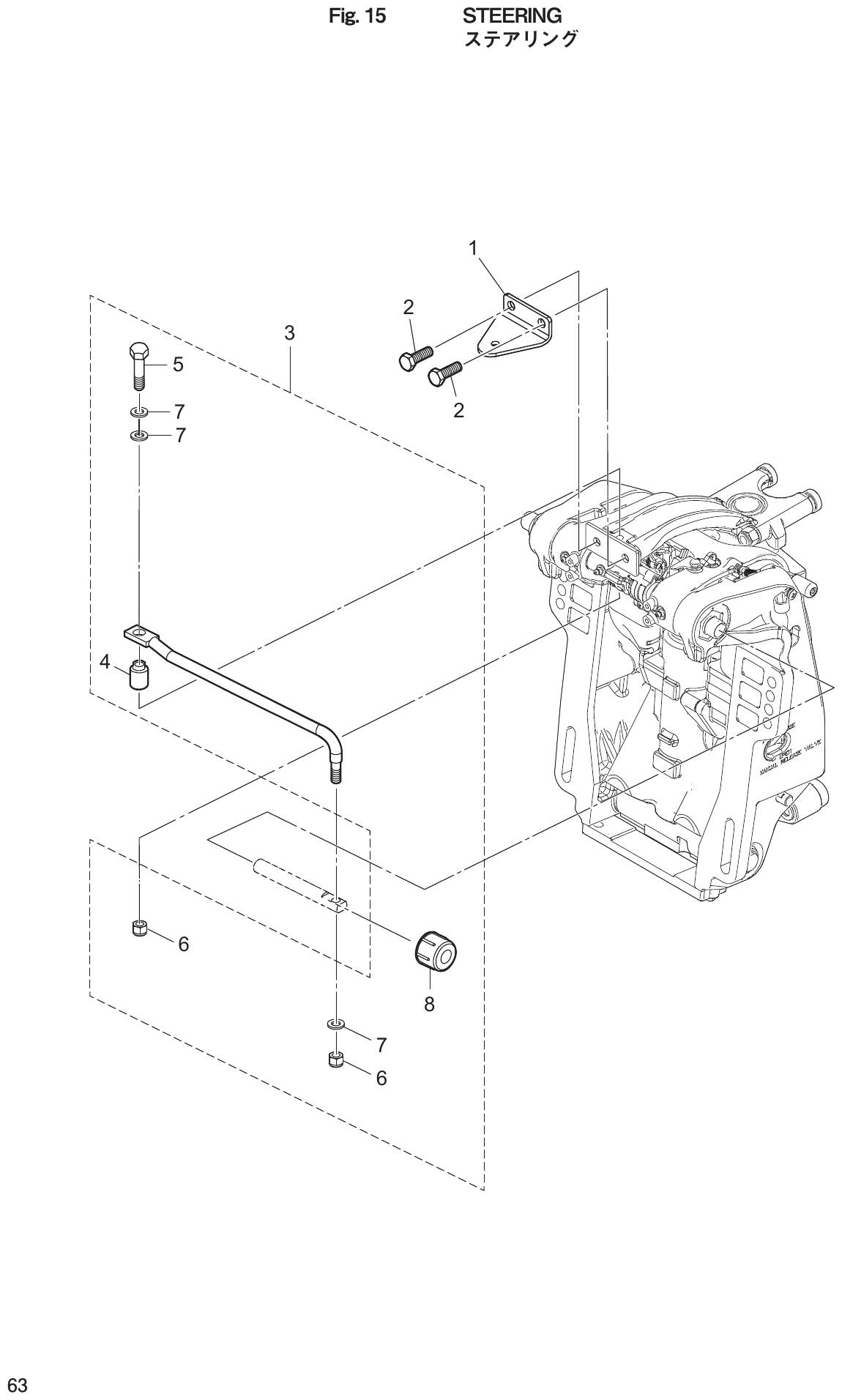
Fig. 15
β STEERING
Fig. 16
β TOP COWL
Fig. 17
β MULTI TILLER HANDLE
Fig. 18
β COMPONENT PARTS OF REMOTE CONTROL
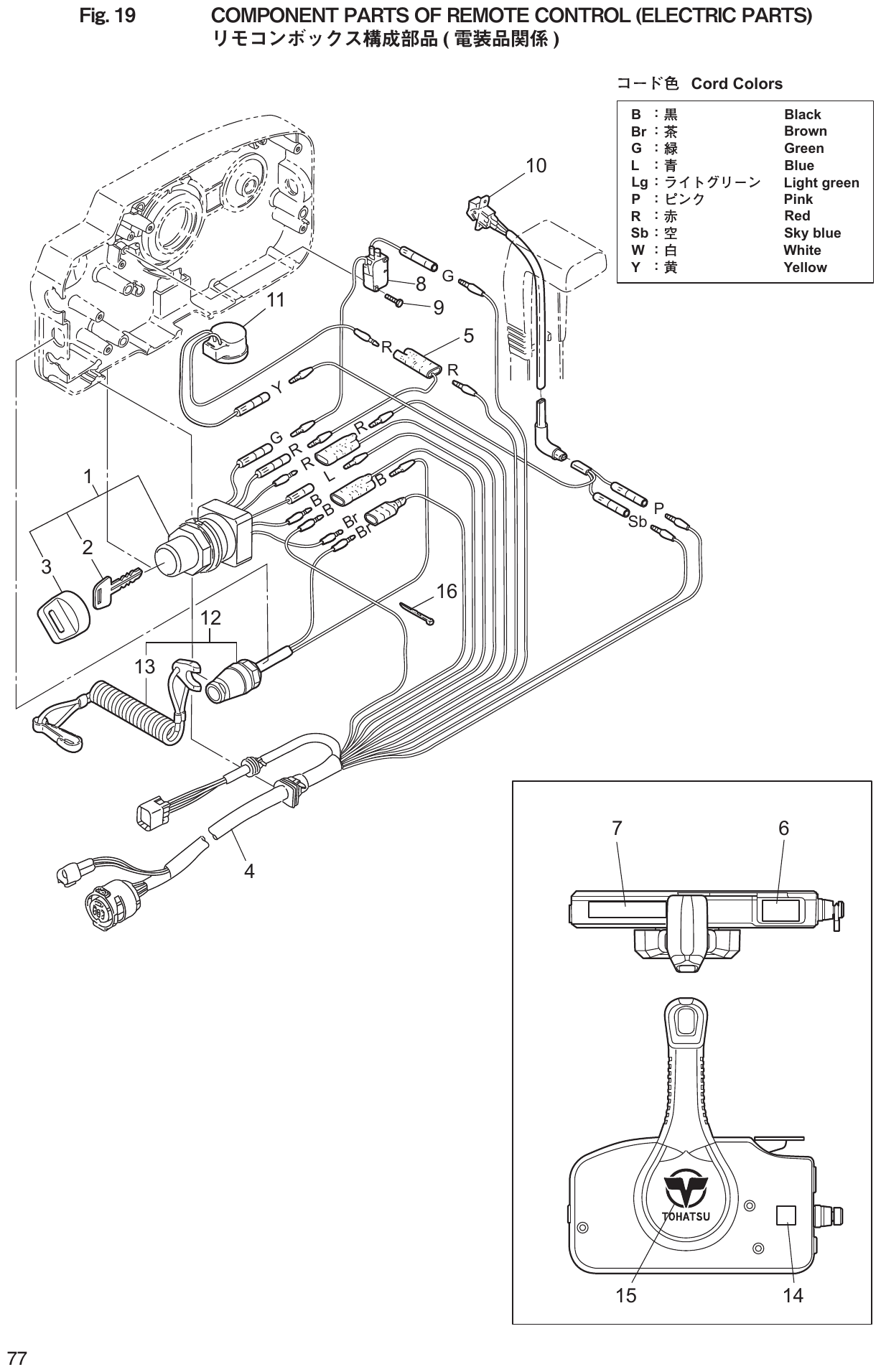
Fig. 19
β COMPONENT PARTS OF REMOTE CONTROL (ELECTRIC PARTS) ( )
Fig. 20
β OPTIONAL PARTS ACCESSORIES
Fig. 21
β OPTIONAL PARTS (1)
Fig. 21A
β OPTIONAL PARTS (2)
Fig. 22
β RIGGING KIT
Fig. 23
β ASSEMBLY KIT PARTS