MFS 9.9/15/20D
Choose a section to open the exploded parts diagram with live pricing. (v2)
Model code: MFS9-9-15-20D
Engine sections in this model
CYLINDER CRANK CASE
PISTON CRANK SHAFT
CYLINDER HEAD OIL PUMP
PULLEY TIMING BELT
INTAKE MANIFOLD FUEL PUMP
CARBURETOR
RECOIL STARTER
MAGNETO ELECTRIC PARTS
DRIVE SHAFT HOUSING
GEAR CASE
BRACKET MANUAL
BRACKET PTT PTT
POWER TILT
TILLER HANDLE
BOTTOM COWL
SHIFT
REMOTE CONTROL PARTS
TOP COWL
FUEL TANK
COMPONENT PARTS OF REMOTE CONTROL
COMPONENT PARTS OF REMOTE CONTROL ELECTRIC PARTS
OPTIONAL PARTS ACCESSORIES
ASSEMBLY KIT PARTS
Fig. 1
β cylinder crank case
Fig. 2
β piston crank shaft
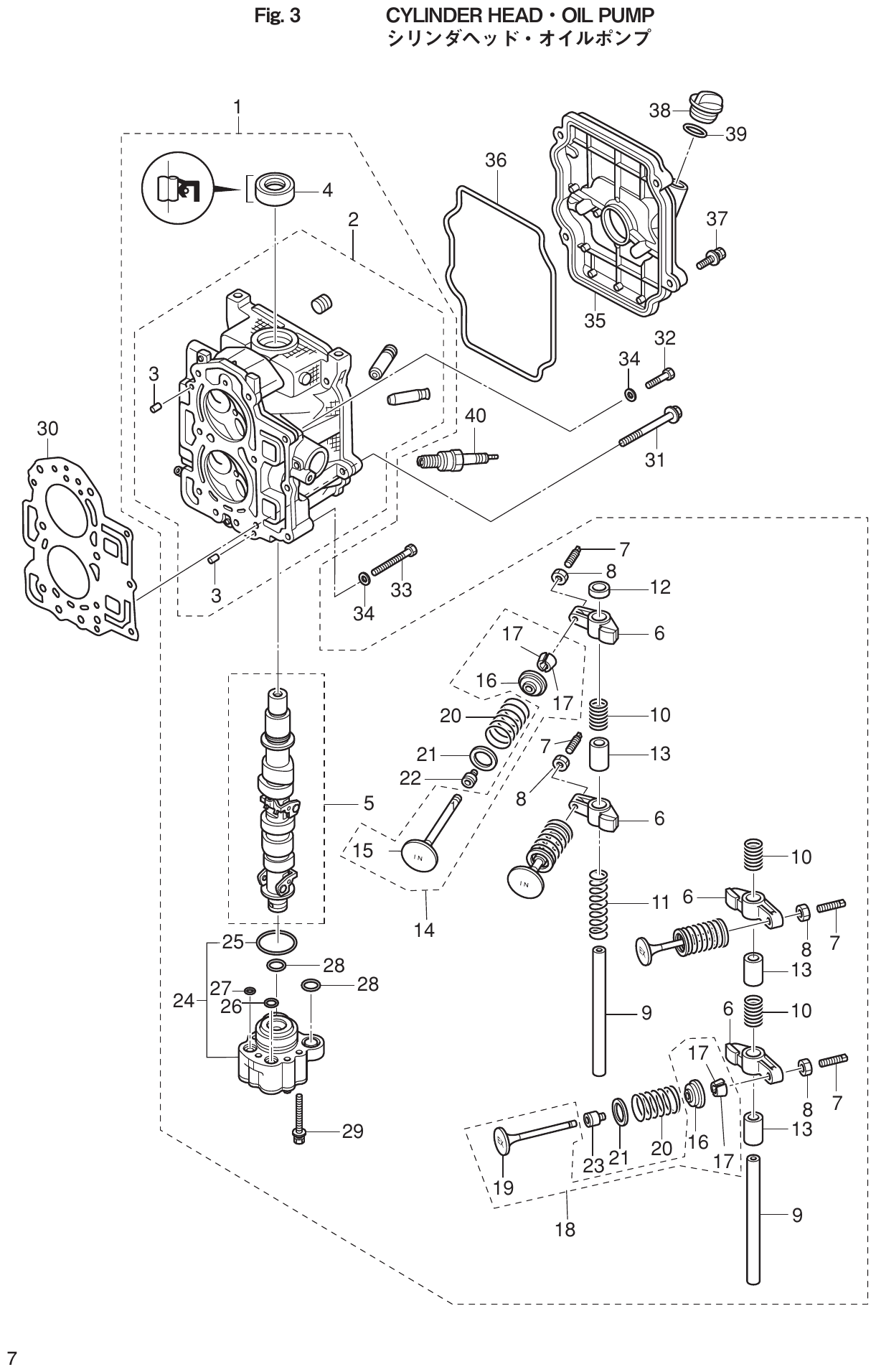
Fig. 3
β cylinder head oil pump
Fig. 4
β pulley timing belt
Fig. 5
β intake manifold fuel pump
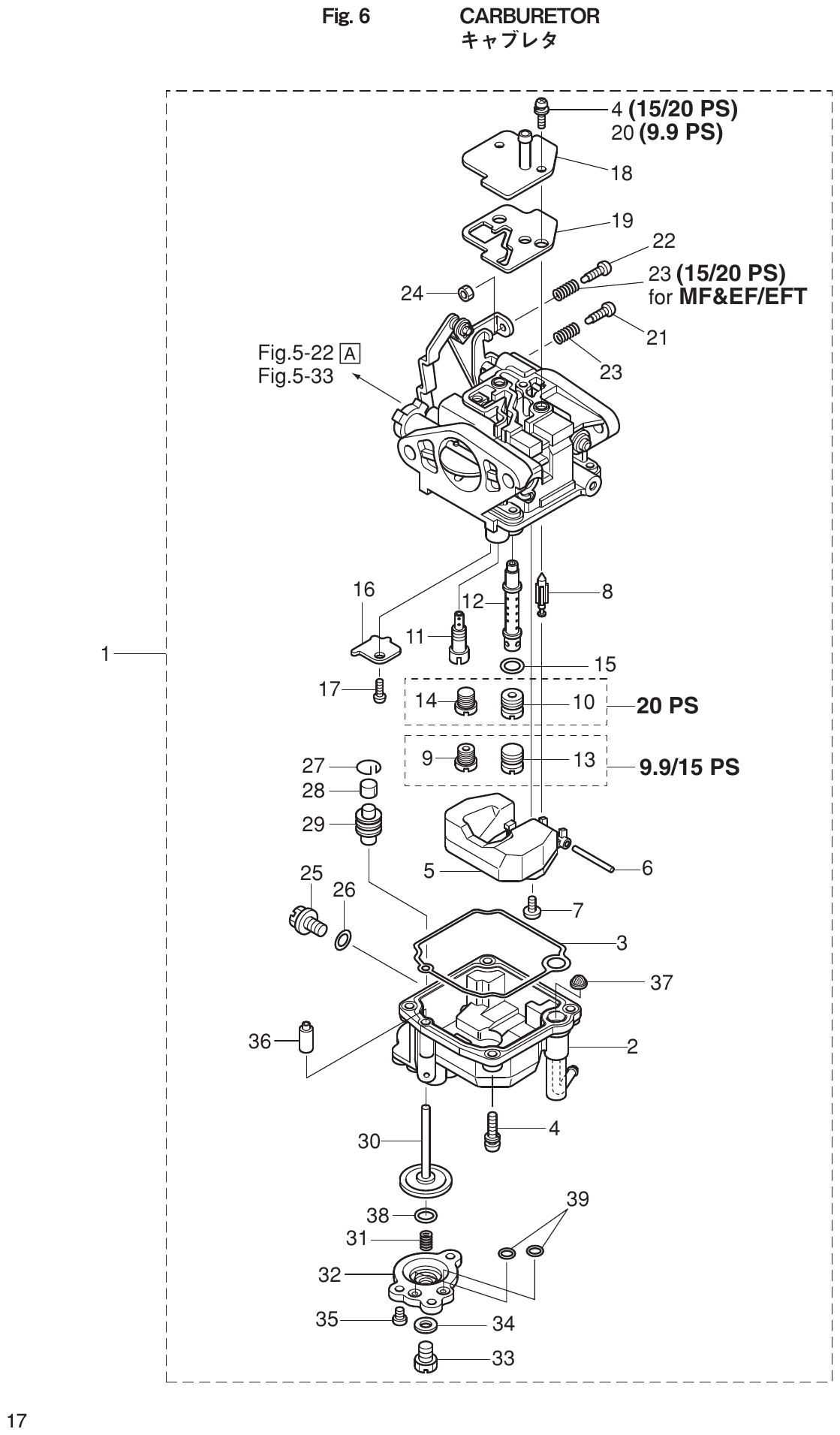
Fig. 6
β carburetor
Fig. 7
β recoil starter
Fig. 8
β magneto electric parts
Fig. 9
β drive shaft housing
Fig. 10
β gear case
Fig. 11
β bracket manual
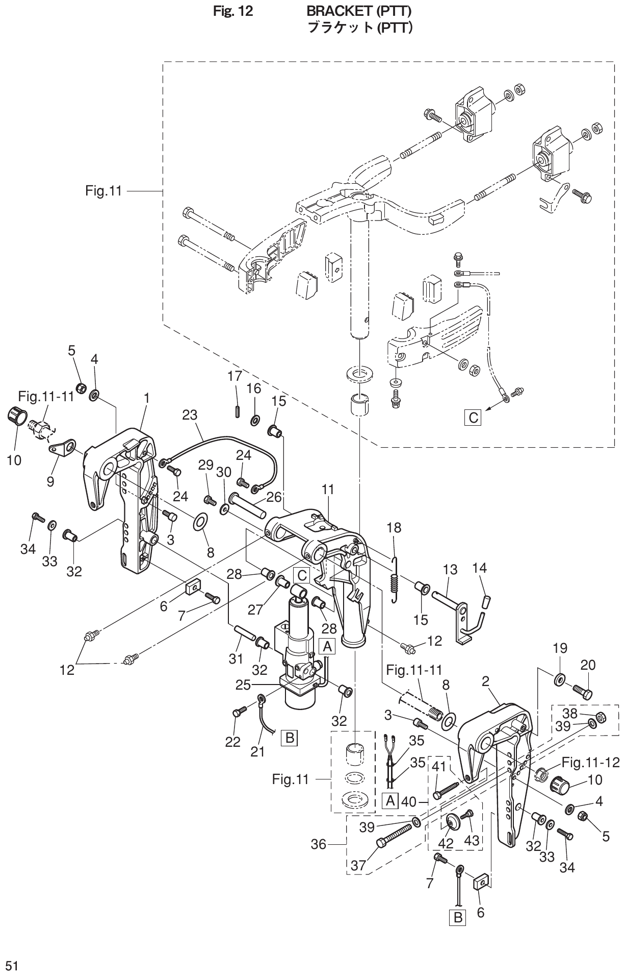
Fig. 12
β bracket ptt ptt
Fig. 13
β power tilt
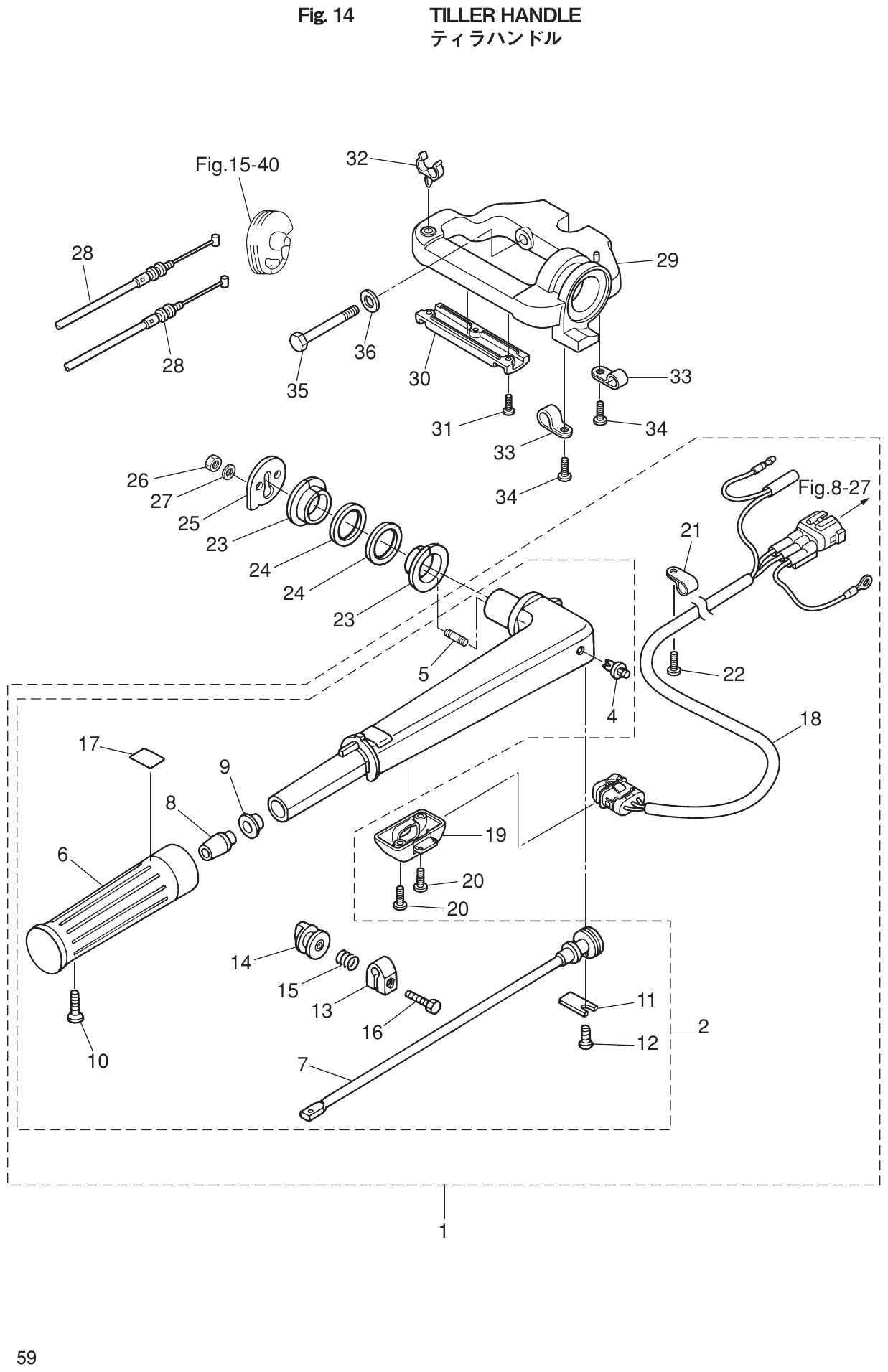
Fig. 14
β tiller handle
Fig. 15
β bottom cowl
Fig. 16
β shift
Fig. 17
β remote control parts
Fig. 18
β top cowl
Fig. 19
β fuel tank
Fig. 20
β component parts of remote control
Fig. 21
β component parts of remote control electric parts
Fig. 22
β optional parts accessories
Fig. 23
β assembly kit parts