πŸŒ™ Ψ±Ω…ΨΆΨ§Ω† ΩƒΨ±ΩŠΩ… ✨
✨ Ramadan Working Hours: 9:00 AM – 3:00 PM ✨

F200BET'19

Choose a section to open the exploded parts diagram with live pricing. (v2)

Model code: 6S1F
Engine sections in this model
SCHEDULED SERVICE PARTS PARTES DE REPUESTO TEMPORALES TOP COWLING SOPORTE SUPERIOR CYLINDER & CRANKCASE 1 CILINDRO & CARTER 1 CRANKSHAFT & PISTON CIGUENAL & PISTON CYLINDER & CRANKCASE 2 CILINDRO & CARTER 2 CYLINDER & CRANKCASE 3 CILINDRO & CARTER 3 VALVE VALVULA INTAKE 1 ADMISION 1 INTAKE 2 ADMISION 2 THROTTLE BODY ASSY 1 CAJA DE ACELERADOR COMPL 1 THROTTLE BODY ASSY 2 CAJA DE ACELERADOR COMPL 2 THROTTLE BODY ASSY 3 CAJA DE ACELERADOR COMPL 3 FUEL INJECTION PUMP 1 BOMBA DE INYECTOR 1 FUEL INJECTION PUMP 2 BOMBA DE INYECTOR 2 FUEL 1 COMBUSTIBLE 1 FUEL 2 COMBUSTIBLE 2 GENERATOR GENERADOR ELECTRICAL 1 EQUIPO ELECTRICO 1 ELECTRICAL 2 EQUIPO ELECTRICO 2 ELECTRICAL 3 EQUIPO ELECTRICO 3 ELECTRICAL 4 EQUIPO ELECTRICO 4 STARTING MOTOR MOTOR DE ARRANQUE BOTTOM COWLING 1 CUBIERTA INFERIOR 1 BOTTOM COWLING 2 CUBIERTA INFERIOR 2 CONTROL CONTROL BRACKET 1 SOPORTE 1 BRACKET 2 SOPORTE 2 POWER TRIM & TILT ASSY 1 COMPONER Y PODER VARILLA 1 POWER TRIM & TILT ASSY 2 COMPONER Y PODER VARILLA 2 UPPER CASING FUNDA SUPERIOR OIL PAN OIL PAN LOWER CASING & DRIVE 1 IMPULSOR E INFERIOR 1 LOWER CASING & DRIVE 2 IMPULSOR E INFERIOR 2 LOWER CASING & DRIVE 3 IMPULSOR E INFERIOR 3 LOWER CASING & DRIVE 4 IMPULSOR E INFERIOR 4 STEERING GUIDE ATTACHMENT 1 ADITAMENTO GUIA DE GOBIERNO 1 STEERING GUIDE ATTACHMENT 2 ADITAMENTO GUIA DE GOBIERNO 2 REMOTE CONTROL BOX CONTROL REMOTO COMPLETO REMOTE CONTROL ASSY 1 CONTROL REMOTO COMPL 1 REMOTE CONTROL ASSY 2 CONTROL REMOTO COMPL 2 REMOTE CONTROL ASSY 3 CONTROL REMOTO COMPL 3 METER 1 MEDIDOR 1 METER 2 MEDIDOR 2 SWITCH & PANEL 1 PANEL DE INTERRUPTOR 1 SWITCH & PANEL 2 PANEL DE INTERRUPTOR 2 OPTIONAL PARTS 1 PARTES OPCIONALES 1 OPTIONAL PARTS 2 PARTES OPCIONALES 2 OPTIONAL PARTS 3 PARTES OPCIONALES 3 OPTIONAL PARTS 4 PARTES OPCIONALES 4 OPTIONAL PARTS 5 PARTES OPCIONLES 5 OPTIONAL PARTS 6 PARTES OPCIONALES 6 OPTIONAL PARTS 7 PARTES OPCIONALES 7 REPAIR KIT 1 ESTUCHE REPARATION 1 REPAIR KIT 2 ESTUCHE REPARATION 2
Fig. 1 – SCHEDULED SERVICE PARTS PARTES DE REPUESTO TEMPORALES diagram
Fig. 1 – SCHEDULED SERVICE PARTS PARTES DE REPUESTO TEMPORALES
Fig. 2 – TOP COWLING SOPORTE SUPERIOR diagram
Fig. 2 – TOP COWLING SOPORTE SUPERIOR
Fig. 3 – CYLINDER & CRANKCASE 1 CILINDRO & CARTER 1 diagram
Fig. 3 – CYLINDER & CRANKCASE 1 CILINDRO & CARTER 1
Fig. 4 – CRANKSHAFT & PISTON CIGUENAL & PISTON diagram
Fig. 4 – CRANKSHAFT & PISTON CIGUENAL & PISTON
Fig. 5 – CYLINDER & CRANKCASE 2 CILINDRO & CARTER 2 diagram
Fig. 5 – CYLINDER & CRANKCASE 2 CILINDRO & CARTER 2
Fig. 6 – CYLINDER & CRANKCASE 3 CILINDRO & CARTER 3 diagram
Fig. 6 – CYLINDER & CRANKCASE 3 CILINDRO & CARTER 3
Fig. 7 – VALVE VALVULA diagram
Fig. 7 – VALVE VALVULA
Fig. 8 – INTAKE 1 ADMISION 1 diagram
Fig. 8 – INTAKE 1 ADMISION 1
Fig. 9 – INTAKE 2 ADMISION 2 diagram
Fig. 9 – INTAKE 2 ADMISION 2
Fig. 10 – THROTTLE BODY ASSY 1 CAJA DE ACELERADOR COMPL 1 diagram
Fig. 10 – THROTTLE BODY ASSY 1 CAJA DE ACELERADOR COMPL 1
Fig. 11 – THROTTLE BODY ASSY 2 CAJA DE ACELERADOR COMPL 2 diagram
Fig. 11 – THROTTLE BODY ASSY 2 CAJA DE ACELERADOR COMPL 2
Fig. 12 – THROTTLE BODY ASSY 3 CAJA DE ACELERADOR COMPL 3 diagram
Fig. 12 – THROTTLE BODY ASSY 3 CAJA DE ACELERADOR COMPL 3
Fig. 13 – FUEL INJECTION PUMP 1 BOMBA DE INYECTOR 1 diagram
Fig. 13 – FUEL INJECTION PUMP 1 BOMBA DE INYECTOR 1
Fig. 14 – FUEL INJECTION PUMP 2 BOMBA DE INYECTOR 2 diagram
Fig. 14 – FUEL INJECTION PUMP 2 BOMBA DE INYECTOR 2
Fig. 15 – FUEL 1 COMBUSTIBLE 1 diagram
Fig. 15 – FUEL 1 COMBUSTIBLE 1
Fig. 16 – FUEL 2 COMBUSTIBLE 2 diagram
Fig. 16 – FUEL 2 COMBUSTIBLE 2
Fig. 17 – GENERATOR GENERADOR diagram
Fig. 17 – GENERATOR GENERADOR
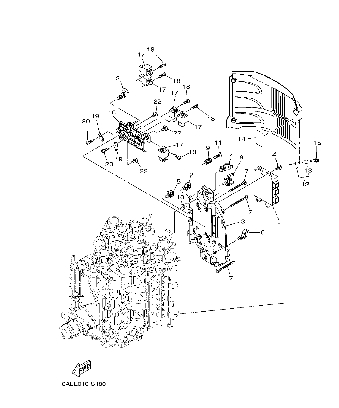
Fig. 18 – ELECTRICAL 1 EQUIPO ELECTRICO 1 diagram
Fig. 18 – ELECTRICAL 1 EQUIPO ELECTRICO 1
Fig. 19 – ELECTRICAL 2 EQUIPO ELECTRICO 2 diagram
Fig. 19 – ELECTRICAL 2 EQUIPO ELECTRICO 2
Fig. 20 – ELECTRICAL 3 EQUIPO ELECTRICO 3 diagram
Fig. 20 – ELECTRICAL 3 EQUIPO ELECTRICO 3
Fig. 21 – ELECTRICAL 4 EQUIPO ELECTRICO 4 diagram
Fig. 21 – ELECTRICAL 4 EQUIPO ELECTRICO 4
Fig. 22 – STARTING MOTOR MOTOR DE ARRANQUE diagram
Fig. 22 – STARTING MOTOR MOTOR DE ARRANQUE
Fig. 23 – BOTTOM COWLING 1 CUBIERTA INFERIOR 1 diagram
Fig. 23 – BOTTOM COWLING 1 CUBIERTA INFERIOR 1
Fig. 24 – BOTTOM COWLING 2 CUBIERTA INFERIOR 2 diagram
Fig. 24 – BOTTOM COWLING 2 CUBIERTA INFERIOR 2
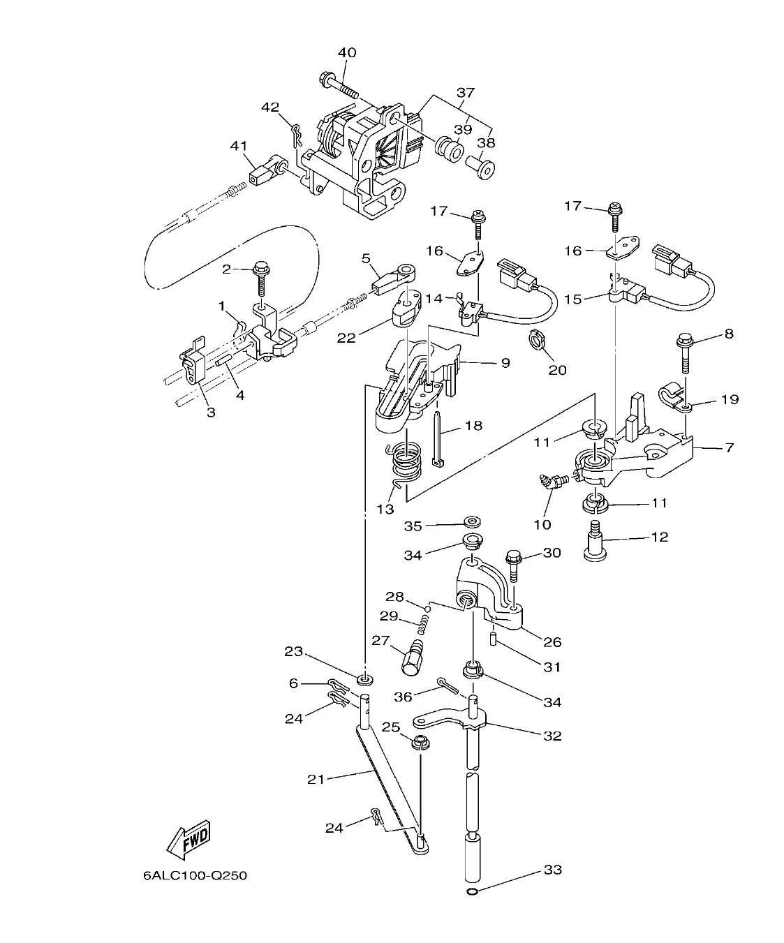
Fig. 25 – CONTROL CONTROL diagram
Fig. 25 – CONTROL CONTROL
Fig. 26 – BRACKET 1 SOPORTE 1 diagram
Fig. 26 – BRACKET 1 SOPORTE 1
Fig. 27 – BRACKET 2 SOPORTE 2 diagram
Fig. 27 – BRACKET 2 SOPORTE 2
Fig. 28 – POWER TRIM & TILT ASSY 1 COMPONER Y PODER VARILLA 1 diagram
Fig. 28 – POWER TRIM & TILT ASSY 1 COMPONER Y PODER VARILLA 1
Fig. 29 – POWER TRIM & TILT ASSY 2 COMPONER Y PODER VARILLA 2 diagram
Fig. 29 – POWER TRIM & TILT ASSY 2 COMPONER Y PODER VARILLA 2
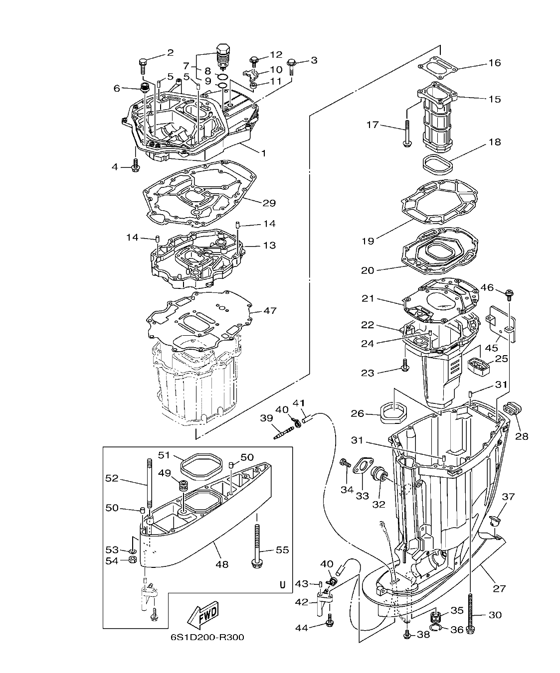
Fig. 30 – UPPER CASING FUNDA SUPERIOR diagram
Fig. 30 – UPPER CASING FUNDA SUPERIOR
Fig. 31 – OIL PAN OIL PAN diagram
Fig. 31 – OIL PAN OIL PAN
Fig. 32 – LOWER CASING & DRIVE 1 IMPULSOR E INFERIOR 1 diagram
Fig. 32 – LOWER CASING & DRIVE 1 IMPULSOR E INFERIOR 1
Fig. 33 – LOWER CASING & DRIVE 2 IMPULSOR E INFERIOR 2 diagram
Fig. 33 – LOWER CASING & DRIVE 2 IMPULSOR E INFERIOR 2
Fig. 34 – LOWER CASING & DRIVE 3 IMPULSOR E INFERIOR 3 diagram
Fig. 34 – LOWER CASING & DRIVE 3 IMPULSOR E INFERIOR 3
Fig. 35 – LOWER CASING & DRIVE 4 IMPULSOR E INFERIOR 4 diagram
Fig. 35 – LOWER CASING & DRIVE 4 IMPULSOR E INFERIOR 4
Fig. 36 – STEERING GUIDE ATTACHMENT 1 ADITAMENTO GUIA DE GOBIERNO 1 diagram
Fig. 36 – STEERING GUIDE ATTACHMENT 1 ADITAMENTO GUIA DE GOBIERNO 1
Fig. 37 – STEERING GUIDE ATTACHMENT 2 ADITAMENTO GUIA DE GOBIERNO 2 diagram
Fig. 37 – STEERING GUIDE ATTACHMENT 2 ADITAMENTO GUIA DE GOBIERNO 2
Fig. 38 – REMOTE CONTROL BOX CONTROL REMOTO COMPLETO diagram
Fig. 38 – REMOTE CONTROL BOX CONTROL REMOTO COMPLETO
Fig. 39 – REMOTE CONTROL ASSY 1 CONTROL REMOTO COMPL 1 diagram
Fig. 39 – REMOTE CONTROL ASSY 1 CONTROL REMOTO COMPL 1
Fig. 40 – REMOTE CONTROL ASSY 2 CONTROL REMOTO COMPL 2 diagram
Fig. 40 – REMOTE CONTROL ASSY 2 CONTROL REMOTO COMPL 2
Fig. 41 – REMOTE CONTROL ASSY 3 CONTROL REMOTO COMPL 3 diagram
Fig. 41 – REMOTE CONTROL ASSY 3 CONTROL REMOTO COMPL 3
Fig. 42 – METER 1 MEDIDOR 1 diagram
Fig. 42 – METER 1 MEDIDOR 1
Fig. 43 – METER 2 MEDIDOR 2 diagram
Fig. 43 – METER 2 MEDIDOR 2
Fig. 44 – SWITCH & PANEL 1 PANEL DE INTERRUPTOR 1 diagram
Fig. 44 – SWITCH & PANEL 1 PANEL DE INTERRUPTOR 1
Fig. 45 – SWITCH & PANEL 2 PANEL DE INTERRUPTOR 2 diagram
Fig. 45 – SWITCH & PANEL 2 PANEL DE INTERRUPTOR 2
Fig. 46 – OPTIONAL PARTS 1 PARTES OPCIONALES 1 diagram
Fig. 46 – OPTIONAL PARTS 1 PARTES OPCIONALES 1
Fig. 47 – OPTIONAL PARTS 2 PARTES OPCIONALES 2 diagram
Fig. 47 – OPTIONAL PARTS 2 PARTES OPCIONALES 2
Fig. 48 – OPTIONAL PARTS 3 PARTES OPCIONALES 3 diagram
Fig. 48 – OPTIONAL PARTS 3 PARTES OPCIONALES 3
Fig. 49 – OPTIONAL PARTS 4 PARTES OPCIONALES 4 diagram
Fig. 49 – OPTIONAL PARTS 4 PARTES OPCIONALES 4
Fig. 50 – OPTIONAL PARTS 5 PARTES OPCIONLES 5 diagram
Fig. 50 – OPTIONAL PARTS 5 PARTES OPCIONLES 5
Fig. 51 – OPTIONAL PARTS 6 PARTES OPCIONALES 6 diagram
Fig. 51 – OPTIONAL PARTS 6 PARTES OPCIONALES 6
Fig. 52 – OPTIONAL PARTS 7 PARTES OPCIONALES 7 diagram
Fig. 52 – OPTIONAL PARTS 7 PARTES OPCIONALES 7
Fig. 53 – REPAIR KIT 1 ESTUCHE REPARATION 1 diagram
Fig. 53 – REPAIR KIT 1 ESTUCHE REPARATION 1
Fig. 54 – REPAIR KIT 2 ESTUCHE REPARATION 2 diagram
Fig. 54 – REPAIR KIT 2 ESTUCHE REPARATION 2