bf2.3d6
Choose a section to open the exploded parts diagram with live pricing. (v2)
Model code: BF2-3D6
Engine sections in this model
Fig. E-3
β CYLINDER BARREL
Fig. E-5
β OIL CASE
Fig. E-6
β CRANKCASE COVER
Fig. E-7
β CRANKSHAFT
Fig. E-8
β PISTON/CONNECTING ROD
Fig. E-9
β CAMSHAFT
Fig. E-11
β RECOIL STARTER
Fig. E-12
β FAN COVER
Fig. E-13
β CLUTCH
Fig. E-14
β CARBURETOR
Fig. E-15
β AIR GUIDE
Fig. E-16
β EXHAUST PIPE
Fig. E-17
β FUEL TANK
Fig. E-19
β FLYWHEEL/IGNITION COIL
Fig. F-1
β STEERING HANDLE
Fig. F-3
β EXTENSION CASE
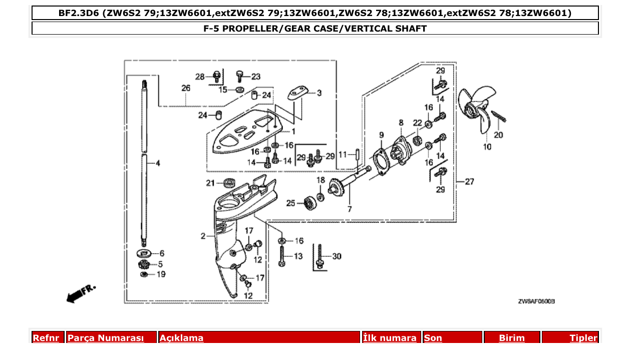
Fig. F-5
β PROPELLER/GEAR CASE/VERTICAL SHAFT
Fig. F-8
β ENGINE CASE
Fig. F-10
β SWIVEL CASE/STERN BRACKET
Fig. F-12
β LABEL
Fig. F-13
β TOOL