Marmoom Marine
π
+97142230106
π
Dubai, UAE
π Cart
0
Currency
AED
USD
Login
Register
Contact Us
Browse
π
Catalogs
Spare Parts
Outboard engines
Boat Accessories
Water Sports items
Marine Lubricants
Search
π Search
π Home
βΊ
Catalogs
βΊ
Honda
βΊ
Outboard
βΊ
BFT250A
BFT250A
Choose a section to open the exploded parts diagram with live pricing. (v2)
Search
Engine sections in this model
SECTION_E-15
SECTION_E-6-10
20
18
SECTION_E-20-10
3
Fig. E-15 β Section_E-15
Fig. E-6-10 β Section_E-6-10
Fig. E-18-10 β 20
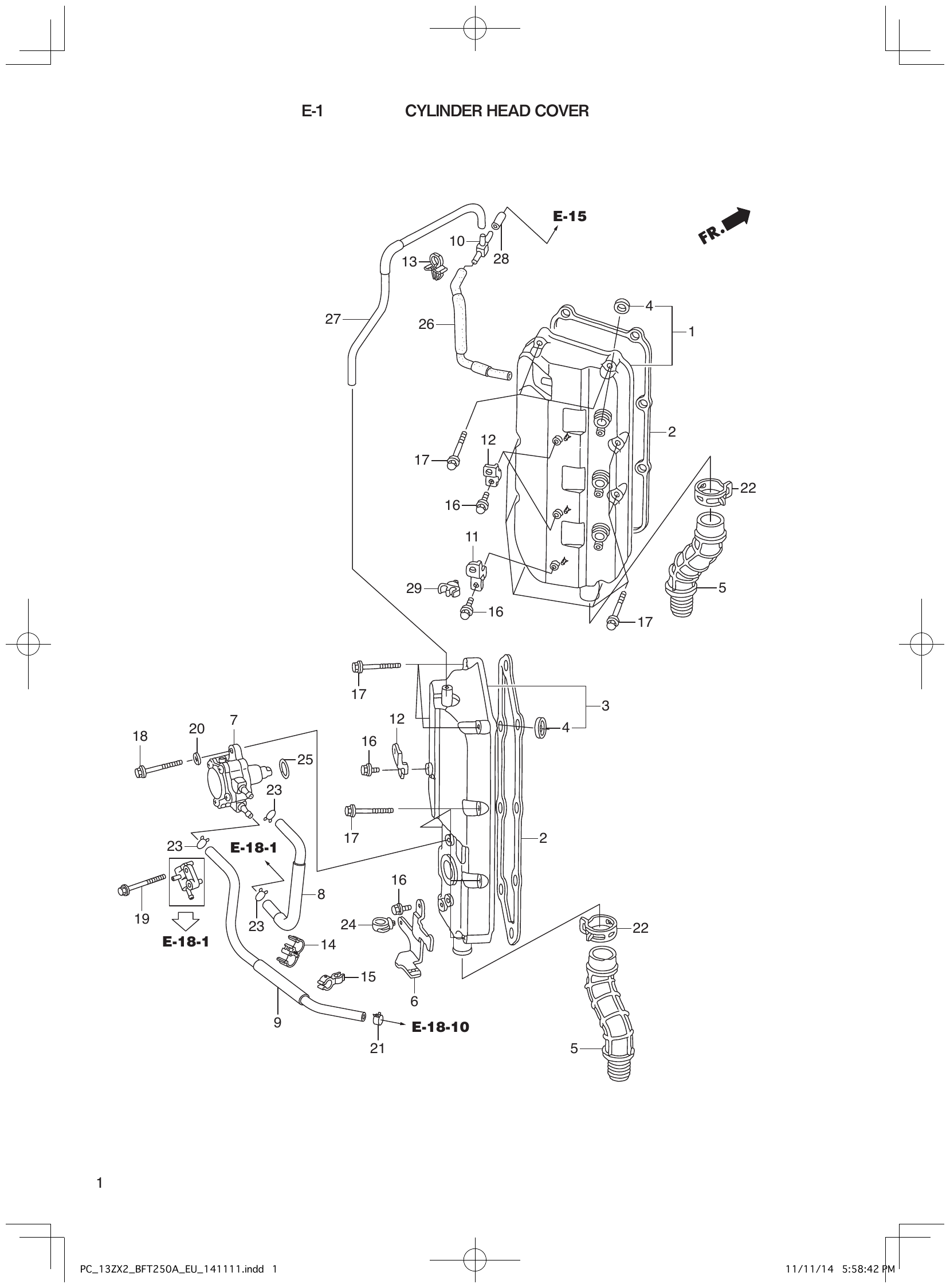
Fig. E-1 β 18
Fig. E-20-10 β Section_E-20-10
Fig. F-11 β 3