bf10d4
Choose a section to open the exploded parts diagram with live pricing. (v2)
Engine sections in this model
RECOIL STARTER
TIMING BELT
CARBURETOR (MANUAL)
CARBURETOR (AUTO)
SILENCER COVER
EXHAUST CHAMBER COVER
FUEL PUMP
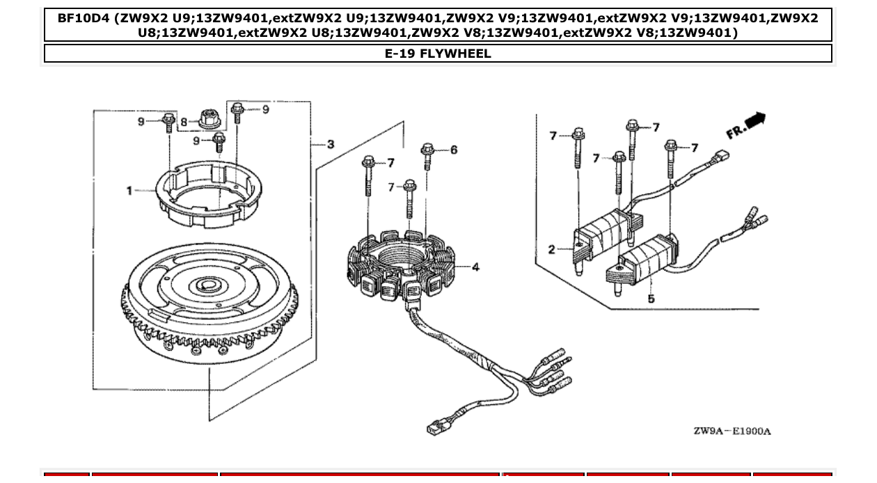
FLYWHEEL
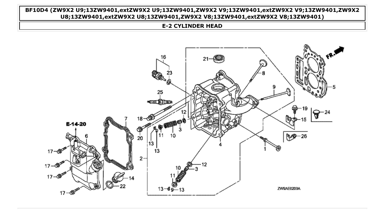
CYLINDER HEAD
IGNITION COIL
STARTER MOTOR
WIRE HARNESS (1)
WIRE HARNESS (2)
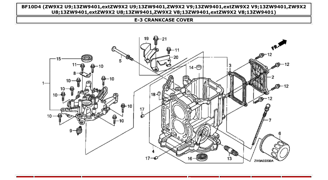
CRANKCASE COVER
OIL CASE
THERMOSTAT
OIL PUMP
PISTON/CONNECTING ROD
CAMSHAFT
WATER HOSE JOINT
STEERING HANDLE
STERN BRACKET (2)
SWIVEL CASE (2)
LABEL
TOOL
GEAR CASE/EXTENSION CASE
GEAR CASE ASSY.
WATER PUMP/VERTICAL SHAFT (L,S SIZE)
PROPELLER SHAFT/PROPELLER
FUEL TANK
REGULATOR (1)
REGULATOR/STARTER CABLE (2)
ENGINE COVER
SHIFT SHAFT (HANDLE SPECIFICATION)
PROPELLER KIT
PUMP IMPELLER KIT
Fig. E-11
β RECOIL STARTER
Fig. E-13
β TIMING BELT
Fig. E-14
β CARBURETOR (MANUAL)
Fig. E-14-1
β CARBURETOR (AUTO)
Fig. E-14-20
β SILENCER COVER
Fig. E-16
β EXHAUST CHAMBER COVER
Fig. E-18
β FUEL PUMP
Fig. E-19
β FLYWHEEL
Fig. E-2
β CYLINDER HEAD
Fig. E-20
β IGNITION COIL
Fig. E-21
β STARTER MOTOR
Fig. E-23-20
β WIRE HARNESS (1)
Fig. E-23-21
β WIRE HARNESS (2)
Fig. E-3
β CRANKCASE COVER
Fig. E-3-20
β OIL CASE
Fig. E-4
β THERMOSTAT
Fig. E-5
β OIL PUMP
Fig. E-7
β PISTON/CONNECTING ROD
Fig. E-9
β CAMSHAFT
Fig. EOP-1
β WATER HOSE JOINT
Fig. F-1
β STEERING HANDLE
Fig. F-10-1
β STERN BRACKET (2)
Fig. F-11-1
β SWIVEL CASE (2)
Fig. F-12
β LABEL
Fig. F-13
β TOOL
Fig. F-3
β GEAR CASE/EXTENSION CASE
Fig. F-3-10
β GEAR CASE ASSY.
Fig. F-4
β WATER PUMP/VERTICAL SHAFT (L,S SIZE)
Fig. F-5
β PROPELLER SHAFT/PROPELLER
Fig. F-6
β FUEL TANK
Fig. F-7
β REGULATOR (1)
Fig. F-7-1
β REGULATOR/STARTER CABLE (2)
Fig. F-8
β ENGINE COVER
Fig. F-8-10
β SHIFT SHAFT (HANDLE SPECIFICATION)
Fig. FOP-4
β PROPELLER KIT
Fig. FOP-5
β PUMP IMPELLER KIT