bf30a
Choose a section to open the exploded parts diagram with live pricing. (v2)
Engine sections in this model
RECOIL STARTER
TIMING BELT
CARBURETOR
THROTTLE ROD
SILENCER COVER
FLYWHEEL
CYLINDER HEAD
IGNITION COIL
STARTER MOTOR
CYLINDER BLOCK
OIL PUMP
OIL PAN
CRANKSHAFT
CAMSHAFT
GASKET KIT
STEERING HANDLE
STERN BRACKET
SWIVEL CASE
REMOTE CONTROL
MARK
TOOL
SHIFT SHAFT
GEAR CASE
GEAR CASE ASSY.
WATER PUMP
PROPELLER
FUEL TANK
REGULATOR
ENGINE COVER
METER
OUTBOARD INSTALLATION KIT
PUMP IMPELLER KIT
WATER PUMP IMPELLER KIT
Fig. E-11
β RECOIL STARTER
Fig. E-13
β TIMING BELT
Fig. E-14
β CARBURETOR
Fig. E-14-10
β THROTTLE ROD
Fig. E-14-20
β SILENCER COVER
Fig. E-19
β FLYWHEEL
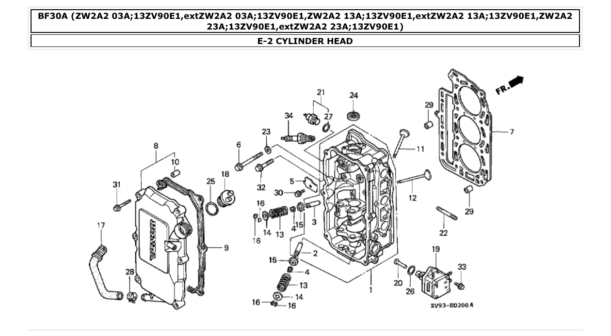
Fig. E-2
β CYLINDER HEAD
Fig. E-20
β IGNITION COIL
Fig. E-21
β STARTER MOTOR
Fig. E-3
β CYLINDER BLOCK
Fig. E-5
β OIL PUMP
Fig. E-6
β OIL PAN
Fig. E-7
β CRANKSHAFT
Fig. E-9
β CAMSHAFT
Fig. EOP-1
β GASKET KIT
Fig. F-1
β STEERING HANDLE
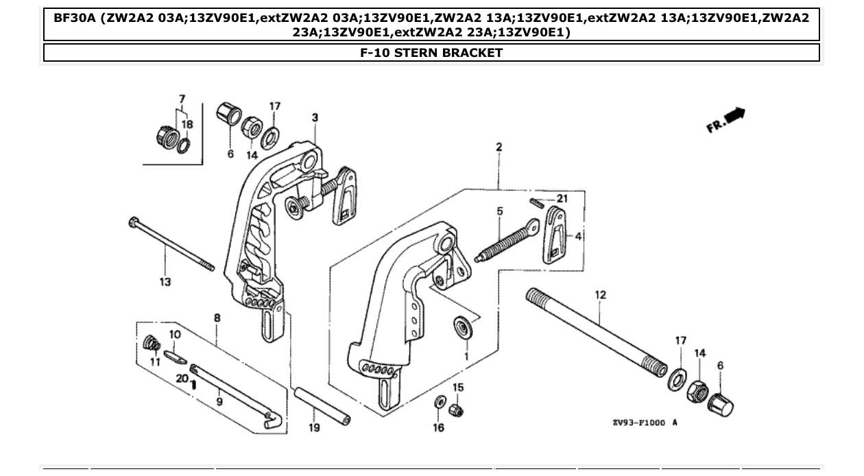
Fig. F-10
β STERN BRACKET
Fig. F-11
β SWIVEL CASE
Fig. F-11-50
β REMOTE CONTROL
Fig. F-12
β MARK
Fig. F-13
β TOOL
Fig. F-2
β SHIFT SHAFT
Fig. F-3
β GEAR CASE
Fig. F-3-10
β GEAR CASE ASSY.
Fig. F-4
β WATER PUMP
Fig. F-5
β PROPELLER
Fig. F-6
β FUEL TANK
Fig. F-7
β REGULATOR
Fig. F-8
β ENGINE COVER
Fig. FOP-1
β METER
Fig. FOP-3
β OUTBOARD INSTALLATION KIT
Fig. FOP-4
β PUMP IMPELLER KIT
Fig. FOP-4-1
β WATER PUMP IMPELLER KIT