bf5a4
Choose a section to open the exploded parts diagram with live pricing. (v2)
Engine sections in this model
RECOIL STARTER
CARBURETOR
FUEL PUMP
FLYWHEEL/IGNITION COIL
CYLINDER HEAD
CYLINDER BARREL
OIL PAN
CRANKSHAFT/PISTON
CAMSHAFT
CHARGE RECEPTACLE KIT
STEERING HANDLE/THROTTLECABLE
STERN BRACKET
MOUNT FRAME/SWIVEL CASE
LABEL
TOOL
SHIFT SHAFT/COVER LOCK LEVER
EXTENSION CASE/GEAR CASE
GEAR CASE ASSY.
VERTICAL SHAFT/WATER PUMP
PROPELLER/PROPELLER SHAFT
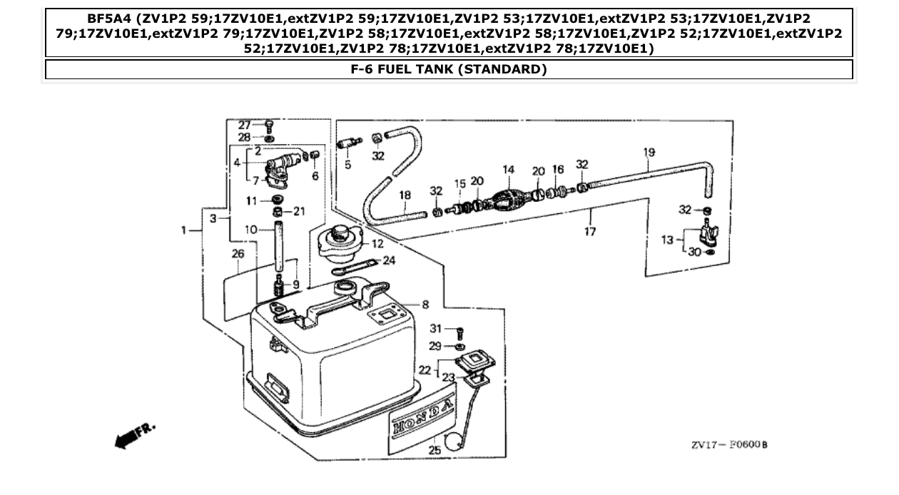
FUEL TANK (STANDARD)
FUEL TANK (PLASTICS)
FUEL STRAINER
ENGINE COVER
REMOTE CONTROL KIT/WATERHOSE JOINT KIT
WATER PUMP IMPELLER KIT
PROPELLER
BODY COVER
Fig. E-11
β RECOIL STARTER
Fig. E-14
β CARBURETOR
Fig. E-18
β FUEL PUMP
Fig. E-19
β FLYWHEEL/IGNITION COIL
Fig. E-2
β CYLINDER HEAD
Fig. E-3
β CYLINDER BARREL
Fig. E-6
β OIL PAN
Fig. E-7
β CRANKSHAFT/PISTON
Fig. E-9
β CAMSHAFT
Fig. EOP-2
β CHARGE RECEPTACLE KIT
Fig. F-1
β STEERING HANDLE/THROTTLECABLE
Fig. F-10
β STERN BRACKET
Fig. F-11
β MOUNT FRAME/SWIVEL CASE
Fig. F-12
β LABEL
Fig. F-13
β TOOL
Fig. F-2
β SHIFT SHAFT/COVER LOCK LEVER
Fig. F-3
β EXTENSION CASE/GEAR CASE
Fig. F-3-10
β GEAR CASE ASSY.
Fig. F-4
β VERTICAL SHAFT/WATER PUMP
Fig. F-5
β PROPELLER/PROPELLER SHAFT
Fig. F-6
β FUEL TANK (STANDARD)
Fig. F-6-1
β FUEL TANK (PLASTICS)
Fig. F-6-10
β FUEL STRAINER
Fig. F-8
β ENGINE COVER
Fig. FOP-1
β REMOTE CONTROL KIT/WATERHOSE JOINT KIT
Fig. FOP-2
β WATER PUMP IMPELLER KIT
Fig. FOP-3
β PROPELLER
Fig. FOP-4
β BODY COVER