15FMH’04
Choose a section to open the exploded parts diagram with live pricing. (v2)
Engine sections in this model
Fig. 1
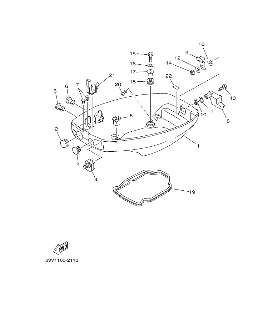
– TOP COWLING
Fig. 10
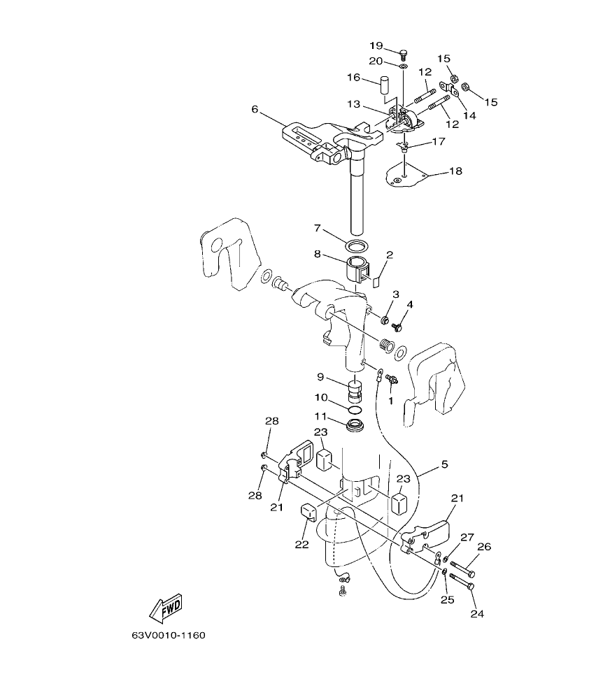
– BOTTOM COWLING
Fig. 11
– STEERING
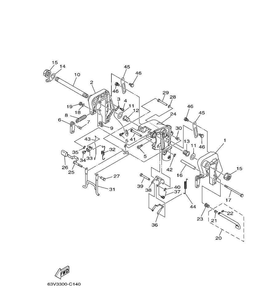
Fig. 12
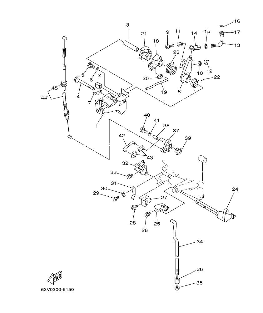
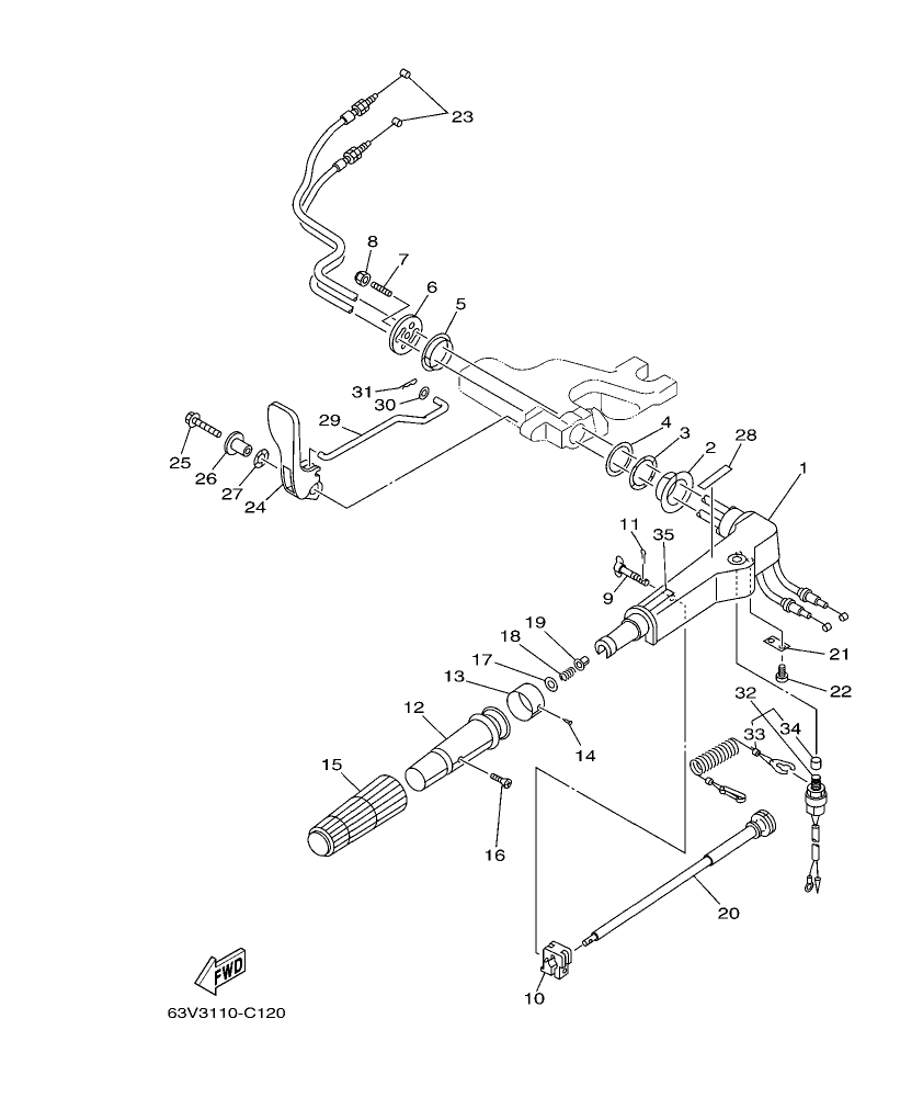
– CONTROL
Fig. 13
– REMO CON ATTACHMENT
Fig. 14
– BRACKET 1
Fig. 15
– BRACKET 2
Fig. 16
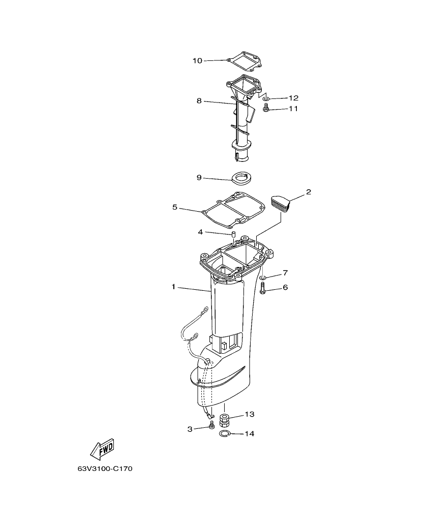
– UPPER CASING
Fig. 17
– LOWER CASING & DRIVE 1
Fig. 18
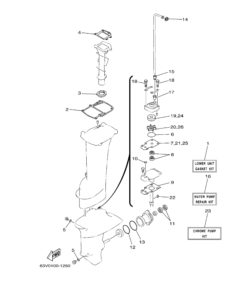
– LOWER CASING & DRIVE 2
Fig. 19
– FUEL TANK
Fig. 2
– CYLINDER & CRANKCASE
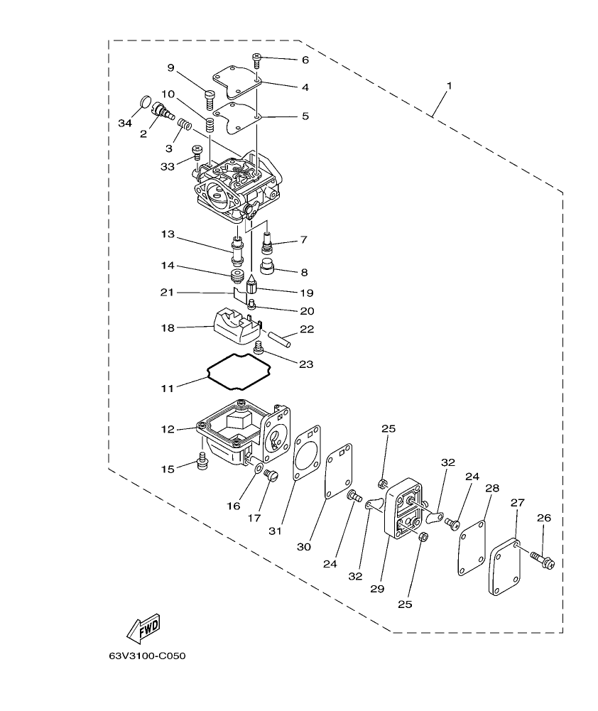
Fig. 20
– REPAIR KIT 1
Fig. 21
– REPAIR KIT 2
Fig. 3
– CRANKSHAFT & PISTON
Fig. 4
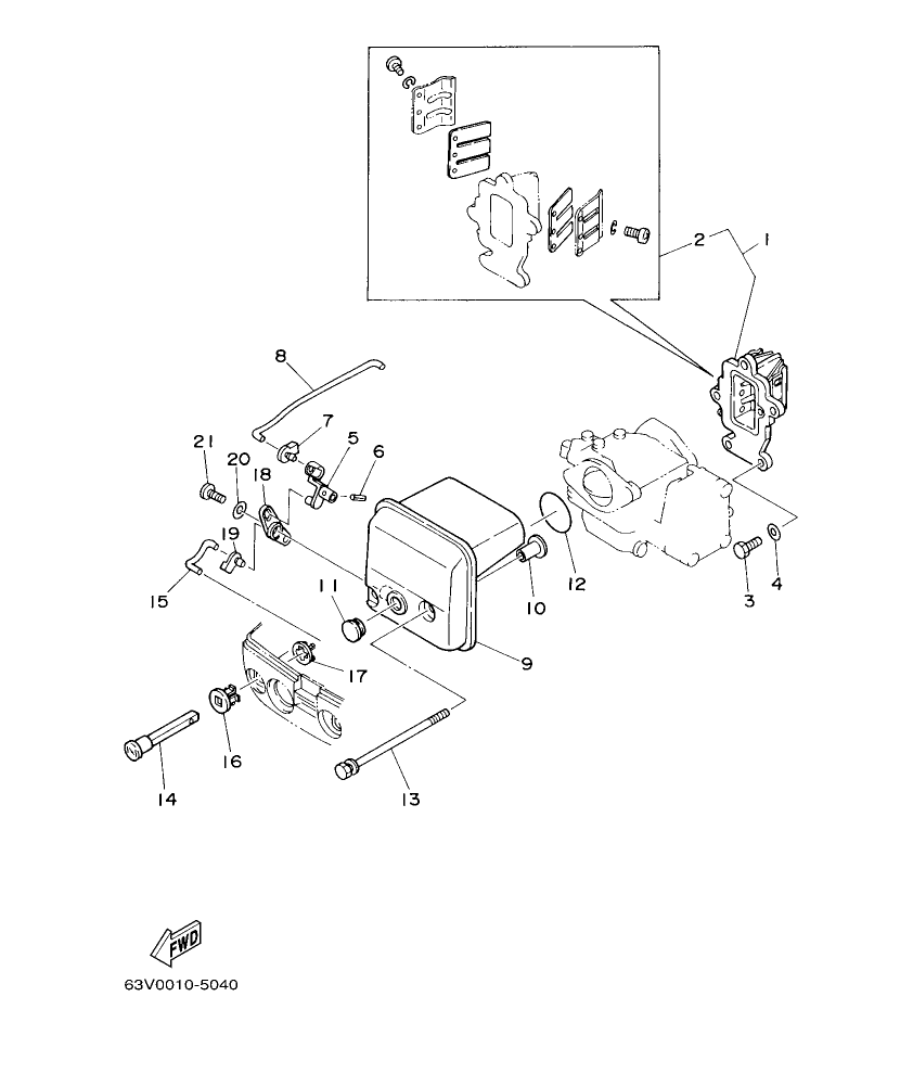
– INTAKE
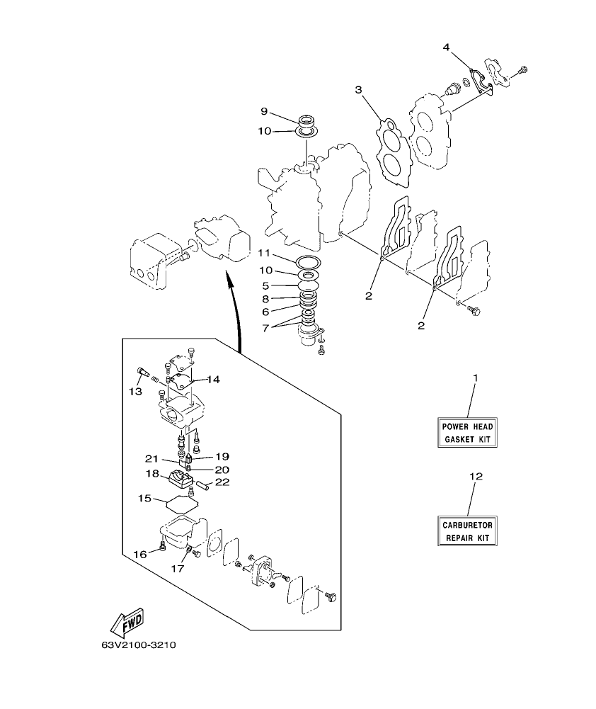
Fig. 5
– CARBURETOR
Fig. 6
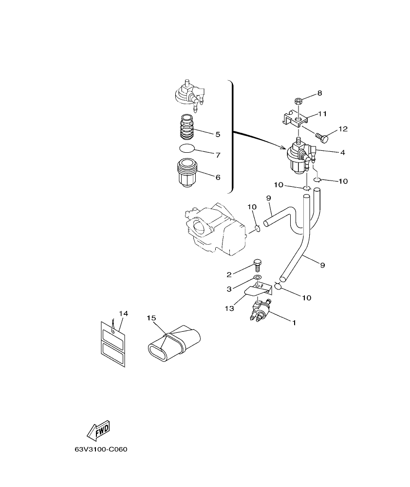
– FUEL
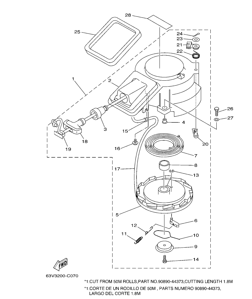
Fig. 7
– STARTER
Fig. 8
– GENERATOR
Fig. 9
– ELECTRICAL