20CMH’04
Choose a section to open the exploded parts diagram with live pricing. (v2)
Engine sections in this model
Fig. 1
– TOP COWLING
Fig. 10
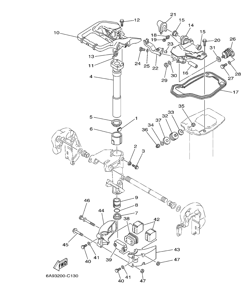
– STEERING
Fig. 11
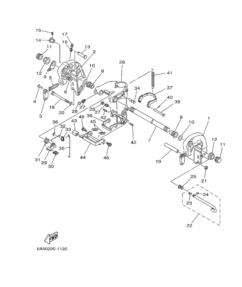
– CONTROL
Fig. 12
– BRACKET 1
Fig. 13
– BRACKET 2
Fig. 14
– UPPER CASING
Fig. 15
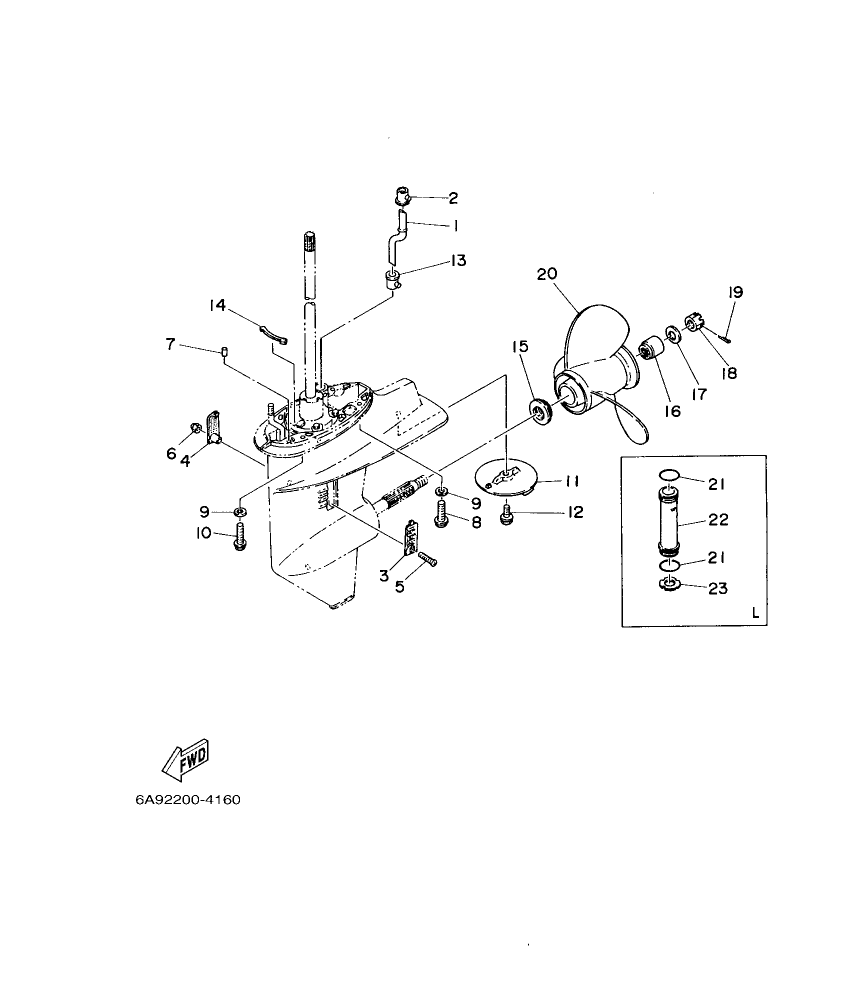
– LOWER CASING & DRIVE 1
Fig. 16
– LOWER CASING & DRIVE 2
Fig. 17
– FUEL TANK
Fig. 18
– REPAIR KIT 1
Fig. 19
– REPAIR KIT 2
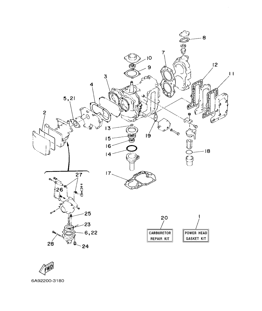
Fig. 2
– CYLINDER & CRANKCASE
Fig. 3
– CRANKSHAFT & PISTON
Fig. 4
– INTAKE
Fig. 5
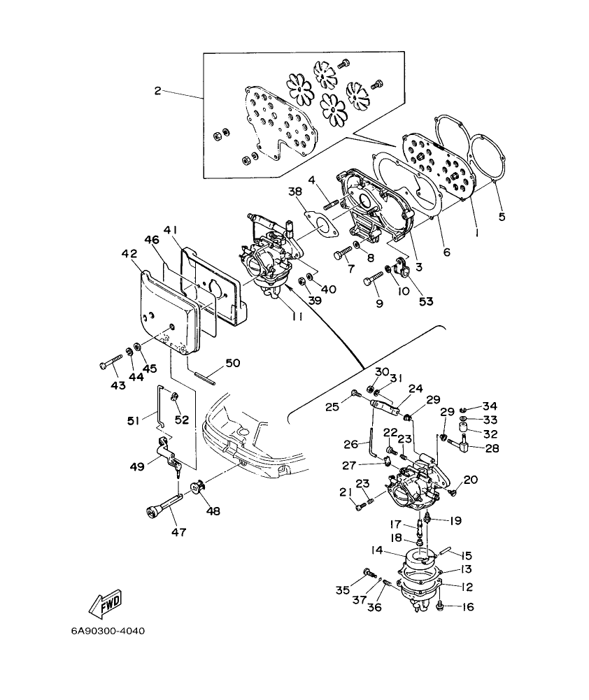
– FUEL
Fig. 6
– STARTER
Fig. 7
– GENERATOR
Fig. 8
– ELECTRICAL
Fig. 9
– BOTTOM COWLING