225GETO’03
Section 16: ELECTRICAL 4 (v2)
Engine sections in this catalog
TOP COWLING
FUEL 1
FUEL 2
GENERATOR
ELECTRICAL 1
ELECTRICAL 2
ELECTRICAL 3
ELECTRICAL 4
STARTING MOTOR
BOTTOM COWLING
CONTROL
CYLINDER. CRANKCASE 1
BRACKET 1
BRACKET 2
POWER TRIM & TILT ASSY 1
POWER TRIM & TILT ASSY 2
UPPER CASING
LOWER CASING. DRIVE 1
LOWER CASING. DRIVE 2
STEERING GUIDE
REMOTE CONTROL BOX
REMOTE CONTROL ASSY
CRANKSHAFT. PISTON
METER
REPAIR KIT 1
REPAIR KIT 2
CYLINDER. CRANKCASE 2
FUEL INJECTION PUMP
FUEL INJECTION NOZZLE
INTAKE
OIL PUMP
OIL TANK
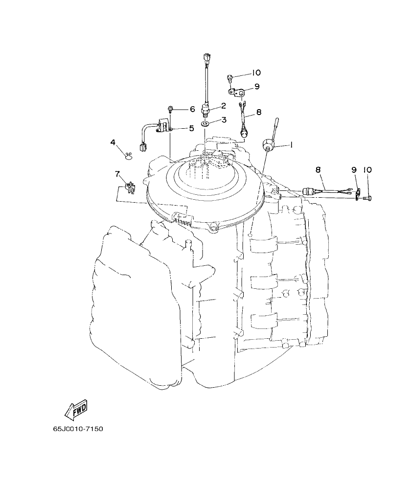
Diagram for section 16: ELECTRICAL 4.
| Ref | Part No. | Qty | Buy |
|---|---|---|---|
| 1 |
61A-85780-00
SENSOR, KNOCK
|
1 | Ask on WhatsApp |
| 2 |
61A-85790-00
THERMOSENSOR ASSY
|
1 | Ask on WhatsApp |
| 3 |
92990-10600
WASHER, PLATE
|
1 |
Price:
2.98 AED
In stock
(217 pcs)
|
| 4 |
90464-12M48
CLAMP
|
1 | Ask on WhatsApp |
| 5 |
61A-85895-00
CRANK POSITION SENDER
|
1 | Ask on WhatsApp |
| 6 |
97885-05012
SCREW, PAN HEAD
|
2 | Ask on WhatsApp |
| 7 |
90464-09M47
CLAMP
|
1 | Ask on WhatsApp |
| 8 |
61A-82560-00
THERMO SWITCH ASSY
|
2 | Ask on WhatsApp |
| 9 |
61A-8252U-00
COVER
|
2 | Ask on WhatsApp |
| 10 |
97080-06012
BOLT
|
2 |
Price:
5.21 AED
In stock
(1 pcs)
|