F15AEP
Choose a section to open the exploded parts diagram with live pricing. (v2)
Engine sections in this model
TOP COWLING
STARTER
GENERATOR
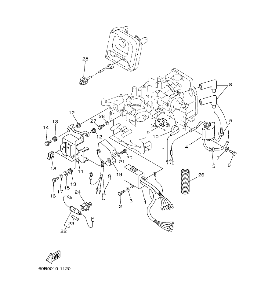
ELECTRICAL 1
ELECTRICAL 2
STARTING MOTOR
BOTTOM COWLING
CONTROL
BRACKET 1
BRACKET 2
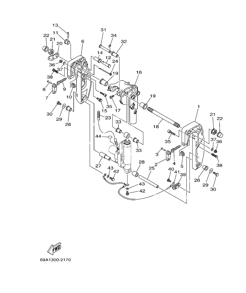
POWER TILT ASSY
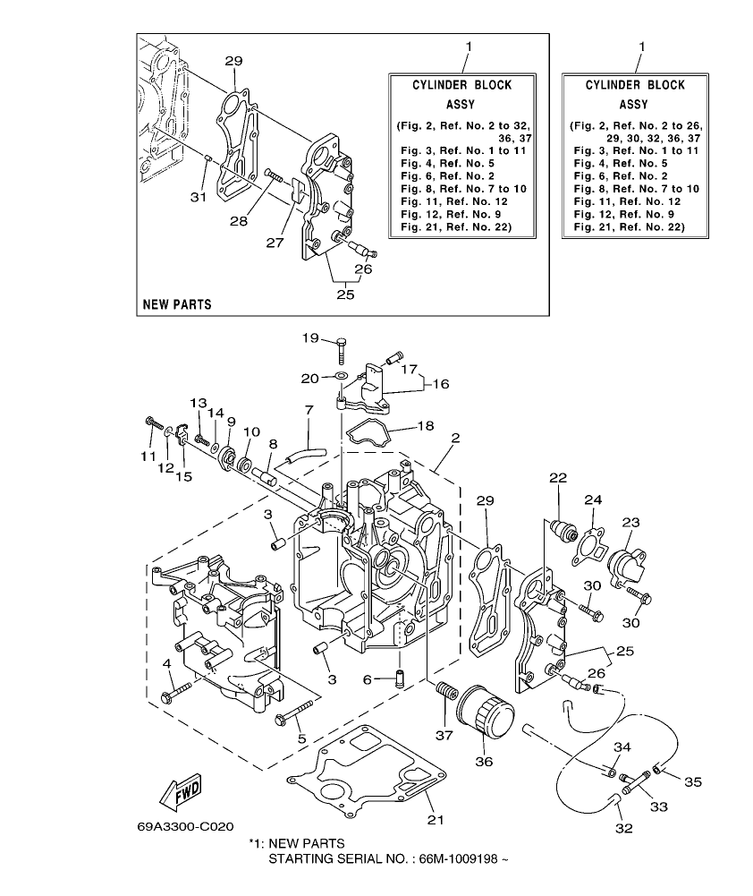
CYLINDER & CRANKCASE 1
UPPER CASING
OIL PAN
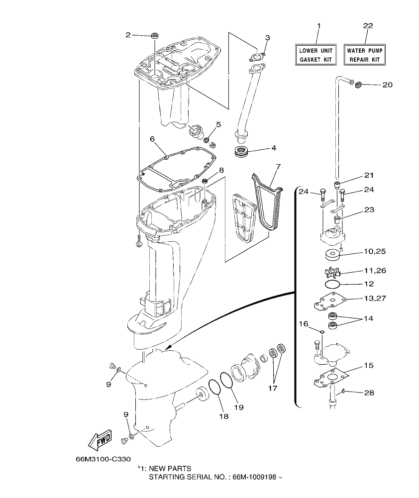
LOWER CASING & DRIVE 1
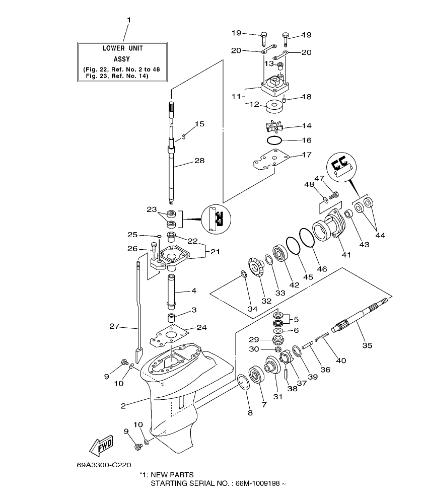
LOWER CASING & DRIVE 2
FUEL TANK
STEERING GUIDE
REMOTE CONTROL BOX
REMOTE CONTROL ASSY
REPAIR KIT 1
REPAIR KIT 2
CRANKSHAFT & PISTON
REPAIR KIT 3
CYLINDER & CRANKCASE 2
VALVE
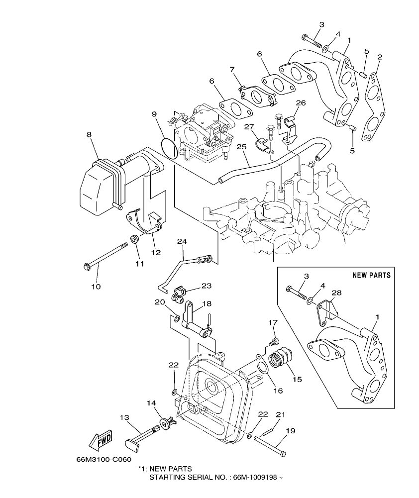
INTAKE
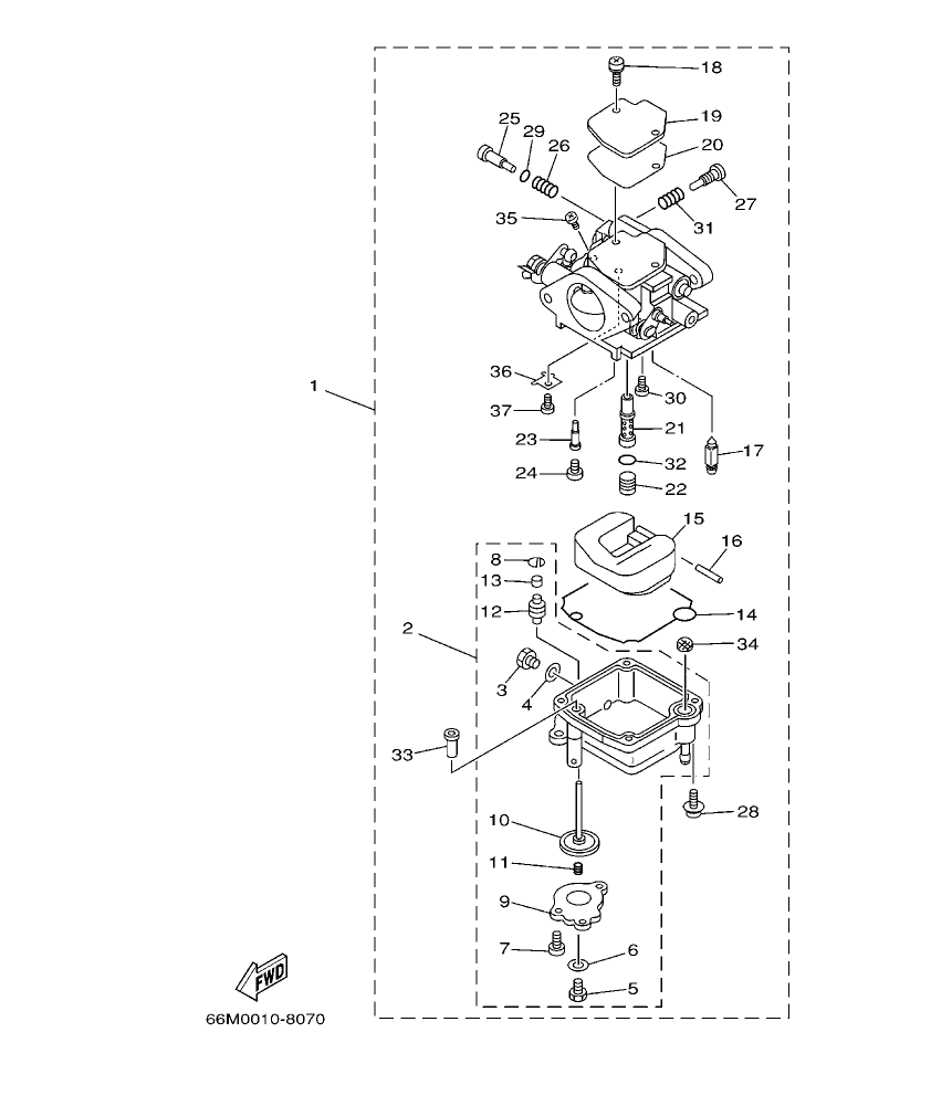
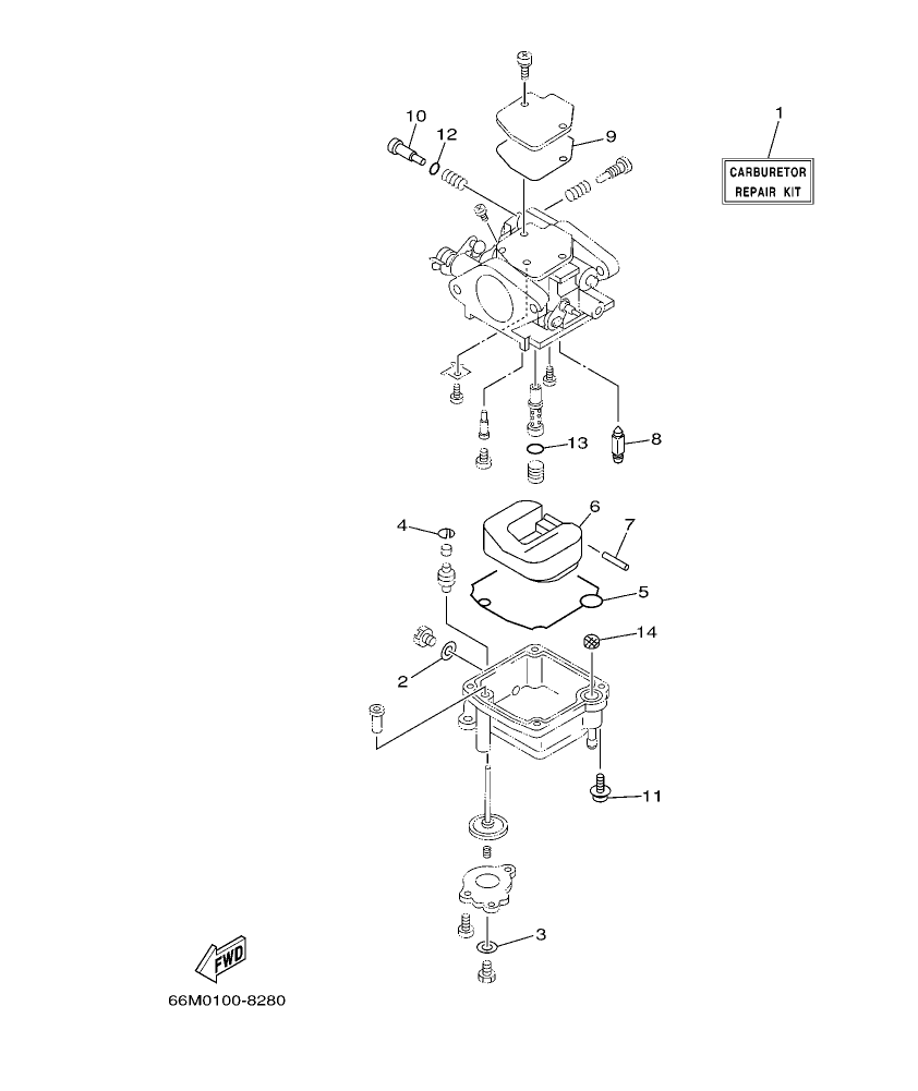
CARBURETOR
OIL PUMP
FUEL
Fig. 1
β TOP COWLING
Fig. 10
β STARTER
Fig. 11
β GENERATOR
Fig. 12
β ELECTRICAL 1
Fig. 13
β ELECTRICAL 2
Fig. 14
β STARTING MOTOR
Fig. 15
β BOTTOM COWLING
Fig. 16
β CONTROL
Fig. 17
β BRACKET 1
Fig. 18
β BRACKET 2
Fig. 19
β POWER TILT ASSY
Fig. 2
β CYLINDER & CRANKCASE 1
Fig. 20
β UPPER CASING
Fig. 21
β OIL PAN
Fig. 22
β LOWER CASING & DRIVE 1
Fig. 23
β LOWER CASING & DRIVE 2
Fig. 24
β FUEL TANK
Fig. 25
β STEERING GUIDE
Fig. 26
β REMOTE CONTROL BOX
Fig. 27
β REMOTE CONTROL ASSY
Fig. 28
β REPAIR KIT 1
Fig. 29
β REPAIR KIT 2
Fig. 3
β CRANKSHAFT & PISTON
Fig. 30
β REPAIR KIT 3
Fig. 4
β CYLINDER & CRANKCASE 2
Fig. 5
β VALVE
Fig. 6
β INTAKE
Fig. 7
β CARBURETOR
Fig. 8
β OIL PUMP
Fig. 9
β FUEL