Catalogs / Honda / Outboard
Honda BF10D4 Parts Catalog
Browse 33 catalog sections for Honda BF10D4. Open a section to view the parts diagram, reference numbers and available products.
Fig. E-11 — RECOIL STARTER
37 items
Fig. E-13 — TIMING BELT
6 items
Fig. E-14 — CARBURETOR (MANUAL)
25 items
· 1 available products
Fig. E-14-1 — CARBURETOR (AUTO)
28 items
· 1 available products
Fig. E-14-20 — SILENCER COVER
10 items
Fig. E-16 — EXHAUST CHAMBER COVER
3 items
Fig. E-18 — FUEL PUMP
10 items
Fig. E-19 — FLYWHEEL
11 items
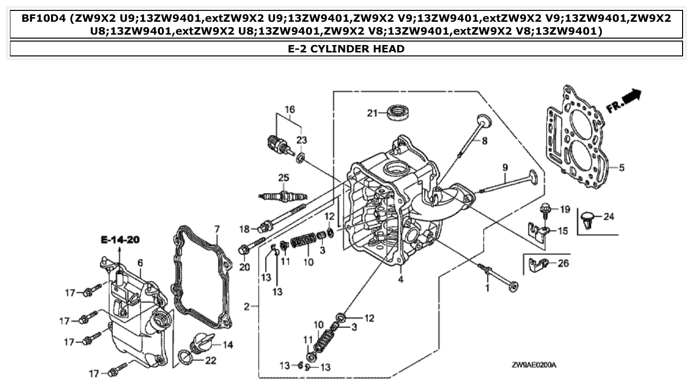
Fig. E-2 — CYLINDER HEAD
28 items
Fig. E-20 — IGNITION COIL
15 items
Fig. E-21 — STARTER MOTOR
29 items
Fig. E-23-20 — WIRE HARNESS (1)
4 items
Fig. E-23-21 — WIRE HARNESS (2)
9 items
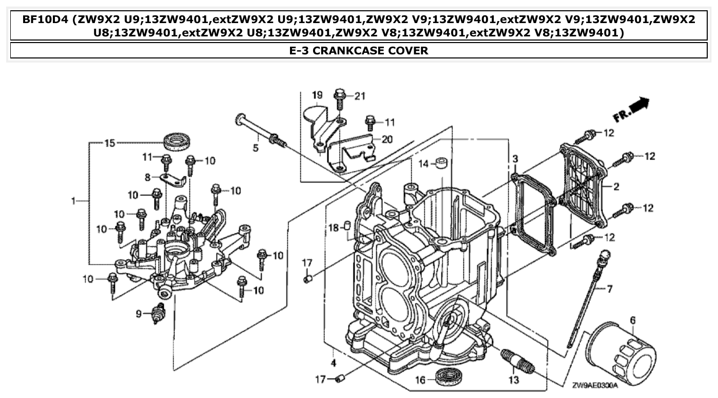
Fig. E-3 — CRANKCASE COVER
24 items
Fig. E-3-20 — OIL CASE
6 items
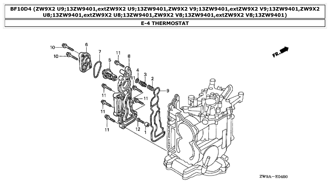
Fig. E-4 — THERMOSTAT
13 items
Fig. E-5 — OIL PUMP
19 items
Fig. E-7 — PISTON/CONNECTING ROD
8 items
Fig. E-9 — CAMSHAFT
7 items
Fig. F-1 — STEERING HANDLE
35 items
Fig. F-10-1 — STERN BRACKET (2)
23 items
Fig. F-11-1 — SWIVEL CASE (2)
55 items
Fig. F-12 — LABEL
28 items
Fig. F-13 — TOOL
37 items
Fig. F-3 — GEAR CASE/EXTENSION CASE
22 items
· 2 available products
Fig. F-3-10 — GEAR CASE ASSY.
2 items
Fig. F-4 — WATER PUMP/VERTICAL SHAFT (L,S SIZE)
38 items
Fig. F-5 — PROPELLER SHAFT/PROPELLER
38 items
Fig. F-6 — FUEL TANK
25 items
· 1 available products
Fig. F-7 — REGULATOR (1)
26 items
Fig. F-7-1 — REGULATOR/STARTER CABLE (2)
28 items
Fig. F-8 — ENGINE COVER
15 items
Fig. F-8-10 — SHIFT SHAFT (HANDLE SPECIFICATION)
38 items
· 1 available products