Catalogs / Honda / Outboard

Honda BF130A2 Parts Catalog

Browse 40 catalog sections for Honda BF130A2. Open a section to view the parts diagram, reference numbers and available products.

Honda BF130A2 CYLINDER HEAD COVER parts diagram
Fig. E-1 — CYLINDER HEAD COVER
47 items
Honda BF130A2 BALANCER SHAFT parts diagram
Fig. E-10 — BALANCER SHAFT
33 items
Honda BF130A2 TIMING BELT parts diagram
Fig. E-13 — TIMING BELT
36 items
Honda BF130A2 TIMING BELT COVER parts diagram
Fig. E-13-10 — TIMING BELT COVER
16 items
Honda BF130A2 INTAKE MANIFOLD parts diagram
Fig. E-14 — INTAKE MANIFOLD
60 items
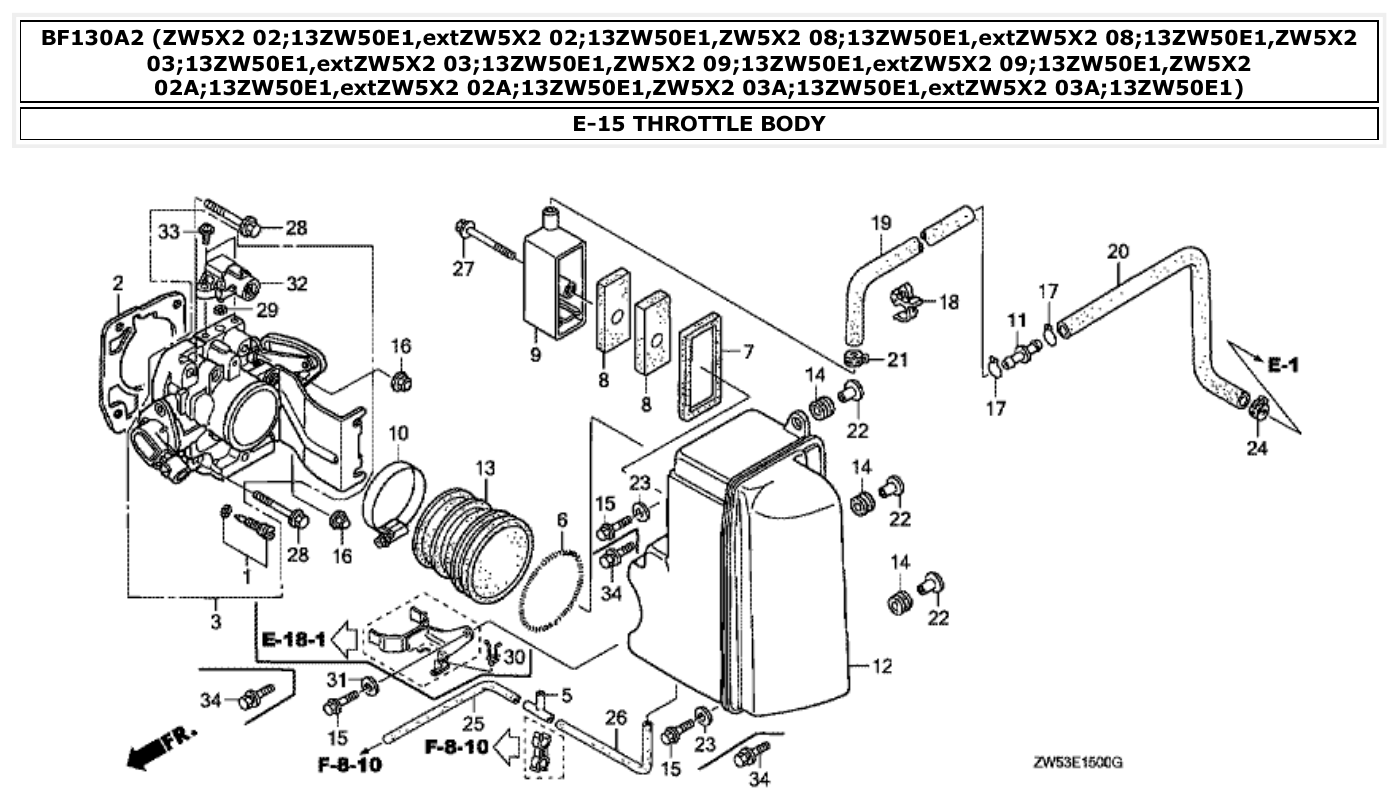
Honda BF130A2 THROTTLE BODY parts diagram
Fig. E-15 — THROTTLE BODY
44 items
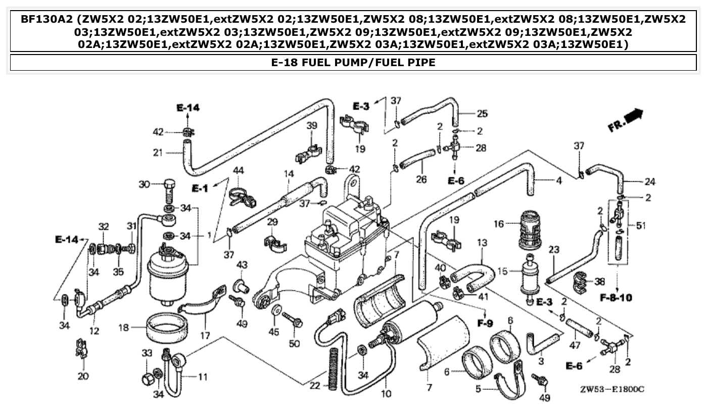
Honda BF130A2 FUEL PUMP/FUEL PIPE parts diagram
Fig. E-18 — FUEL PUMP/FUEL PIPE
49 items
Honda BF130A2 WATER SEPARATOR/FUEL PIPE parts diagram
Fig. E-18-1 — WATER SEPARATOR/FUEL PIPE
50 items
Honda BF130A2 VAPOR SEPARATOR (1) parts diagram
Fig. E-18-10 — VAPOR SEPARATOR (1)
14 items
Honda BF130A2 VAPOR SEPARATOR (2) parts diagram
Fig. E-18-11 — VAPOR SEPARATOR (2)
63 items
Honda BF130A2 A.C. GENERATOR parts diagram
Fig. E-19 — A.C. GENERATOR
37 items
Honda BF130A2 IGNITION COIL/C.D.I. UNIT parts diagram
Fig. E-20 — IGNITION COIL/C.D.I. UNIT
33 items
Honda BF130A2 STARTER MOTOR parts diagram
Fig. E-21 — STARTER MOTOR
36 items
Honda BF130A2 CYLINDER BLOCK parts diagram
Fig. E-3 — CYLINDER BLOCK
55 items
Honda BF130A2 THERMOSTAT parts diagram
Fig. E-4 — THERMOSTAT
19 items
Honda BF130A2 OIL PUMP/EXHAUST PIPE parts diagram
Fig. E-5 — OIL PUMP/EXHAUST PIPE
27 items · 1 available products
Honda BF130A2 OIL PAN parts diagram
Fig. E-6 — OIL PAN
33 items
Honda BF130A2 CRANKSHAFT/PISTON parts diagram
Fig. E-7 — CRANKSHAFT/PISTON
24 items
Honda BF130A2 CAMSHAFT/CYLINDER HEAD parts diagram
Fig. E-9 — CAMSHAFT/CYLINDER HEAD
34 items
Honda BF130A2 STERN BRACKET/SWIVEL CASE parts diagram
Fig. F-10 — STERN BRACKET/SWIVEL CASE
79 items · 1 available products
Honda BF130A2 POWER TRIM-TILT parts diagram
Fig. F-11 — POWER TRIM-TILT
75 items
Honda BF130A2 LABEL parts diagram
Fig. F-12 — LABEL
21 items
Honda BF130A2 TOOL parts diagram
Fig. F-13 — TOOL
12 items
Honda BF130A2 CONTROL PANEL parts diagram
Fig. F-14 — CONTROL PANEL
34 items
Honda BF130A2 REMOTE CONTROL (SIDE MOUNT) parts diagram
Fig. F-15 — REMOTE CONTROL (SIDE MOUNT)
681 items · 2 available products
Honda BF130A2 SHIFT SHAFT parts diagram
Fig. F-2 — SHIFT SHAFT
42 items
Honda BF130A2 GEAR CASE parts diagram
Fig. F-3 — GEAR CASE
37 items · 2 available products
Honda BF130A2 GEAR CASE ASSY. parts diagram
Fig. F-3-10 — GEAR CASE ASSY.
14 items
Honda BF130A2 EXTENSION CASE parts diagram
Fig. F-3-20 — EXTENSION CASE
39 items
Honda BF130A2 WATER PUMP/VERTICAL SHAFT parts diagram
Fig. F-4 — WATER PUMP/VERTICAL SHAFT
59 items · 2 available products
Honda BF130A2 PROPELLER SHAFT (1) parts diagram
Fig. F-5 — PROPELLER SHAFT (1)
34 items · 1 available products
Honda BF130A2 FUEL TANK parts diagram
Fig. F-6 — FUEL TANK
30 items · 1 available products
Honda BF130A2 CONTROL CABLE parts diagram
Fig. F-7 — CONTROL CABLE
8 items
Honda BF130A2 STARTER CABLE parts diagram
Fig. F-7-10 — STARTER CABLE
46 items
Honda BF130A2 CLAMP (HOSE SIDE) parts diagram
Fig. F-7-20 — CLAMP (HOSE SIDE)
5 items
Honda BF130A2 CLAMP (FUSE SIDE) parts diagram
Fig. F-7-30 — CLAMP (FUSE SIDE)
13 items
Honda BF130A2 SPEEDOMETER/TACHOMETER parts diagram
Fig. F-7-40 — SPEEDOMETER/TACHOMETER
32 items
Honda BF130A2 ENGINE COVER parts diagram
Fig. F-8 — ENGINE COVER
6 items
Honda BF130A2 UNDER CASE parts diagram
Fig. F-8-10 — UNDER CASE
78 items
Honda BF130A2 MOUNT CASE parts diagram
Fig. F-9 — MOUNT CASE
13 items