Catalogs / Honda / Outboard

Honda BF150A4 Parts Catalog

Browse 46 catalog sections for Honda BF150A4. Open a section to view the parts diagram, reference numbers and available products.

Honda BF150A4 CYLINDER HEAD COVER parts diagram
Fig. E-1 — CYLINDER HEAD COVER
9 items
Honda BF150A4 BALANCER SHAFT parts diagram
Fig. E-10 — BALANCER SHAFT
23 items
Honda BF150A4 A.C.G. BELT parts diagram
Fig. E-13 — A.C.G. BELT
7 items
Honda BF150A4 INTAKE MANIFOLD/INJECTOR parts diagram
Fig. E-14 — INTAKE MANIFOLD/INJECTOR
52 items
Honda BF150A4 THROTTLE BODY parts diagram
Fig. E-15 — THROTTLE BODY
49 items
Honda BF150A4 FUEL PUMP/FUEL HOSE parts diagram
Fig. E-18 — FUEL PUMP/FUEL HOSE
49 items
Honda BF150A4 WATER SEPARATOR parts diagram
Fig. E-18-1 — WATER SEPARATOR
44 items
Honda BF150A4 VAPOR SEPARATOR ASSY. parts diagram
Fig. E-18-10 — VAPOR SEPARATOR ASSY.
99 items
Honda BF150A4 A.C. GENERATOR parts diagram
Fig. E-19 — A.C. GENERATOR
34 items
Honda BF150A4 IGNITION COIL/PLUG parts diagram
Fig. E-20 — IGNITION COIL/PLUG
14 items
Honda BF150A4 ELECTRONIC CONTROL UNIT (1) parts diagram
Fig. E-20-10 — ELECTRONIC CONTROL UNIT (1)
15 items
Honda BF150A4 ELECTRONIC CONTROL UNIT (2) parts diagram
Fig. E-20-11 — ELECTRONIC CONTROL UNIT (2)
11 items
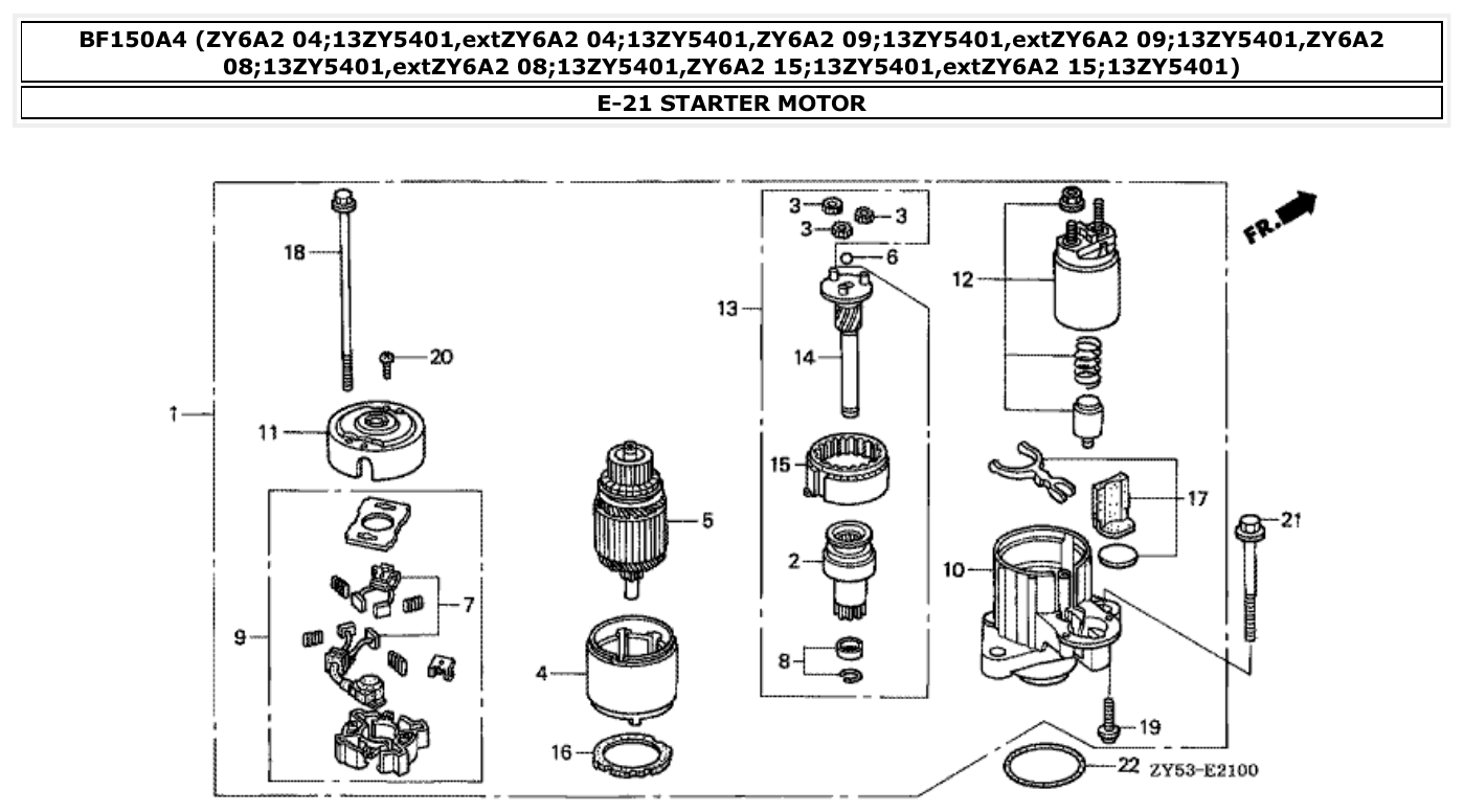
Honda BF150A4 STARTER MOTOR parts diagram
Fig. E-21 — STARTER MOTOR
22 items
Honda BF150A4 CYLINDER BLOCK parts diagram
Fig. E-3 — CYLINDER BLOCK
63 items
Honda BF150A4 EXHAUST PIPE parts diagram
Fig. E-4 — EXHAUST PIPE
25 items
Honda BF150A4 WATER HOSE parts diagram
Fig. E-4-10 — WATER HOSE
32 items
Honda BF150A4 OIL PUMP/FLYWHEEL parts diagram
Fig. E-5 — OIL PUMP/FLYWHEEL
37 items · 1 available products
Honda BF150A4 OIL PAN parts diagram
Fig. E-6 — OIL PAN
32 items
Honda BF150A4 CRANKSHAFT/PISTON parts diagram
Fig. E-7 — CRANKSHAFT/PISTON
37 items
Honda BF150A4 CAMSHAFT/VALVE parts diagram
Fig. E-9 — CAMSHAFT/VALVE
51 items · 1 available products
Honda BF150A4 CHAIN CASE/THERMOSTAT parts diagram
Fig. E-9-10 — CHAIN CASE/THERMOSTAT
80 items
Honda BF150A4 CYLINDER HEAD parts diagram
Fig. E-9-20 — CYLINDER HEAD
44 items
Honda BF150A4 STERN BRACKET/SWIVEL CASE parts diagram
Fig. F-10 — STERN BRACKET/SWIVEL CASE
192 items · 1 available products
Honda BF150A4 POWER TRIM-TILT parts diagram
Fig. F-11 — POWER TRIM-TILT
88 items
Honda BF150A4 LABELS parts diagram
Fig. F-12 — LABELS
30 items
Honda BF150A4 TOOLS parts diagram
Fig. F-13 — TOOLS
970 items · 4 available products
Honda BF150A4 SHIFT SHAFT parts diagram
Fig. F-2 — SHIFT SHAFT
73 items · 1 available products
Honda BF150A4 GEAR CASE parts diagram
Fig. F-3 — GEAR CASE
65 items
Honda BF150A4 GEAR CASE ASSY. parts diagram
Fig. F-3-10 — GEAR CASE ASSY.
18 items
Honda BF150A4 EXTENSION CASE parts diagram
Fig. F-3-20 — EXTENSION CASE
48 items
Honda BF150A4 WATER PUMP/VERTICAL SHAFT parts diagram
Fig. F-4 — WATER PUMP/VERTICAL SHAFT
79 items · 3 available products
Honda BF150A4 PROPELLER SHAFT/PROPELLER (LD/LU/XD/XU) parts diagram
Fig. F-5 — PROPELLER SHAFT/PROPELLER (LD/LU/XD/XU)
61 items · 4 available products
Honda BF150A4 PROPELLER SHAFT/PROPELLER (LCD/LCU/XCD/XCU) parts diagram
Fig. F-5-1 — PROPELLER SHAFT/PROPELLER (LCD/LCU/XCD/XCU)
51 items · 4 available products
Honda BF150A4 FUEL TUBE parts diagram
Fig. F-6 — FUEL TUBE
19 items
Honda BF150A4 WIRE HARNESS (1) parts diagram
Fig. F-7 — WIRE HARNESS (1)
21 items
Honda BF150A4 WIRE HARNESS (2) parts diagram
Fig. F-7-1 — WIRE HARNESS (2)
20 items
Honda BF150A4 STARTER CABLE (1) parts diagram
Fig. F-7-10 — STARTER CABLE (1)
137 items · 1 available products
Honda BF150A4 STARTER CABLE (2) parts diagram
Fig. F-7-11 — STARTER CABLE (2)
54 items
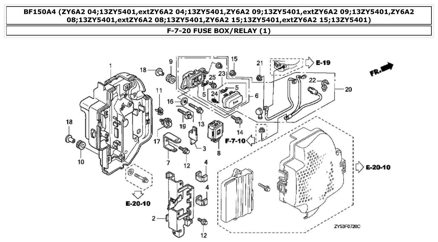
Honda BF150A4 FUSE BOX/RELAY (1) parts diagram
Fig. F-7-20 — FUSE BOX/RELAY (1)
76 items
Honda BF150A4 FUSE BOX/RELAY (2) parts diagram
Fig. F-7-21 — FUSE BOX/RELAY (2)
36 items
Honda BF150A4 CLAMP parts diagram
Fig. F-7-30 — CLAMP
12 items
Honda BF150A4 ENGINE COVER ASSY. parts diagram
Fig. F-8 — ENGINE COVER ASSY.
35 items
Honda BF150A4 FR. COVER BRACKET/FR. LOCK parts diagram
Fig. F-8-10 — FR. COVER BRACKET/FR. LOCK
56 items
Honda BF150A4 SILENCER DUCT parts diagram
Fig. F-8-20 — SILENCER DUCT
5 items
Honda BF150A4 UNDER COVER parts diagram
Fig. F-8-30 — UNDER COVER
36 items
Honda BF150A4 MOUNT CASE parts diagram
Fig. F-9 — MOUNT CASE
81 items