Catalogs / Honda / Outboard
Honda BF15A2 Parts Catalog
Browse 27 catalog sections for Honda BF15A2. Open a section to view the parts diagram, reference numbers and available products.
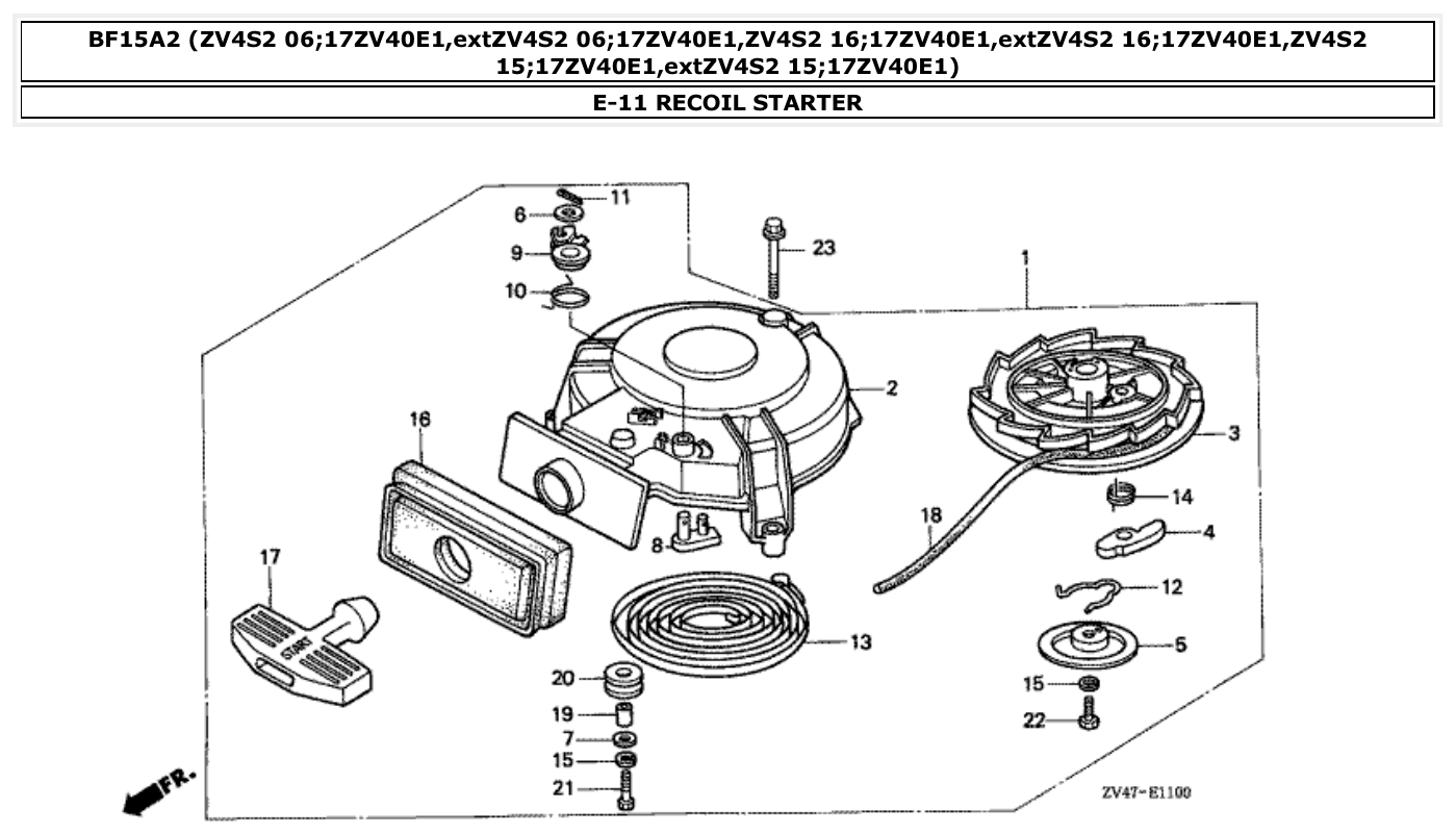
Fig. E-11 — RECOIL STARTER
23 items
Fig. E-13 — TIMING BELT
14 items
Fig. E-14 — CARBURETOR
24 items
· 2 available products
Fig. E-18 — FUEL PUMP
9 items
Fig. E-19 — FLYWHEEL
12 items
Fig. E-2 — CYLINDER HEAD
16 items
Fig. E-20 — IGNITION COIL
11 items
Fig. E-21 — STARTER MOTOR
37 items
Fig. E-3 — CYLINDER BARREL
32 items
Fig. E-4 — INTAKE MANIFOLD/THERMOSTAT
18 items
Fig. E-5 — OIL PUMP/EXHAUST PIPE
26 items
Fig. E-7 — CRANKSHAFT/PISTON
17 items
Fig. E-9 — CAMSHAFT
17 items
Fig. F-1 — STEERING HANDLE
35 items
Fig. F-10 — STERN BRACKET
22 items
Fig. F-11 — SWIVEL CASE/MOUNT FRAME
43 items
Fig. F-12 — LABEL
15 items
Fig. F-13 — TOOL
184 items
· 1 available products
Fig. F-3 — GEAR CASE/EXTENSION CASE
30 items
Fig. F-3-10 — GEAR CASE ASSY.
2 items
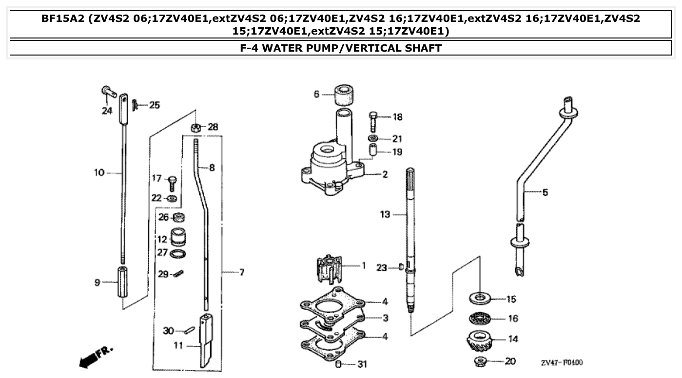
Fig. F-4 — WATER PUMP/VERTICAL SHAFT
38 items
· 2 available products
Fig. F-5 — PROPELLER SHAFT/PROPELLER
29 items
· 1 available products
Fig. F-6 — FUEL TANK (STANDARD)
32 items
Fig. F-6-10 — FUEL STRAINER
5 items
Fig. F-6-11 — WATER TUBE
3 items
Fig. F-7 — REGULATOR/STARTER CABLE
21 items
Fig. F-8 — OIL CASE/ENGINE COVER
62 items