Catalogs / Honda / Outboard
Honda BF15AM Parts Catalog
Browse 25 catalog sections for Honda BF15AM. Open a section to view the parts diagram, reference numbers and available products.
Fig. E-11 — RECOIL STARTER
23 items
Fig. E-13 — TIMING BELT
13 items
Fig. E-14 — CARBURETOR
27 items
· 2 available products
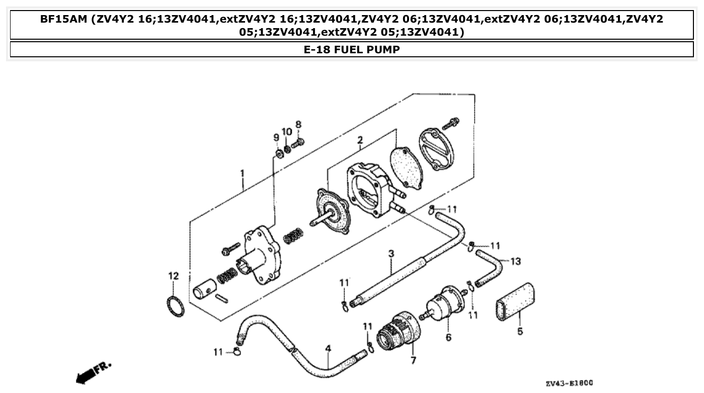
Fig. E-18 — FUEL PUMP
14 items
Fig. E-19 — FLYWHEEL
10 items
Fig. E-2 — CYLINDER HEAD
18 items
Fig. E-20 — IGNITION COIL
12 items
Fig. E-21 — STARTER MOTOR
34 items
Fig. E-3 — CYLINDER BARREL
33 items
Fig. E-4 — INLET MANIFOLD
21 items
Fig. E-5 — OIL PUMP/EXHAUST PIPE
26 items
Fig. E-7 — PISTON/CRANKSHAFT
18 items
Fig. E-9 — CAMSHAFT/VALVE
17 items
Fig. F-1-1 — STEERING HANDLE (BF9.9AM/B/BF15AM/B)
36 items
Fig. F-10 — STERN BRACKET
22 items
Fig. F-11 — SWIVEL CASE/MOUNT FRAME
48 items
Fig. F-12 — MARK
29 items
Fig. F-13 — TOOL
96 items
Fig. F-3 — GEAR CASE/ EXTENSION CASE
31 items
Fig. F-3-10 — GEAR CASE ASSY. (BF9.9AM/B/BF15AM/B)
2 items
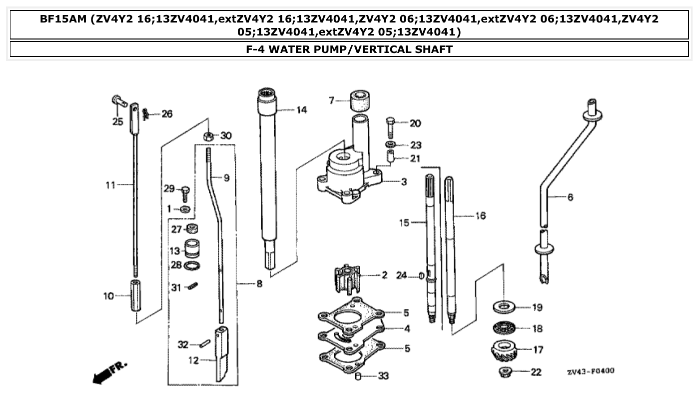
Fig. F-4 — WATER PUMP/VERTICAL SHAFT
44 items
· 2 available products
Fig. F-5 — PROPELLER SHAFT/PROPELLER
30 items
· 1 available products
Fig. F-6 — FUEL TANK (STANDARD)
32 items
Fig. F-7 — REGULATOR/STARTER CABLE
21 items
Fig. F-8 — OIL CASE/ENGINE COVER
72 items
· 1 available products