Catalogs / Honda / Outboard
Honda BF15AX Parts Catalog
Browse 27 catalog sections for Honda BF15AX. Open a section to view the parts diagram, reference numbers and available products.
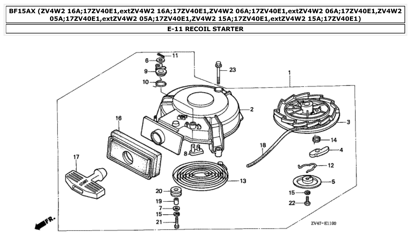
Fig. E-11 — RECOIL STARTER
23 items
Fig. E-13 — TIMING BELT
13 items
Fig. E-14 — CARBURETOR
31 items
· 2 available products
Fig. E-18 — FUEL PUMP
9 items
Fig. E-19 — FLYWHEEL
10 items
Fig. E-2 — CYLINDER HEAD
16 items
Fig. E-20 — IGNITION COIL
11 items
Fig. E-21 — STARTER MOTOR
36 items
Fig. E-3 — CYLINDER BARREL
32 items
Fig. E-4 — INTAKE MANIFOLD/THERMOSTAT
18 items
Fig. E-5 — OIL PUMP/EXHAUST PIPE
26 items
Fig. E-7 — CRANKSHAFT/PISTON
17 items
Fig. E-9 — CAMSHAFT
17 items
Fig. F-1 — STEERING HANDLE
35 items
Fig. F-10 — STERN BRACKET
24 items
Fig. F-11 — SWIVEL CASE/MOUNT FRAME
52 items
Fig. F-12 — LABEL
19 items
Fig. F-13 — TOOL
173 items
Fig. F-3 — GEAR CASE/EXTENSION CASE
30 items
Fig. F-3-10 — GEAR CASE ASSY.
2 items
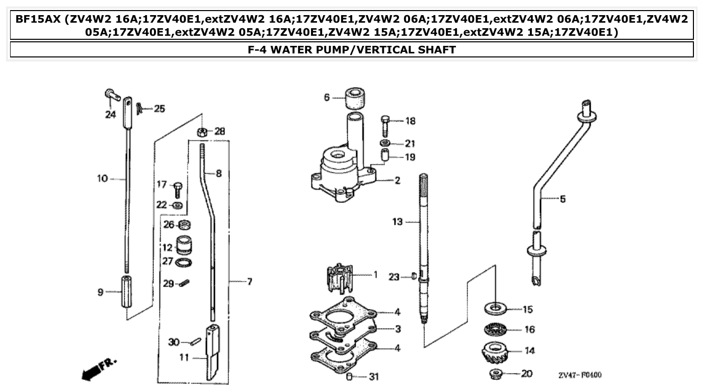
Fig. F-4 — WATER PUMP/VERTICAL SHAFT
38 items
· 2 available products
Fig. F-5 — PROPELLER SHAFT/PROPELLER
29 items
· 1 available products
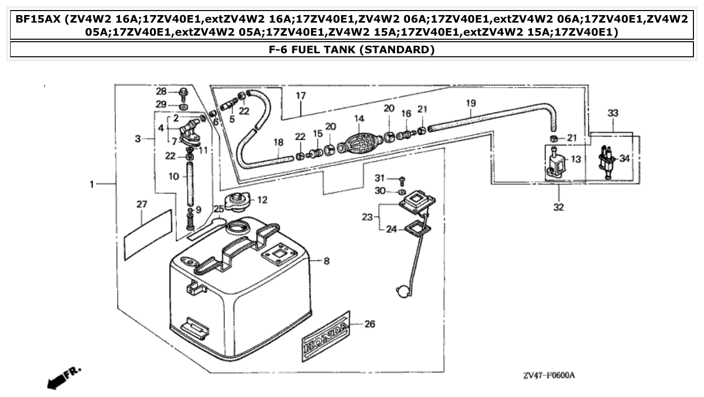
Fig. F-6 — FUEL TANK (STANDARD)
34 items
· 1 available products
Fig. F-6-10 — FUEL STRAINER
5 items
Fig. F-6-11 — WATER TUBE
3 items
Fig. F-7 — REGULATOR/STARTER CABLE
28 items
Fig. F-8 — OIL CASE/ENGINE COVER
66 items