Catalogs / Honda / Outboard

Honda BF15D3 Parts Catalog

Browse 35 catalog sections for Honda BF15D3. Open a section to view the parts diagram, reference numbers and available products.

Honda BF15D3 RECOIL STARTER parts diagram
Fig. E-11 — RECOIL STARTER
40 items
Honda BF15D3 TIMING BELT parts diagram
Fig. E-13 — TIMING BELT
5 items
Honda BF15D3 CARBURETOR (MANUAL) parts diagram
Fig. E-14 — CARBURETOR (MANUAL)
31 items · 1 available products
Honda BF15D3 CARBURETOR (AUTO) parts diagram
Fig. E-14-1 — CARBURETOR (AUTO)
35 items · 1 available products
Honda BF15D3 SILENCER COVER parts diagram
Fig. E-14-20 — SILENCER COVER
10 items
Honda BF15D3 EXHAUST CHAMBER COVER parts diagram
Fig. E-16 — EXHAUST CHAMBER COVER
3 items
Honda BF15D3 FUEL PUMP (1) parts diagram
Fig. E-18 — FUEL PUMP (1)
14 items
Honda BF15D3 FUEL PUMP (2) parts diagram
Fig. E-18-1 — FUEL PUMP (2)
39 items
Honda BF15D3 FLYWHEEL parts diagram
Fig. E-19 — FLYWHEEL
11 items
Honda BF15D3 CYLINDER HEAD parts diagram
Fig. E-2 — CYLINDER HEAD
27 items
Honda BF15D3 IGNITION COIL/C.D.I. UNIT parts diagram
Fig. E-20 — IGNITION COIL/C.D.I. UNIT
26 items
Honda BF15D3 STARTER MOTOR parts diagram
Fig. E-21 — STARTER MOTOR
35 items
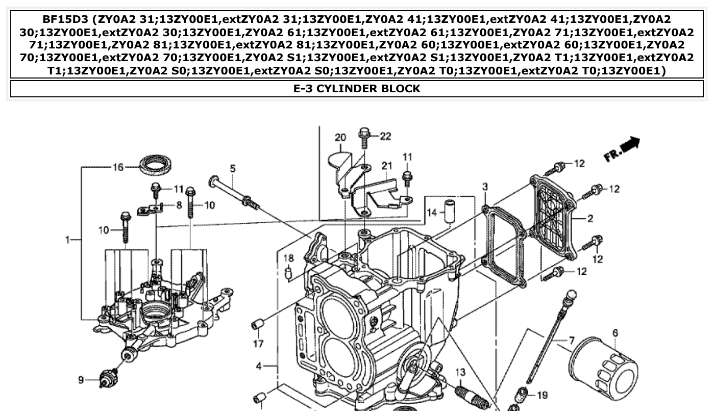
Honda BF15D3 CYLINDER BLOCK parts diagram
Fig. E-3 — CYLINDER BLOCK
35 items
Honda BF15D3 OIL PAN PACKING parts diagram
Fig. E-3-20 — OIL PAN PACKING
4 items
Honda BF15D3 THERMOSTAT parts diagram
Fig. E-4 — THERMOSTAT
16 items
Honda BF15D3 OIL PUMP parts diagram
Fig. E-5 — OIL PUMP
19 items
Honda BF15D3 CRANKSHAFT/PISTON parts diagram
Fig. E-7 — CRANKSHAFT/PISTON
8 items
Honda BF15D3 CAMSHAFT/VALVE parts diagram
Fig. E-9 — CAMSHAFT/VALVE
14 items
Honda BF15D3 STEERING HANDLE parts diagram
Fig. F-1 — STEERING HANDLE
41 items
Honda BF15D3 STERN BRACKET (1) parts diagram
Fig. F-10 — STERN BRACKET (1)
87 items
Honda BF15D3 SWIVEL CASE (1) parts diagram
Fig. F-11 — SWIVEL CASE (1)
94 items
Honda BF15D3 LABEL parts diagram
Fig. F-12 — LABEL
49 items
Honda BF15D3 TOOL parts diagram
Fig. F-13 — TOOL
25 items
Honda BF15D3 REMOTE CONTROL parts diagram
Fig. F-15 — REMOTE CONTROL
210 items · 2 available products
Honda BF15D3 GEAR CASE/EXTENSION CASE parts diagram
Fig. F-3 — GEAR CASE/EXTENSION CASE
45 items · 2 available products
Honda BF15D3 GEAR CASE ASSY. parts diagram
Fig. F-3-10 — GEAR CASE ASSY.
20 items
Honda BF15D3 WATER PUMP/VERTICAL SHAFT (1) parts diagram
Fig. F-4 — WATER PUMP/VERTICAL SHAFT (1)
42 items · 1 available products
Honda BF15D3 PROPELLER SHAFT/PROPELLER parts diagram
Fig. F-5 — PROPELLER SHAFT/PROPELLER
72 items
Honda BF15D3 FUEL TANK (STANDARD) parts diagram
Fig. F-6 — FUEL TANK (STANDARD)
47 items
Honda BF15D3 FUEL TANK (PLASTICS) parts diagram
Fig. F-6-1 — FUEL TANK (PLASTICS)
83 items · 1 available products
Honda BF15D3 WIRE HARNESS (CHARGE COIL 6A) parts diagram
Fig. F-7 — WIRE HARNESS (CHARGE COIL 6A)
27 items
Honda BF15D3 WIRE HARNESS (CHARGE COIL 12A) parts diagram
Fig. F-7-1 — WIRE HARNESS (CHARGE COIL 12A)
28 items
Honda BF15D3 ENGINE COVER parts diagram
Fig. F-8 — ENGINE COVER
29 items
Honda BF15D3 OIL CASE/SHIFT SHAFT (HANDLE SPECIFICATION) parts diagram
Fig. F-8-10 — OIL CASE/SHIFT SHAFT (HANDLE SPECIFICATION)
46 items · 1 available products
Honda BF15D3 OIL CASE/SHIFT SHAFT (REMOTE SPECIFICATION) parts diagram
Fig. F-8-11 — OIL CASE/SHIFT SHAFT (REMOTE SPECIFICATION)
52 items