Catalogs / Honda / Outboard

Honda BF225A6 Parts Catalog

Browse 44 catalog sections for Honda BF225A6. Open a section to view the parts diagram, reference numbers and available products.

Honda BF225A6 CYLINDER HEAD COVER parts diagram
Fig. E-1 — CYLINDER HEAD COVER
42 items · 1 available products
Honda BF225A6 TIMING BELT parts diagram
Fig. E-13 — TIMING BELT
27 items
Honda BF225A6 TIMING BELT COVER parts diagram
Fig. E-13-10 — TIMING BELT COVER
11 items
Honda BF225A6 FUEL PIPE/INJECTOR parts diagram
Fig. E-14 — FUEL PIPE/INJECTOR
34 items
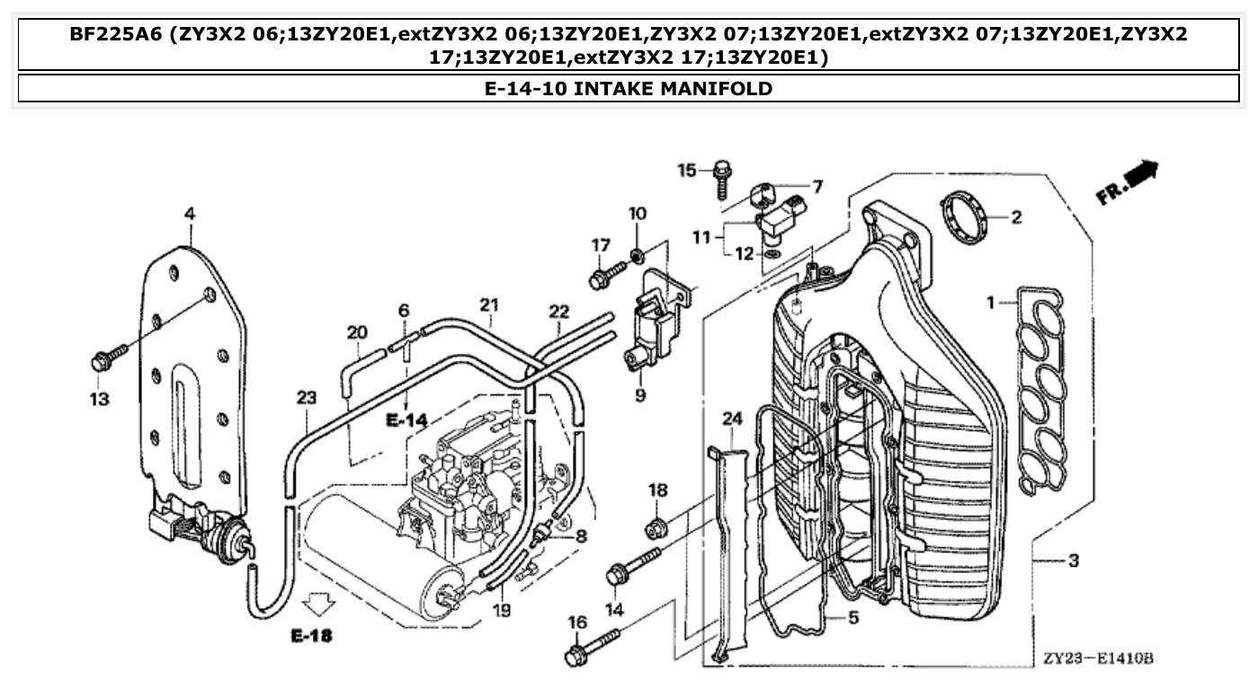
Honda BF225A6 INTAKE MANIFOLD parts diagram
Fig. E-14-10 — INTAKE MANIFOLD
24 items
Honda BF225A6 THROTTLE BODY parts diagram
Fig. E-15 — THROTTLE BODY
31 items
Honda BF225A6 VAPOR SEPARATOR ASSY. parts diagram
Fig. E-18 — VAPOR SEPARATOR ASSY.
64 items
Honda BF225A6 PIPING parts diagram
Fig. E-18-10 — PIPING
35 items
Honda BF225A6 A.C. GENERATOR parts diagram
Fig. E-19 — A.C. GENERATOR
27 items
Honda BF225A6 SPARK PLUG parts diagram
Fig. E-20 — SPARK PLUG
5 items
Honda BF225A6 ELECTRONIC CONTROL UNIT parts diagram
Fig. E-20-10 — ELECTRONIC CONTROL UNIT
12 items
Honda BF225A6 STARTER MOTOR parts diagram
Fig. E-21 — STARTER MOTOR
23 items
Honda BF225A6 CYLINDER BLOCK parts diagram
Fig. E-3 — CYLINDER BLOCK
56 items
Honda BF225A6 CRANKCASE parts diagram
Fig. E-3-10 — CRANKCASE
21 items
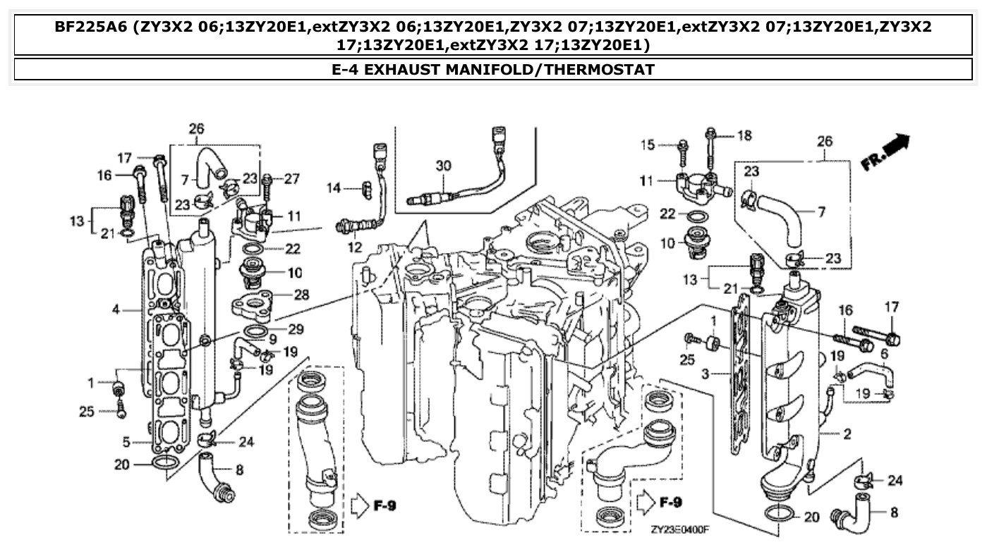
Honda BF225A6 EXHAUST MANIFOLD/THERMOSTAT parts diagram
Fig. E-4 — EXHAUST MANIFOLD/THERMOSTAT
36 items · 2 available products
Honda BF225A6 OIL PUMP/FLYWHEEL parts diagram
Fig. E-5 — OIL PUMP/FLYWHEEL
27 items · 1 available products
Honda BF225A6 OIL PAN parts diagram
Fig. E-6 — OIL PAN
16 items
Honda BF225A6 MOUNT CASE BOLT parts diagram
Fig. E-6-10 — MOUNT CASE BOLT
12 items
Honda BF225A6 CRANKSHAFT/PISTON parts diagram
Fig. E-7 — CRANKSHAFT/PISTON
28 items
Honda BF225A6 CYLINDER HEAD parts diagram
Fig. E-9 — CYLINDER HEAD
23 items
Honda BF225A6 CAMSHAFT/ROCKER ARM parts diagram
Fig. E-9-10 — CAMSHAFT/ROCKER ARM
20 items
Honda BF225A6 STERN BRACKET/SWIVEL CASE parts diagram
Fig. F-10 — STERN BRACKET/SWIVEL CASE
90 items · 2 available products
Honda BF225A6 SWIVEL CASE ASSY. parts diagram
Fig. F-10-1 — SWIVEL CASE ASSY.
2 items
Honda BF225A6 POWER TRIM-TILT parts diagram
Fig. F-11 — POWER TRIM-TILT
60 items
Honda BF225A6 LABEL parts diagram
Fig. F-12 — LABEL
14 items
Honda BF225A6 TOOL parts diagram
Fig. F-13 — TOOL
14 items
Honda BF225A6 CONTROL PANEL parts diagram
Fig. F-14 — CONTROL PANEL
27 items
Honda BF225A6 REMOTE CONTROL parts diagram
Fig. F-15 — REMOTE CONTROL
552 items · 2 available products
Honda BF225A6 SHIFT SHAFT parts diagram
Fig. F-2 — SHIFT SHAFT
45 items
Honda BF225A6 GEAR CASE parts diagram
Fig. F-3 — GEAR CASE
22 items
Honda BF225A6 GEAR CASE ASSY. parts diagram
Fig. F-3-10 — GEAR CASE ASSY.
9 items
Honda BF225A6 EXTENSION CASE parts diagram
Fig. F-3-20 — EXTENSION CASE
71 items
Honda BF225A6 WATER PUMP/VERTICAL SHAFT parts diagram
Fig. F-4 — WATER PUMP/VERTICAL SHAFT
43 items · 3 available products
Honda BF225A6 PROPELLER SHAFT (1) parts diagram
Fig. F-5 — PROPELLER SHAFT (1)
49 items · 6 available products
Honda BF225A6 PROPELLER SHAFT (2) parts diagram
Fig. F-5-1 — PROPELLER SHAFT (2)
44 items · 5 available products
Honda BF225A6 FUEL TUBE parts diagram
Fig. F-6 — FUEL TUBE
10 items
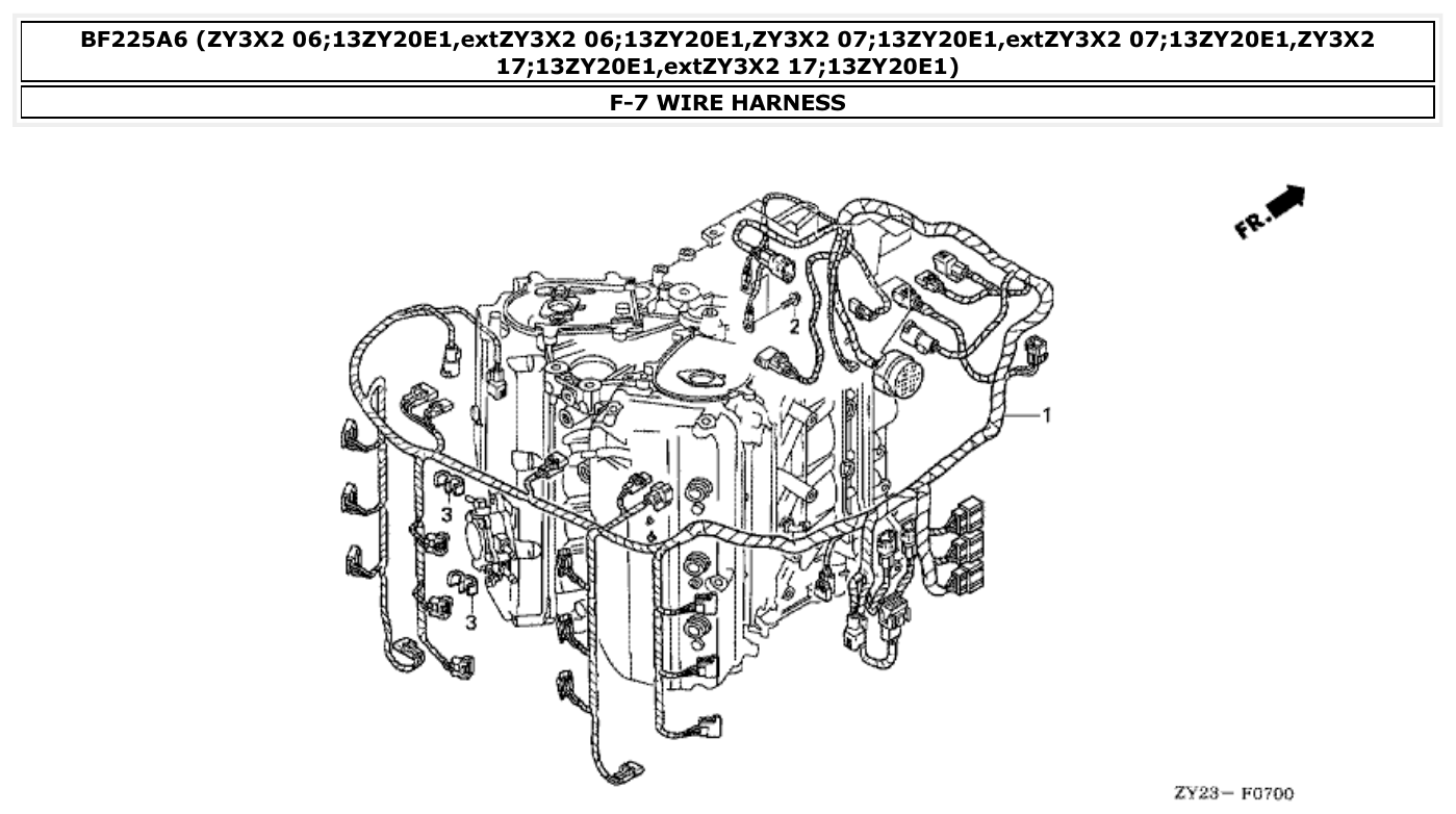
Honda BF225A6 WIRE HARNESS parts diagram
Fig. F-7 — WIRE HARNESS
3 items
Honda BF225A6 STARTER CABLE (2) parts diagram
Fig. F-7-11 — STARTER CABLE (2)
46 items · 1 available products
Honda BF225A6 COVER/BRACKET parts diagram
Fig. F-7-12 — COVER/BRACKET
4 items
Honda BF225A6 CLAMP parts diagram
Fig. F-7-20 — CLAMP
6 items
Honda BF225A6 ENGINE COVER parts diagram
Fig. F-8 — ENGINE COVER
28 items
Honda BF225A6 FR. COVER BRACKET/FR. LOCK SHAFT parts diagram
Fig. F-8-10 — FR. COVER BRACKET/FR. LOCK SHAFT
44 items
Honda BF225A6 WATER SEPARATOR/FUEL STRAINER parts diagram
Fig. F-8-20 — WATER SEPARATOR/FUEL STRAINER
31 items
Honda BF225A6 MOUNT CASE parts diagram
Fig. F-9 — MOUNT CASE
45 items