Catalogs / Honda / Outboard

Honda BF225AK1 Parts Catalog

Browse 41 catalog sections for Honda BF225AK1. Open a section to view the parts diagram, reference numbers and available products.

Honda BF225AK1 CYLINDER HEAD COVER parts diagram
Fig. E-1 — CYLINDER HEAD COVER
33 items · 1 available products
Honda BF225AK1 TIMING BELT parts diagram
Fig. E-13 — TIMING BELT
26 items
Honda BF225AK1 TIMING BELT COVER parts diagram
Fig. E-13-10 — TIMING BELT COVER
11 items
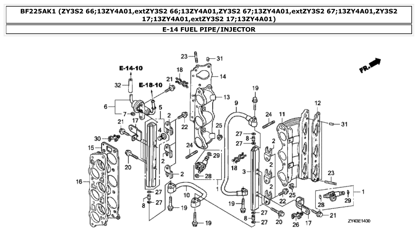
Honda BF225AK1 FUEL PIPE/INJECTOR parts diagram
Fig. E-14 — FUEL PIPE/INJECTOR
32 items
Honda BF225AK1 INTAKE MANIFOLD parts diagram
Fig. E-14-10 — INTAKE MANIFOLD
24 items
Honda BF225AK1 THROTTLE BODY parts diagram
Fig. E-15 — THROTTLE BODY
26 items
Honda BF225AK1 VAPOR SEPARATOR ASSY. parts diagram
Fig. E-18 — VAPOR SEPARATOR ASSY.
55 items
Honda BF225AK1 PIPING parts diagram
Fig. E-18-10 — PIPING
25 items
Honda BF225AK1 A.C. GENERATOR parts diagram
Fig. E-19 — A.C. GENERATOR
27 items
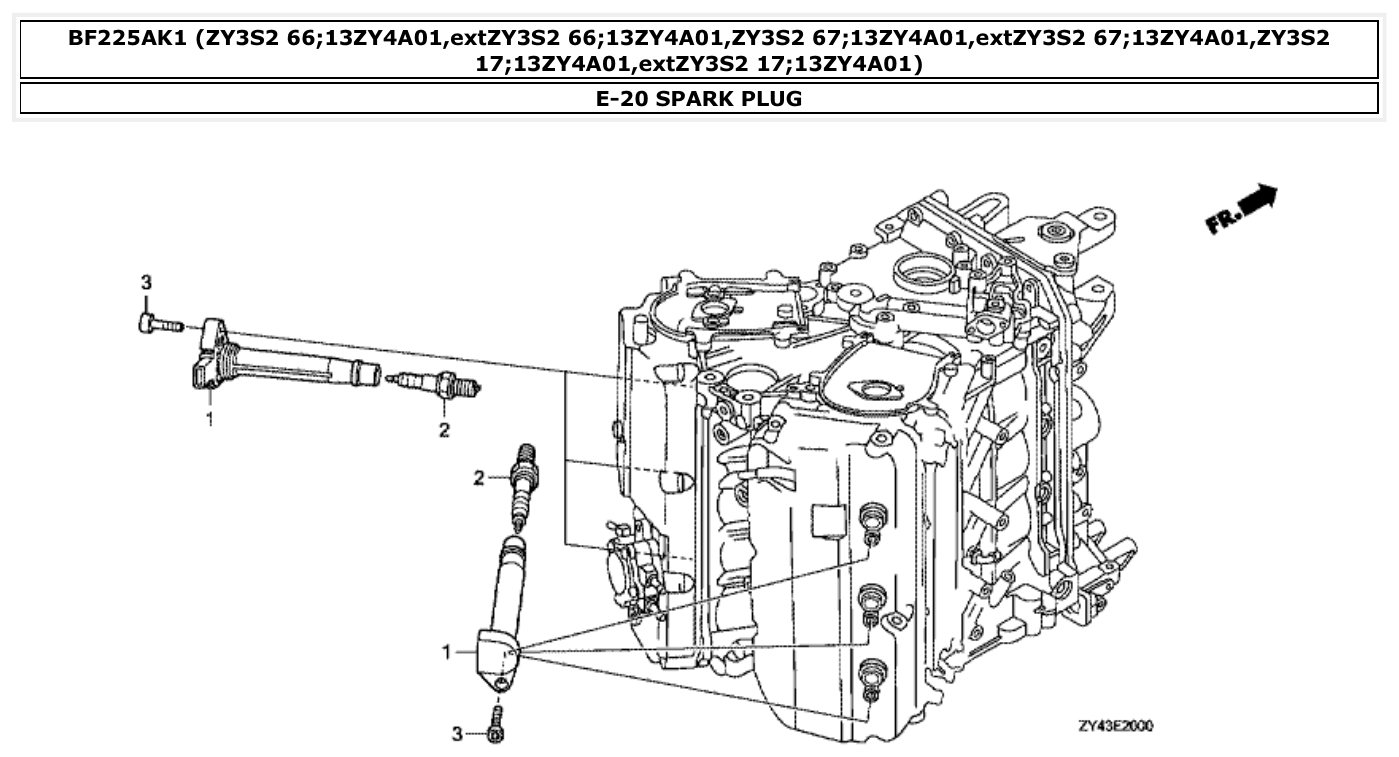
Honda BF225AK1 SPARK PLUG parts diagram
Fig. E-20 — SPARK PLUG
4 items
Honda BF225AK1 ELECTRONIC CONTROL UNIT parts diagram
Fig. E-20-10 — ELECTRONIC CONTROL UNIT
8 items
Honda BF225AK1 STARTER MOTOR parts diagram
Fig. E-21 — STARTER MOTOR
23 items
Honda BF225AK1 CYLINDER BLOCK parts diagram
Fig. E-3 — CYLINDER BLOCK
53 items
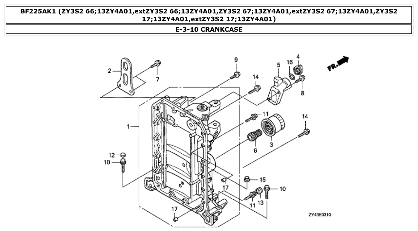
Honda BF225AK1 CRANKCASE parts diagram
Fig. E-3-10 — CRANKCASE
17 items
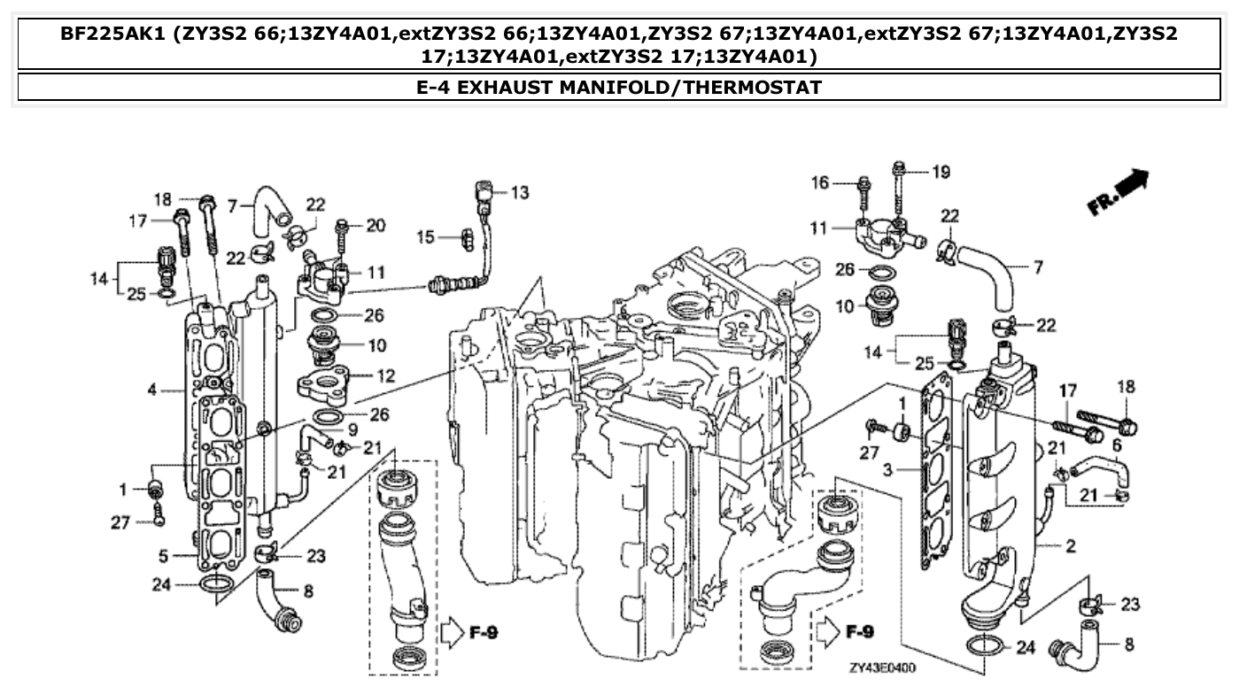
Honda BF225AK1 EXHAUST MANIFOLD/THERMOSTAT parts diagram
Fig. E-4 — EXHAUST MANIFOLD/THERMOSTAT
29 items · 2 available products
Honda BF225AK1 OIL PUMP/FLYWHEEL parts diagram
Fig. E-5 — OIL PUMP/FLYWHEEL
25 items · 1 available products
Honda BF225AK1 OIL PAN parts diagram
Fig. E-6 — OIL PAN
13 items
Honda BF225AK1 MOUNT CASE BOLT parts diagram
Fig. E-6-10 — MOUNT CASE BOLT
12 items
Honda BF225AK1 CRANKSHAFT/PISTON parts diagram
Fig. E-7 — CRANKSHAFT/PISTON
28 items
Honda BF225AK1 CYLINDER HEAD parts diagram
Fig. E-9 — CYLINDER HEAD
21 items
Honda BF225AK1 CAMSHAFT/ROCKER ARM parts diagram
Fig. E-9-10 — CAMSHAFT/ROCKER ARM
22 items
Honda BF225AK1 STERN BRACKET/SWIVEL CASE parts diagram
Fig. F-10 — STERN BRACKET/SWIVEL CASE
85 items · 2 available products
Honda BF225AK1 POWER TRIM-TILT parts diagram
Fig. F-11 — POWER TRIM-TILT
49 items
Honda BF225AK1 LABEL parts diagram
Fig. F-12 — LABEL
17 items
Honda BF225AK1 TOOL parts diagram
Fig. F-13 — TOOL
554 items · 1 available products
Honda BF225AK1 SHIFT SHAFT parts diagram
Fig. F-2 — SHIFT SHAFT
41 items
Honda BF225AK1 GEAR CASE parts diagram
Fig. F-3 — GEAR CASE
30 items
Honda BF225AK1 GEAR CASE ASSY. parts diagram
Fig. F-3-10 — GEAR CASE ASSY.
3 items
Honda BF225AK1 EXTENSION CASE parts diagram
Fig. F-3-20 — EXTENSION CASE
62 items
Honda BF225AK1 WATER PUMP/VERTICAL SHAFT parts diagram
Fig. F-4 — WATER PUMP/VERTICAL SHAFT
46 items · 3 available products
Honda BF225AK1 PROPELLER SHAFT (LD/LU/XD/XU/XXD/XXU) parts diagram
Fig. F-5 — PROPELLER SHAFT (LD/LU/XD/XU/XXD/XXU)
50 items · 6 available products
Honda BF225AK1 PROPELLER SHAFT (XCD/XCU/XXCD/XXCU) parts diagram
Fig. F-5-1 — PROPELLER SHAFT (XCD/XCU/XXCD/XXCU)
38 items · 5 available products
Honda BF225AK1 FUEL TUBE parts diagram
Fig. F-6 — FUEL TUBE
10 items
Honda BF225AK1 WIRE HARNESS parts diagram
Fig. F-7 — WIRE HARNESS
7 items
Honda BF225AK1 STARTER CABLE parts diagram
Fig. F-7-10 — STARTER CABLE
49 items
Honda BF225AK1 COVER/BRACKET parts diagram
Fig. F-7-11 — COVER/BRACKET
6 items
Honda BF225AK1 CLAMP parts diagram
Fig. F-7-20 — CLAMP
5 items
Honda BF225AK1 ENGINE COVER parts diagram
Fig. F-8 — ENGINE COVER
18 items
Honda BF225AK1 FR. COVER BRACKET/FR. LOCK SHAFT parts diagram
Fig. F-8-10 — FR. COVER BRACKET/FR. LOCK SHAFT
38 items
Honda BF225AK1 WATER SEPARATOR/FUEL STRAINER parts diagram
Fig. F-8-20 — WATER SEPARATOR/FUEL STRAINER
24 items
Honda BF225AK1 MOUNT CASE parts diagram
Fig. F-9 — MOUNT CASE
40 items