Catalogs / Honda / Outboard
Honda BF25A Parts Catalog
Browse 27 catalog sections for Honda BF25A. Open a section to view the parts diagram, reference numbers and available products.
Fig. E-13 — TIMING BELT
22 items
Fig. E-14 — CARBURETOR
71 items
· 2 available products
Fig. E-14-10 — THROTTLE ROD
15 items
Fig. E-14-20 — SILENCER COVER
18 items
Fig. E-19 — FLYWHEEL
9 items
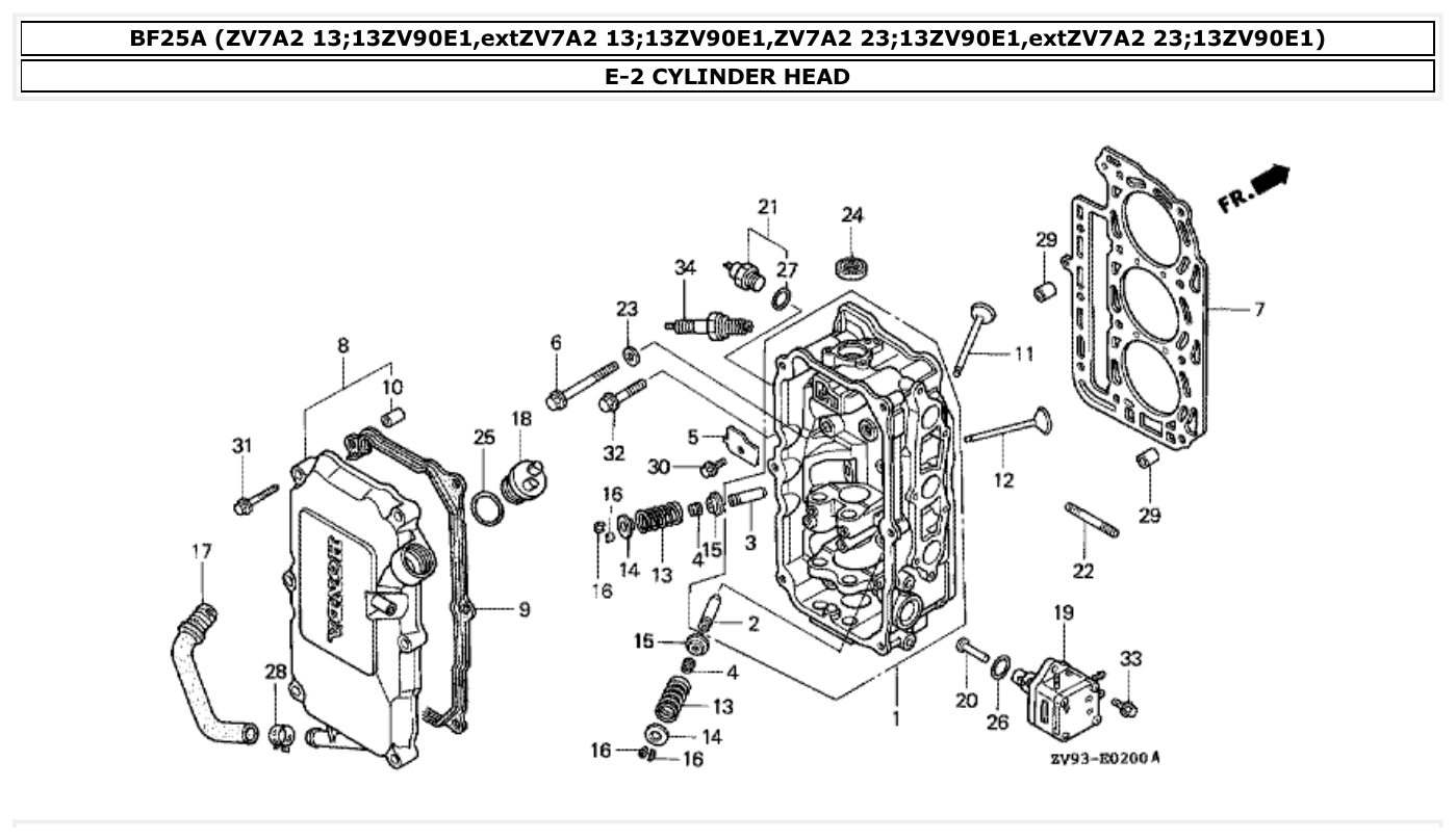
Fig. E-2 — CYLINDER HEAD
40 items
Fig. E-20 — IGNITION COIL
22 items
Fig. E-21 — STARTER MOTOR
31 items
Fig. E-3 — CYLINDER BLOCK
30 items
Fig. E-5 — OIL PUMP
26 items
Fig. E-6 — OIL PAN
10 items
Fig. E-7 — CRANKSHAFT
23 items
Fig. E-9 — CAMSHAFT
11 items
Fig. F-1 — STEERING HANDLE
47 items
Fig. F-10 — STERN BRACKET
21 items
Fig. F-11 — SWIVEL CASE
53 items
Fig. F-11-50 — REMOTE CONTROL
88 items
Fig. F-12 — MARK
30 items
Fig. F-13 — TOOL
36 items
Fig. F-2 — SHIFT SHAFT
24 items
· 1 available products
Fig. F-3 — GEAR CASE
33 items
· 3 available products
Fig. F-3-10 — GEAR CASE ASSY.
1 items
Fig. F-4 — WATER PUMP
44 items
· 2 available products
Fig. F-5 — PROPELLER
30 items
· 2 available products
Fig. F-6 — FUEL TANK
26 items
Fig. F-7 — REGULATOR
22 items
Fig. F-8 — ENGINE COVER
34 items
· 1 available products