Catalogs / Honda / Outboard
Honda BF25A2 Parts Catalog
Browse 28 catalog sections for Honda BF25A2. Open a section to view the parts diagram, reference numbers and available products.
Fig. E-13 — TIMING BELT
29 items
· 1 available products
Fig. E-14 — CARBURETOR
75 items
· 3 available products
Fig. E-14-10 — THROTTLE ROD
17 items
Fig. E-14-20 — SILENCER COVER
24 items
Fig. E-19 — FLYWHEEL
12 items
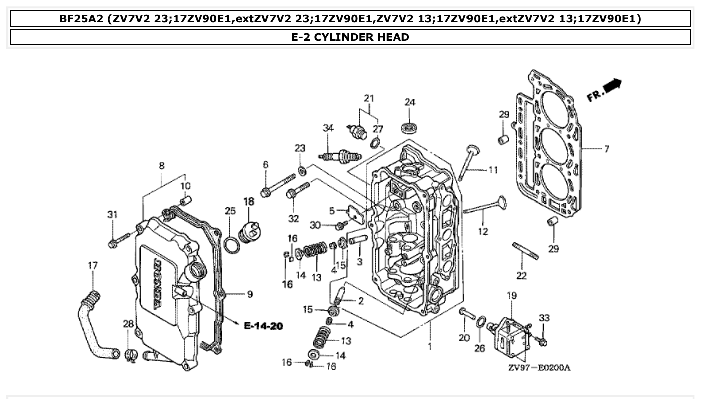
Fig. E-2 — CYLINDER HEAD
41 items
Fig. E-20 — C.D.I. UNIT COVER
11 items
Fig. E-21 — STARTER MOTOR
35 items
Fig. E-3 — CYLINDER BLOCK
37 items
Fig. E-5 — OIL PUMP
26 items
Fig. E-6 — OIL PAN
8 items
Fig. E-7 — CRANKSHAFT
23 items
Fig. E-9 — CAMSHAFT
11 items
Fig. F-1 — STEERING HANDLE
45 items
Fig. F-10 — STERN BRACKET
21 items
Fig. F-11 — SWIVEL CASE
53 items
Fig. F-12 — LABEL
17 items
Fig. F-13 — TOOL
11 items
Fig. F-15 — REMOTE CONTROL
503 items
· 2 available products
Fig. F-2 — SHIFT SHAFT
24 items
· 1 available products
Fig. F-3 — EXTENSION CASE
34 items
· 3 available products
Fig. F-3-10 — GEAR CASE ASSY.
2 items
Fig. F-4 — WATER PUMP
47 items
· 2 available products
Fig. F-5 — PROPELLER SHAFT/PROPELLER
38 items
· 2 available products
Fig. F-6 — FUEL TANK
21 items
· 1 available products
Fig. F-7 — REGULATOR
22 items
Fig. F-7-10 — IGNITION COIL/C.D.I. UNIT
15 items
Fig. F-8 — ENGINE COVER
33 items
· 1 available products