Catalogs / Honda / Outboard
Honda BF40A Parts Catalog
Browse 27 catalog sections for Honda BF40A. Open a section to view the parts diagram, reference numbers and available products.
Fig. E-13 — TIMING BELT/FLYWHEEL COVER
20 items
Fig. E-14 — CARBURETOR
65 items
· 3 available products
Fig. E-14-10 — THROTTLE ROD
15 items
Fig. E-14-20 — SILENCER COVER
17 items
Fig. E-19 — FLYWHEEL
8 items
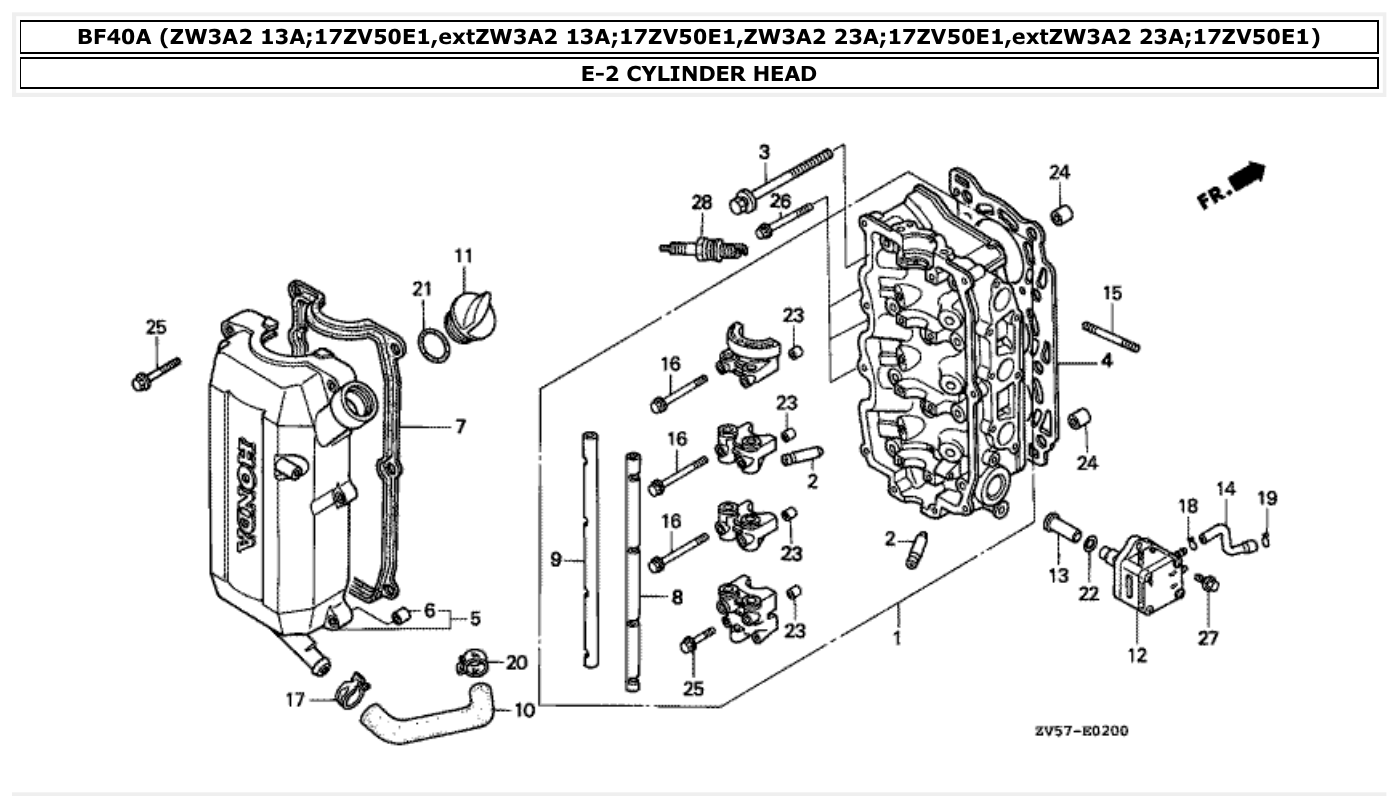
Fig. E-2 — CYLINDER HEAD
30 items
Fig. E-20 — IGNITION COIL/C.D.I. UNIT
19 items
Fig. E-21 — STARTER MOTOR
28 items
Fig. E-3 — CYLINDER BLOCK
32 items
Fig. E-5 — OIL PUMP/EXHAUST PIPE
22 items
Fig. E-6 — PRIMARY GEAR CASE/OIL PAN
21 items
Fig. E-7 — CRANKSHAFT/PISTON
32 items
Fig. E-9 — CAMSHAFT/VALVE
17 items
Fig. F-10 — STERN BRACKET
30 items
Fig. F-11 — SWIVEL CASE/MOUNT FRAME
35 items
Fig. F-11-10 — POWER TRIM-TILT/DAMPER
12 items
Fig. F-11-11 — POWER TRIM-TILT COMPONENTS
75 items
Fig. F-11-50 — REMOTE CONTROL
98 items
Fig. F-12 — MARK
24 items
Fig. F-13 — TOOL
30 items
· 2 available products
Fig. F-3 — EXTENSION CASE
51 items
· 3 available products
Fig. F-3-10 — GEAR CASE ASSY.
1 items
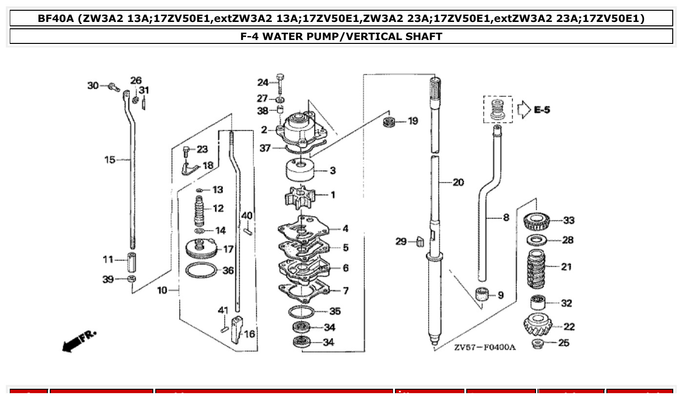
Fig. F-4 — WATER PUMP/VERTICAL SHAFT
44 items
· 2 available products
Fig. F-5 — PROPELLER SHAFT/PROPELLER
39 items
· 2 available products
Fig. F-6 — FUEL TANK
22 items
· 1 available products
Fig. F-7 — REGULATOR/STARTER CABLE
47 items
Fig. F-8 — ENGINE COVER/UNDER CASE
57 items
· 2 available products