Catalogs / Honda / Outboard
Honda BF40A4 Parts Catalog
Browse 32 catalog sections for Honda BF40A4. Open a section to view the parts diagram, reference numbers and available products.
Fig. E-13 — TIMING BELT
20 items
· 1 available products
Fig. E-14 — CARBURETOR ASSY.
35 items
· 2 available products
Fig. E-14-10 — CARBURETOR COMPONENTS
35 items
· 2 available products
Fig. E-14-20 — THROTTLE ROD
26 items
Fig. E-14-30 — SILENCER COVER
13 items
Fig. E-19 — FLYWHEEL
9 items
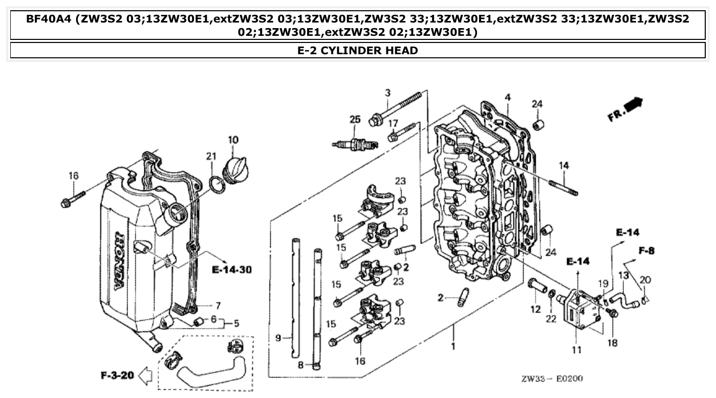
Fig. E-2 — CYLINDER HEAD
30 items
Fig. E-20 — C.D.I. UNIT
7 items
Fig. E-21 — STARTER MOTOR
30 items
Fig. E-3 — CYLINDER BLOCK
36 items
Fig. E-5 — OIL PUMP
22 items
Fig. E-6 — OIL PAN
17 items
Fig. E-7 — CRANKSHAFT/PISTON
32 items
· 1 available products
Fig. E-9 — CAMSHAFT
15 items
Fig. F-1 — STEERING HANDLE (1)
100 items
Fig. F-10 — STERN BRACKET
36 items
Fig. F-11 — SWIVEL CASE
36 items
Fig. F-11-10 — DAMPER
11 items
Fig. F-11-20 — POWER TRIM TILT
71 items
· 1 available products
Fig. F-12 — LABEL
21 items
Fig. F-13 — TOOL
11 items
Fig. F-15-1 — REMOTE CONTROL (2)
599 items
· 2 available products
Fig. F-3 — EXTENSION CASE
61 items
· 3 available products
Fig. F-3-10 — GEAR CASE ASSY.
10 items
Fig. F-3-20 — PRIMARY GEAR CASE
11 items
Fig. F-4 — WATER PUMP
54 items
· 2 available products
Fig. F-5 — PROPELLER SHAFT
44 items
· 3 available products
Fig. F-6 — FUEL TANK
26 items
· 1 available products
Fig. F-7 — REGULATOR
55 items
Fig. F-7-10 — IGNITION COIL
20 items
Fig. F-7-20 — FLYWHEEL COVER
3 items
Fig. F-8 — ENGINE COVER/UNDER CASE
66 items
· 1 available products