Catalogs / Honda / Outboard
Honda BF50A2 Parts Catalog
Browse 30 catalog sections for Honda BF50A2. Open a section to view the parts diagram, reference numbers and available products.
Fig. E-13 — TIMING BELT/FLYWHEEL COVER
26 items
Fig. E-14 — CARBURETOR
67 items
· 4 available products
Fig. E-14-10 — THROTTLE ROD
17 items
Fig. E-14-20 — SILENCER COVER
22 items
Fig. E-19 — FLYWHEEL
12 items
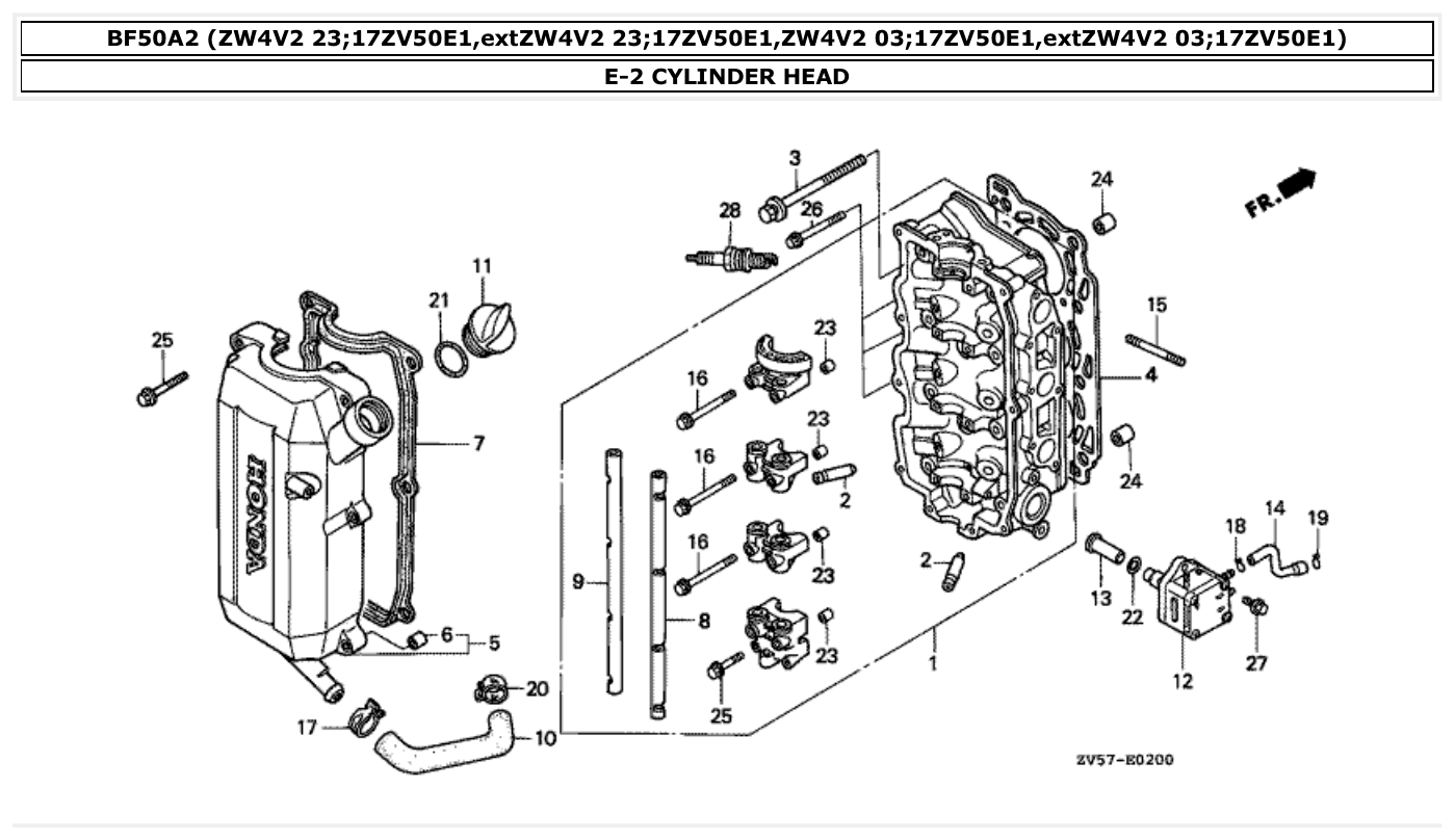
Fig. E-2 — CYLINDER HEAD
31 items
Fig. E-20 — IGNITION COIL/C.D.I. UNIT
8 items
Fig. E-21 — STARTER MOTOR
33 items
Fig. E-3 — CYLINDER BLOCK
42 items
Fig. E-5 — OIL PUMP/EXHAUST PIPE
25 items
Fig. E-6 — PRIMARY GEAR CASE/OIL PAN
16 items
Fig. E-7 — CRANKSHAFT/PISTON
39 items
· 1 available products
Fig. E-9 — CAMSHAFT/VALVE
15 items
Fig. F-1 — STEERING HANDLE
44 items
Fig. F-10 — STERN BRACKET
30 items
Fig. F-11 — SWIVEL CASE/MOUNT FRAME
36 items
Fig. F-11-10 — POWER TRIM-TILT/DAMPER
13 items
Fig. F-11-11 — POWER TRIM-TILT COMPONENTS
62 items
Fig. F-11-50 — REMOTE CONTROL
98 items
Fig. F-12 — MARK
18 items
Fig. F-13 — TOOL
375 items
· 2 available products
Fig. F-3 — EXTENSION CASE
53 items
· 3 available products
Fig. F-3-10 — GEAR CASE ASSY.
2 items
Fig. F-3-20 — PRIMARY GEAR CASE
8 items
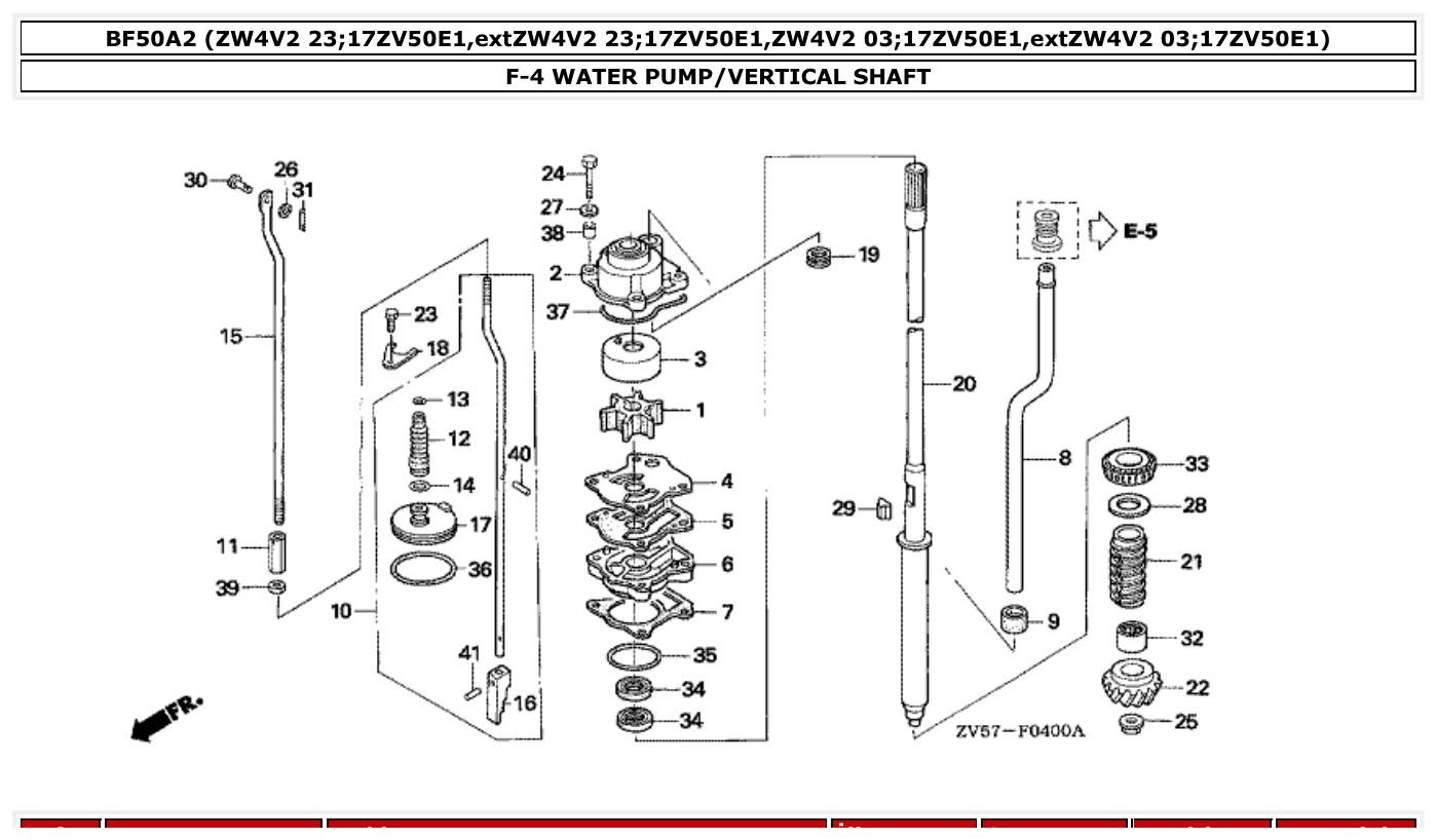
Fig. F-4 — WATER PUMP/VERTICAL SHAFT
44 items
· 2 available products
Fig. F-5 — PROPELLER SHAFT/PROPELLER
41 items
· 2 available products
Fig. F-6 — FUEL TANK
21 items
· 1 available products
Fig. F-7 — REGULATOR/STARTER CABLE
52 items
Fig. F-7-10 — IGNITION COIL/C.D.I. UNIT
14 items
Fig. F-8 — ENGINE COVER/UNDER CASE
60 items
· 2 available products