Catalogs / Honda / Outboard

Honda BF75AX Parts Catalog

Browse 35 catalog sections for Honda BF75AX. Open a section to view the parts diagram, reference numbers and available products.

Honda BF75AX TIMING BELT parts diagram
Fig. E-13 — TIMING BELT
17 items · 1 available products
Honda BF75AX CARBURETOR parts diagram
Fig. E-14 — CARBURETOR
46 items · 2 available products
Honda BF75AX THROTTLE CAM parts diagram
Fig. E-14-10 — THROTTLE CAM
32 items
Honda BF75AX SILENCER COVER parts diagram
Fig. E-14-20 — SILENCER COVER
21 items
Honda BF75AX A.C. GENERATOR parts diagram
Fig. E-19 — A.C. GENERATOR
17 items
Honda BF75AX CYLINDER HEAD parts diagram
Fig. E-2 — CYLINDER HEAD
39 items · 1 available products
Honda BF75AX IGNITION COIL/C.D.I. UNIT parts diagram
Fig. E-20 — IGNITION COIL/C.D.I. UNIT
4 items
Honda BF75AX STARTER MOTOR parts diagram
Fig. E-21 — STARTER MOTOR
33 items
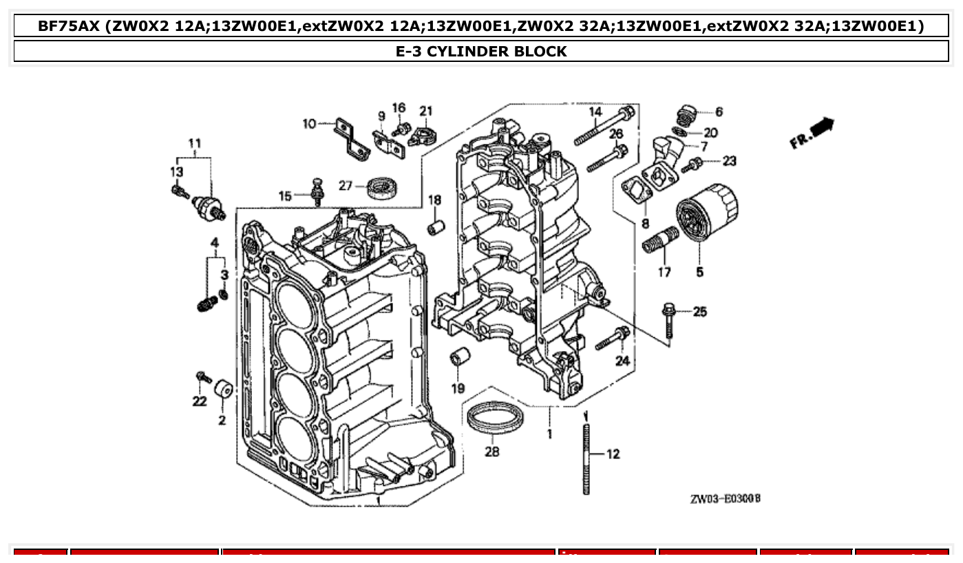
Honda BF75AX CYLINDER BLOCK parts diagram
Fig. E-3 — CYLINDER BLOCK
28 items
Honda BF75AX THERMOSTAT parts diagram
Fig. E-4 — THERMOSTAT
22 items
Honda BF75AX OIL PUMP/EXHAUST PIPE parts diagram
Fig. E-5 — OIL PUMP/EXHAUST PIPE
22 items
Honda BF75AX MOUNT CASE/OIL PAN parts diagram
Fig. E-6 — MOUNT CASE/OIL PAN
21 items
Honda BF75AX CRANKSHAFT/PISTON parts diagram
Fig. E-7 — CRANKSHAFT/PISTON
25 items · 1 available products
Honda BF75AX CAMSHAFT/VALVE parts diagram
Fig. E-9 — CAMSHAFT/VALVE
23 items
Honda BF75AX STEERING HANDLE parts diagram
Fig. F-1 — STEERING HANDLE
73 items
Honda BF75AX STERN BRACKET/SWIVEL CASE parts diagram
Fig. F-10 — STERN BRACKET/SWIVEL CASE
57 items · 1 available products
Honda BF75AX POWER TRIM-TILT/DAMPER parts diagram
Fig. F-11 — POWER TRIM-TILT/DAMPER
48 items
Honda BF75AX MARK parts diagram
Fig. F-12 — MARK
13 items
Honda BF75AX TOOL parts diagram
Fig. F-13 — TOOL
13 items
Honda BF75AX CONTROL PANEL parts diagram
Fig. F-14 — CONTROL PANEL
29 items
Honda BF75AX REMOTE CONTROL (SIDE MOUNT) parts diagram
Fig. F-15 — REMOTE CONTROL (SIDE MOUNT)
86 items
Honda BF75AX REMOTE CONTROL (TOP MOUNT SINGLE TYPE) parts diagram
Fig. F-15-1 — REMOTE CONTROL (TOP MOUNT SINGLE TYPE)
29 items
Honda BF75AX REMOTE CONTROL (TOP MOUNT DUAL TYPE) parts diagram
Fig. F-15-2 — REMOTE CONTROL (TOP MOUNT DUAL TYPE)
34 items
Honda BF75AX REMOTE CONTROL (PANEL MOUNT) parts diagram
Fig. F-15-3 — REMOTE CONTROL (PANEL MOUNT)
27 items
Honda BF75AX INNER HOUSING parts diagram
Fig. F-15-4 — INNER HOUSING
64 items
Honda BF75AX SHIFT SHAFT parts diagram
Fig. F-2 — SHIFT SHAFT
34 items
Honda BF75AX GEAR CASE/EXTENSION CASE parts diagram
Fig. F-3 — GEAR CASE/EXTENSION CASE
51 items · 2 available products
Honda BF75AX GEAR CASE ASSY. parts diagram
Fig. F-3-10 — GEAR CASE ASSY.
4 items
Honda BF75AX TIMING BELT COVER/MOUNT CASE parts diagram
Fig. F-3-20 — TIMING BELT COVER/MOUNT CASE
15 items
Honda BF75AX WATER PUMP/VERTICAL SHAFT (BF75AV,X,1/BF90AV,X,1) parts diagram
Fig. F-4-1 — WATER PUMP/VERTICAL SHAFT (BF75AV,X,1/BF90AV,X,1)
42 items · 2 available products
Honda BF75AX PROPELLER SHAFT/PROPELLER (BF75AV,X,1/BF90AV,X,1) parts diagram
Fig. F-5-1 — PROPELLER SHAFT/PROPELLER (BF75AV,X,1/BF90AV,X,1)
48 items · 1 available products
Honda BF75AX FUEL TANK parts diagram
Fig. F-6 — FUEL TANK
17 items
Honda BF75AX REGULATOR/STARTER CABLE parts diagram
Fig. F-7 — REGULATOR/STARTER CABLE
43 items
Honda BF75AX IGNITION COIL/C.D.I. UNIT parts diagram
Fig. F-7-10 — IGNITION COIL/C.D.I. UNIT
18 items
Honda BF75AX ENGINE COVER/UNDER CASE parts diagram
Fig. F-8 — ENGINE COVER/UNDER CASE
60 items