Catalogs / Honda / Outboard

Honda BF75DK0 Parts Catalog

Browse 42 catalog sections for Honda BF75DK0. Open a section to view the parts diagram, reference numbers and available products.

Honda BF75DK0 CYLINDER HEAD COVER parts diagram
Fig. E-1 — CYLINDER HEAD COVER
10 items
Honda BF75DK0 INLET MANIFOLD/INJECTOR parts diagram
Fig. E-14 — INLET MANIFOLD/INJECTOR
24 items
Honda BF75DK0 SILENCER CASE parts diagram
Fig. E-15 — SILENCER CASE
25 items
Honda BF75DK0 FUEL PUMP parts diagram
Fig. E-18 — FUEL PUMP
30 items
Honda BF75DK0 WATER SEPARATOR parts diagram
Fig. E-18-10 — WATER SEPARATOR
23 items · 1 available products
Honda BF75DK0 VAPOR SEPARATOR parts diagram
Fig. E-18-20 — VAPOR SEPARATOR
79 items
Honda BF75DK0 A.C. GENERATOR parts diagram
Fig. E-19 — A.C. GENERATOR
6 items
Honda BF75DK0 CYLINDER HEAD parts diagram
Fig. E-2 — CYLINDER HEAD
43 items
Honda BF75DK0 PLUG TOP COIL parts diagram
Fig. E-20 — PLUG TOP COIL
3 items
Honda BF75DK0 ELECTRONIC CONTROL UNIT parts diagram
Fig. E-20-10 — ELECTRONIC CONTROL UNIT
10 items
Honda BF75DK0 STARTER MOTOR parts diagram
Fig. E-21 — STARTER MOTOR
23 items
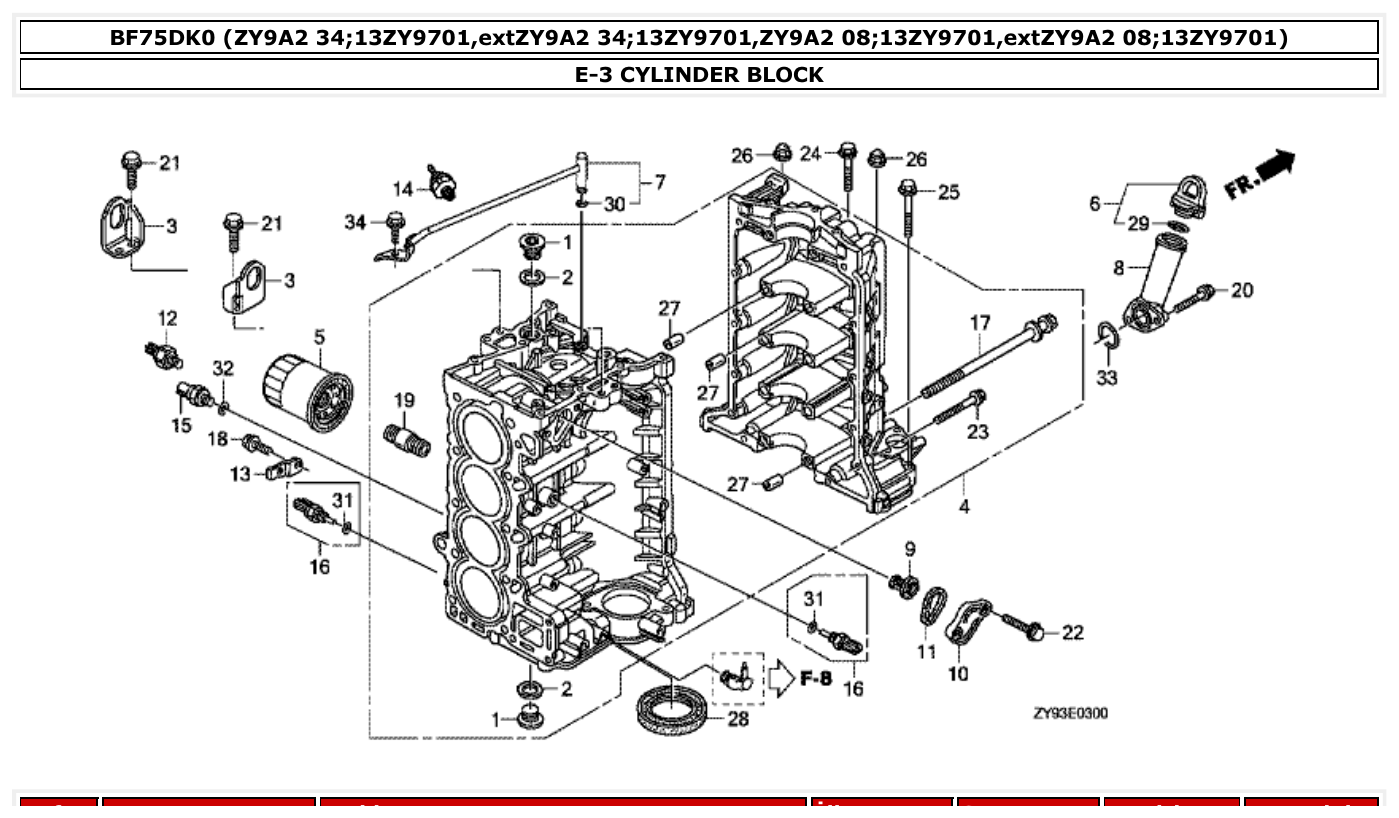
Honda BF75DK0 CYLINDER BLOCK parts diagram
Fig. E-3 — CYLINDER BLOCK
37 items
Honda BF75DK0 OIL PUMP parts diagram
Fig. E-5 — OIL PUMP
16 items
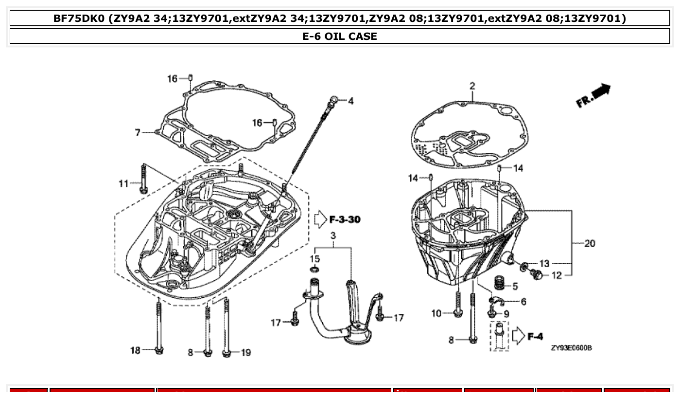
Honda BF75DK0 OIL CASE parts diagram
Fig. E-6 — OIL CASE
25 items
Honda BF75DK0 CRANKSHAFT/PISTON parts diagram
Fig. E-7 — CRANKSHAFT/PISTON
36 items
Honda BF75DK0 CAMSHAFT/VALVE parts diagram
Fig. E-9 — CAMSHAFT/VALVE
31 items
Honda BF75DK0 CHAIN CASE parts diagram
Fig. E-9-10 — CHAIN CASE
17 items
Honda BF75DK0 STEERING HANDLE parts diagram
Fig. F-1 — STEERING HANDLE
211 items
Honda BF75DK0 STERN BRACKET/SWIVEL CASE parts diagram
Fig. F-10 — STERN BRACKET/SWIVEL CASE
87 items · 1 available products
Honda BF75DK0 STEERING FRICTION SHAFT parts diagram
Fig. F-10-1 — STEERING FRICTION SHAFT
18 items
Honda BF75DK0 POWER TRIM-TILT parts diagram
Fig. F-11 — POWER TRIM-TILT
45 items
Honda BF75DK0 LABEL parts diagram
Fig. F-12 — LABEL
27 items
Honda BF75DK0 TOOL parts diagram
Fig. F-13 — TOOL
17 items
Honda BF75DK0 CONTROL PANEL (SINGLE) (2-LED) parts diagram
Fig. F-14 — CONTROL PANEL (SINGLE) (2-LED)
29 items
Honda BF75DK0 CONTROL PANEL (DUAL) (2-LED) parts diagram
Fig. F-14-1 — CONTROL PANEL (DUAL) (2-LED)
29 items
Honda BF75DK0 REMOTE CONTROL (SIDE MOUNT) parts diagram
Fig. F-15 — REMOTE CONTROL (SIDE MOUNT)
210 items · 1 available products
Honda BF75DK0 REMOTE CONTROL (PANEL MOUNT) parts diagram
Fig. F-15-1 — REMOTE CONTROL (PANEL MOUNT)
27 items
Honda BF75DK0 REMOTE CONTROL (INNER HOUSING) parts diagram
Fig. F-15-2 — REMOTE CONTROL (INNER HOUSING)
712 items · 3 available products
Honda BF75DK0 SHIFT SHAFT parts diagram
Fig. F-2 — SHIFT SHAFT
53 items
Honda BF75DK0 EXTENSION CASE parts diagram
Fig. F-3 — EXTENSION CASE
52 items
Honda BF75DK0 GEAR CASE parts diagram
Fig. F-3-10 — GEAR CASE
24 items
Honda BF75DK0 GEAR CASE ASSY parts diagram
Fig. F-3-20 — GEAR CASE ASSY
2 items
Honda BF75DK0 MOUNT CASE parts diagram
Fig. F-3-30 — MOUNT CASE
30 items
Honda BF75DK0 WATER PUMP/VERTICAL SHAFT parts diagram
Fig. F-4 — WATER PUMP/VERTICAL SHAFT
45 items · 3 available products
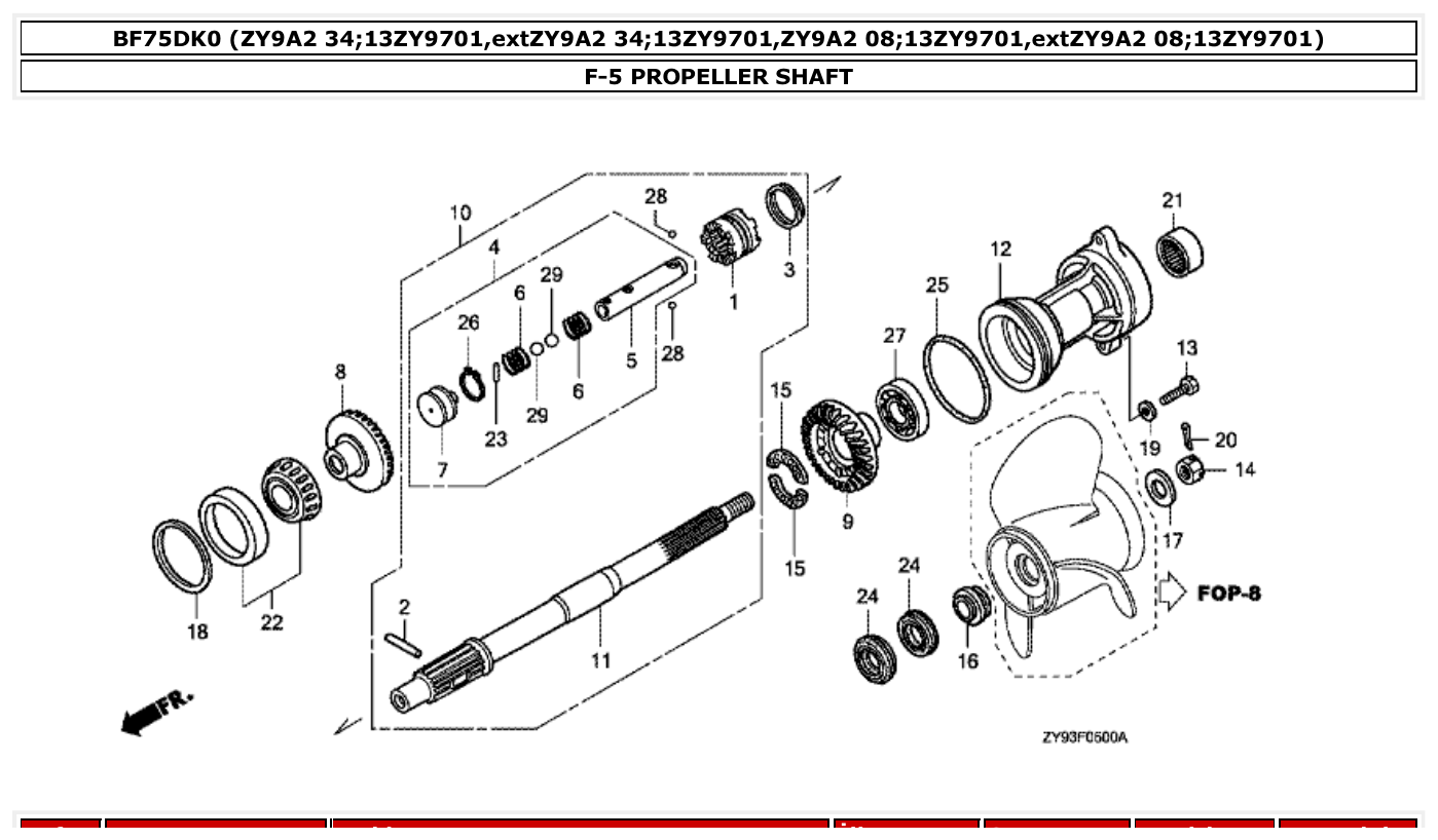
Honda BF75DK0 PROPELLER SHAFT parts diagram
Fig. F-5 — PROPELLER SHAFT
32 items · 1 available products
Honda BF75DK0 FUEL TANK parts diagram
Fig. F-6 — FUEL TANK
46 items · 1 available products
Honda BF75DK0 MAIN WIRE HARNESS parts diagram
Fig. F-7 — MAIN WIRE HARNESS
10 items
Honda BF75DK0 STARTER CABLE parts diagram
Fig. F-7-10 — STARTER CABLE
53 items · 1 available products
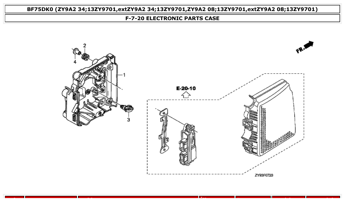
Honda BF75DK0 ELECTRONIC PARTS CASE parts diagram
Fig. F-7-20 — ELECTRONIC PARTS CASE
4 items
Honda BF75DK0 A.C. GENERATOR COVER parts diagram
Fig. F-7-30 — A.C. GENERATOR COVER
3 items
Honda BF75DK0 TRIM METER/TACHOMETER parts diagram
Fig. F-7-40 — TRIM METER/TACHOMETER
39 items
Honda BF75DK0 ENGINE COVER/UNDER CASE parts diagram
Fig. F-8 — ENGINE COVER/UNDER CASE
60 items