Catalogs / Honda / Outboard
Honda BF8AX Parts Catalog
Browse 23 catalog sections for Honda BF8AX. Open a section to view the parts diagram, reference numbers and available products.
Fig. E-11 — RECOIL STARTER (BF6B/BX/D6,BF8AX/B/BX)
19 items
Fig. E-13 — TIMING BELT (BF6B/BX/D6,BF8AX/B/BX)
28 items
Fig. E-14 — CARBURETOR (BF6B/BX/D6,BF8AX/B/BX)
25 items
Fig. E-18 — FUEL PUMP (BF6B/BX/D6,BF8AX/B/BX)
18 items
Fig. E-19 — IGNITION COIL/FLYWHEEL (BF6B/BX/D6,BF8AX/B/BX)
17 items
Fig. E-2 — CYLINDER HEAD (BF6B/BX/D6,BF8AX/B/BX)
30 items
Fig. E-5 — OIL PUMP/EXHAUST PIPE (BF6B/BX/D6,BF8AX/B/BX)
30 items
Fig. E-6 — INTAKE MANIFOLD (BF6B/BX/D6,BF8AX/B/BX)
19 items
Fig. E-8 — CRANKSHAFT/PISTON (BF6B/BX/D6,BF8AX/B/BX)
14 items
Fig. E-9 — CAMSHAFT/VALVE
19 items
Fig. F-1 — STEERING HANDLE (BF6B/BX/D6,BF8AX/B/BX)
26 items
Fig. F-10 — STERN BRACKET/ADJUST ROD (BF6B/BX/D6,BF8AX/B/BX)
25 items
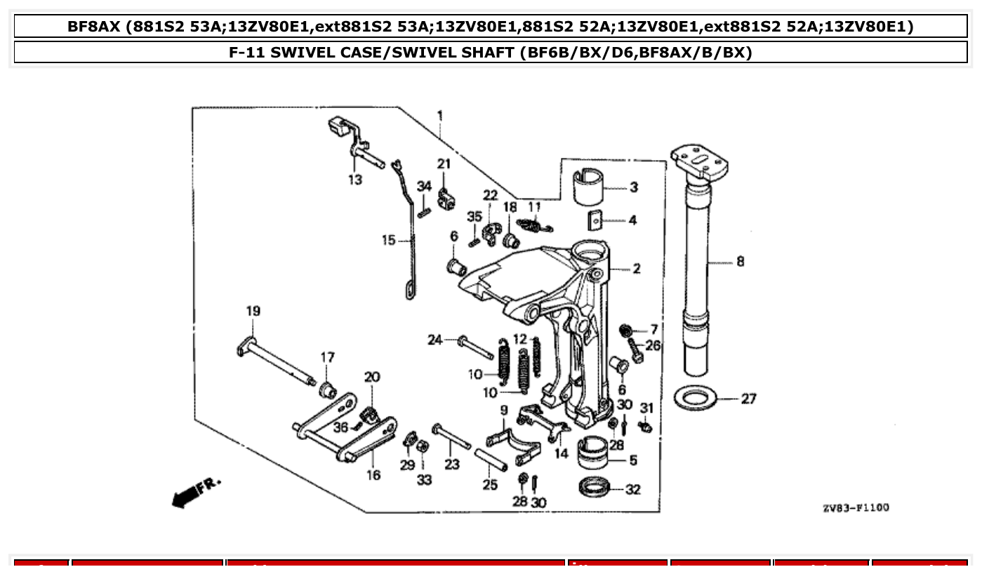
Fig. F-11 — SWIVEL CASE/SWIVEL SHAFT (BF6B/BX/D6,BF8AX/B/BX)
42 items
Fig. F-12 — LABEL (BF6B/BX/D6,BF8AX/B/BX)
17 items
Fig. F-13 — TOOL/STARTER ROPE
53 items
Fig. F-2 — SHIFT SHAFT/CARRYING HANDLE
49 items
Fig. F-3 — EXTENSION CASE/GEAR CASE (BF6B/BX/D6,BF8AX/B/BX)
34 items
Fig. F-3-10 — GEAR CASE ASSY
2 items
Fig. F-4 — WATER PUMP/VERTICAL SHAFT (BF6B/BX/D6,BF8AX/B/BX)
27 items
Fig. F-5 — PROPELLER SHAFT/PROPELLER (BF6B/BX/D6,BF8AX/B/BX)
24 items
Fig. F-6 — FUEL TANK (1)
28 items
Fig. F-8 — OIL CASE/ENGINE COVER (BF6B/BX/D6,BF8AX/B/BX)
23 items
Fig. F-9 — MOUNT FRAME/UPPER MOUNT RUBBER
16 items