Catalogs / Honda / Outboard
Honda BF8D1 Parts Catalog
Browse 29 catalog sections for Honda BF8D1. Open a section to view the parts diagram, reference numbers and available products.
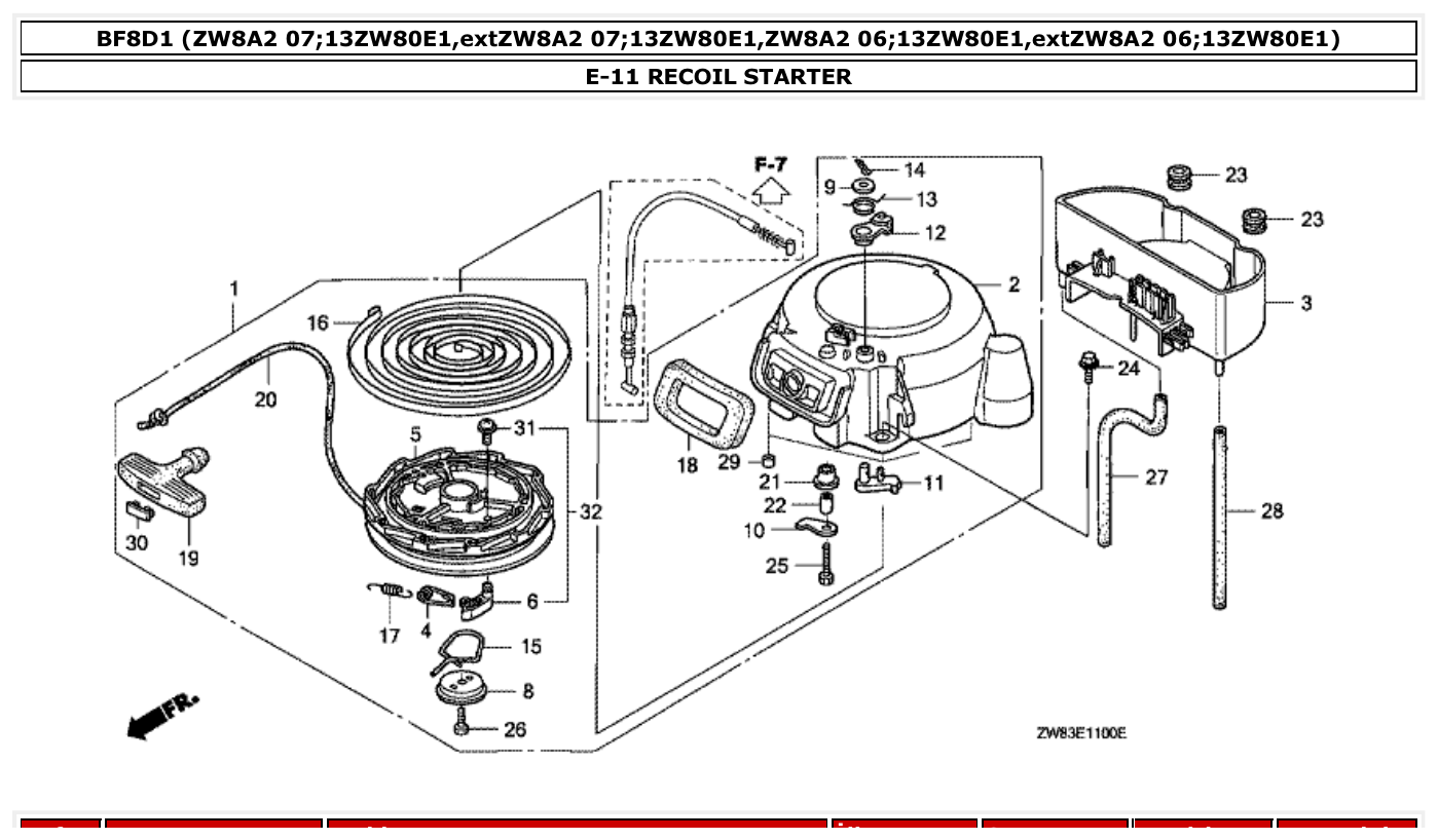
Fig. E-11 — RECOIL STARTER
28 items
Fig. E-13 — TIMING BELT
6 items
Fig. E-14 — CARBURETOR
22 items
· 2 available products
Fig. E-14-20 — SILENCER COVER
13 items
Fig. E-16 — EXHAUST CHAMBER COVER
3 items
Fig. E-18 — FUEL PUMP
10 items
Fig. E-19 — FLYWHEEL
9 items
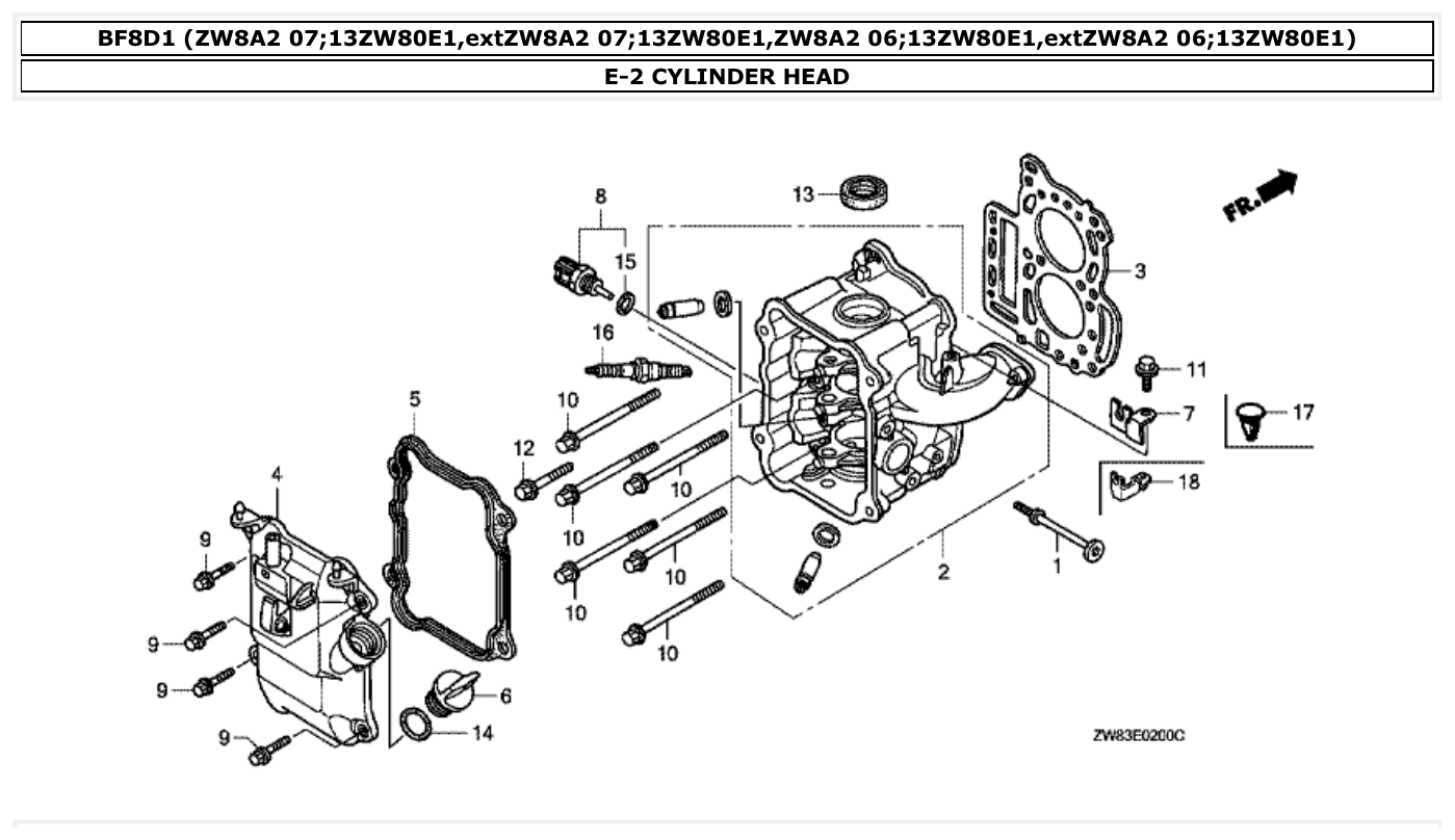
Fig. E-2 — CYLINDER HEAD
17 items
Fig. E-20 — IGNITION COIL
13 items
Fig. E-23-20 — WIRE HARNESS
8 items
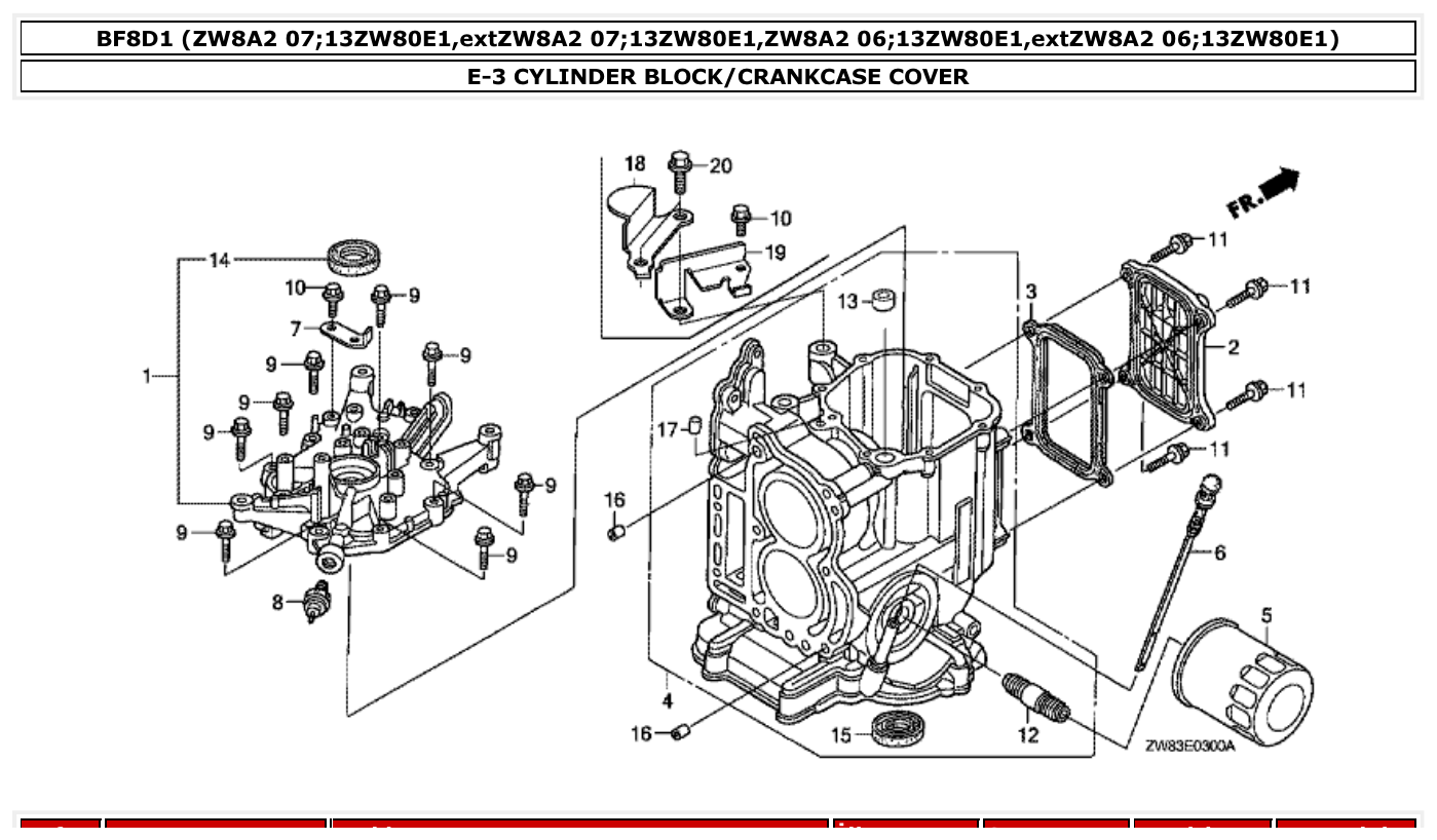
Fig. E-3 — CYLINDER BLOCK/CRANKCASE COVER
17 items
Fig. E-3-20 — OIL CASE
10 items
Fig. E-4 — THERMOSTAT
12 items
Fig. E-5 — OIL PUMP
19 items
Fig. E-7 — CRANKSHAFT/PISTON
8 items
Fig. E-9 — CAMSHAFT
14 items
Fig. F-1 — STEERING HANDLE
22 items
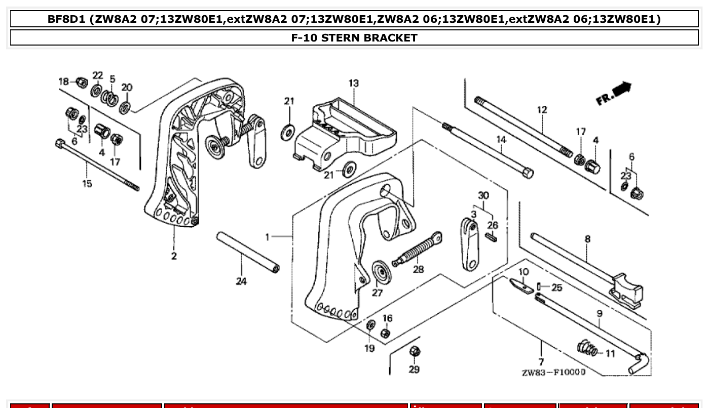
Fig. F-10 — STERN BRACKET
17 items
Fig. F-11 — SWIVEL CASE
47 items
Fig. F-12 — LABEL
17 items
Fig. F-13 — TOOL
10 items
Fig. F-3 — GEAR CASE/EXTENSION CASE
20 items
· 2 available products
Fig. F-3-10 — GEAR CASE ASSY.
2 items
Fig. F-4 — WATER PUMP/VERTICAL SHAFT (L,S SIZE)
37 items
Fig. F-5 — PROPELLER SHAFT/PROPELLER
30 items
· 1 available products
Fig. F-6 — FUEL TANK (STANDARD)
27 items
Fig. F-7 — REGULATOR/STARTER CABLE
30 items
Fig. F-8 — ENGINE COVER
15 items
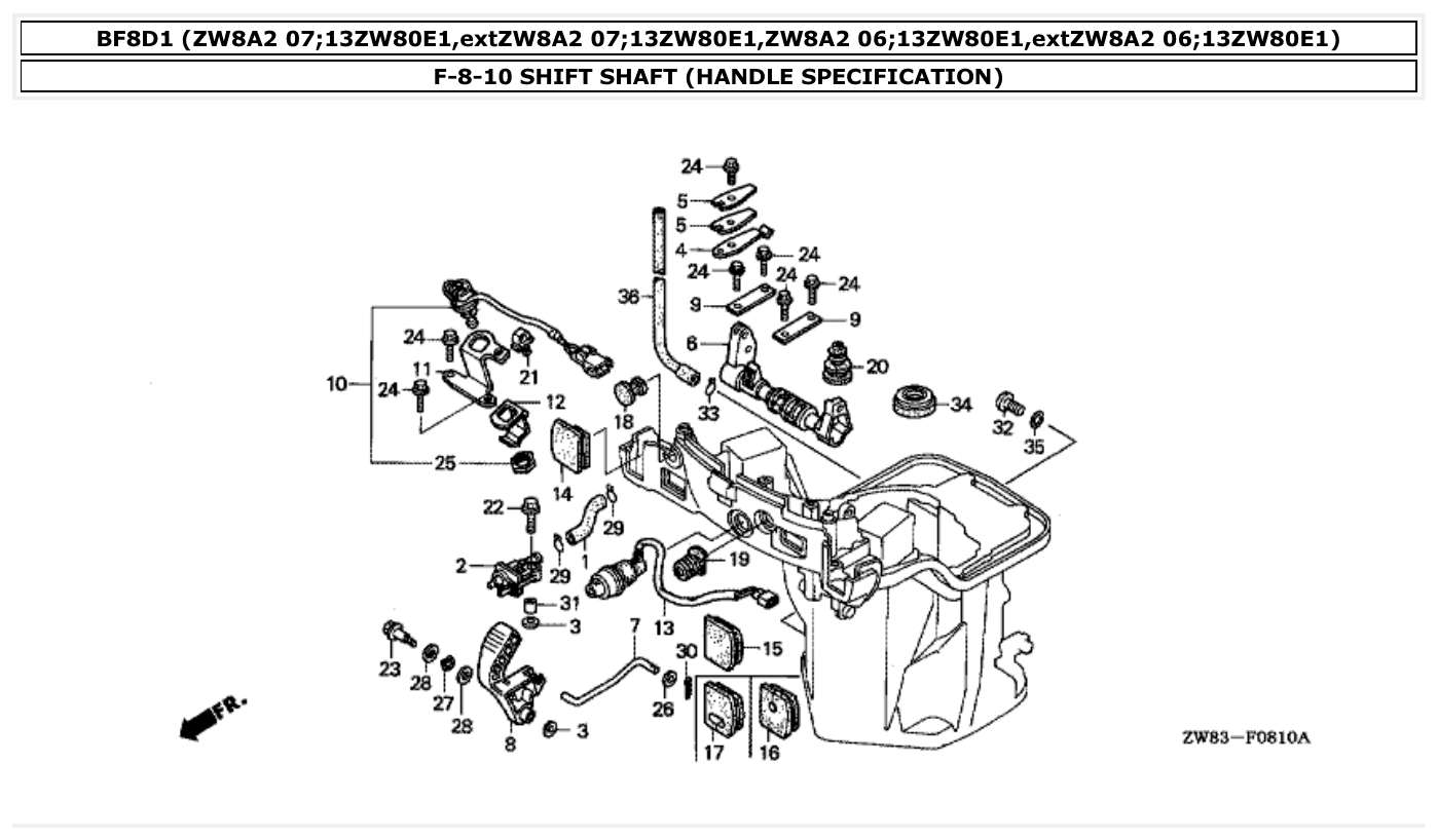
Fig. F-8-10 — SHIFT SHAFT (HANDLE SPECIFICATION)
24 items