Catalogs / Tohatsu / Outboard
Tohatsu BFT200-225A Parts Catalog
Browse 38 catalog sections for Tohatsu BFT200-225A. Open a section to view the parts diagram, reference numbers and available products.
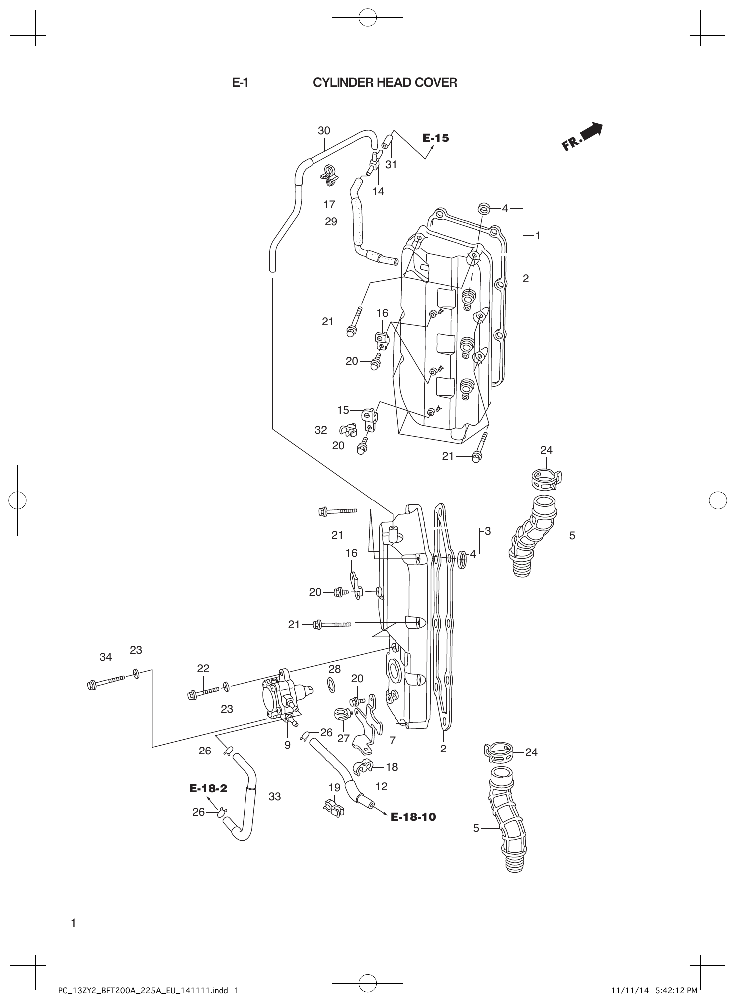
Fig. E-1 — CYLINDER HEAD COVER
28 items
Fig. E-13 — TIMING BELT
27 items
Fig. E-13-10 — TIMING BELT COVER
11 items
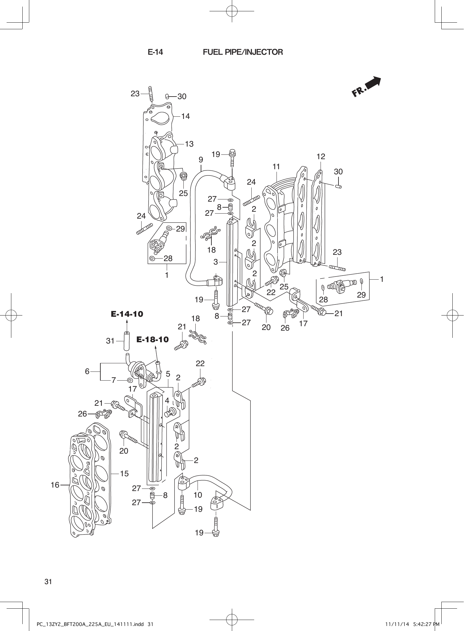
Fig. E-14 — FUEL PIPE/INJECTOR
29 items
Fig. E-14-10 — INTAKE MANIFOLD
19 items
Fig. E-15 — THROTTLE BODY
24 items
Fig. E-18 — VAPOR SEPARATOR ASSY
56 items
Fig. E-18-10 — PIPING
22 items
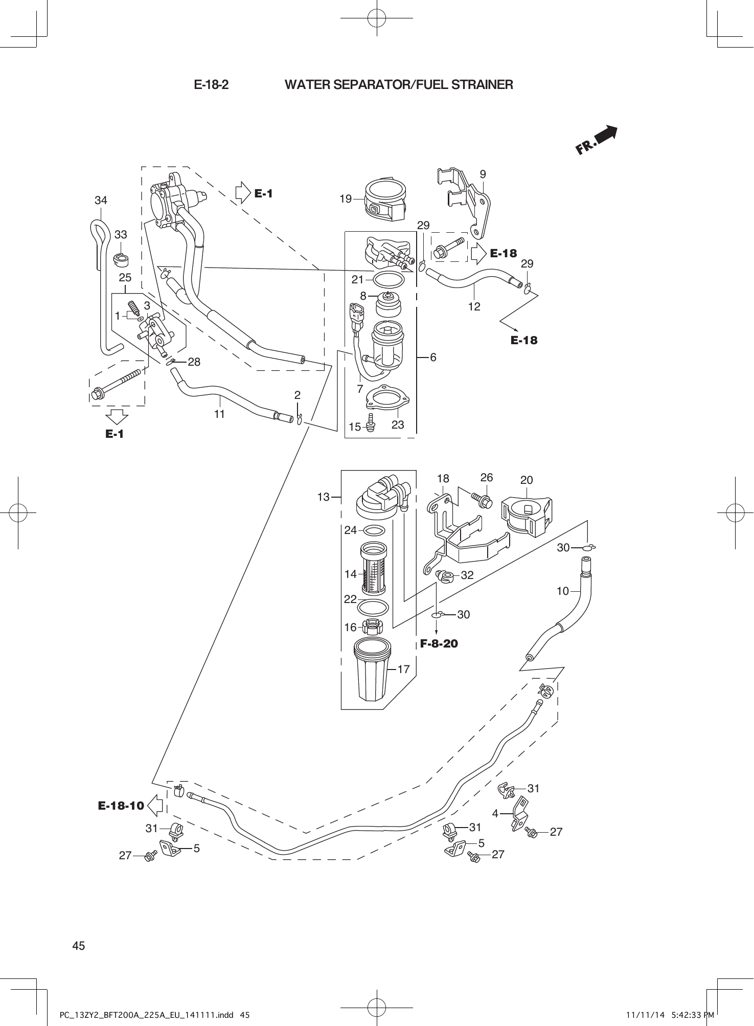
Fig. E-18-2 — WATER SEPARATOR/FUEL STRAINER
33 items
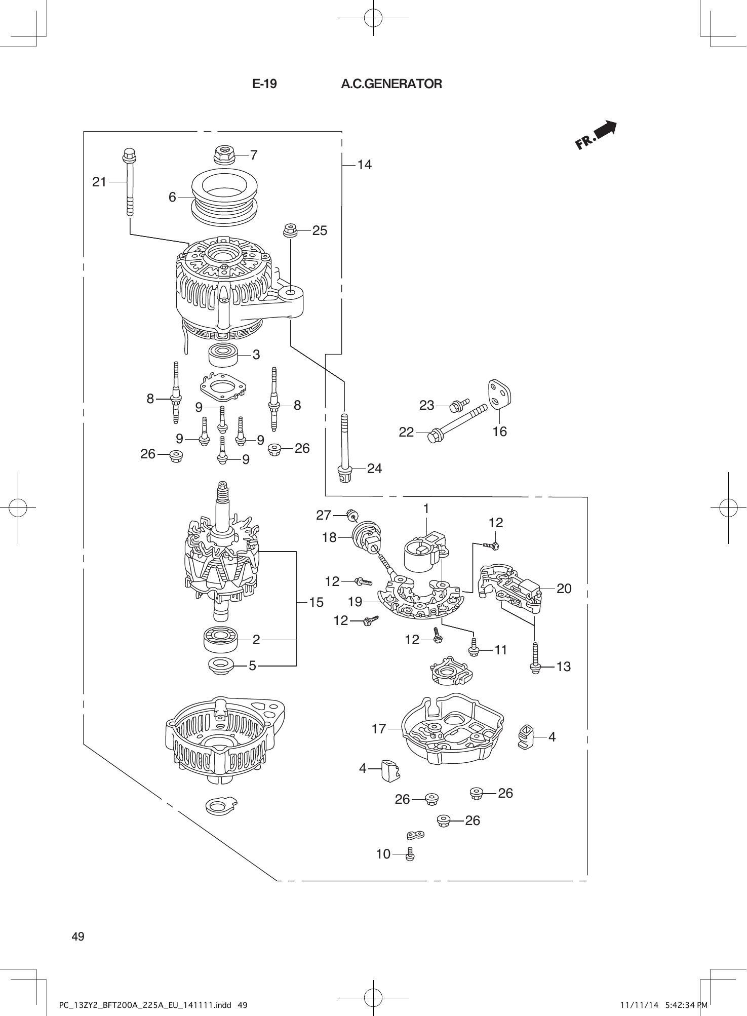
Fig. E-19 — A.C.GENERATOR
26 items
Fig. E-20 — SPARK PLUG
4 items
Fig. E-20-11 — ELECTRONIC CONTROL UNIT
11 items
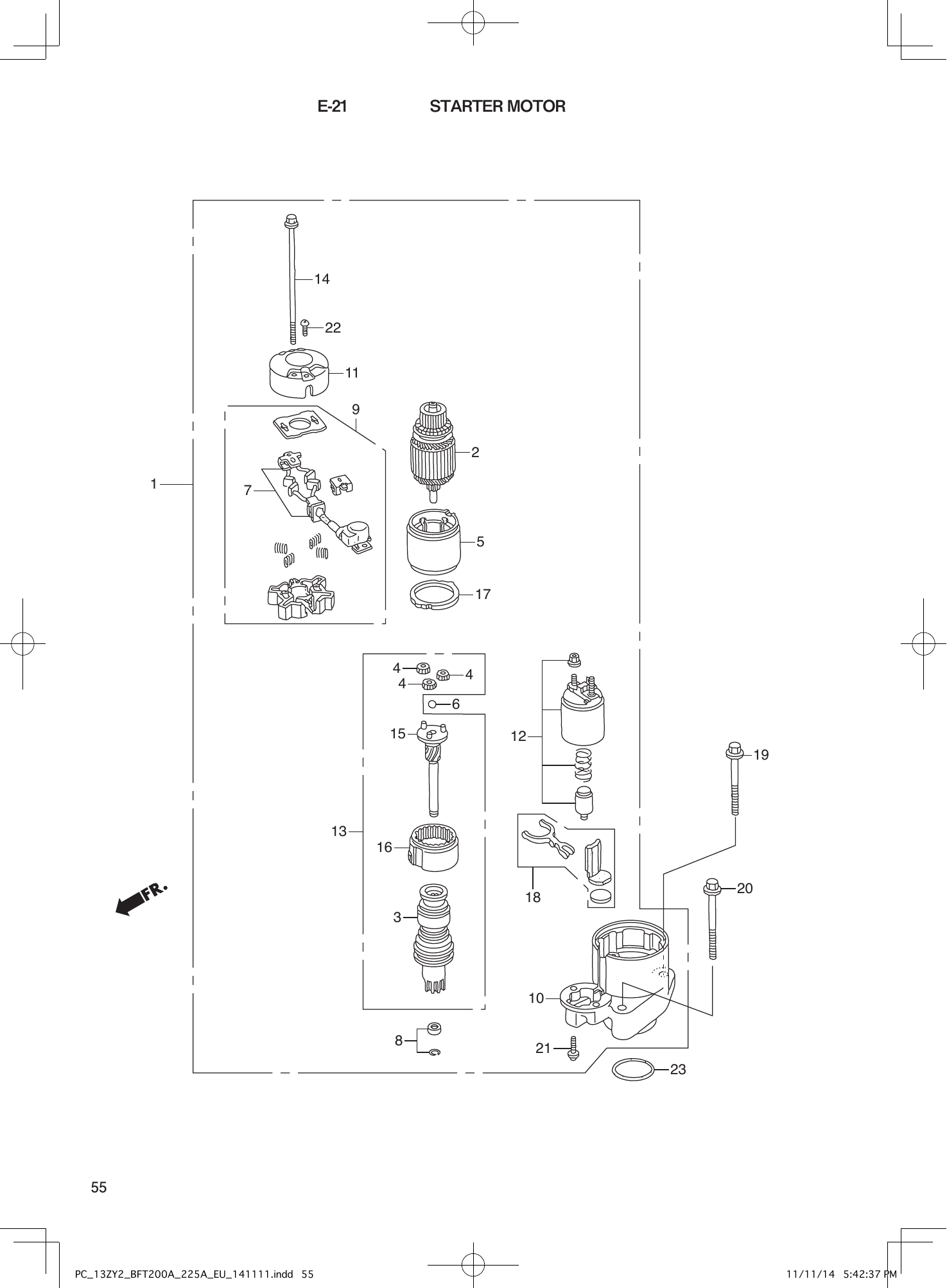
Fig. E-21 — STARTER MOTOR
23 items
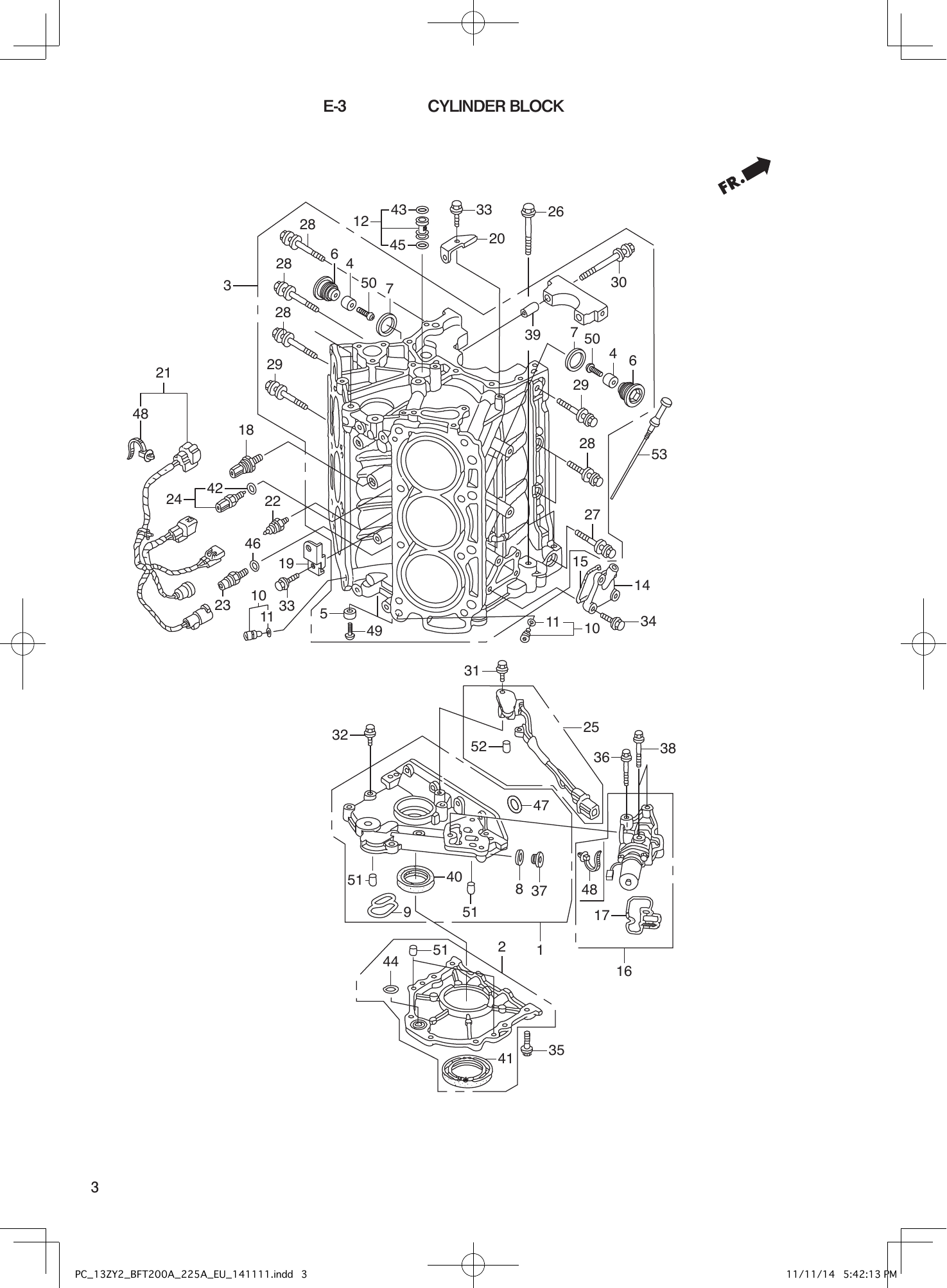
Fig. E-3 — CYLINDER BLOCK
48 items
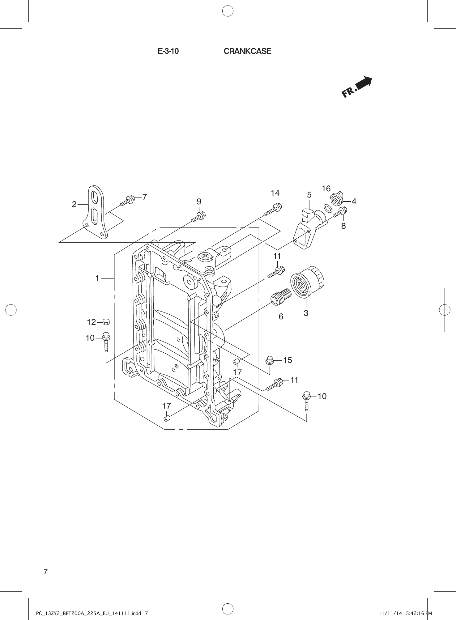
Fig. E-3-10 — CRANKCASE
15 items
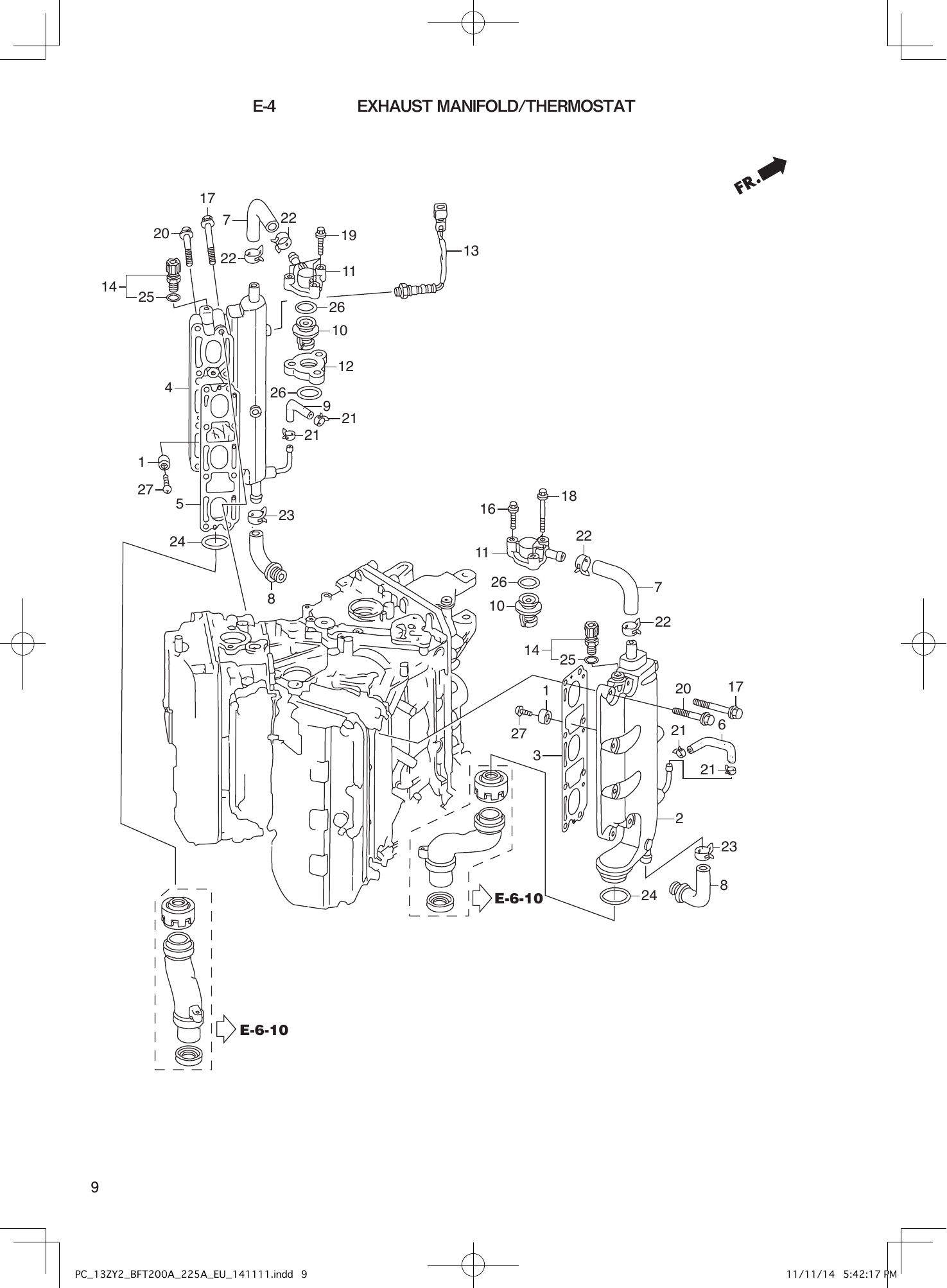
Fig. E-4 — EXHAUST MANIFOLD/THERMOSTAT
25 items
Fig. E-5 — OIL PUMP/FLYWHEEL
19 items
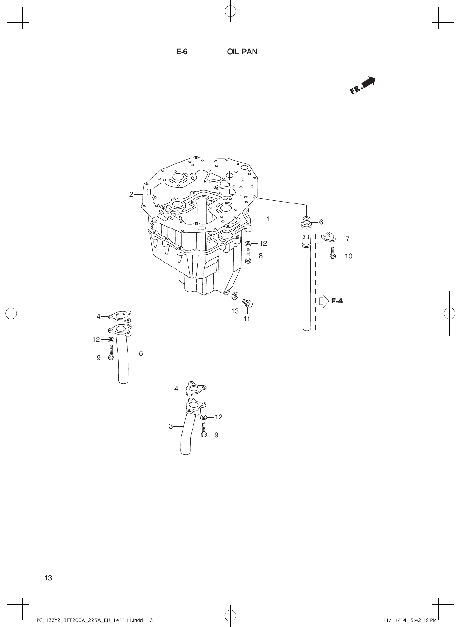
Fig. E-6 — OIL PAN
13 items
Fig. E-6-10 — MOUNT CASE
50 items
Fig. E-7 — CRANKSHAFT/PISTON
15 items
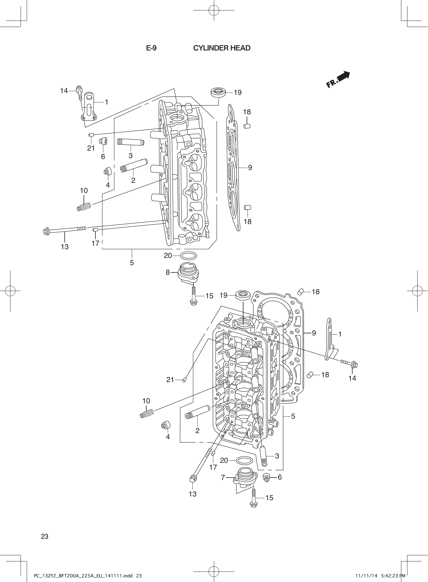
Fig. E-9 — CYLINDER HEAD
17 items
Fig. E-9-10 — CAMSHAFT/ROCKER ARM
24 items
Fig. F-10 — STERN BRACKET/SWIVEL CASE
73 items
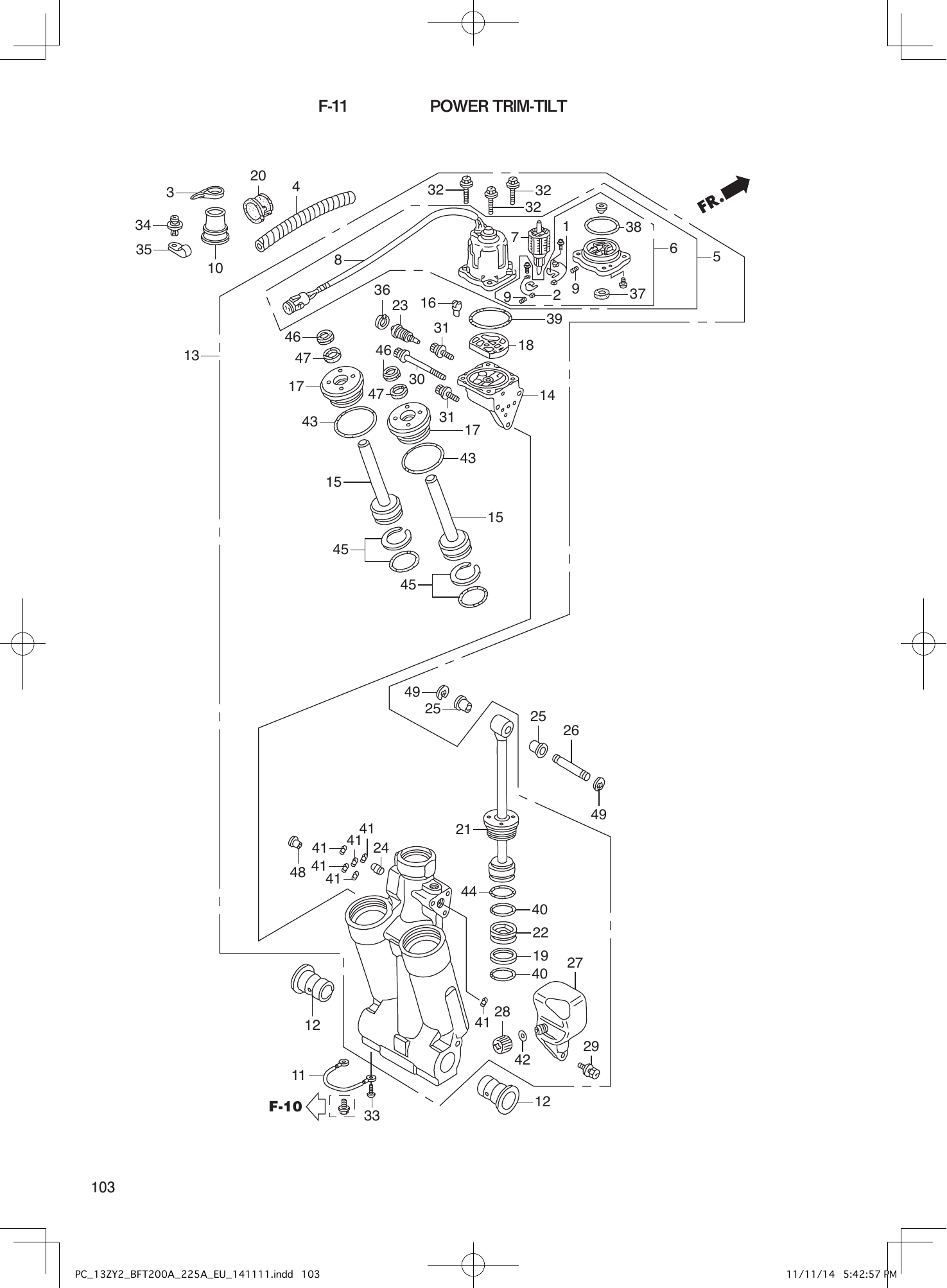
Fig. F-11 — POWER TRIM-TILT
48 items
Fig. F-12 — LABEL
9 items
Fig. F-13 — TOOL
3 items
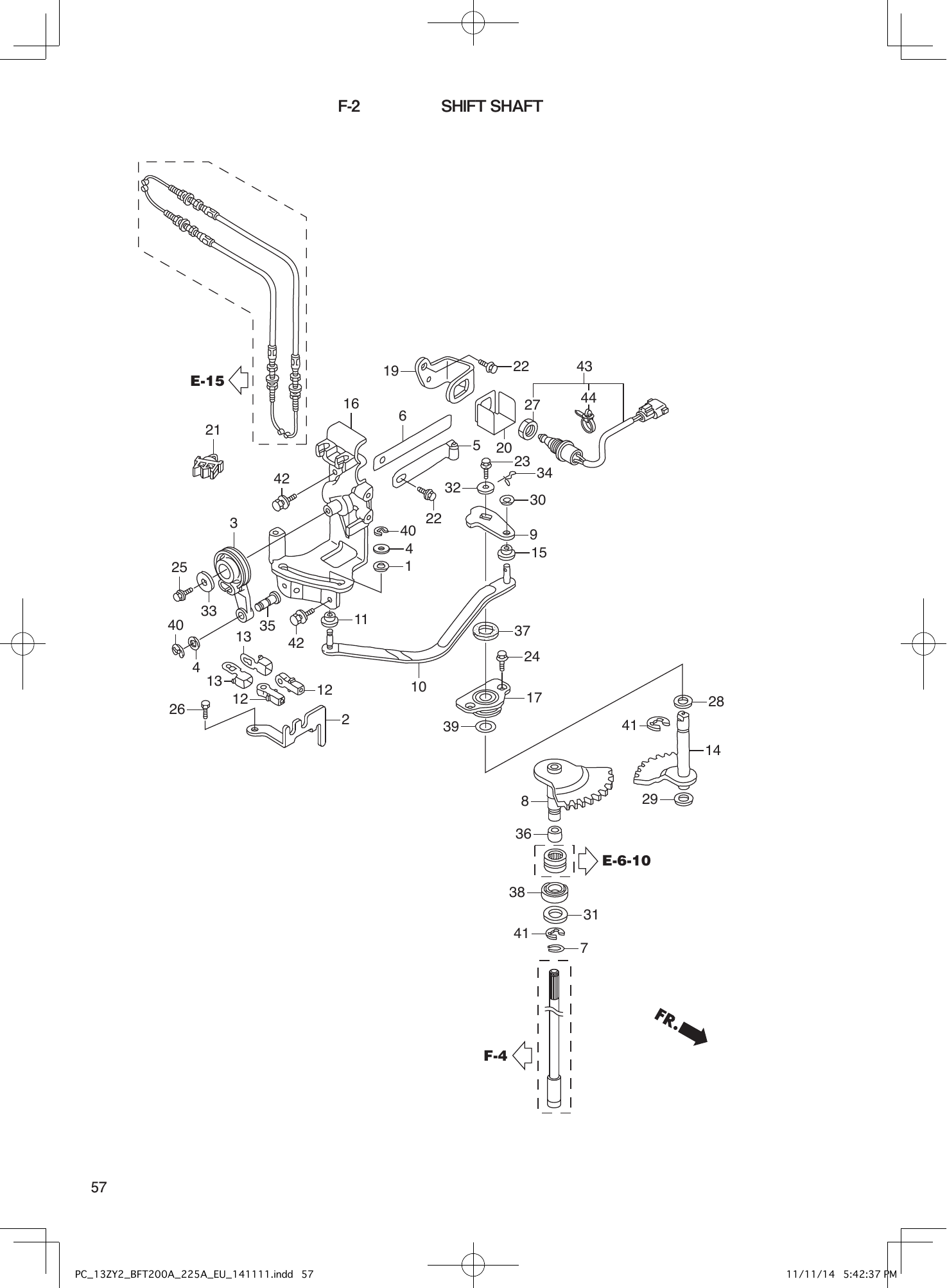
Fig. F-2 — SHIFT SHAFT
41 items
Fig. F-3 — GEAR CASE
27 items
Fig. F-3-10 — GEAR CASE ASSY
1 items
Fig. F-3-20 — EXTENSION CASE
53 items
Fig. F-4 — WATER PUMP/VERTICAL SHAFT
32 items
Fig. F-5 — PROPELLER SHAFT
28 items
Fig. F-7 — WIRE HARNESS
5 items
Fig. F-7-11 — STARTER CABLE
25 items
Fig. F-7-30 — FUSE BOX/RELAY
8 items
Fig. F-8 — ENGINE COVER
14 items
Fig. F-8-10 — FR.COVER BRACKET/FR.LOCK SHAFT
38 items
Fig. F-8-20 — FUEL TUBE (2)
5 items