Catalogs / Tohatsu / Outboard

Tohatsu BFT250A Parts Catalog

Browse 39 catalog sections for Tohatsu BFT250A. Open a section to view the parts diagram, reference numbers and available products.

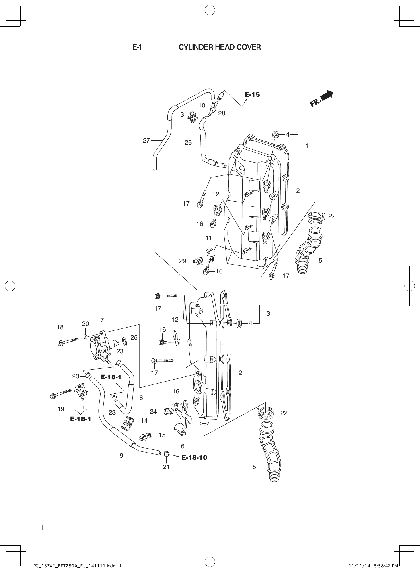
Tohatsu BFT250A CYLINDER HEAD COVER parts diagram
Fig. E-1 — CYLINDER HEAD COVER
29 items
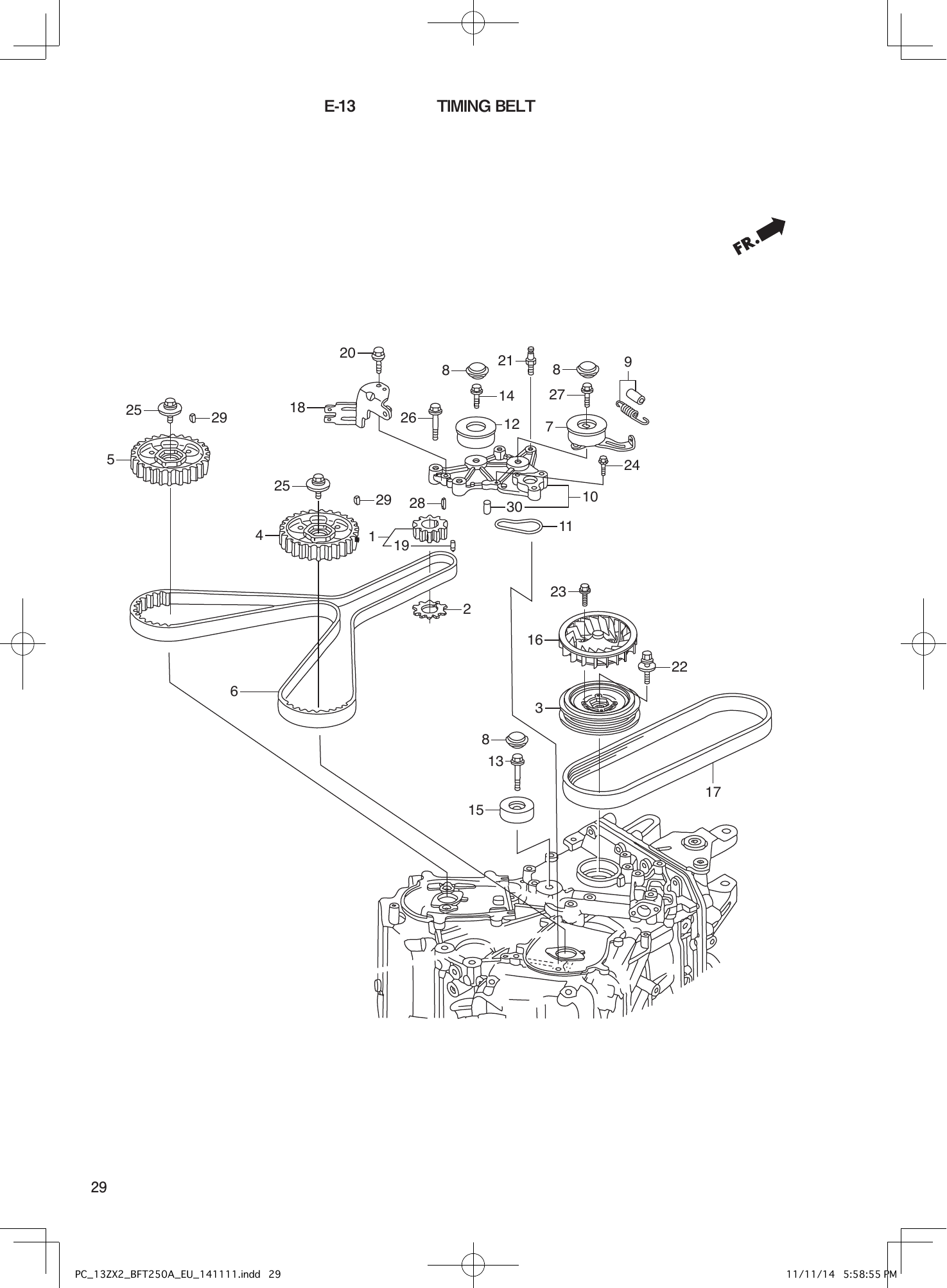
Tohatsu BFT250A TIMING BELT parts diagram
Fig. E-13 — TIMING BELT
29 items
Tohatsu BFT250A TIMING BELT COVER parts diagram
Fig. E-13-10 — TIMING BELT COVER
11 items
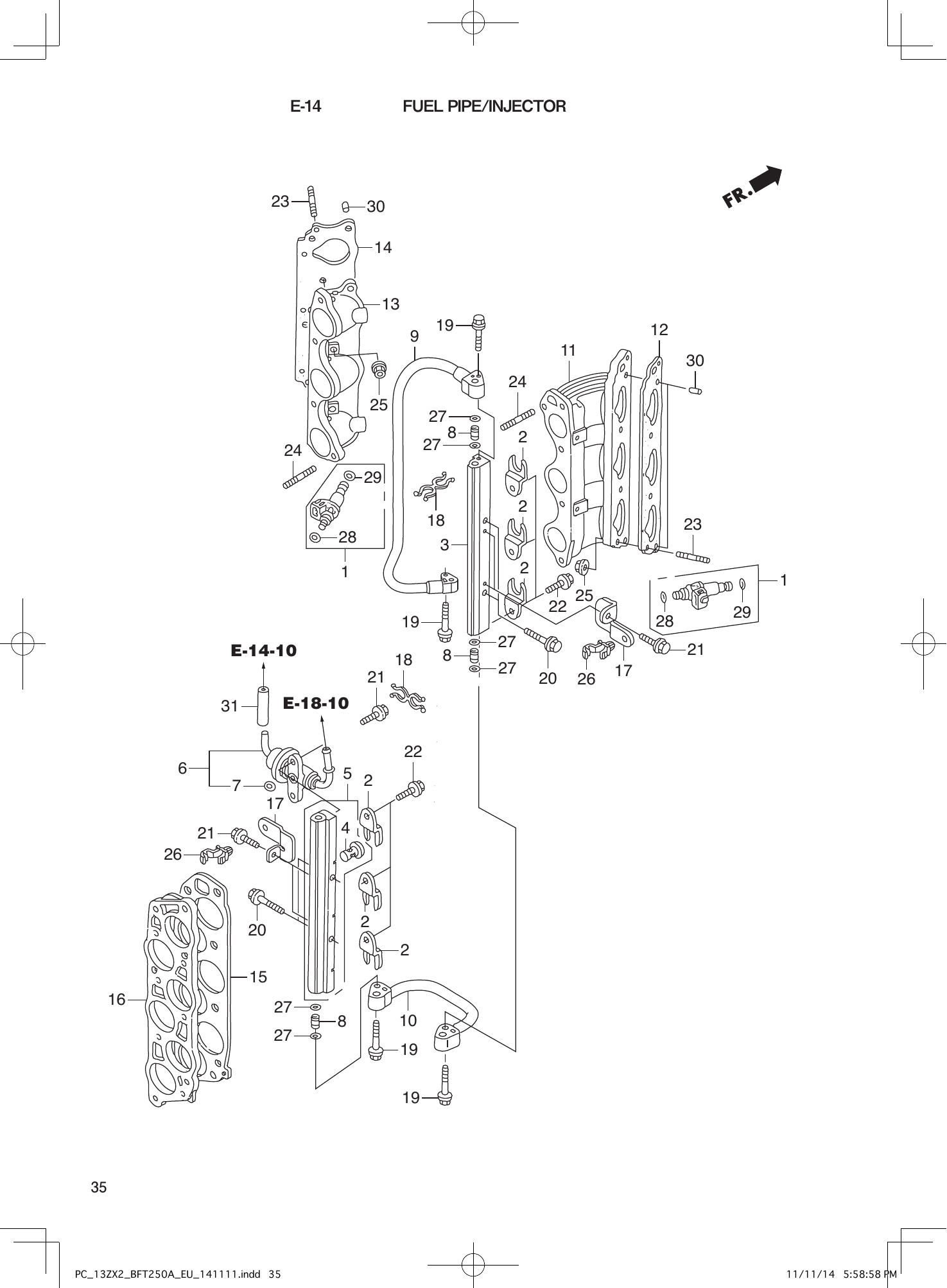
Tohatsu BFT250A FUEL PIPE/INJECTOR parts diagram
Fig. E-14 — FUEL PIPE/INJECTOR
29 items
Tohatsu BFT250A INTAKE MANIFOLD parts diagram
Fig. E-14-10 — INTAKE MANIFOLD
19 items
Tohatsu BFT250A THROTTLE BODY parts diagram
Fig. E-15 — THROTTLE BODY
21 items
Tohatsu BFT250A VAPOR SEPARATOR ASSY parts diagram
Fig. E-18 — VAPOR SEPARATOR ASSY
56 items
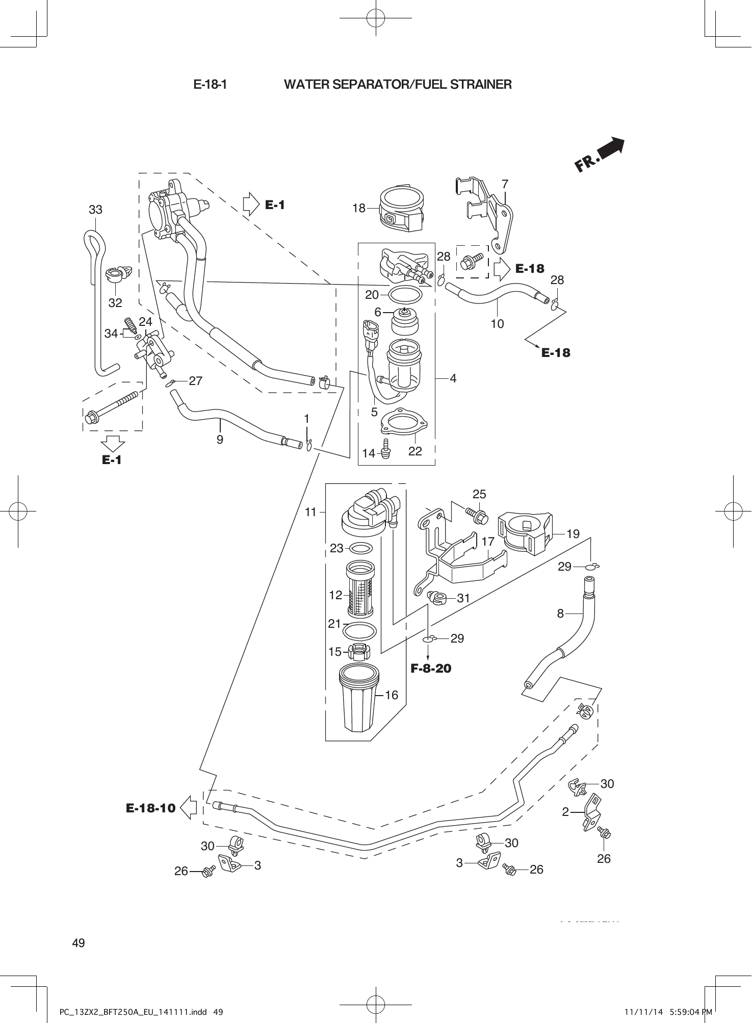
Tohatsu BFT250A WATER SEPARATOR/FUEL STRAINER parts diagram
Fig. E-18-1 — WATER SEPARATOR/FUEL STRAINER
32 items
Tohatsu BFT250A PIPING parts diagram
Fig. E-18-10 — PIPING
22 items
Tohatsu BFT250A A.C.GENERATOR parts diagram
Fig. E-19 — A.C.GENERATOR
26 items
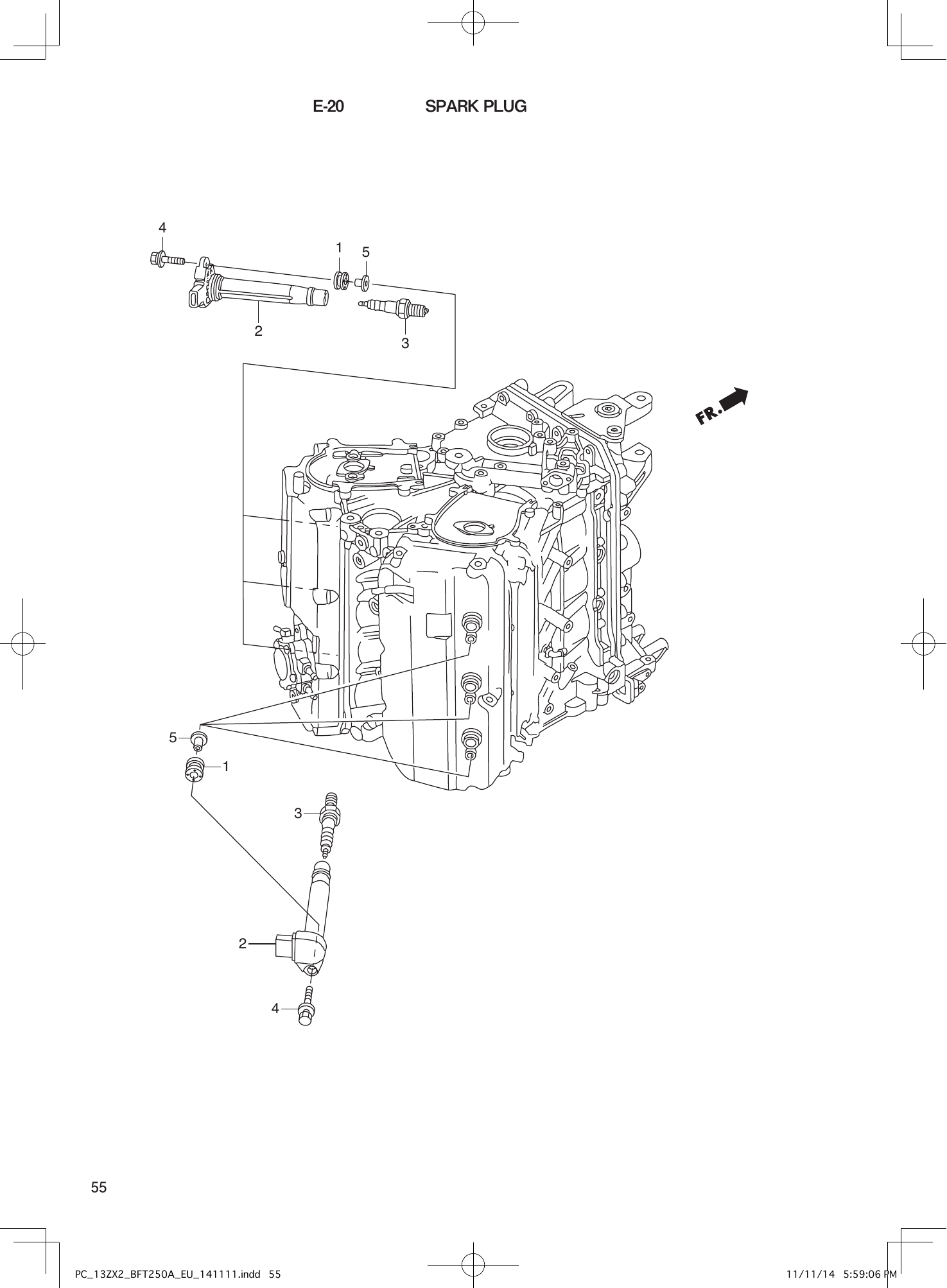
Tohatsu BFT250A SPARK PLUG parts diagram
Fig. E-20 — SPARK PLUG
5 items
Tohatsu BFT250A ELECTRONIC CONTROL UNIT parts diagram
Fig. E-20-10 — ELECTRONIC CONTROL UNIT
11 items
Tohatsu BFT250A STARTER MOTOR parts diagram
Fig. E-21 — STARTER MOTOR
24 items
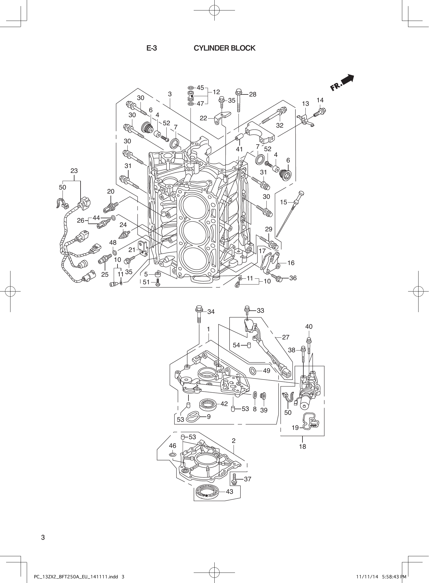
Tohatsu BFT250A CYLINDER BLOCK parts diagram
Fig. E-3 — CYLINDER BLOCK
50 items
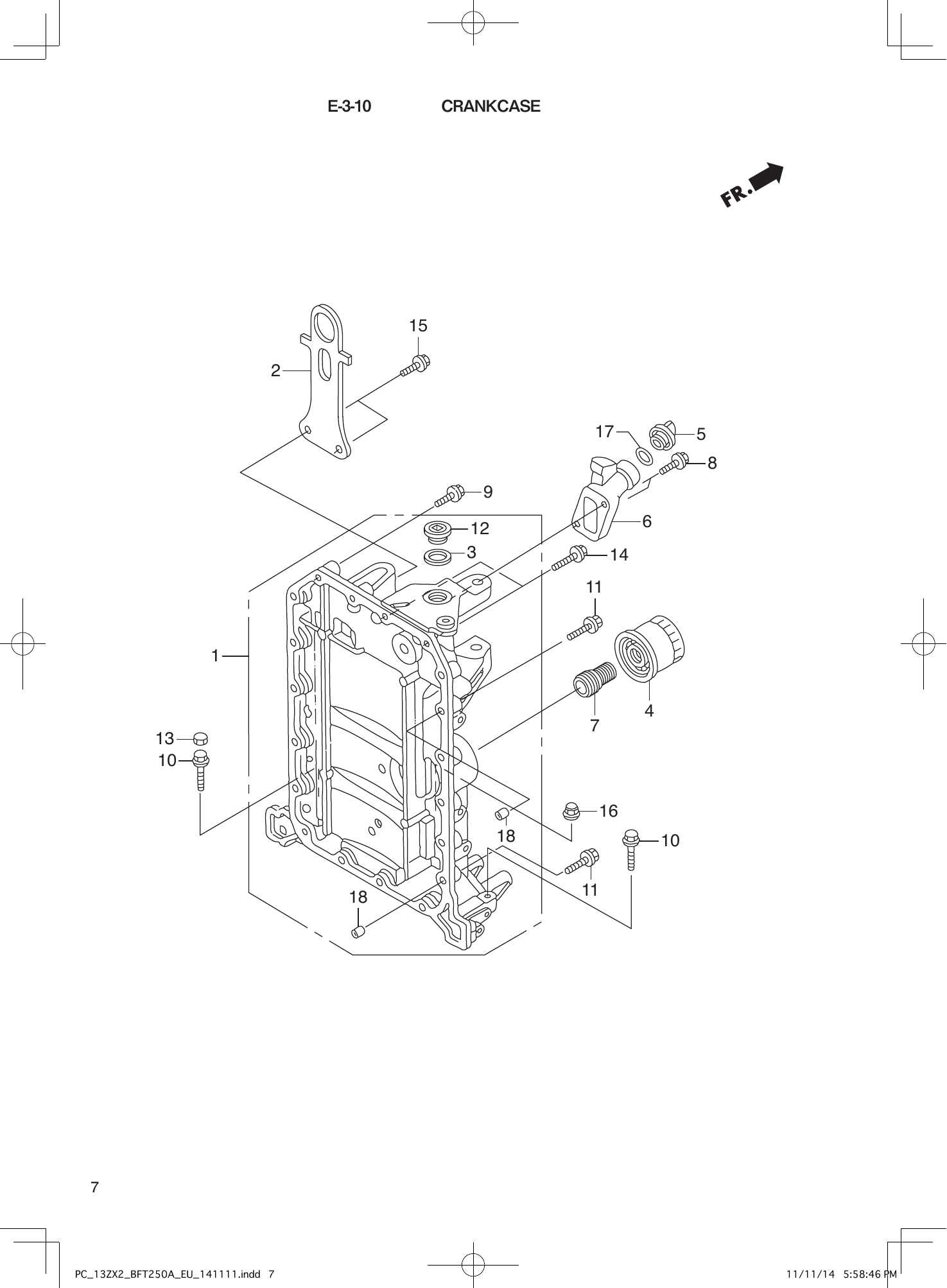
Tohatsu BFT250A CRANKCASE parts diagram
Fig. E-3-10 — CRANKCASE
17 items
Tohatsu BFT250A EXHAUST MANIFOLD/THERMOSTAT parts diagram
Fig. E-4 — EXHAUST MANIFOLD/THERMOSTAT
25 items
Tohatsu BFT250A OIL PUMP/FLYWHEEL parts diagram
Fig. E-5 — OIL PUMP/FLYWHEEL
19 items
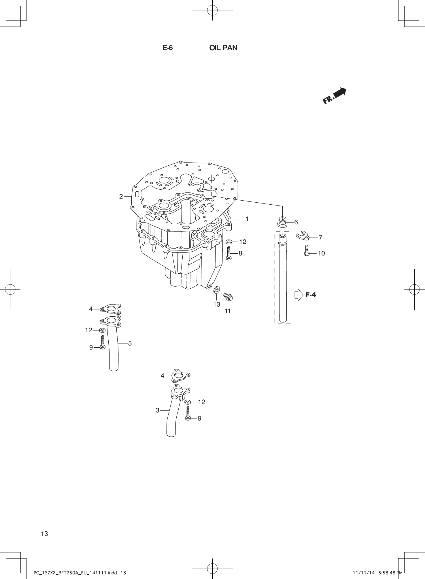
Tohatsu BFT250A OIL PAN parts diagram
Fig. E-6 — OIL PAN
13 items
Tohatsu BFT250A MOUNT CASE parts diagram
Fig. E-6-10 — MOUNT CASE
41 items
Tohatsu BFT250A MOUNT CASE BOLT parts diagram
Fig. E-6-20 — MOUNT CASE BOLT
9 items
Tohatsu BFT250A CRANKSHAFT/PISTON parts diagram
Fig. E-7 — CRANKSHAFT/PISTON
15 items
Tohatsu BFT250A CYLINDER HEAD parts diagram
Fig. E-9 — CYLINDER HEAD
17 items
Tohatsu BFT250A CAMSHAFT/ROCKER ARM parts diagram
Fig. E-9-10 — CAMSHAFT/ROCKER ARM
20 items
Tohatsu BFT250A STERN BRACKET/SWIVEL CASE parts diagram
Fig. F-10 — STERN BRACKET/SWIVEL CASE
73 items
Tohatsu BFT250A POWER TRIM-TILT parts diagram
Fig. F-11 — POWER TRIM-TILT
48 items
Tohatsu BFT250A LABEL parts diagram
Fig. F-12 — LABEL
8 items
Tohatsu BFT250A TOOL parts diagram
Fig. F-13 — TOOL
3 items
Tohatsu BFT250A SHIFT SHAFT parts diagram
Fig. F-2 — SHIFT SHAFT
41 items
Tohatsu BFT250A GEAR CASE parts diagram
Fig. F-3 — GEAR CASE
19 items
Tohatsu BFT250A GEAR CASE ASSY parts diagram
Fig. F-3-10 — GEAR CASE ASSY
1 items
Tohatsu BFT250A EXTENSION CASE parts diagram
Fig. F-3-20 — EXTENSION CASE
53 items
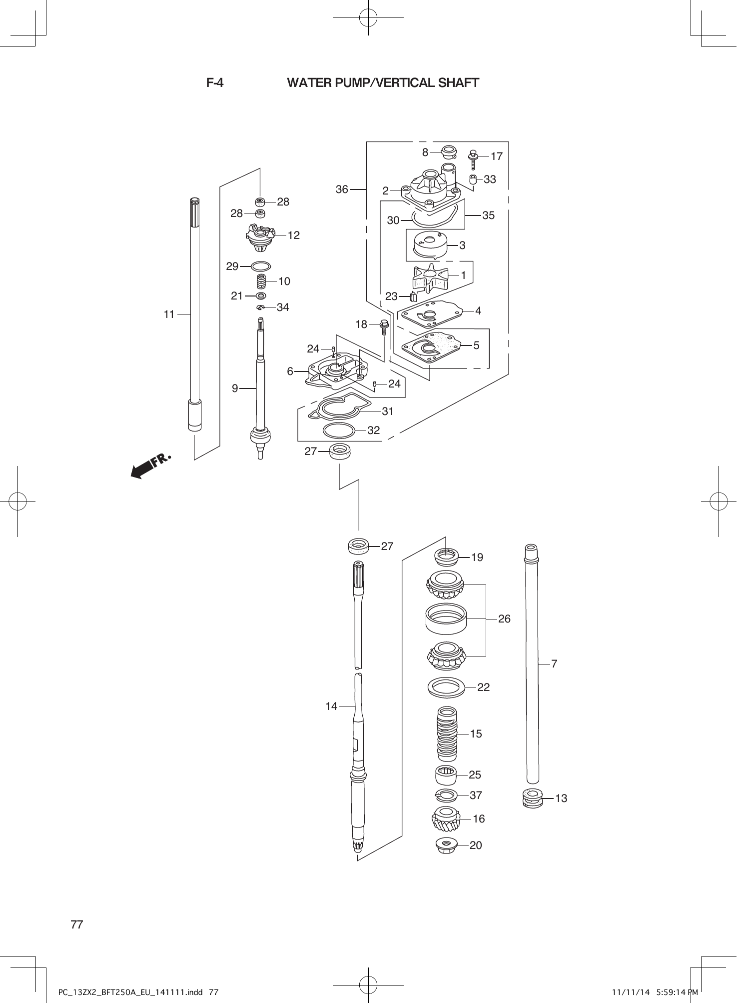
Tohatsu BFT250A WATER PUMP/VERTICAL SHAFT parts diagram
Fig. F-4 — WATER PUMP/VERTICAL SHAFT
35 items
Tohatsu BFT250A PROPELLER SHAFT parts diagram
Fig. F-5 — PROPELLER SHAFT
30 items
Tohatsu BFT250A WIRE HARNESS parts diagram
Fig. F-7 — WIRE HARNESS
5 items
Tohatsu BFT250A STARTER CABLE parts diagram
Fig. F-7-10 — STARTER CABLE
25 items
Tohatsu BFT250A FUSE BOX/RELAY parts diagram
Fig. F-7-20 — FUSE BOX/RELAY
8 items
Tohatsu BFT250A ENGINE COVER parts diagram
Fig. F-8 — ENGINE COVER
13 items
Tohatsu BFT250A FR.COVER BRACKET/FR.LOCK SHAFT parts diagram
Fig. F-8-10 — FR.COVER BRACKET/FR.LOCK SHAFT
38 items
Tohatsu BFT250A FUEL TUBE (2) parts diagram
Fig. F-8-20 — FUEL TUBE (2)
5 items