Catalogs / Tohatsu / Outboard
Tohatsu M115A2, M120A2, M140A2 Parts Catalog
Browse 25 catalog sections for Tohatsu M115A2, M120A2, M140A2. Open a section to view the parts diagram, reference numbers and available products.
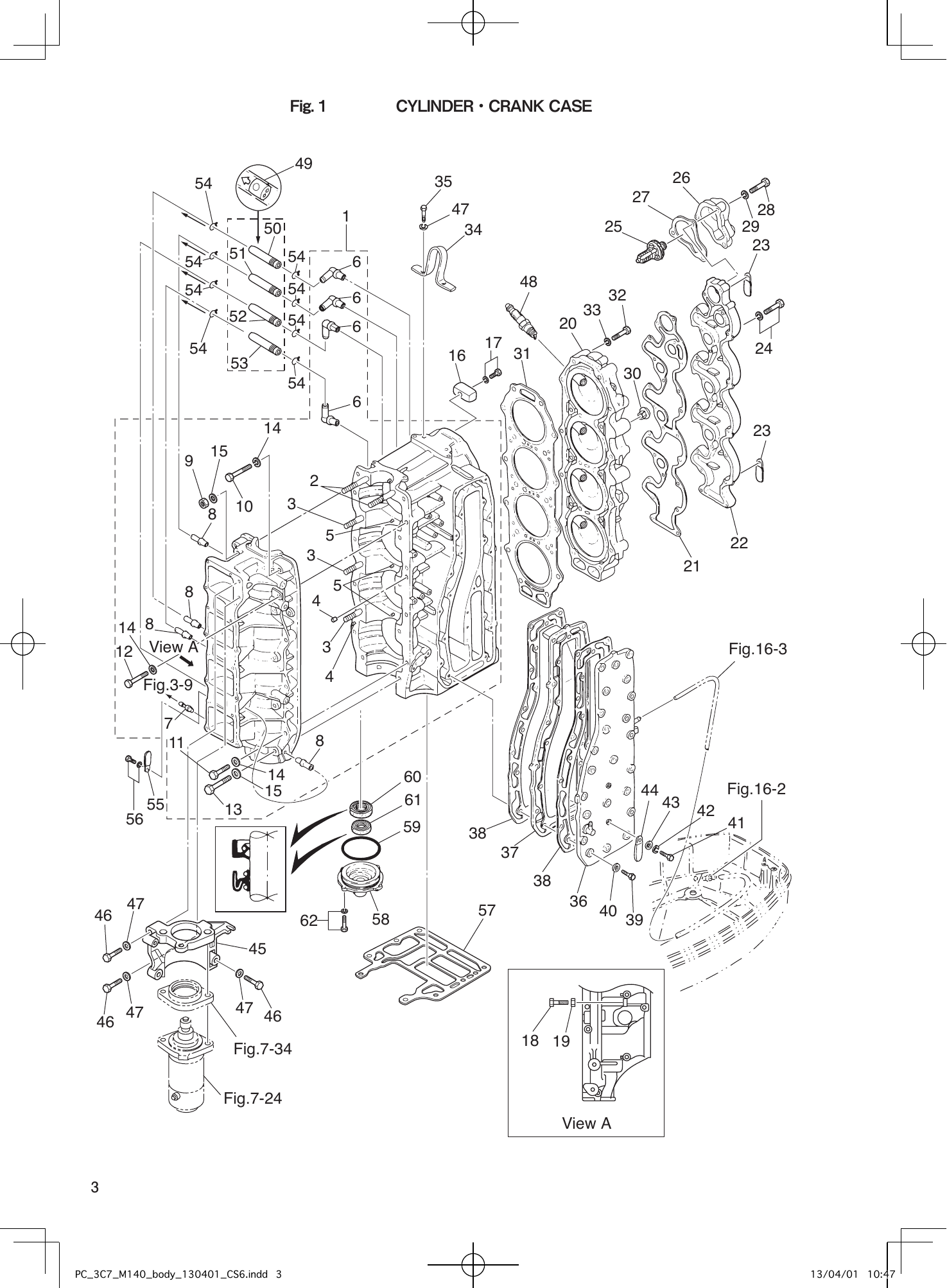
Fig. 1 — CYLINDER・CRANK CASE
62 items
· 5 available products
Fig. 2 — PISTON・CRANK SHAFT
25 items
· 1 available products
Fig. 3 — INTAKE MANIFOLD・REED VALVE
10 items
Fig. 4 — INTAKE SILENCER・CARBURETOR
59 items
· 1 available products
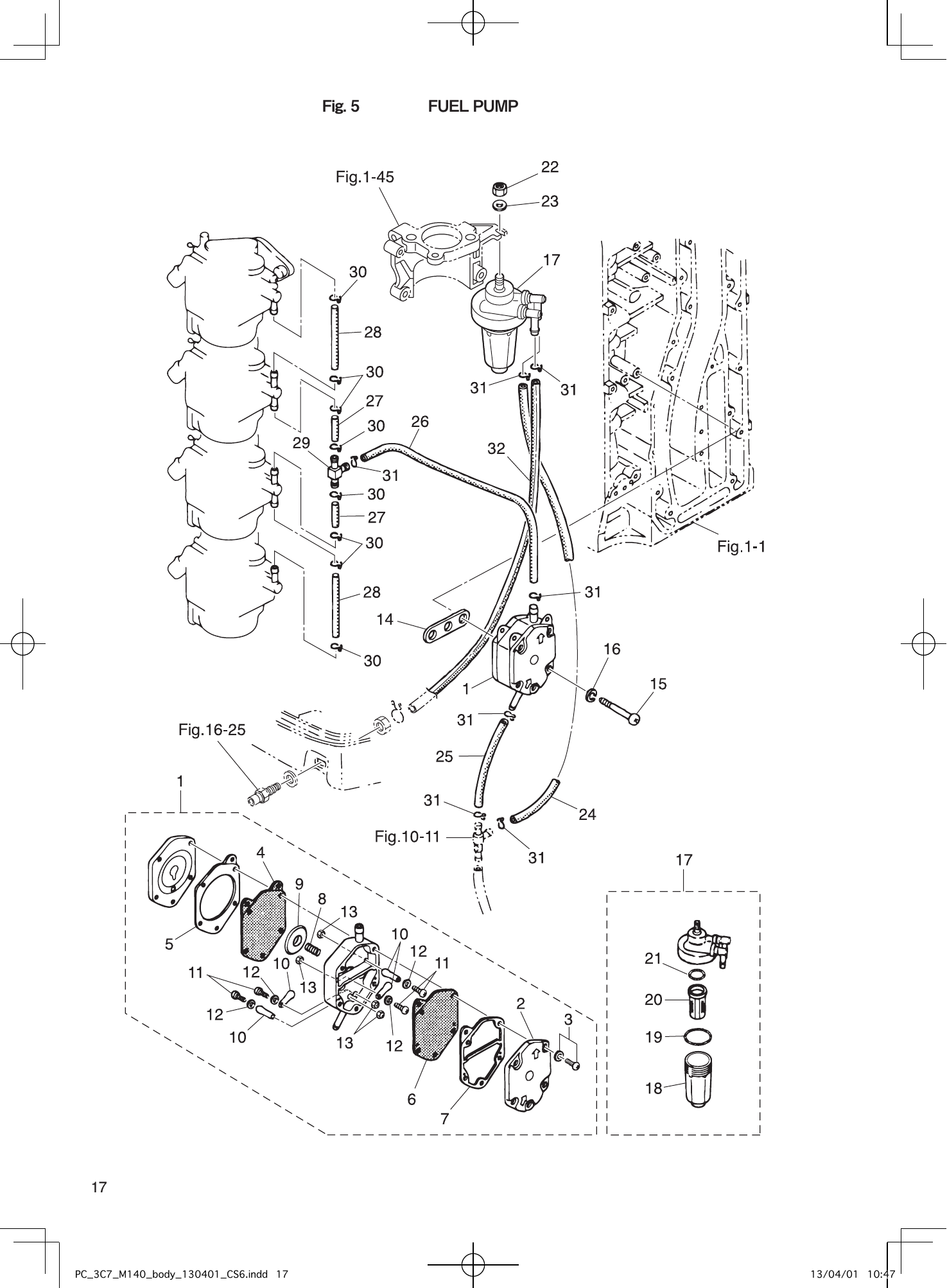
Fig. 5 — FUEL PUMP
32 items
· 4 available products
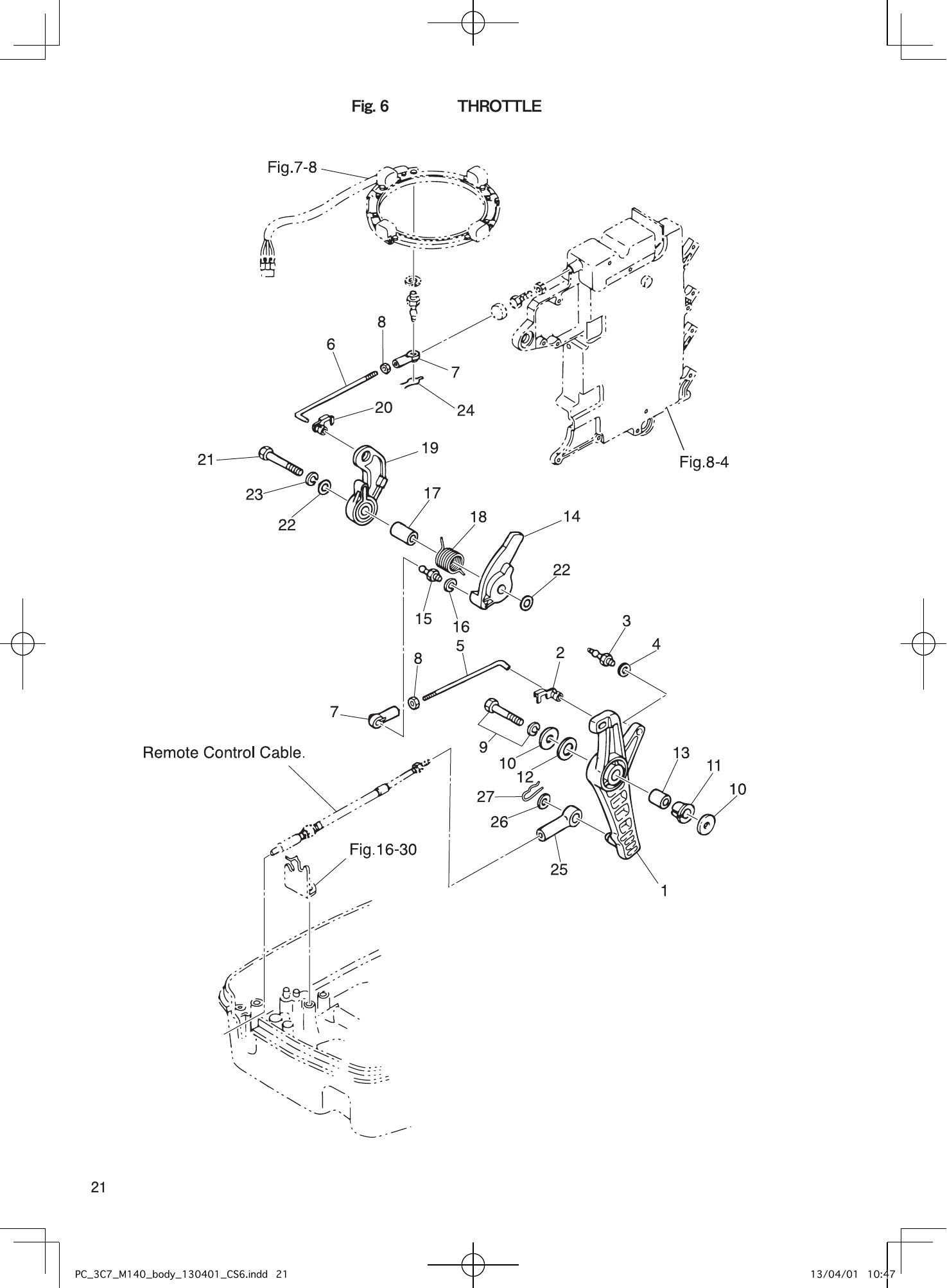
Fig. 6 — THROTTLE
27 items
· 1 available products
Fig. 7 — MAGNETO・STARTER MOTOR
42 items
Fig. 8 — ELECTRIC PARTS (C.D. UNIT)
27 items
· 1 available products
Fig. 9 — ELECTRIC PARTS (DIAGRAM)
35 items
Fig. 10 — OIL PUMP
36 items
· 3 available products
Fig. 11 — DRIVE SHAFT HOUSING
36 items
· 6 available products
Fig. 12 — GEAR CASE (DRIVE SHAFT)
69 items
· 7 available products
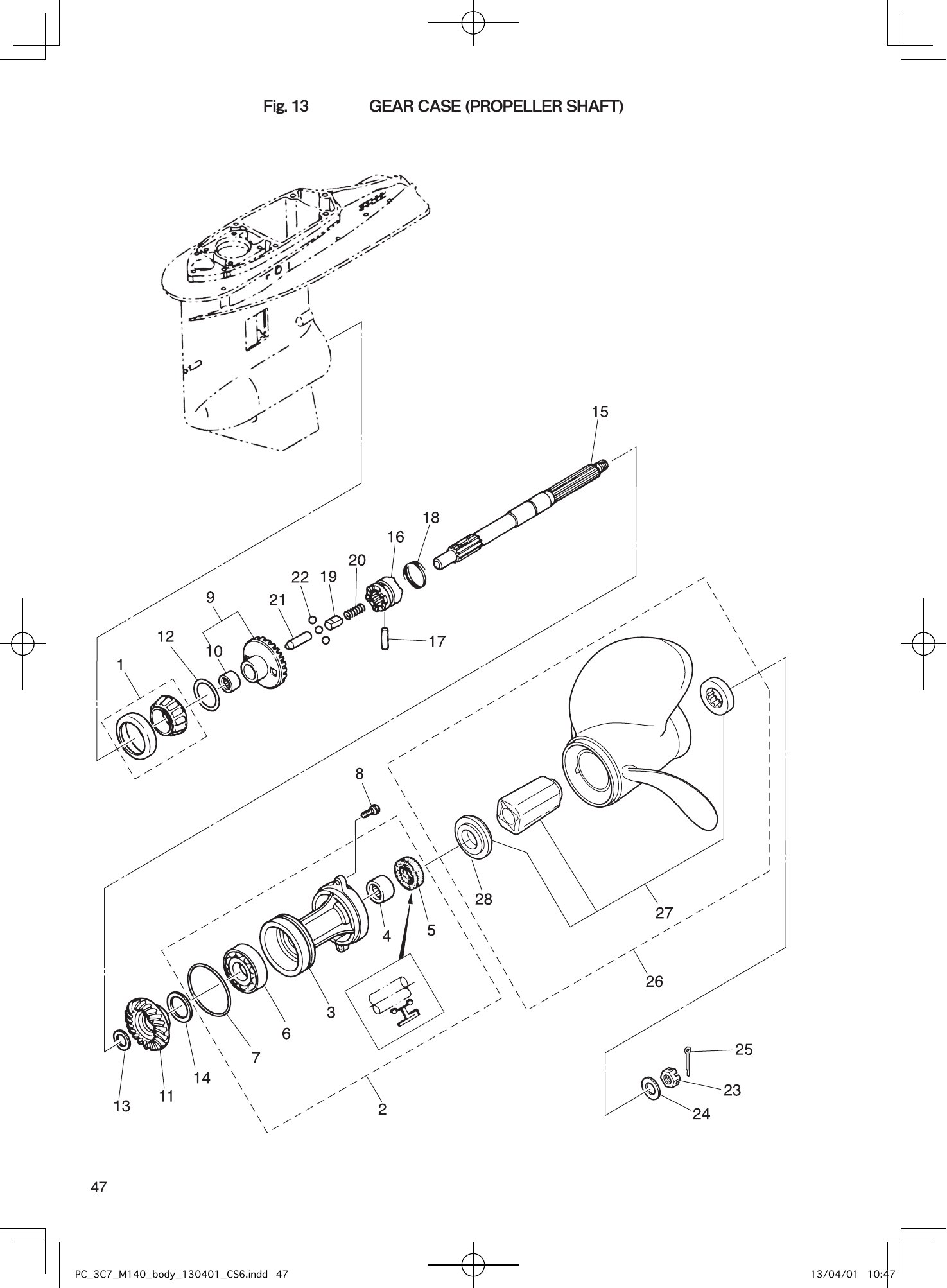
Fig. 13 — GEAR CASE (PROPELLER SHAFT)
38 items
· 3 available products
Fig. 14 — BRACKET
86 items
· 9 available products
Fig. 15 — POWER TRIM & TILT
46 items
Fig. 16 — BOTTOM COWL
37 items
· 1 available products
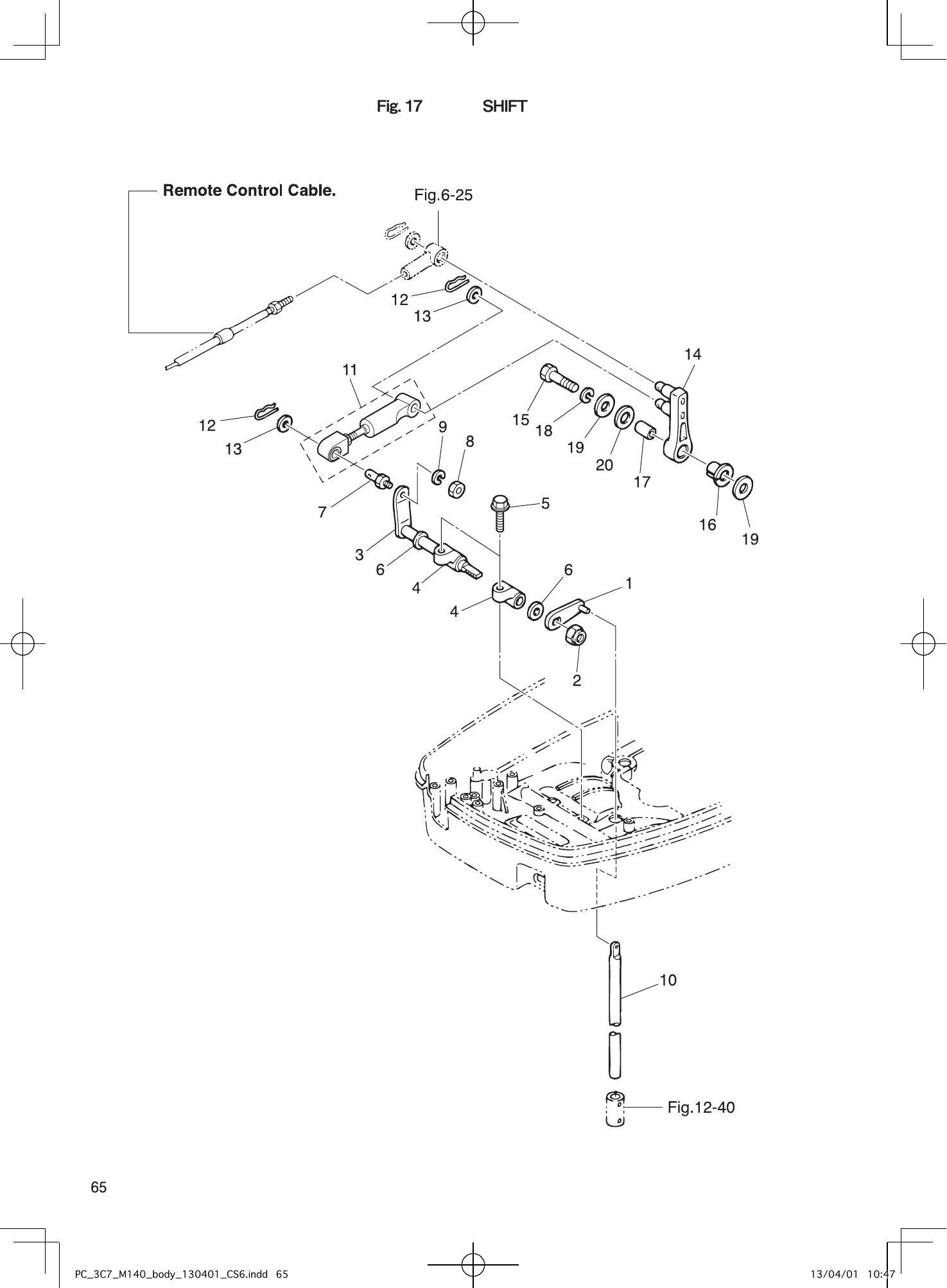
Fig. 17 — SHIFT
20 items
· 2 available products
Fig. 18 — TOP COWL
28 items
· 2 available products
Fig. 19 — FUEL TANK
18 items
· 4 available products
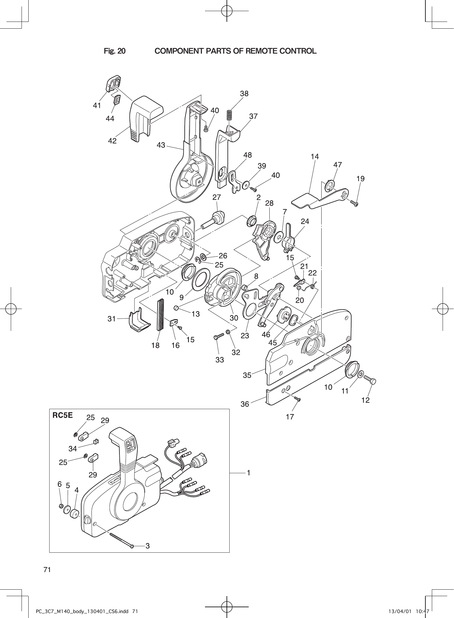
Fig. 20 — COMPONENT PARTS OF REMOTE CONTROL
48 items
· 1 available products
Fig. 21 — COMPONENT PARTS OF REMOTE CONTROL (ELECTRIC PARTS)
19 items
· 2 available products
Fig. 22 — ACCESSORIES
12 items
Fig. 23 — OPTIONAL PARTS (1)
47 items
· 1 available products
Fig. 24 — OPTIONAL PARTS (2)
21 items
· 1 available products
Fig. 25 — ASSEMBLY・KIT PARTS
88 items
· 10 available products