Catalogs / Tohatsu / Outboard
Tohatsu M40C Parts Catalog
Browse 22 catalog sections for Tohatsu M40C. Open a section to view the parts diagram, reference numbers and available products.
Fig. 1 — CYLINDER・CRANK CASE
81 items
· 6 available products
Fig. 2 — PISTON・CRANK SHAFT
34 items
· 9 available products
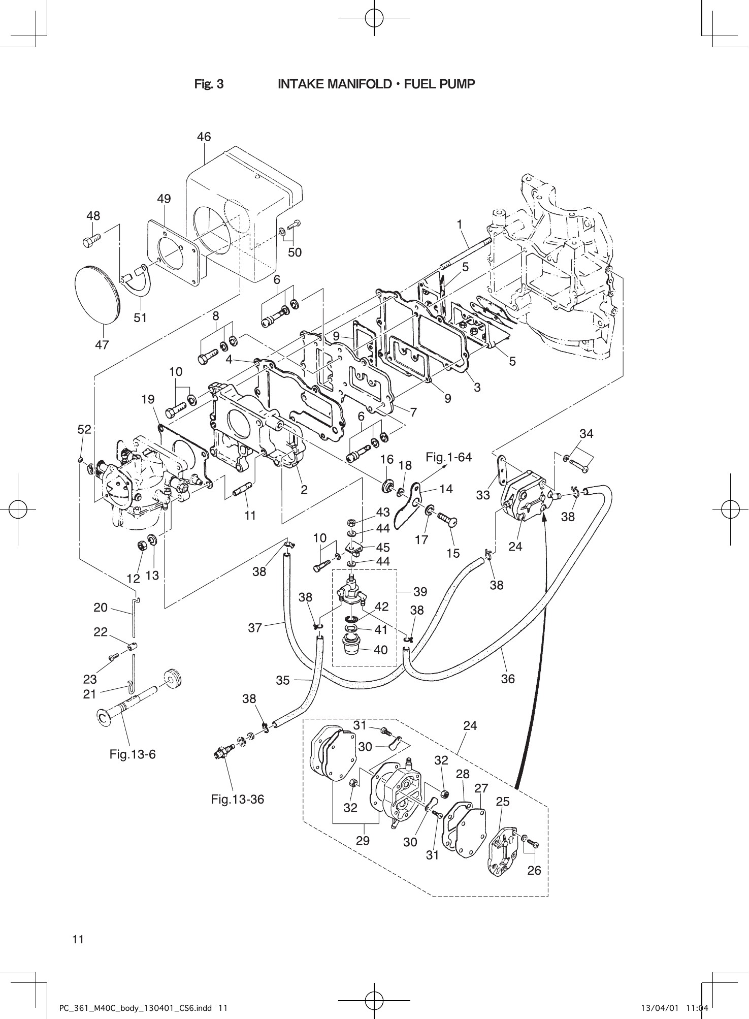
Fig. 3 — INTAKE MANIFOLD・FUEL PUMP
52 items
· 7 available products
Fig. 4 — CARBURETOR
27 items
Fig. 5 — RECOIL STARTER
39 items
· 8 available products
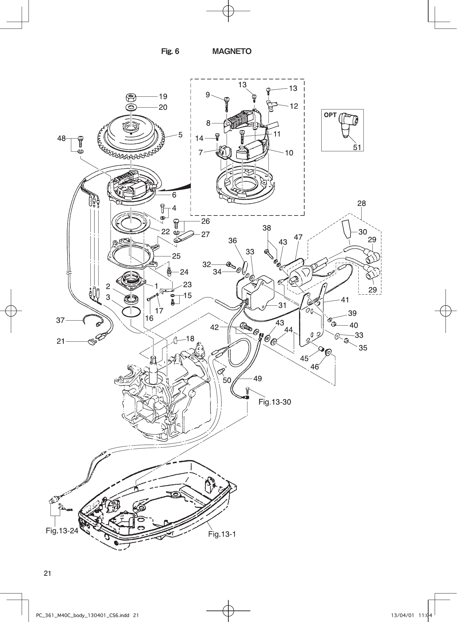
Fig. 6 — MAGNETO
51 items
· 5 available products
Fig. 7 — ELECTRIC PARTS
54 items
· 2 available products
Fig. 8 — DRIVE SHAFT HOUSING
24 items
· 5 available products
Fig. 9 — GEAR CASE (DRIVE SHAFT)
47 items
· 10 available products
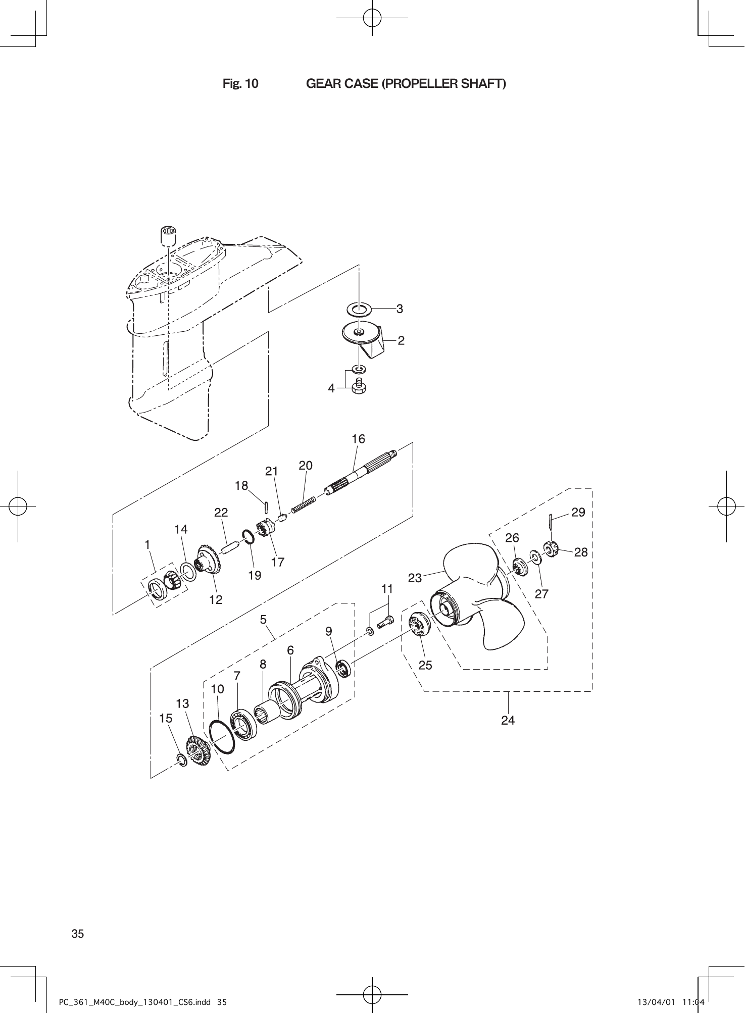
Fig. 10 — GEAR CASE (PROPELLER SHAFT)
38 items
· 12 available products
Fig. 11 — BRACKET
83 items
· 20 available products
Fig. 12 — TILLER HANDLE
28 items
· 1 available products
Fig. 13 — BOTTOM COWL
40 items
· 8 available products
Fig. 14 — SHIFT
17 items
· 1 available products
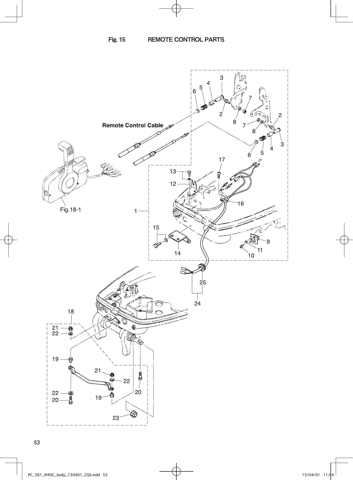
Fig. 15 — REMOTE CONTROL PARTS
26 items
· 2 available products
Fig. 16 — TOP COWL
11 items
Fig. 17 — FUEL TANK
17 items
· 4 available products
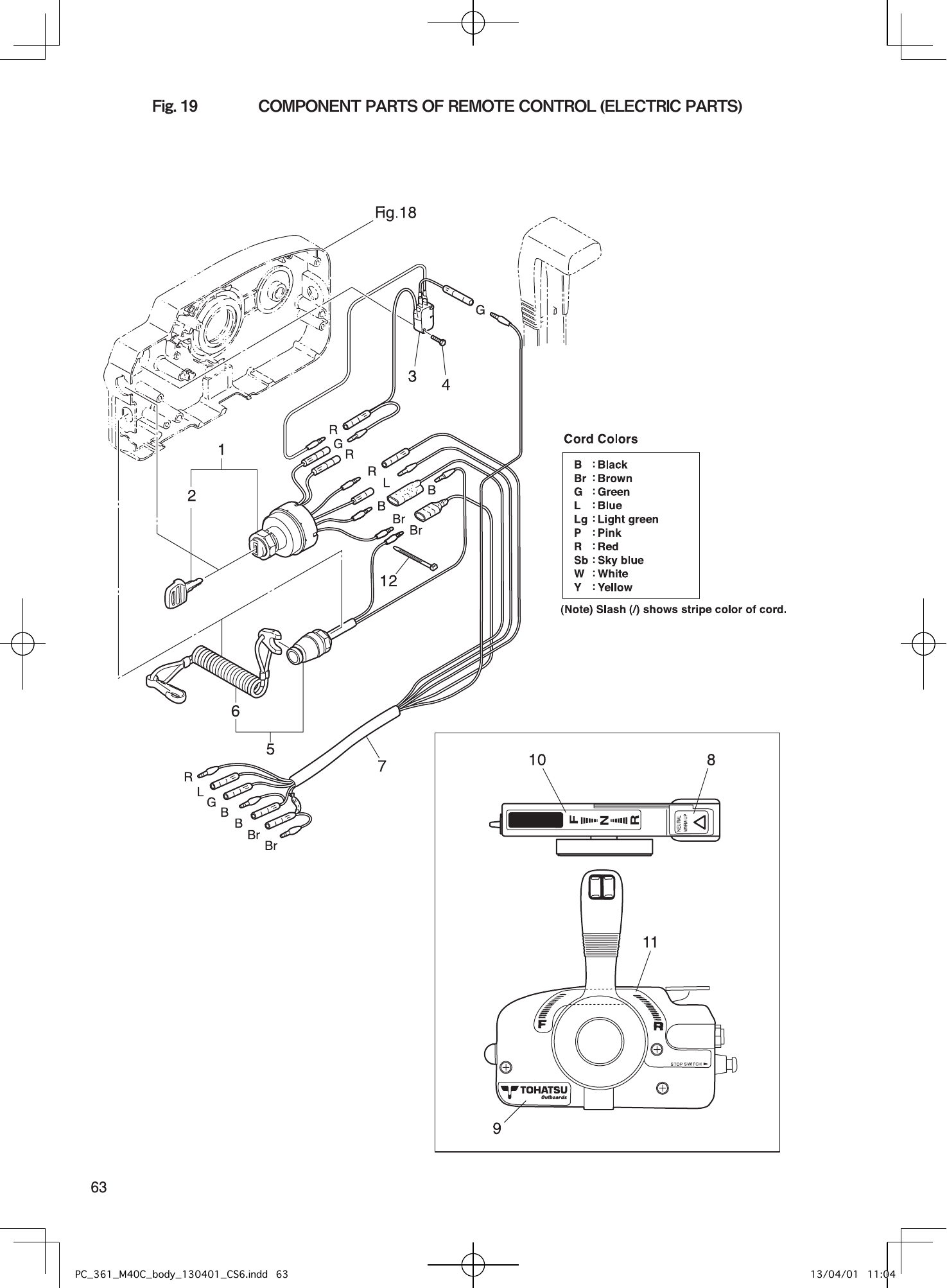
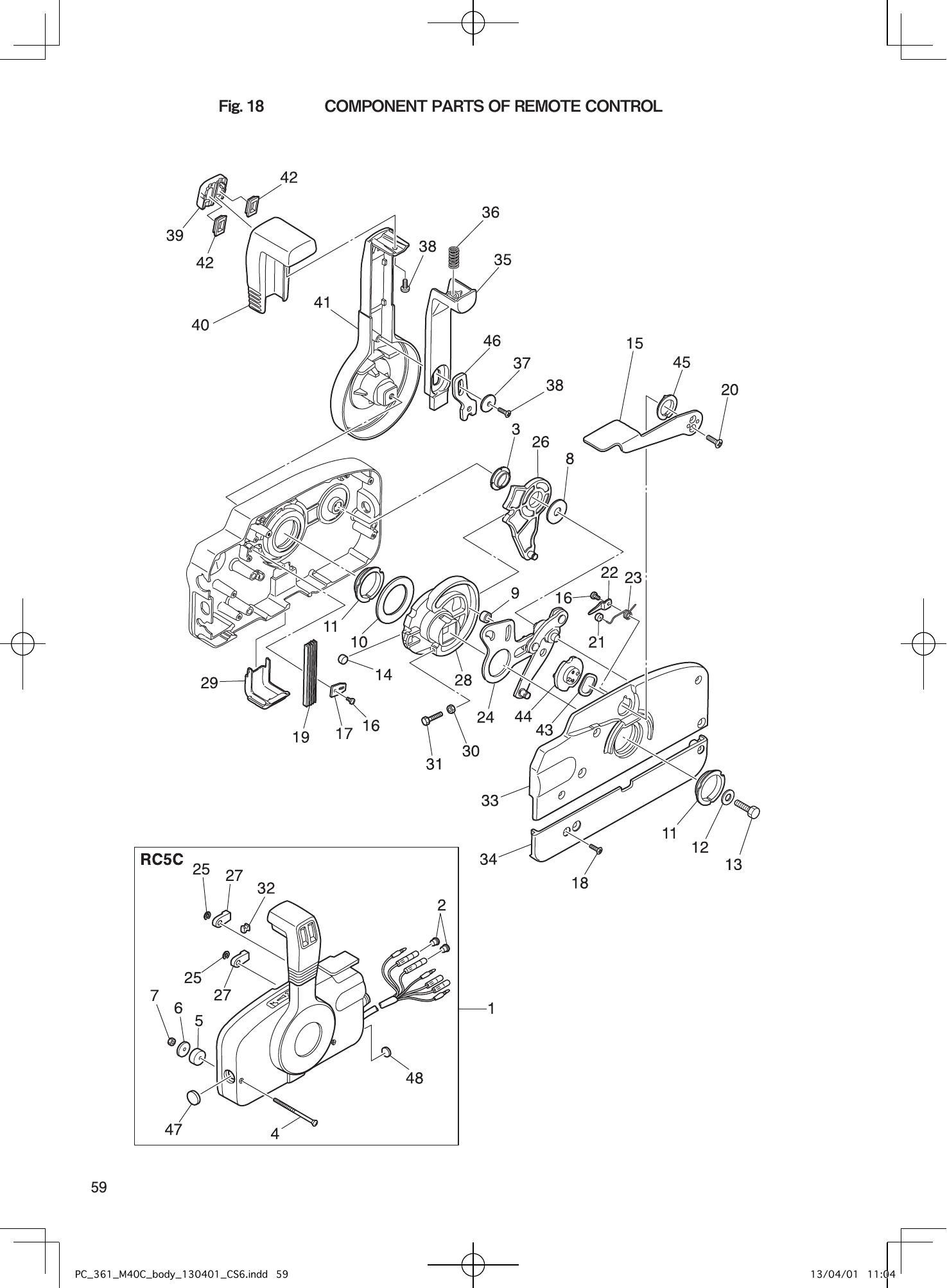
Fig. 18 — COMPONENT PARTS OF REMOTE CONTROL
48 items
· 1 available products
Fig. 19 — COMPONENT PARTS OF REMOTE CONTROL (ELECTRIC PARTS)
14 items
· 1 available products
Fig. 20 — OPTIONAL PARTS・ACCESSORIES (1)
39 items
· 3 available products
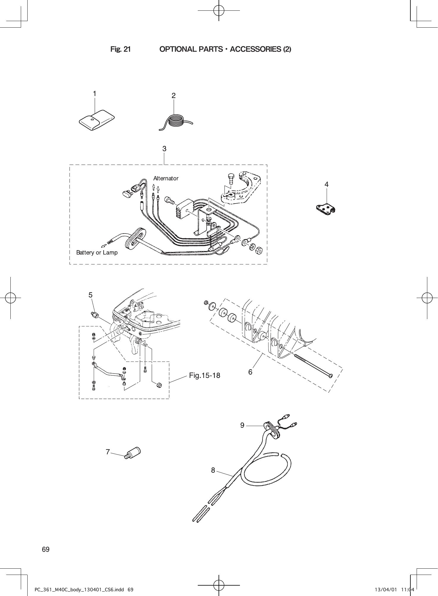
Fig. 21 — OPTIONAL PARTS・ACCESSORIES (2)
9 items
· 1 available products
Fig. 22 — ASSEMBLY・KIT PARTS
161 items
· 16 available products