Catalogs / Tohatsu / Outboard

Tohatsu M40D2 Parts Catalog

Browse 33 catalog sections for Tohatsu M40D2. Open a section to view the parts diagram, reference numbers and available products.

Tohatsu M40D2 CYLINDER・CRANK CASE parts diagram
Fig. 1 — CYLINDER・CRANK CASE
72 items · 9 available products
Tohatsu M40D2 PISTON・CRANK SHAFT parts diagram
Fig. 2 — PISTON・CRANK SHAFT
47 items · 14 available products
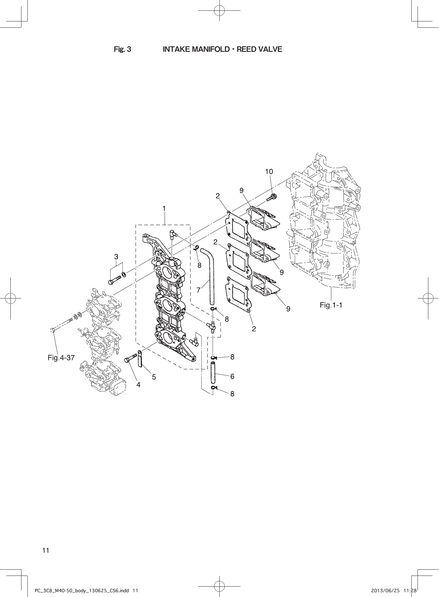
Tohatsu M40D2 INTAKE MANIFOLD・REED VALVE parts diagram
Fig. 3 — INTAKE MANIFOLD・REED VALVE
13 items · 1 available products
Tohatsu M40D2 INTAKE SILENCER・CARBURETOR parts diagram
Fig. 4 — INTAKE SILENCER・CARBURETOR
66 items · 13 available products
Tohatsu M40D2 FUEL LINE parts diagram
Fig. 5 — FUEL LINE
18 items · 2 available products
Tohatsu M40D2 THROTTLE parts diagram
Fig. 6 — THROTTLE
36 items · 4 available products
Tohatsu M40D2 RECOIL STARTER parts diagram
Fig. 7 — RECOIL STARTER
39 items · 1 available products
Tohatsu M40D2 MAGNETO parts diagram
Fig. 8 — MAGNETO
27 items · 2 available products
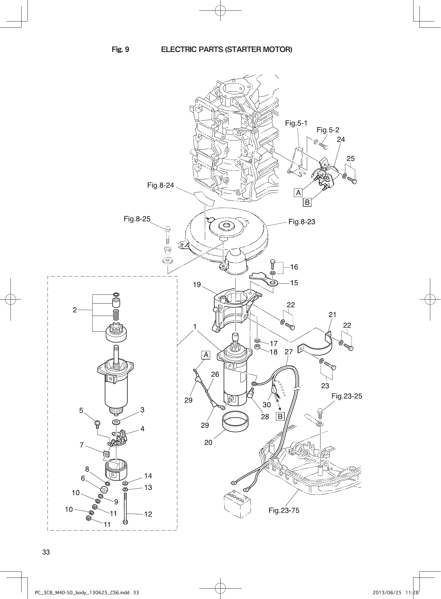
Tohatsu M40D2 ELECTRIC PARTS (STARTER MOTOR) parts diagram
Fig. 9 — ELECTRIC PARTS (STARTER MOTOR)
32 items · 2 available products
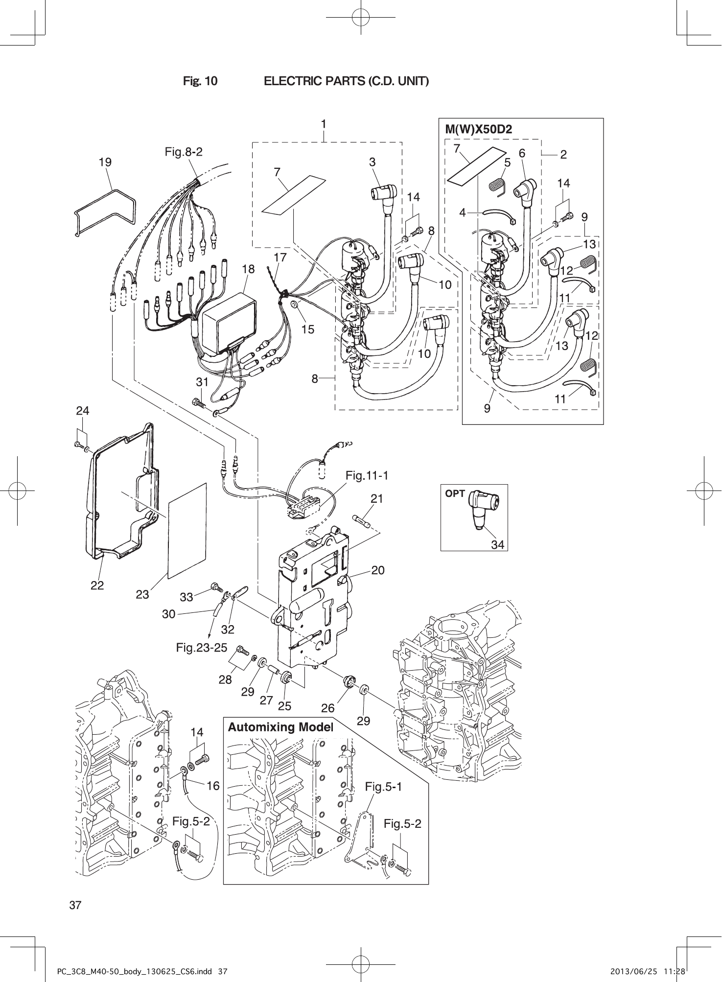
Tohatsu M40D2 ELECTRIC PARTS (C.D. UNIT) parts diagram
Fig. 10 — ELECTRIC PARTS (C.D. UNIT)
35 items · 3 available products
Tohatsu M40D2 ELECTRIC PARTS (DIAGRAM) parts diagram
Fig. 11 — ELECTRIC PARTS (DIAGRAM)
25 items · 3 available products
Tohatsu M40D2 OIL PUMP (AUTO MIXING MODEL) parts diagram
Fig. 12 — OIL PUMP (AUTO MIXING MODEL)
35 items · 5 available products
Tohatsu M40D2 DRIVE SHAFT HOUSING parts diagram
Fig. 13 — DRIVE SHAFT HOUSING
36 items · 9 available products
Tohatsu M40D2 GEAR CASE (DRIVE SHAFT)M40/50D2・MX50D2 parts diagram
Fig. 14 — GEAR CASE (DRIVE SHAFT)M40/50D2・MX50D2
60 items · 10 available products
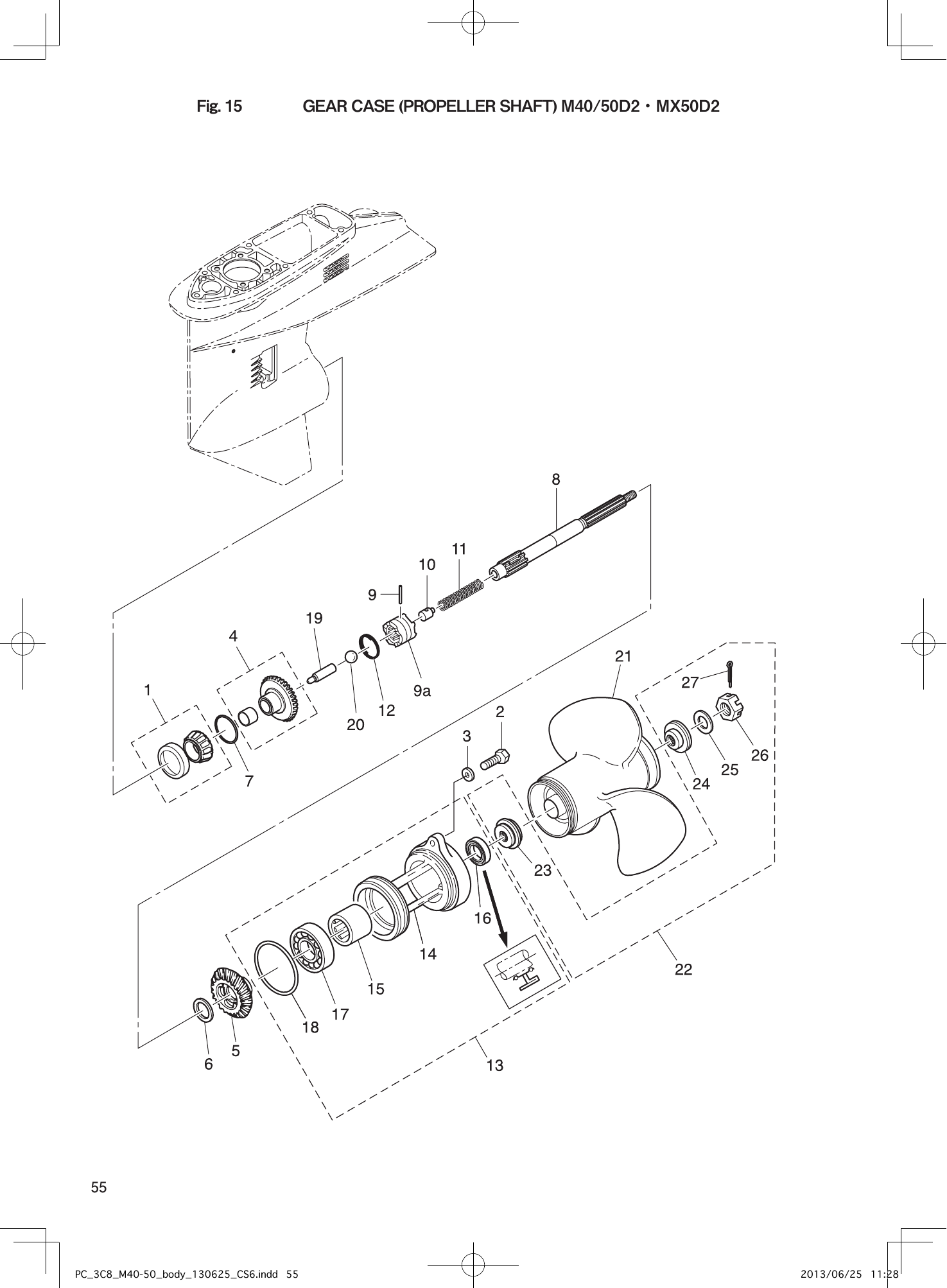
Tohatsu M40D2 GEAR CASE (PROPELLER SHAFT) M40/50D2・MX50D2 parts diagram
Fig. 15 — GEAR CASE (PROPELLER SHAFT) M40/50D2・MX50D2
35 items · 10 available products
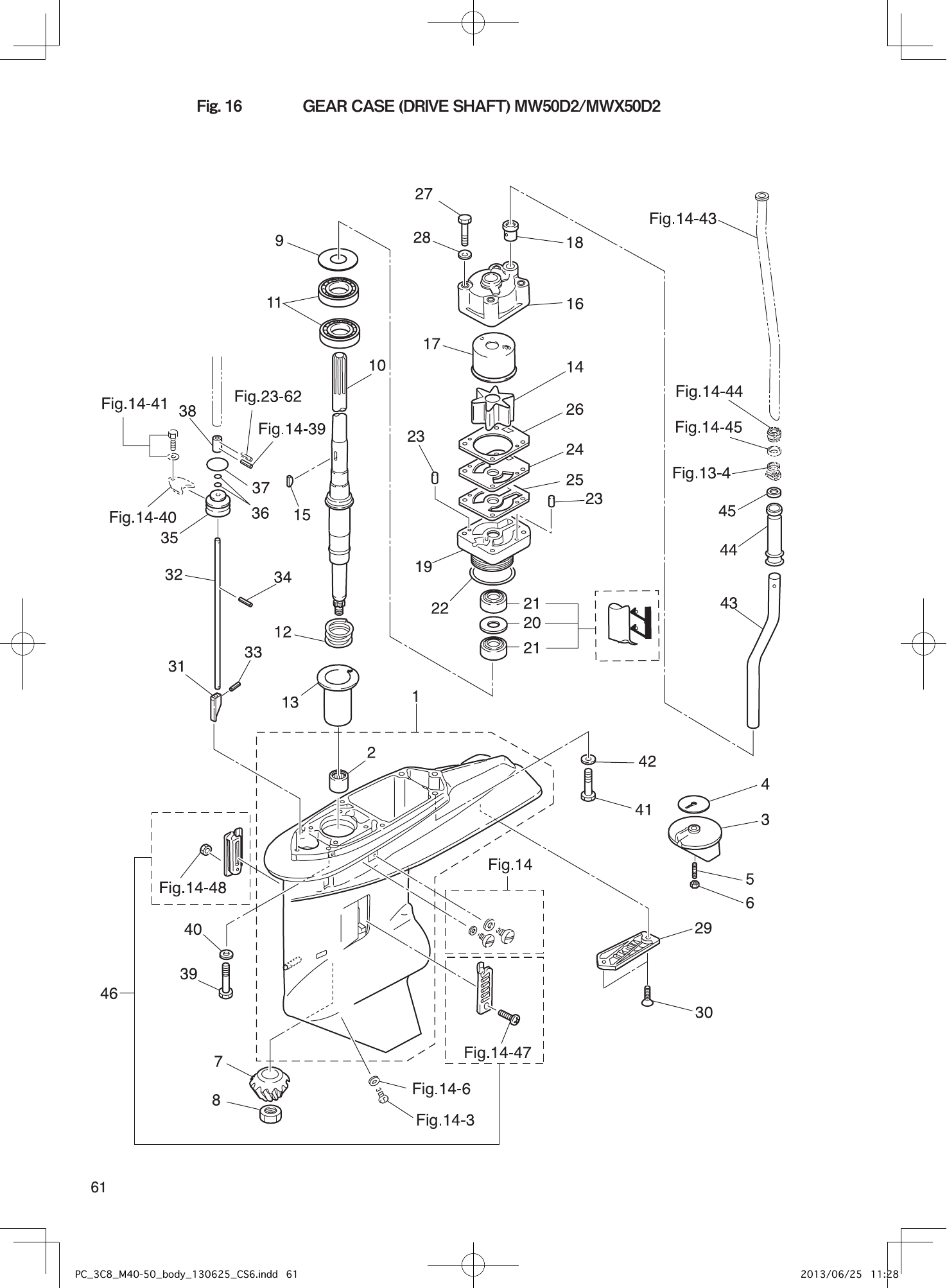
Tohatsu M40D2 GEAR CASE (DRIVE SHAFT) MW50D2/MWX50D2 parts diagram
Fig. 16 — GEAR CASE (DRIVE SHAFT) MW50D2/MWX50D2
48 items · 7 available products
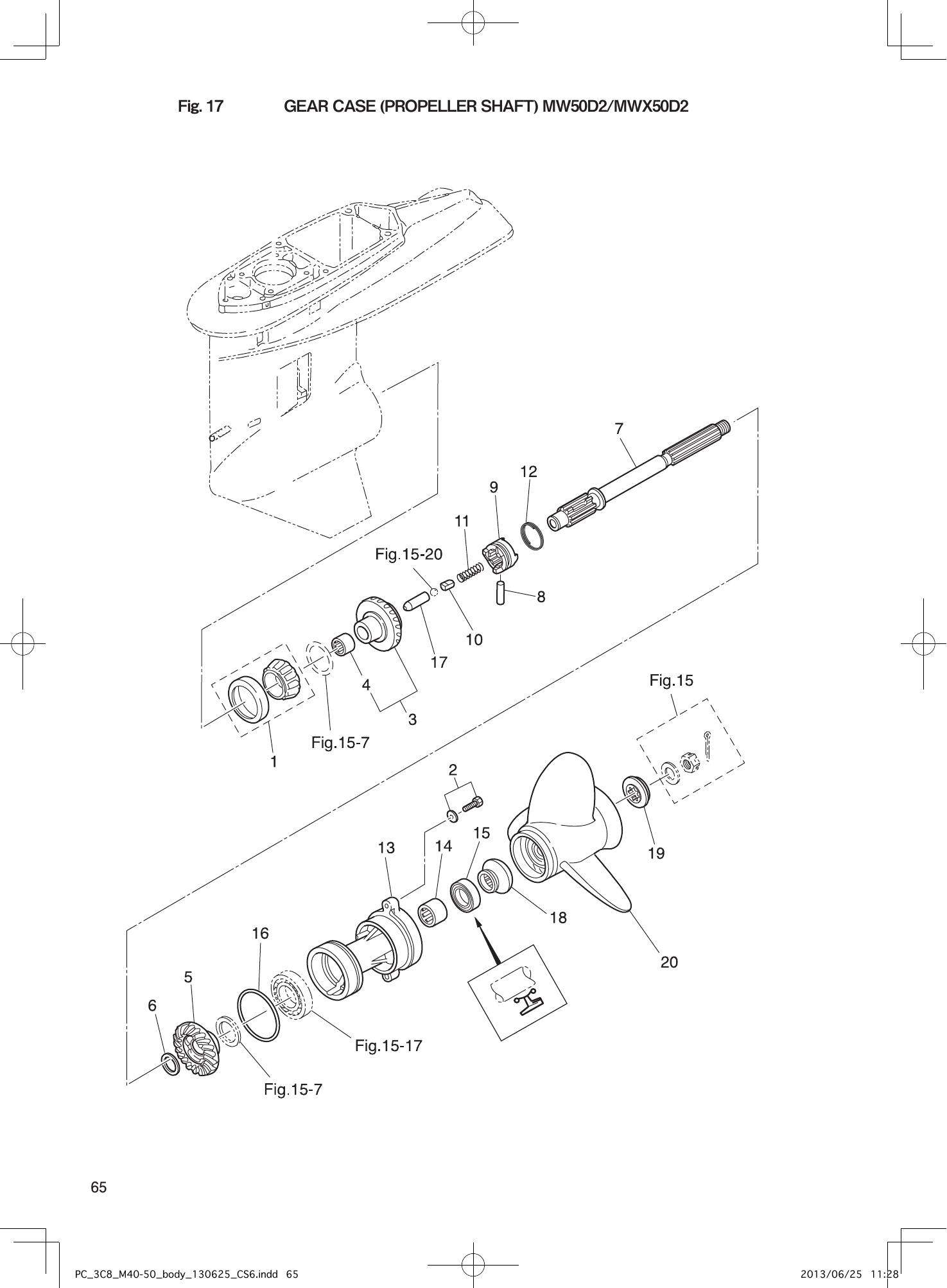
Tohatsu M40D2 GEAR CASE (PROPELLER SHAFT) MW50D2/MWX50D2 parts diagram
Fig. 17 — GEAR CASE (PROPELLER SHAFT) MW50D2/MWX50D2
30 items
Tohatsu M40D2 BRACKET (MANUAL TILT) parts diagram
Fig. 18 — BRACKET (MANUAL TILT)
66 items · 17 available products
Tohatsu M40D2 MANUAL TILT parts diagram
Fig. 19 — MANUAL TILT
25 items · 4 available products
Tohatsu M40D2 BRACKET (POWER TRIM & TILT) parts diagram
Fig. 20 — BRACKET (POWER TRIM & TILT)
47 items · 4 available products
Tohatsu M40D2 POWER TRIM & TILT parts diagram
Fig. 21 — POWER TRIM & TILT
28 items · 1 available products
Tohatsu M40D2 TILLER HANDLE (F TYPE) parts diagram
Fig. 22 — TILLER HANDLE (F TYPE)
34 items · 4 available products
Tohatsu M40D2 BOTTOM COWL・SHIFT parts diagram
Fig. 23 — BOTTOM COWL・SHIFT
90 items · 12 available products
Tohatsu M40D2 TOP COWL parts diagram
Fig. 24 — TOP COWL
27 items · 2 available products
Tohatsu M40D2 FUEL TANK parts diagram
Fig. 25 — FUEL TANK
17 items · 4 available products
Tohatsu M40D2 COMPONENT PARTS OF REMOTE CONTROL parts diagram
Fig. 26 — COMPONENT PARTS OF REMOTE CONTROL
51 items · 1 available products
Tohatsu M40D2 COMPONENT PARTS OF REMOTE CONTROL (ELECTRIC PARTS) parts diagram
Fig. 27 — COMPONENT PARTS OF REMOTE CONTROL (ELECTRIC PARTS)
19 items · 2 available products
Tohatsu M40D2 ACCESSORIES parts diagram
Fig. 28 — ACCESSORIES
29 items
Tohatsu M40D2 OPTIONAL PARTS (1) parts diagram
Fig. 29 — OPTIONAL PARTS (1)
59 items · 3 available products
Tohatsu M40D2 OPTIONAL PARTS (2) parts diagram
Fig. 30 — OPTIONAL PARTS (2)
21 items
Tohatsu M40D2 OPTIONAL PARTS (3) parts diagram
Fig. 31 — OPTIONAL PARTS (3)
19 items · 1 available products
Tohatsu M40D2 OPTIONAL PARTS (4) parts diagram
Fig. 32 — OPTIONAL PARTS (4)
4 items
Tohatsu M40D2 ASSEMBLY・KIT PARTS parts diagram
Fig. 33 — ASSEMBLY・KIT PARTS
116 items · 21 available products