Catalogs / Tohatsu / Outboard
Tohatsu M4C, M2.5A2, M3.5B2, M3.5A2, M5B Parts Catalog
Browse 16 catalog sections for Tohatsu M4C, M2.5A2, M3.5B2, M3.5A2, M5B. Open a section to view the parts diagram, reference numbers and available products.
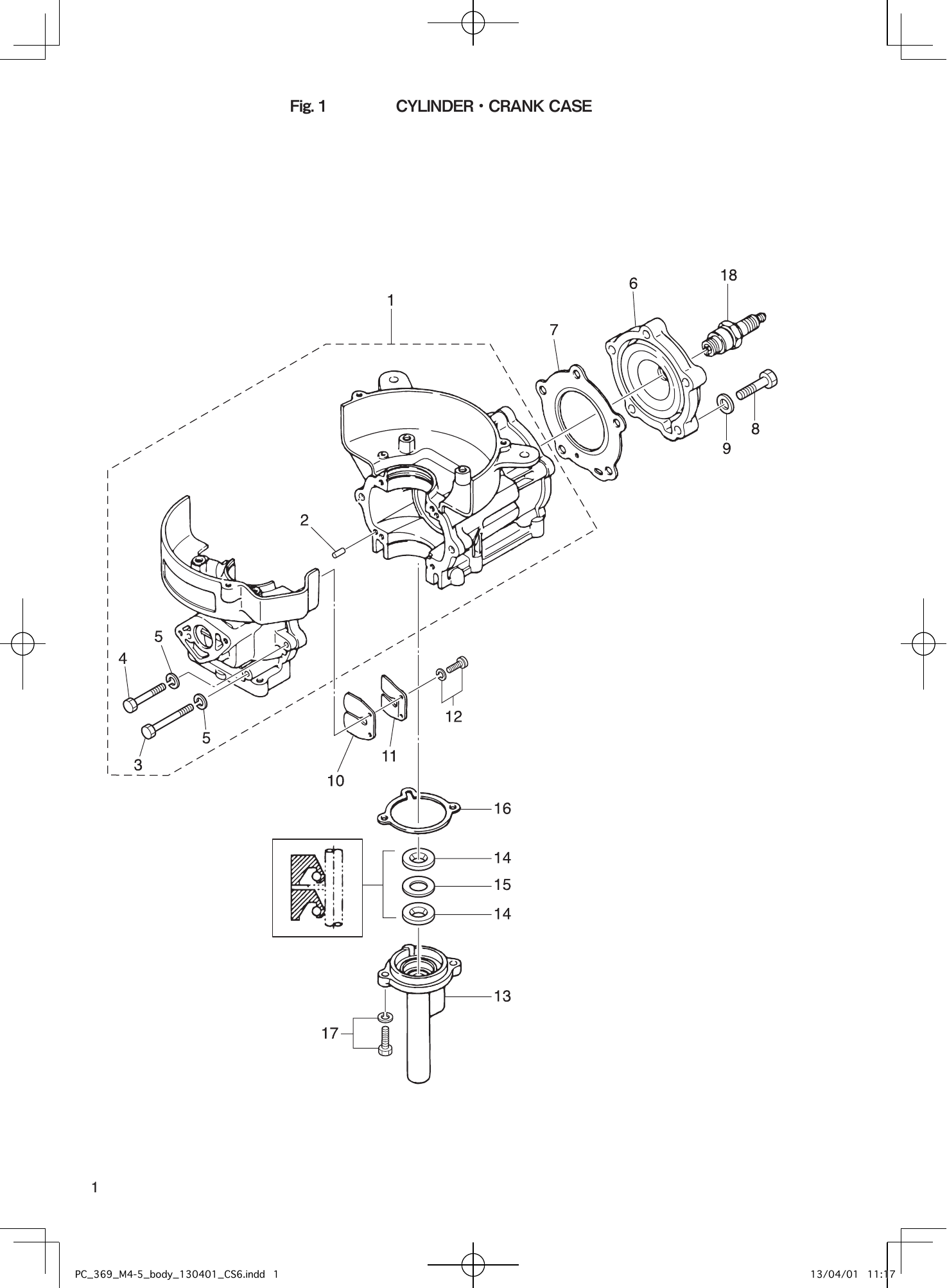
Fig. 1 — CYLINDER・CRANK CASE
19 items
· 2 available products
Fig. 2 — PISTON・CRANK SHAFT
21 items
· 9 available products
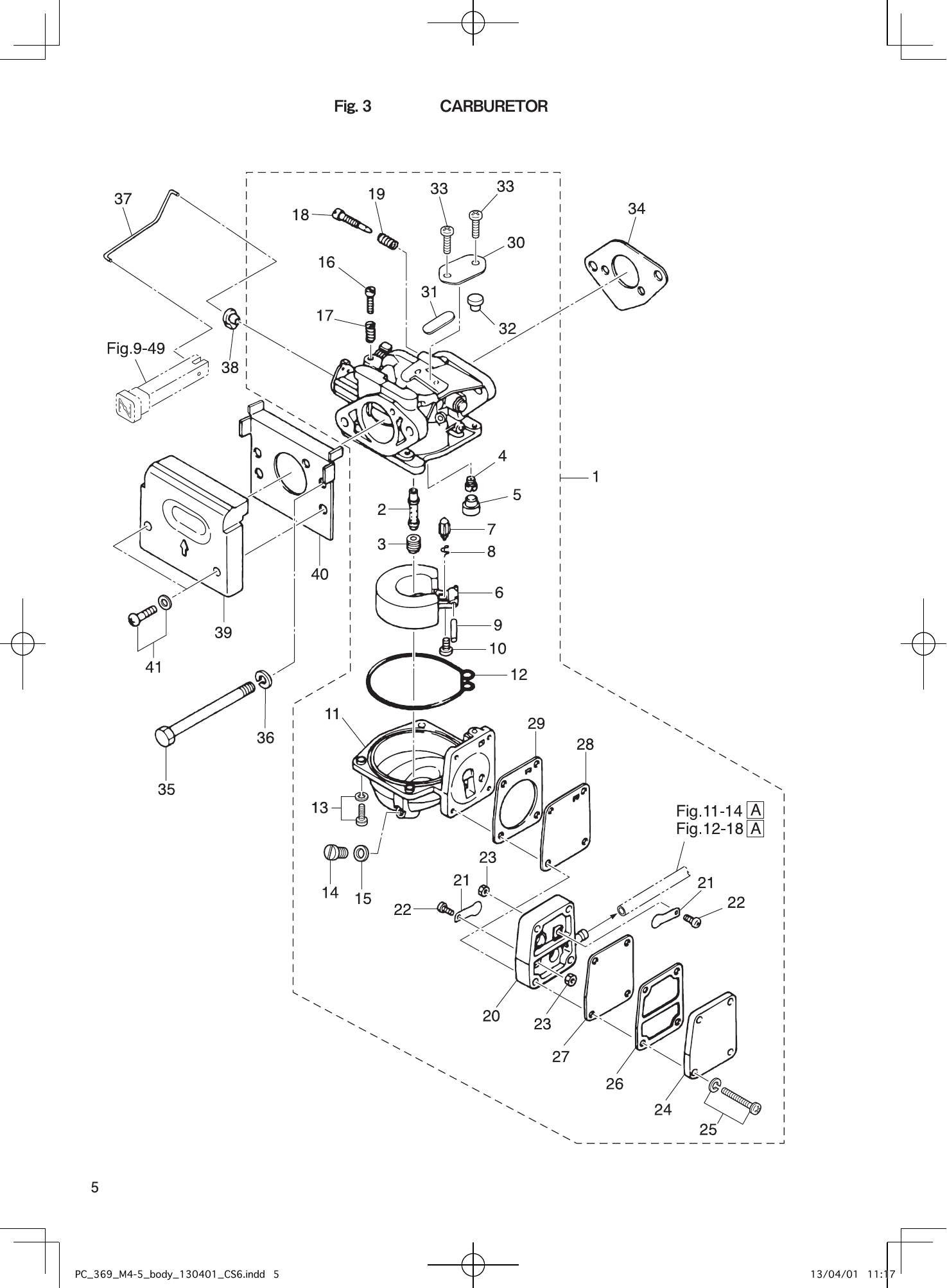
Fig. 3 — CARBURETOR
44 items
· 7 available products
Fig. 4 — RECOIL STARTER・STARTER LOCK
32 items
· 1 available products
Fig. 5 — MAGNETO
19 items
· 2 available products
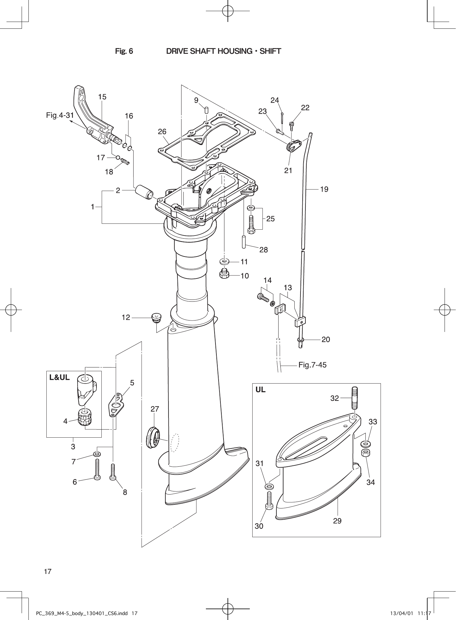
Fig. 6 — DRIVE SHAFT HOUSING・SHIFT
36 items
· 6 available products
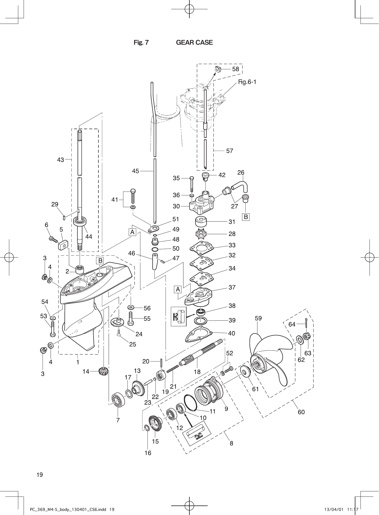
Fig. 7 — GEAR CASE
75 items
· 15 available products
Fig. 8 — BRACKET・REVERSE LOCK ARM
41 items
· 7 available products
Fig. 9 — BOTTOM COWL・TILLER HANDLE
58 items
· 6 available products
Fig. 10 — TOP COWL
7 items
Fig. 11 — INTEGRAL FUEL TANK(M5B-D・M5B・M4C)
16 items
· 5 available products
Fig. 12 — SEPARATE FUEL TANK・DUAL FUEL
28 items
· 5 available products
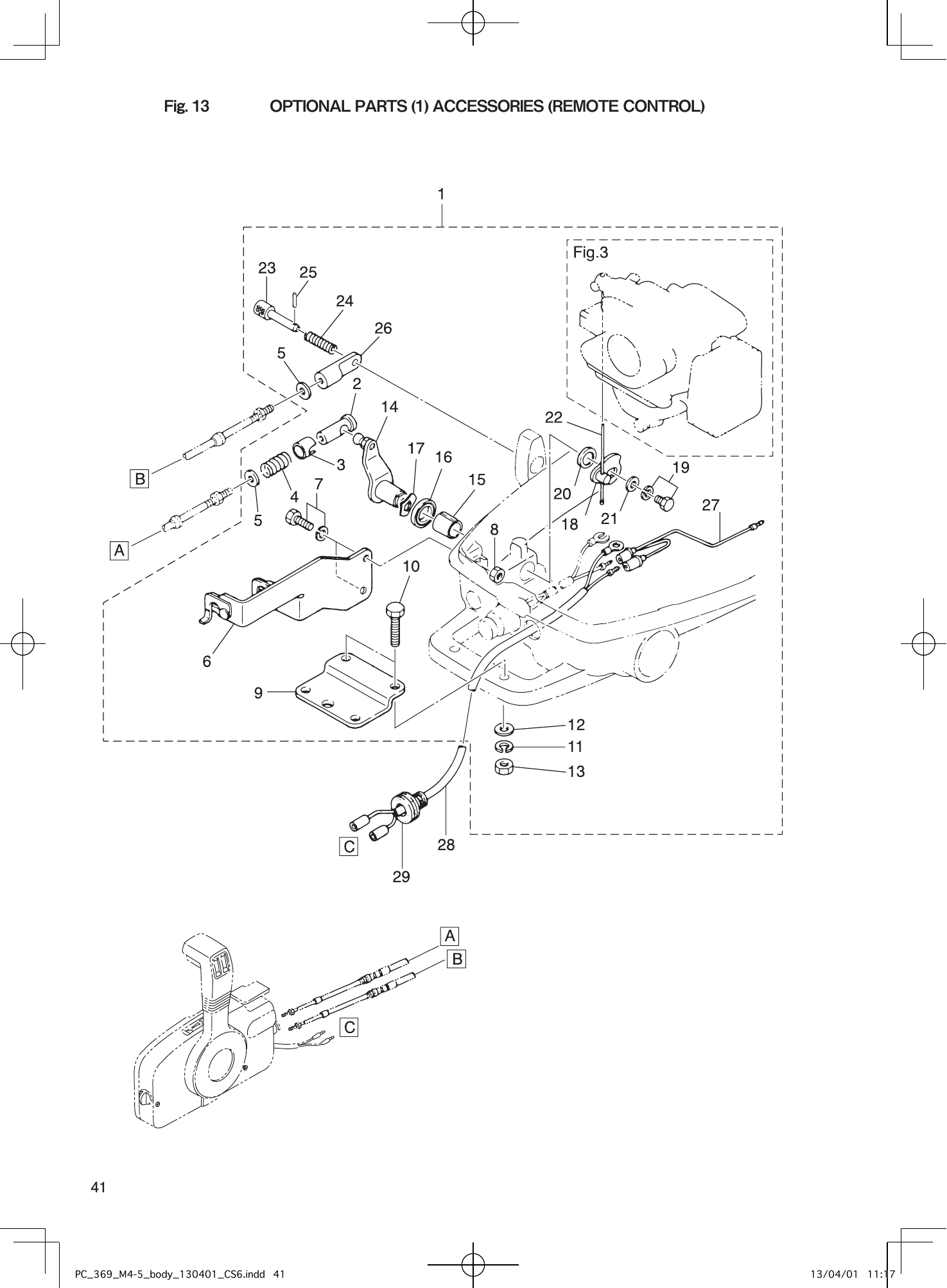
Fig. 13 — OPTIONAL PARTS (1) ACCESSORIES (REMOTE CONTROL)
32 items
· 5 available products
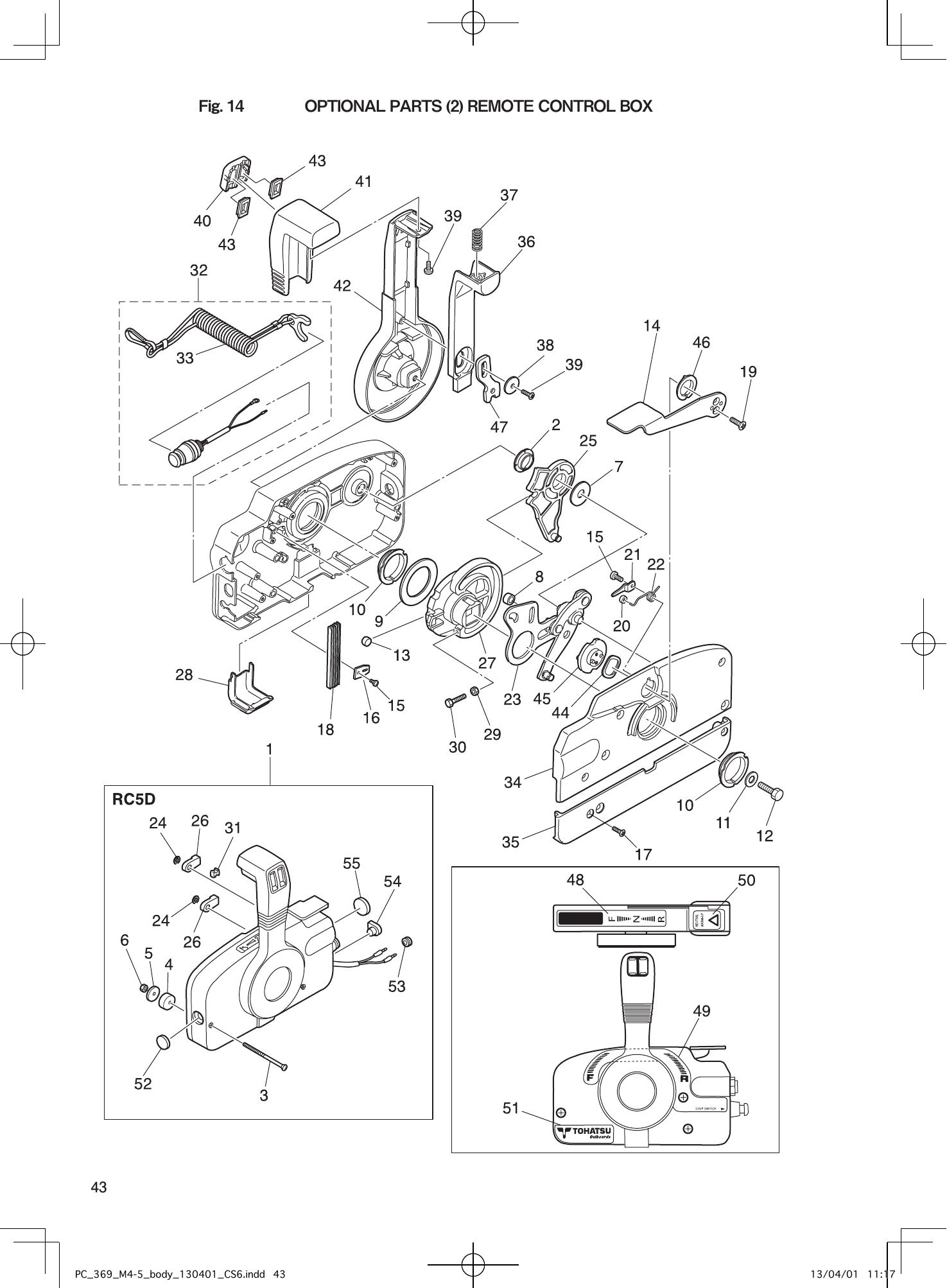
Fig. 14 — OPTIONAL PARTS (2) REMOTE CONTROL BOX
55 items
· 2 available products
Fig. 15 — OPTIONAL PARTS (3) ACCESSORIES
24 items
· 1 available products
Fig. 16 — ASSEMBLY・KIT PARTS
69 items
· 14 available products