Catalogs / Tohatsu / Outboard

Tohatsu M60C, M70C Parts Catalog

Browse 31 catalog sections for Tohatsu M60C, M70C. Open a section to view the parts diagram, reference numbers and available products.

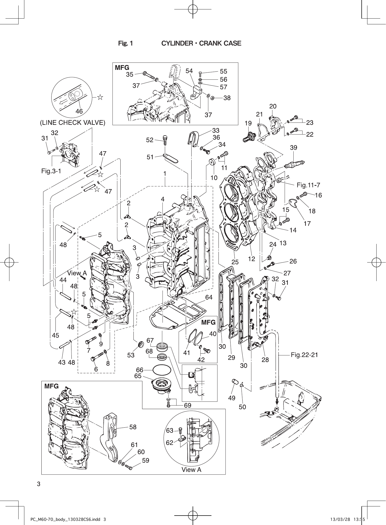
Tohatsu M60C, M70C CYLINDER・CRANK CASE parts diagram
Fig. 1 — CYLINDER・CRANK CASE
69 items · 8 available products
Tohatsu M60C, M70C PISTON・CRANK SHAFT parts diagram
Fig. 2 — PISTON・CRANK SHAFT
22 items · 1 available products
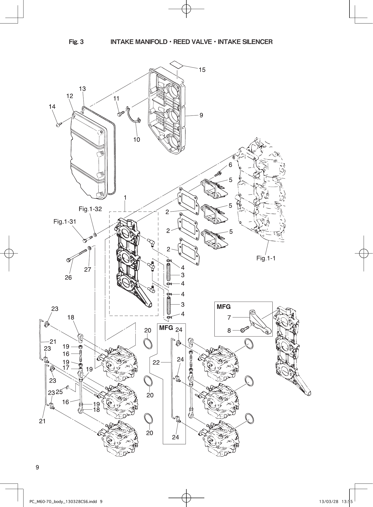
Tohatsu M60C, M70C INTAKE MANIFOLD・REED VALVE・INTAKE SILENCER parts diagram
Fig. 3 — INTAKE MANIFOLD・REED VALVE・INTAKE SILENCER
27 items · 1 available products
Tohatsu M60C, M70C CARBURETOR parts diagram
Fig. 4 — CARBURETOR
26 items · 1 available products
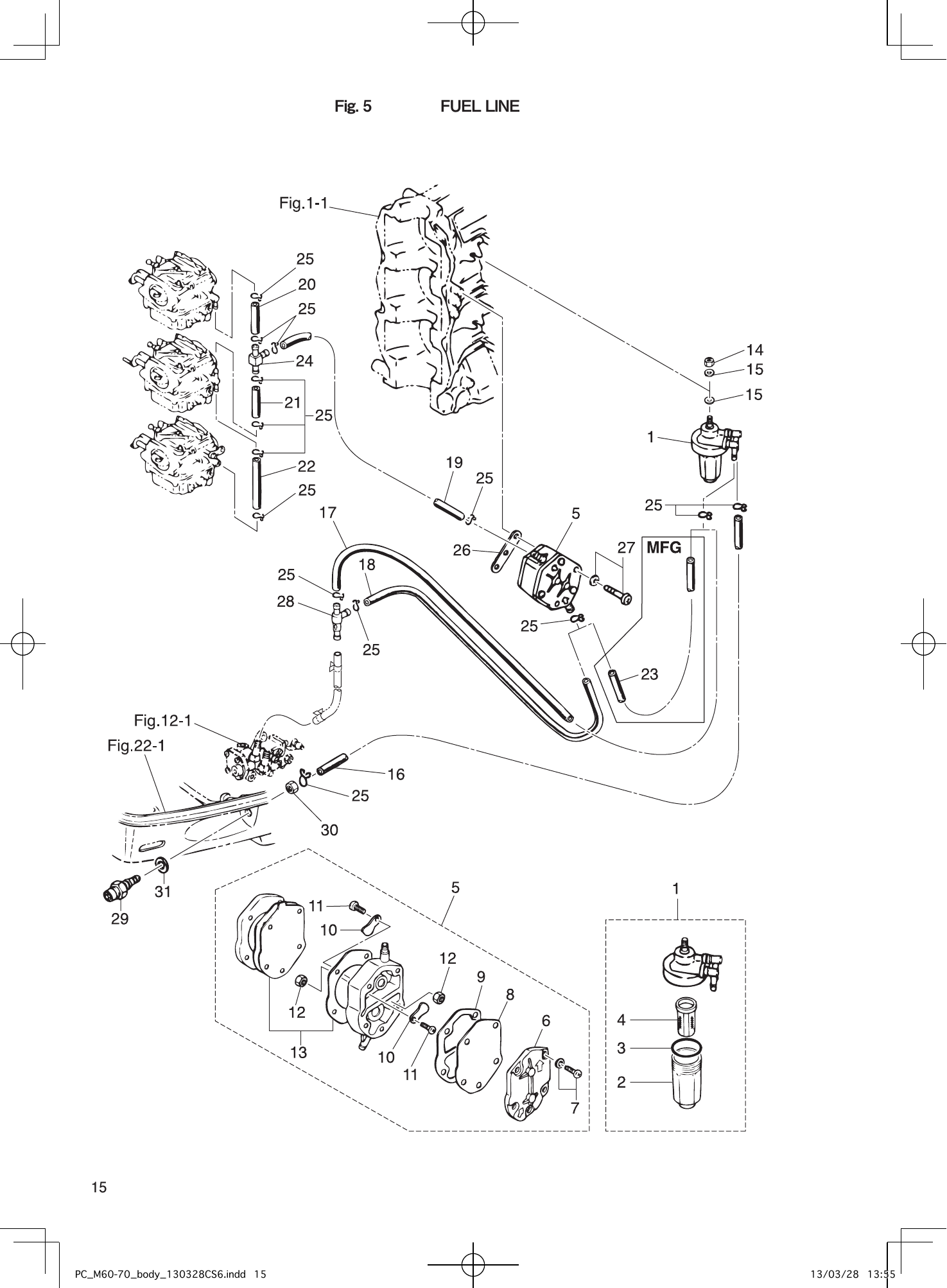
Tohatsu M60C, M70C FUEL LINE parts diagram
Fig. 5 — FUEL LINE
32 items · 2 available products
Tohatsu M60C, M70C THROTTLE parts diagram
Fig. 6 — THROTTLE
32 items · 2 available products
Tohatsu M60C, M70C RECOIL STARTER (MFG) parts diagram
Fig. 7 — RECOIL STARTER (MFG)
40 items · 2 available products
Tohatsu M60C, M70C MAGNETO parts diagram
Fig. 8 — MAGNETO
32 items · 1 available products
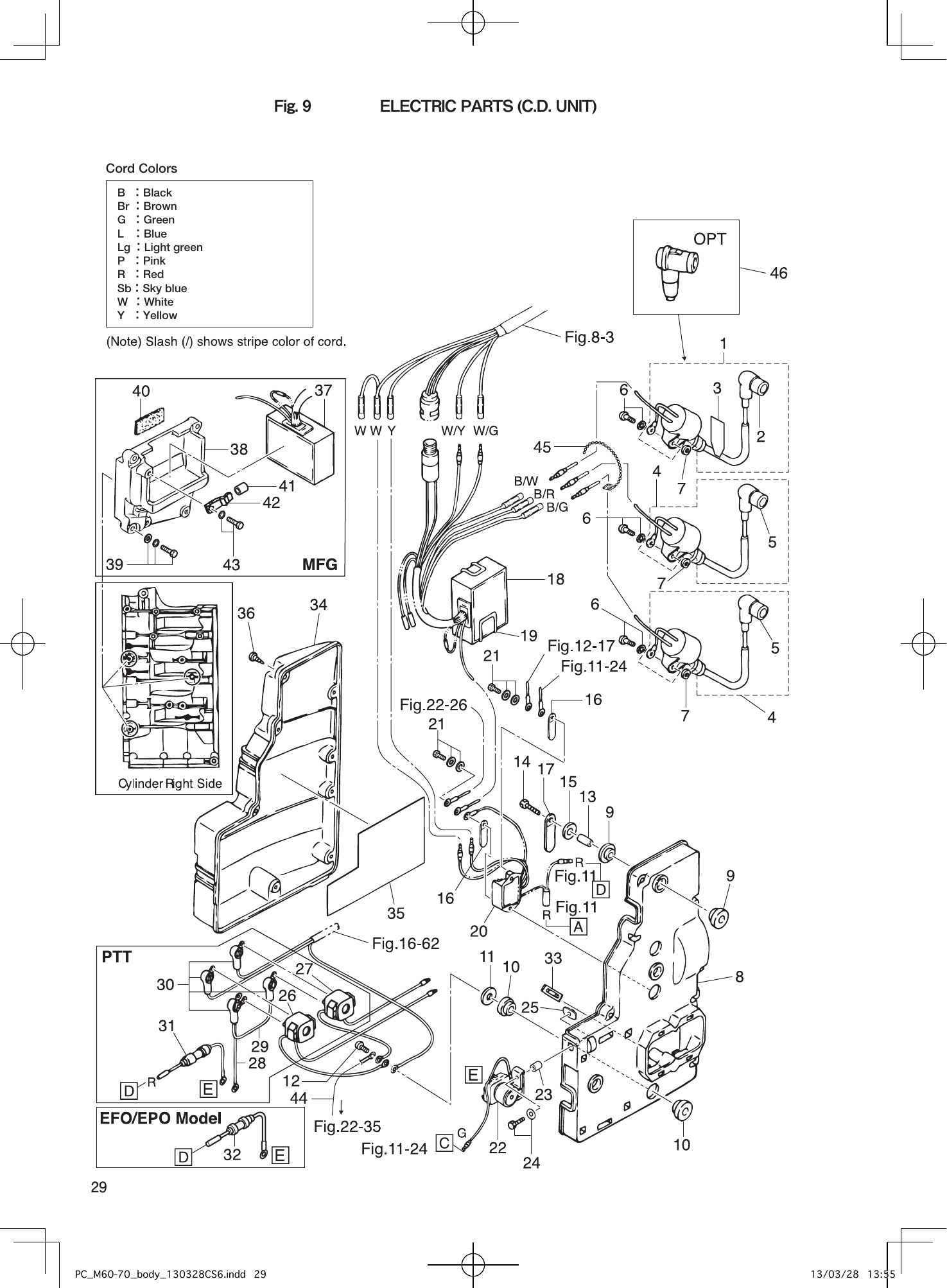
Tohatsu M60C, M70C ELECTRIC PARTS (C.D. UNIT) parts diagram
Fig. 9 — ELECTRIC PARTS (C.D. UNIT)
46 items · 3 available products
Tohatsu M60C, M70C ELECTRIC PARTS (STARTER MOTOR) EF/EP TYPE parts diagram
Fig. 10 — ELECTRIC PARTS (STARTER MOTOR) EF/EP TYPE
24 items · 1 available products
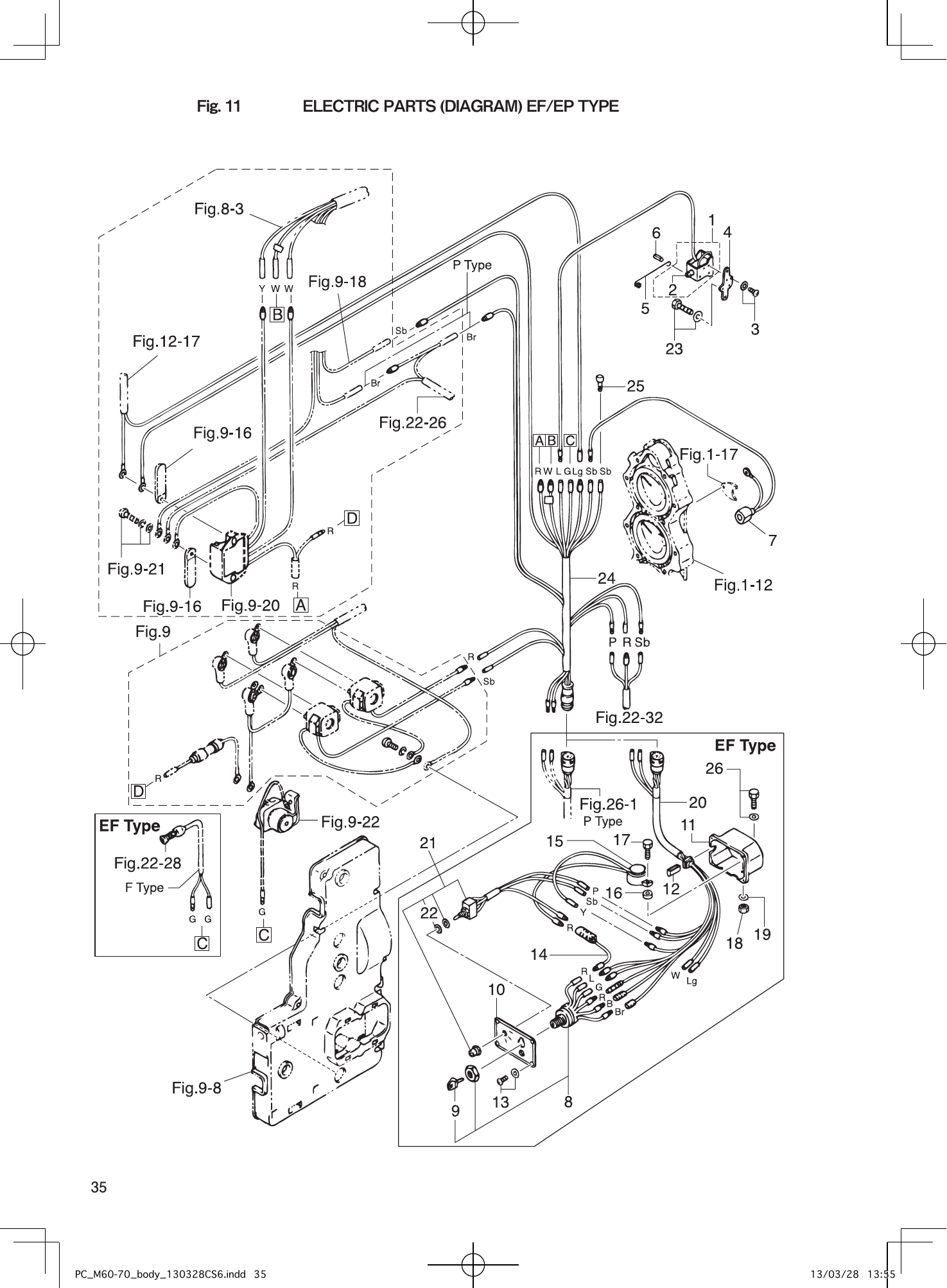
Tohatsu M60C, M70C ELECTRIC PARTS (DIAGRAM) EF/EP TYPE parts diagram
Fig. 11 — ELECTRIC PARTS (DIAGRAM) EF/EP TYPE
29 items
Tohatsu M60C, M70C OIL PUMP (AUTO MIXING) EF/EP TYPE parts diagram
Fig. 12 — OIL PUMP (AUTO MIXING) EF/EP TYPE
38 items · 3 available products
Tohatsu M60C, M70C DRIVE SHAFT HOUSING parts diagram
Fig. 13 — DRIVE SHAFT HOUSING
27 items · 3 available products
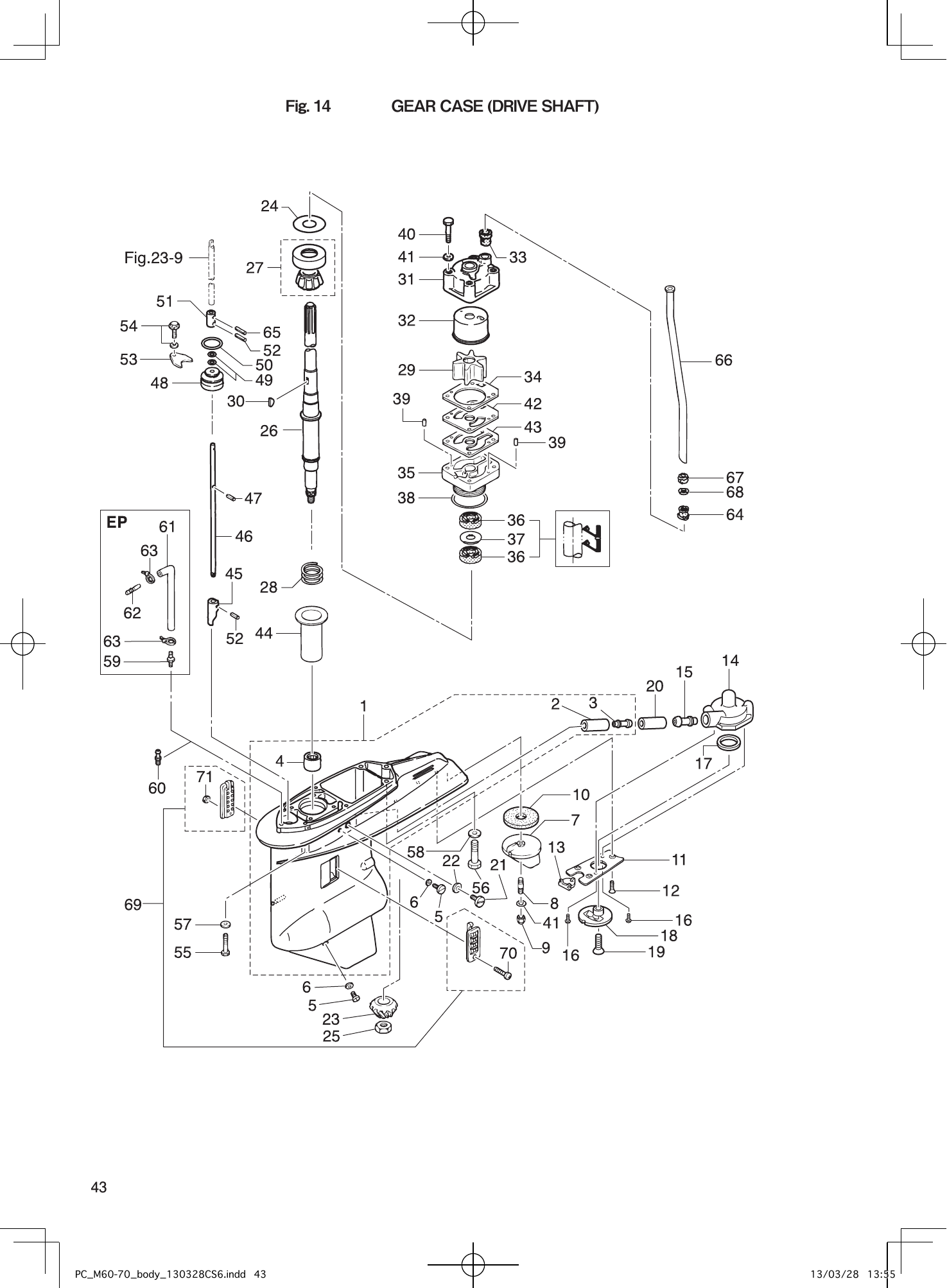
Tohatsu M60C, M70C GEAR CASE (DRIVE SHAFT) parts diagram
Fig. 14 — GEAR CASE (DRIVE SHAFT)
77 items · 9 available products
Tohatsu M60C, M70C GEAR CASE (PROPELLER SHAFT) parts diagram
Fig. 15 — GEAR CASE (PROPELLER SHAFT)
38 items · 3 available products
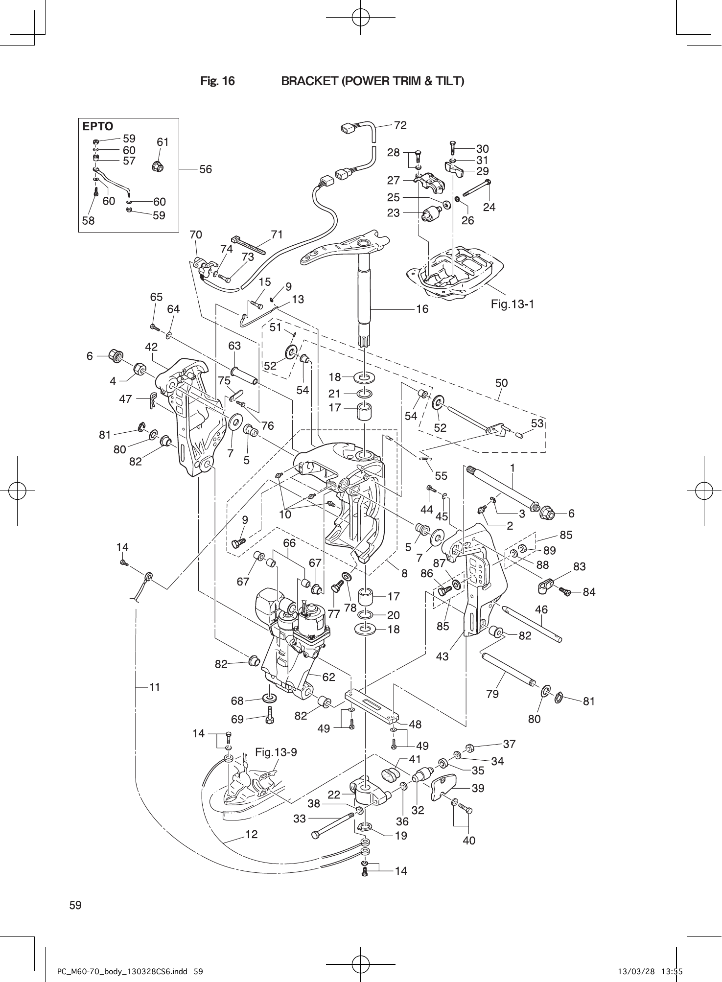
Tohatsu M60C, M70C BRACKET (POWER TRIM & TILT) parts diagram
Fig. 16 — BRACKET (POWER TRIM & TILT)
90 items · 10 available products
Tohatsu M60C, M70C POWER TRIM & TILT parts diagram
Fig. 17 — POWER TRIM & TILT
47 items
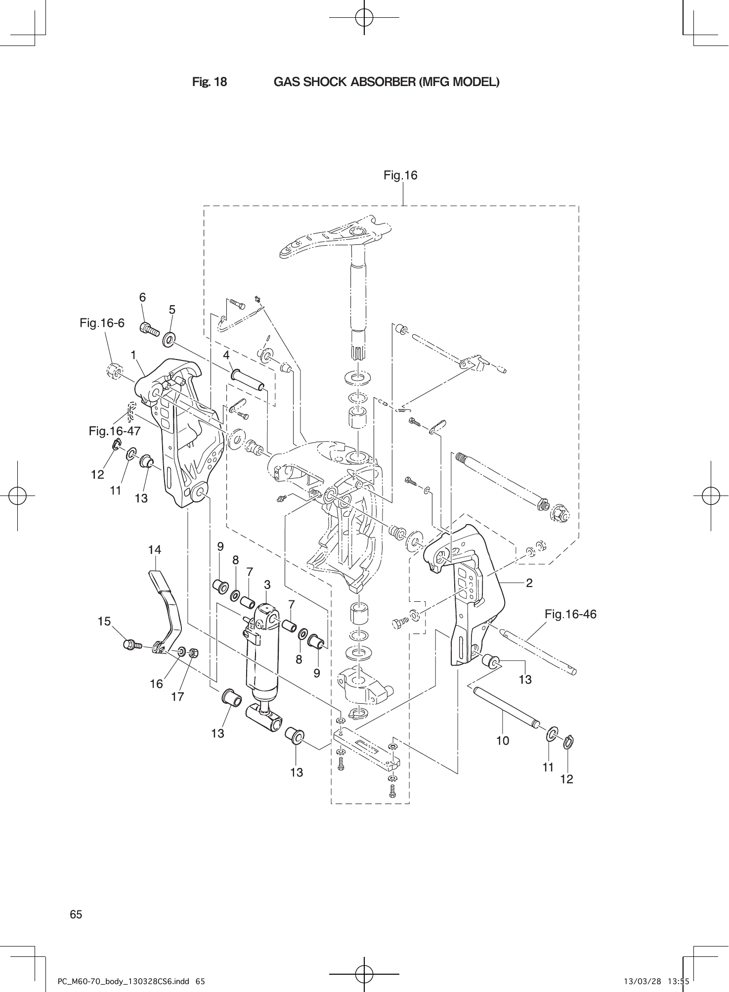
Tohatsu M60C, M70C GAS SHOCK ABSORBER (MFG MODEL) parts diagram
Fig. 18 — GAS SHOCK ABSORBER (MFG MODEL)
17 items · 3 available products
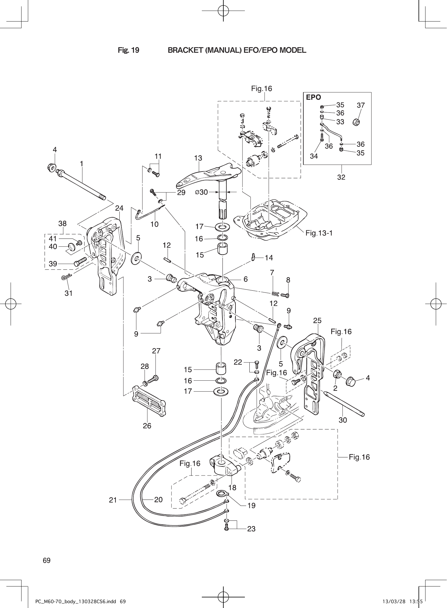
Tohatsu M60C, M70C BRACKET (MANUAL) EFO/EPO MODEL parts diagram
Fig. 19 — BRACKET (MANUAL) EFO/EPO MODEL
41 items · 3 available products
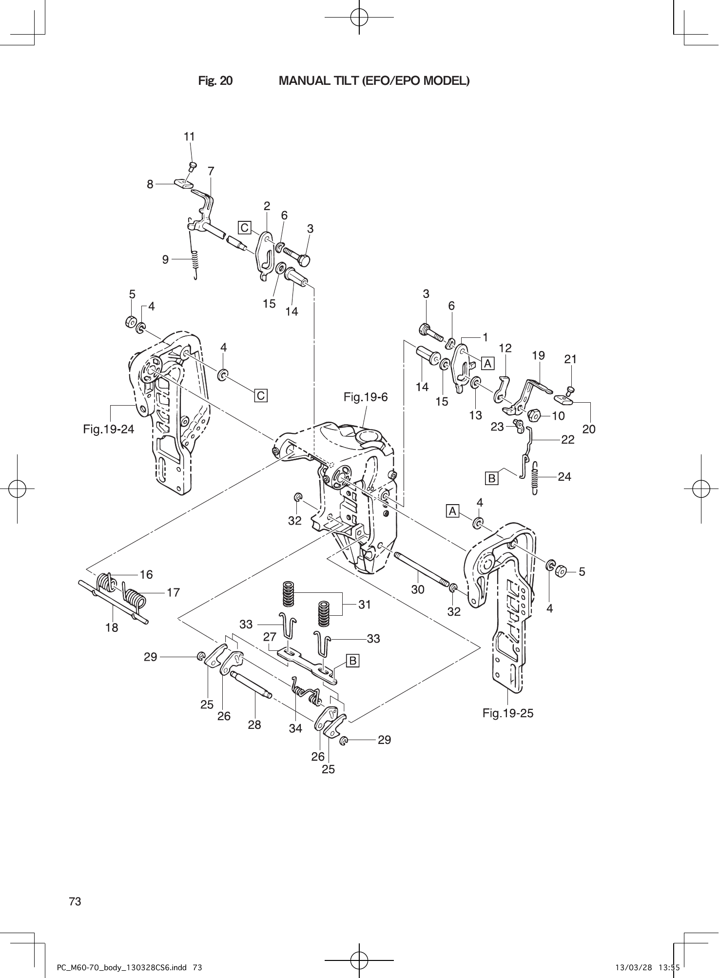
Tohatsu M60C, M70C MANUAL TILT (EFO/EPO MODEL) parts diagram
Fig. 20 — MANUAL TILT (EFO/EPO MODEL)
34 items · 1 available products
Tohatsu M60C, M70C TILLER HANDLE parts diagram
Fig. 21 — TILLER HANDLE
35 items · 4 available products
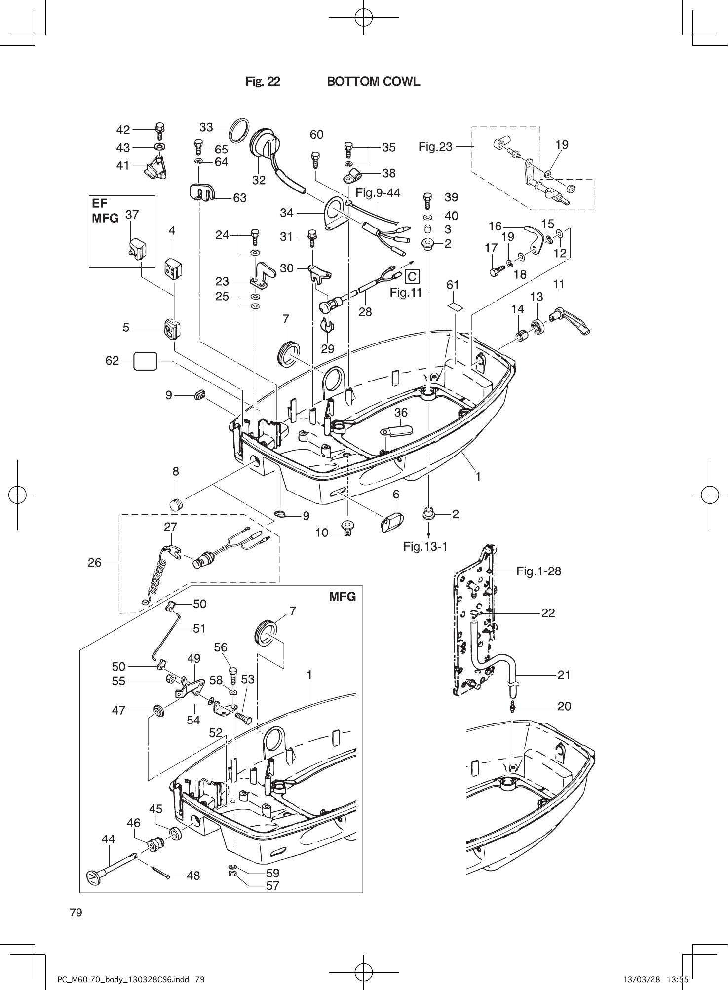
Tohatsu M60C, M70C BOTTOM COWL parts diagram
Fig. 22 — BOTTOM COWL
65 items · 9 available products
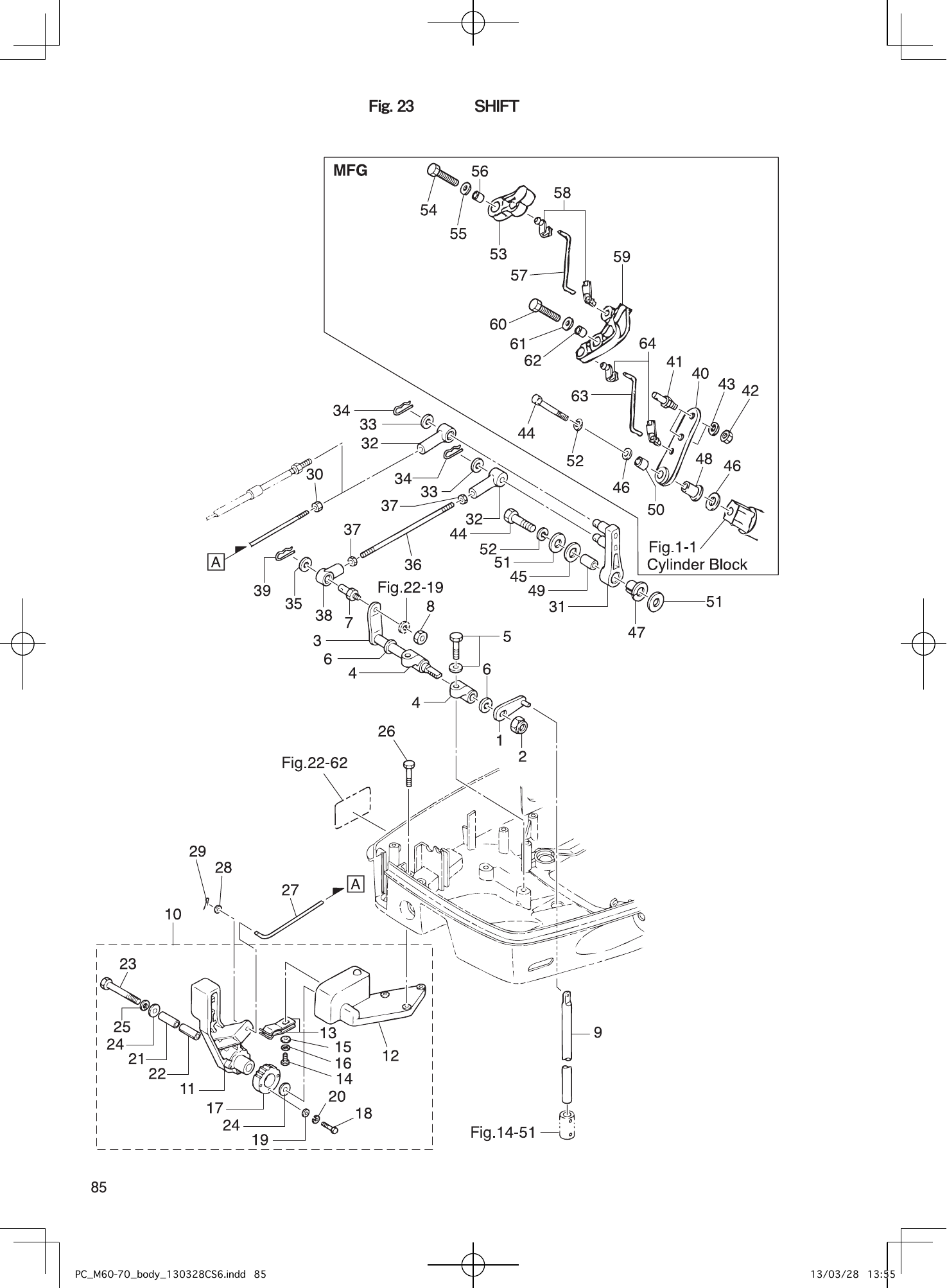
Tohatsu M60C, M70C SHIFT parts diagram
Fig. 23 — SHIFT
64 items · 5 available products
Tohatsu M60C, M70C TOP COWL parts diagram
Fig. 24 — TOP COWL
31 items · 2 available products
Tohatsu M60C, M70C FUEL TANK parts diagram
Fig. 25 — FUEL TANK
17 items · 4 available products
Tohatsu M60C, M70C COMPONENT PARTS OF REMOTE CONTROL parts diagram
Fig. 26 — COMPONENT PARTS OF REMOTE CONTROL
51 items · 1 available products
Tohatsu M60C, M70C COMPONENT PARTS OF REMOTE CONTROL (ELECTRIC PARTS) parts diagram
Fig. 27 — COMPONENT PARTS OF REMOTE CONTROL (ELECTRIC PARTS)
19 items · 2 available products
Tohatsu M60C, M70C ACCESSORIES parts diagram
Fig. 28 — ACCESSORIES
37 items · 1 available products
Tohatsu M60C, M70C OPTIONAL PARTS (1) parts diagram
Fig. 29 — OPTIONAL PARTS (1)
48 items · 1 available products
Tohatsu M60C, M70C OPTIONAL PARTS (2) parts diagram
Fig. 30 — OPTIONAL PARTS (2)
21 items · 1 available products
Tohatsu M60C, M70C ASSEMBLY・KIT PARTS parts diagram
Fig. 31 — ASSEMBLY・KIT PARTS
66 items · 9 available products