Catalogs / Tohatsu / Outboard

Tohatsu M90A2 Parts Catalog

Browse 25 catalog sections for Tohatsu M90A2. Open a section to view the parts diagram, reference numbers and available products.

Tohatsu M90A2 CYLINDER・CRANK CASE parts diagram
Fig. 1 — CYLINDER・CRANK CASE
61 items · 5 available products
Tohatsu M90A2 PISTON・CRANK SHAFT parts diagram
Fig. 2 — PISTON・CRANK SHAFT
27 items · 3 available products
Tohatsu M90A2 INTAKE MANIFOLD・REED VALVE parts diagram
Fig. 3 — INTAKE MANIFOLD・REED VALVE
9 items
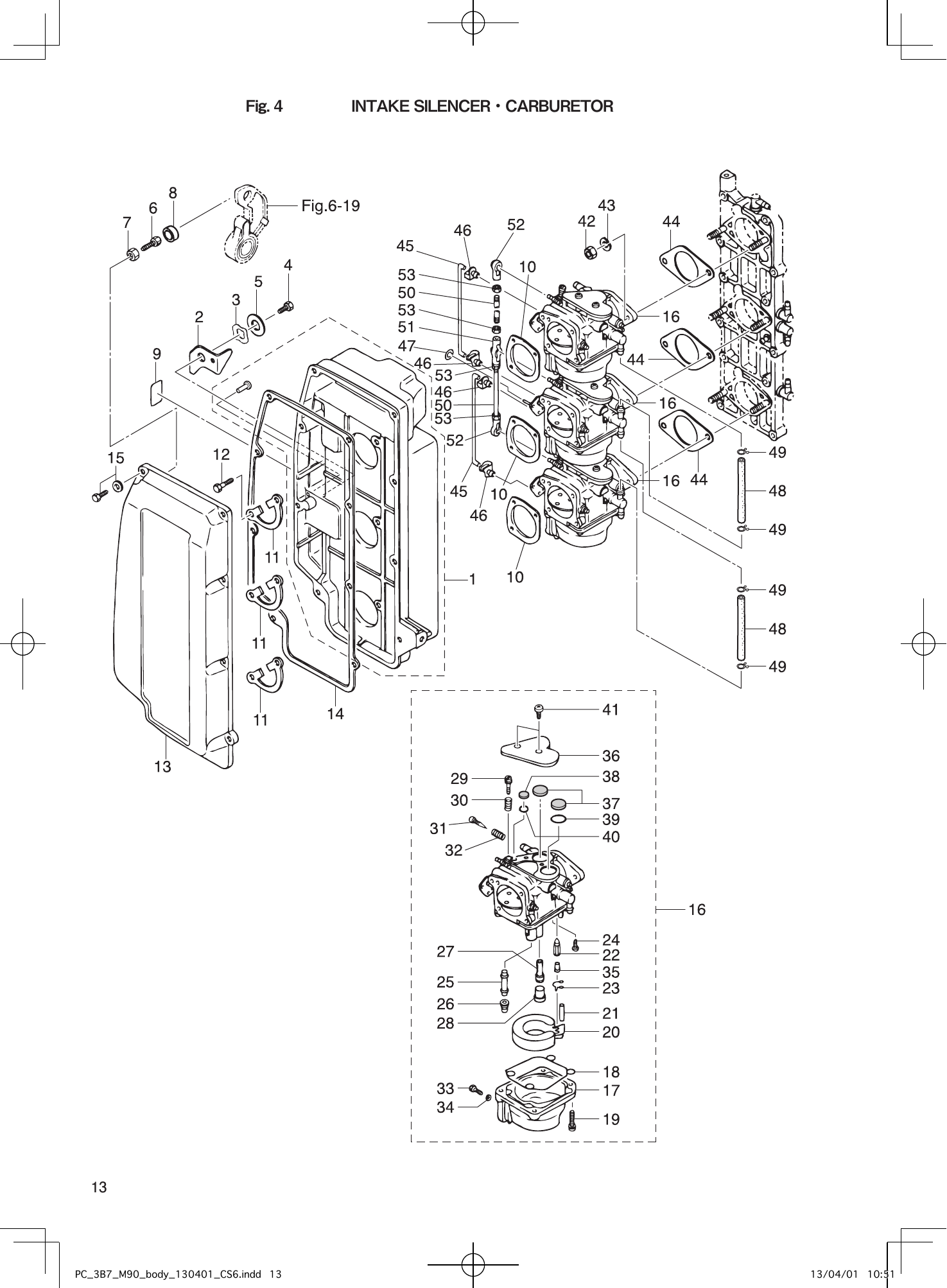
Tohatsu M90A2 INTAKE SILENCER・CARBURETOR parts diagram
Fig. 4 — INTAKE SILENCER・CARBURETOR
55 items · 2 available products
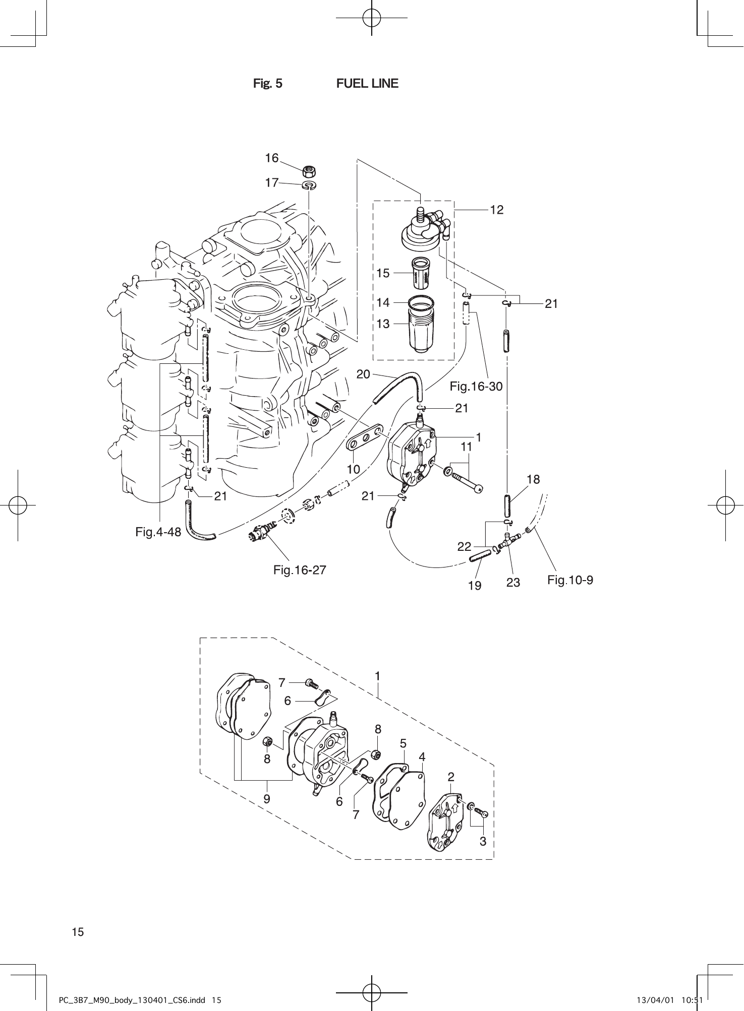
Tohatsu M90A2 FUEL LINE parts diagram
Fig. 5 — FUEL LINE
23 items · 2 available products
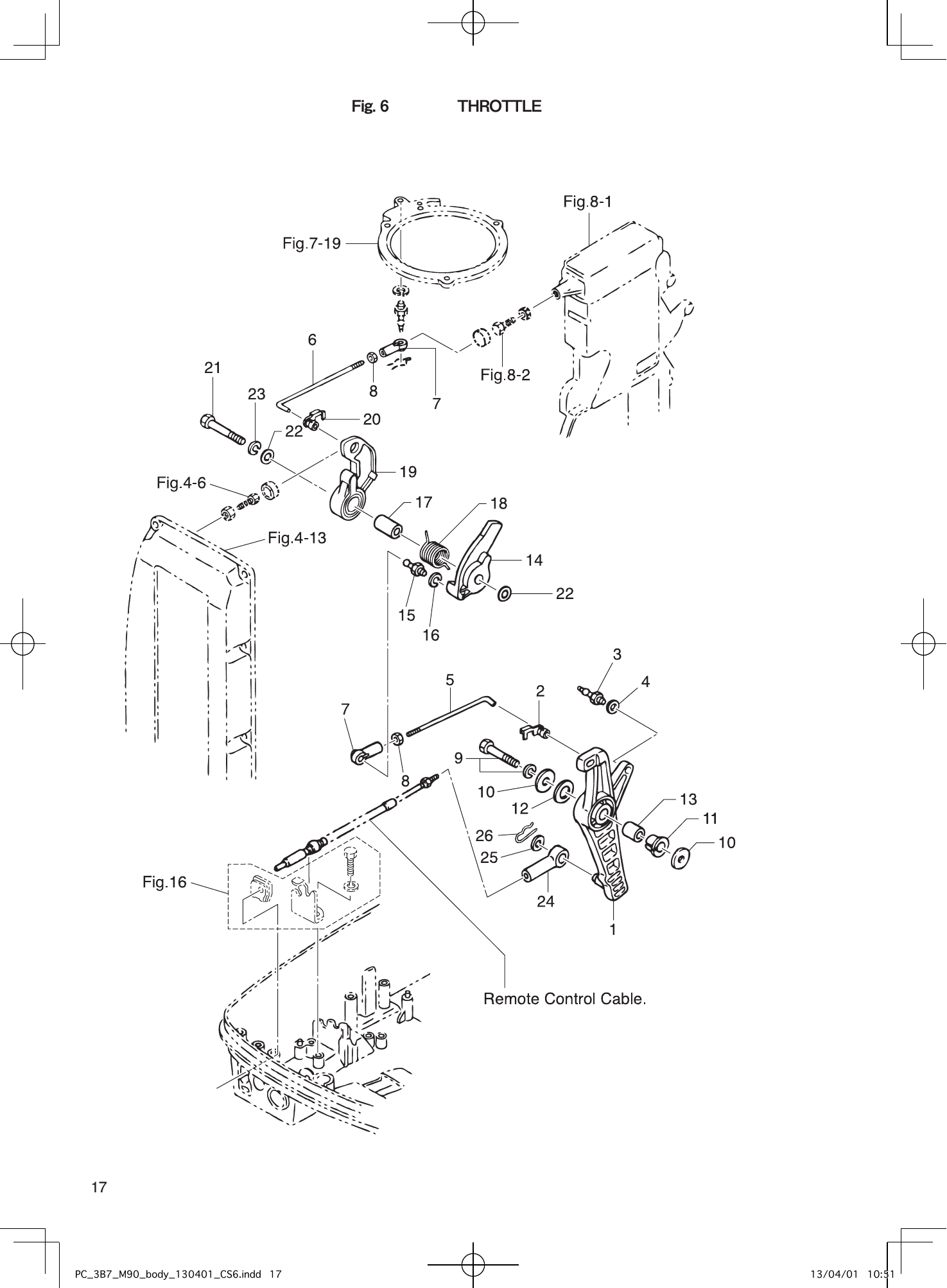
Tohatsu M90A2 THROTTLE parts diagram
Fig. 6 — THROTTLE
26 items · 1 available products
Tohatsu M90A2 MAGNETO parts diagram
Fig. 7 — MAGNETO
28 items · 1 available products
Tohatsu M90A2 ELECTRIC PARTS (C.D. UNIT) parts diagram
Fig. 8 — ELECTRIC PARTS (C.D. UNIT)
30 items · 2 available products
Tohatsu M90A2 ELECTRIC PARTS (STARTER MOTOR) parts diagram
Fig. 9 — ELECTRIC PARTS (STARTER MOTOR)
48 items · 1 available products
Tohatsu M90A2 OIL PUMP (AUTO MIXING) parts diagram
Fig. 10 — OIL PUMP (AUTO MIXING)
38 items · 3 available products
Tohatsu M90A2 DRIVE SHAFT HOUSING parts diagram
Fig. 11 — DRIVE SHAFT HOUSING
36 items · 6 available products
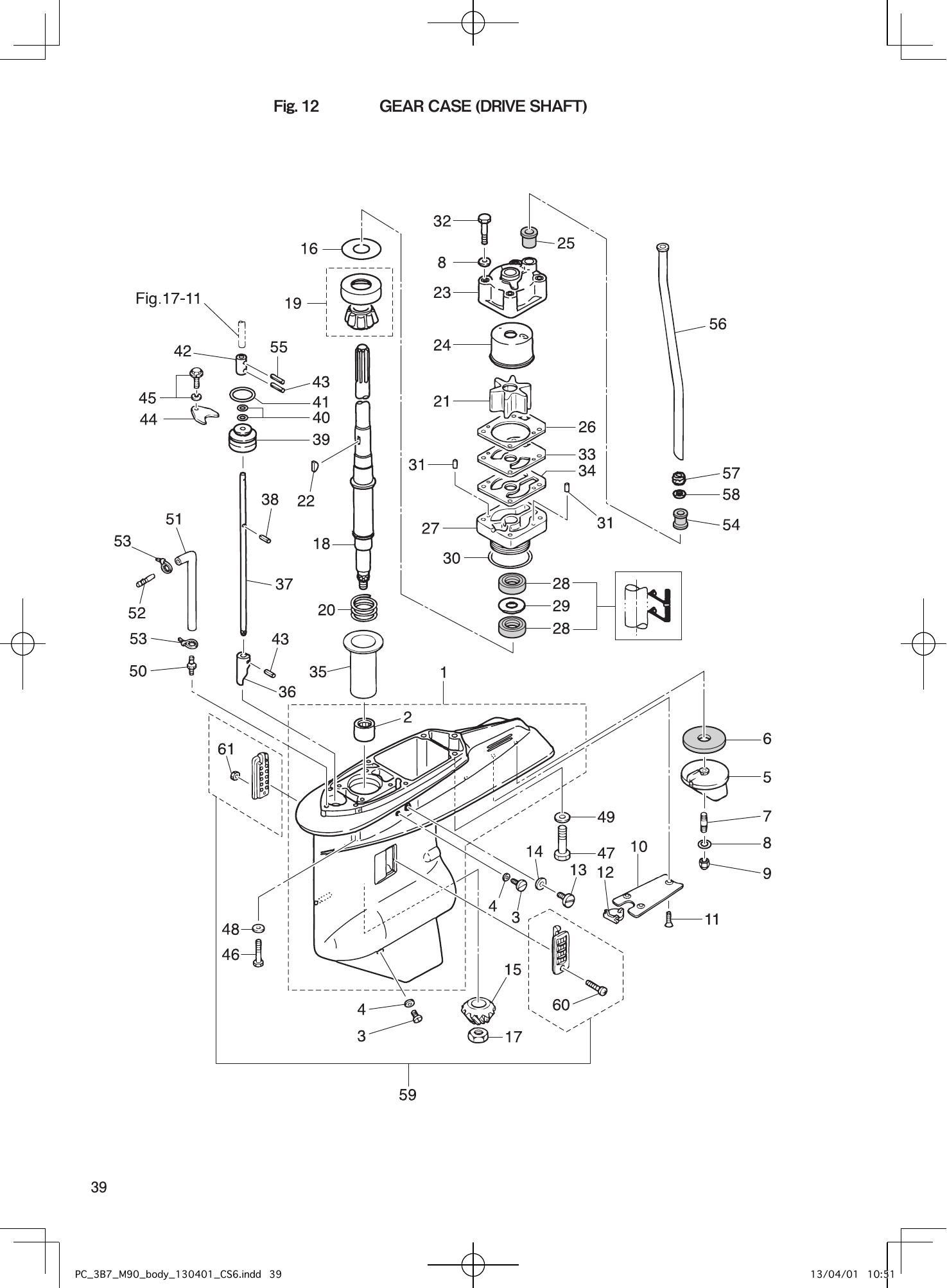
Tohatsu M90A2 GEAR CASE (DRIVE SHAFT) parts diagram
Fig. 12 — GEAR CASE (DRIVE SHAFT)
67 items · 8 available products
Tohatsu M90A2 GEAR CASE (PROPELLER SHAFT) parts diagram
Fig. 13 — GEAR CASE (PROPELLER SHAFT)
38 items · 3 available products
Tohatsu M90A2 BRACKET parts diagram
Fig. 14 — BRACKET
91 items · 10 available products
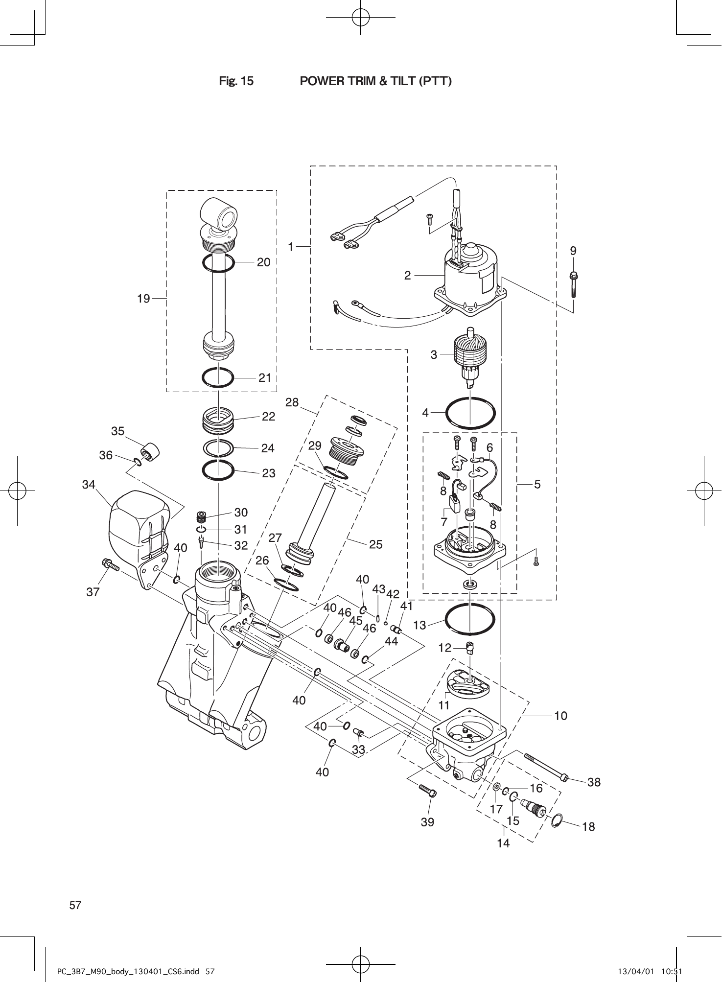
Tohatsu M90A2 POWER TRIM & TILT (PTT) parts diagram
Fig. 15 — POWER TRIM & TILT (PTT)
46 items
Tohatsu M90A2 BOTTOM COWL parts diagram
Fig. 16 — BOTTOM COWL
37 items · 3 available products
Tohatsu M90A2 SHIFT parts diagram
Fig. 17 — SHIFT
22 items · 3 available products
Tohatsu M90A2 TOP COWL parts diagram
Fig. 18 — TOP COWL
27 items · 2 available products
Tohatsu M90A2 FUEL TANK parts diagram
Fig. 19 — FUEL TANK
17 items · 4 available products
Tohatsu M90A2 COMPONENT PARTS OF REMOTE CONTROL parts diagram
Fig. 20 — COMPONENT PARTS OF REMOTE CONTROL
48 items · 1 available products
Tohatsu M90A2 COMPONENT PARTS OF REMOTE CONTROL (ELECTRIC PARTS) parts diagram
Fig. 21 — COMPONENT PARTS OF REMOTE CONTROL (ELECTRIC PARTS)
19 items · 2 available products
Tohatsu M90A2 ACCESSORIES parts diagram
Fig. 22 — ACCESSORIES
20 items
Tohatsu M90A2 OPTIONAL PARTS (1) parts diagram
Fig. 23 — OPTIONAL PARTS (1)
49 items · 1 available products
Tohatsu M90A2 OPTIONAL PARTS (2) parts diagram
Fig. 24 — OPTIONAL PARTS (2)
21 items · 1 available products
Tohatsu M90A2 ASSEMBLY・KIT PARTS parts diagram
Fig. 25 — ASSEMBLY・KIT PARTS
79 items · 9 available products