Catalogs / Tohatsu / Outboard

Tohatsu MD115A2 Parts Catalog

Browse 27 catalog sections for Tohatsu MD115A2. Open a section to view the parts diagram, reference numbers and available products.

Tohatsu MD115A2 CYLINDER・CRANK CASE parts diagram
Fig. 1 — CYLINDER・CRANK CASE
75 items · 5 available products
Tohatsu MD115A2 PISTON・CRANK SHAFT parts diagram
Fig. 2 — PISTON・CRANK SHAFT
21 items
Tohatsu MD115A2 AIR CHAMBER parts diagram
Fig. 3 — AIR CHAMBER
12 items · 1 available products
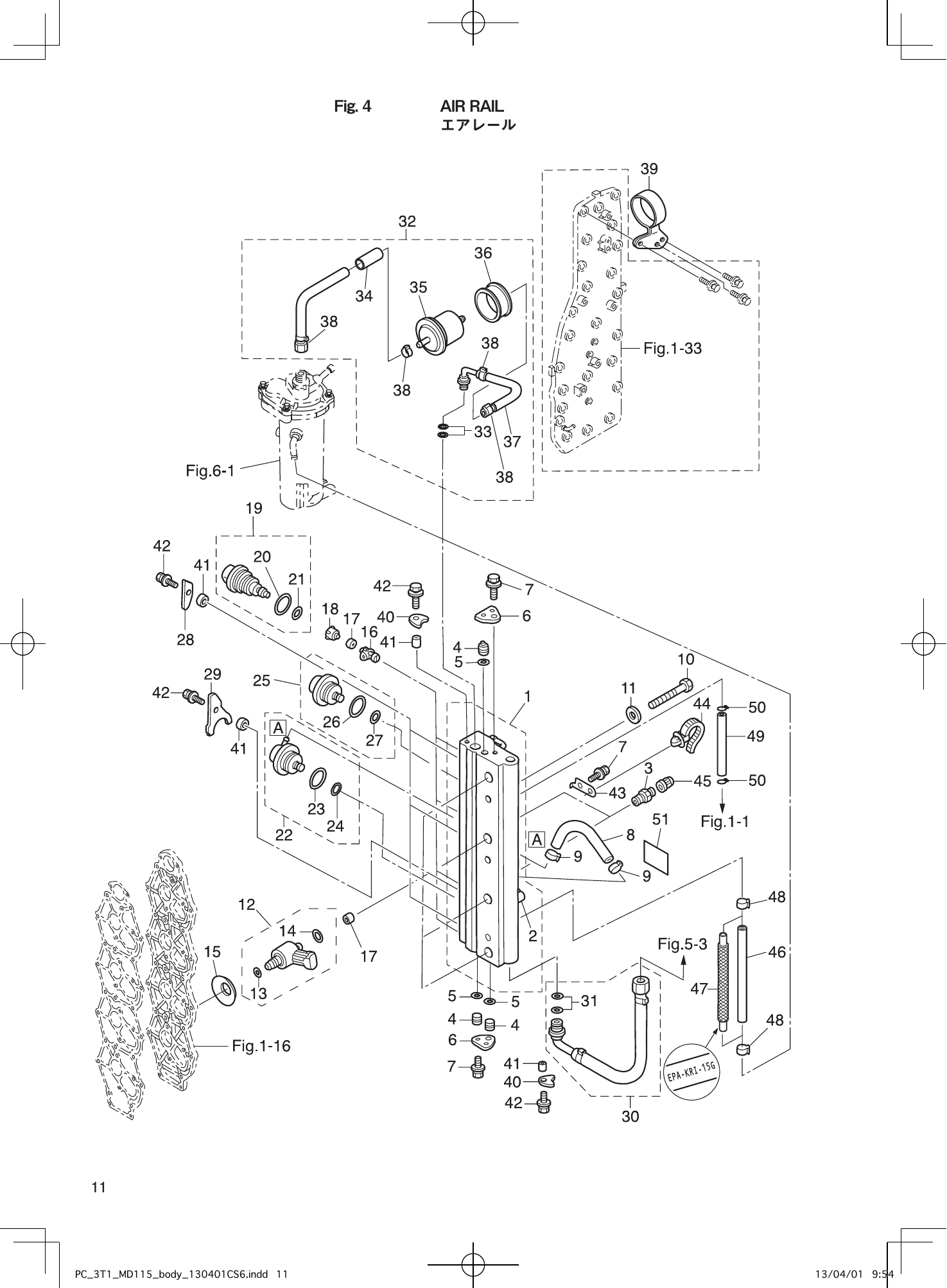
Tohatsu MD115A2 AIR RAIL parts diagram
Fig. 4 — AIR RAIL
51 items · 2 available products
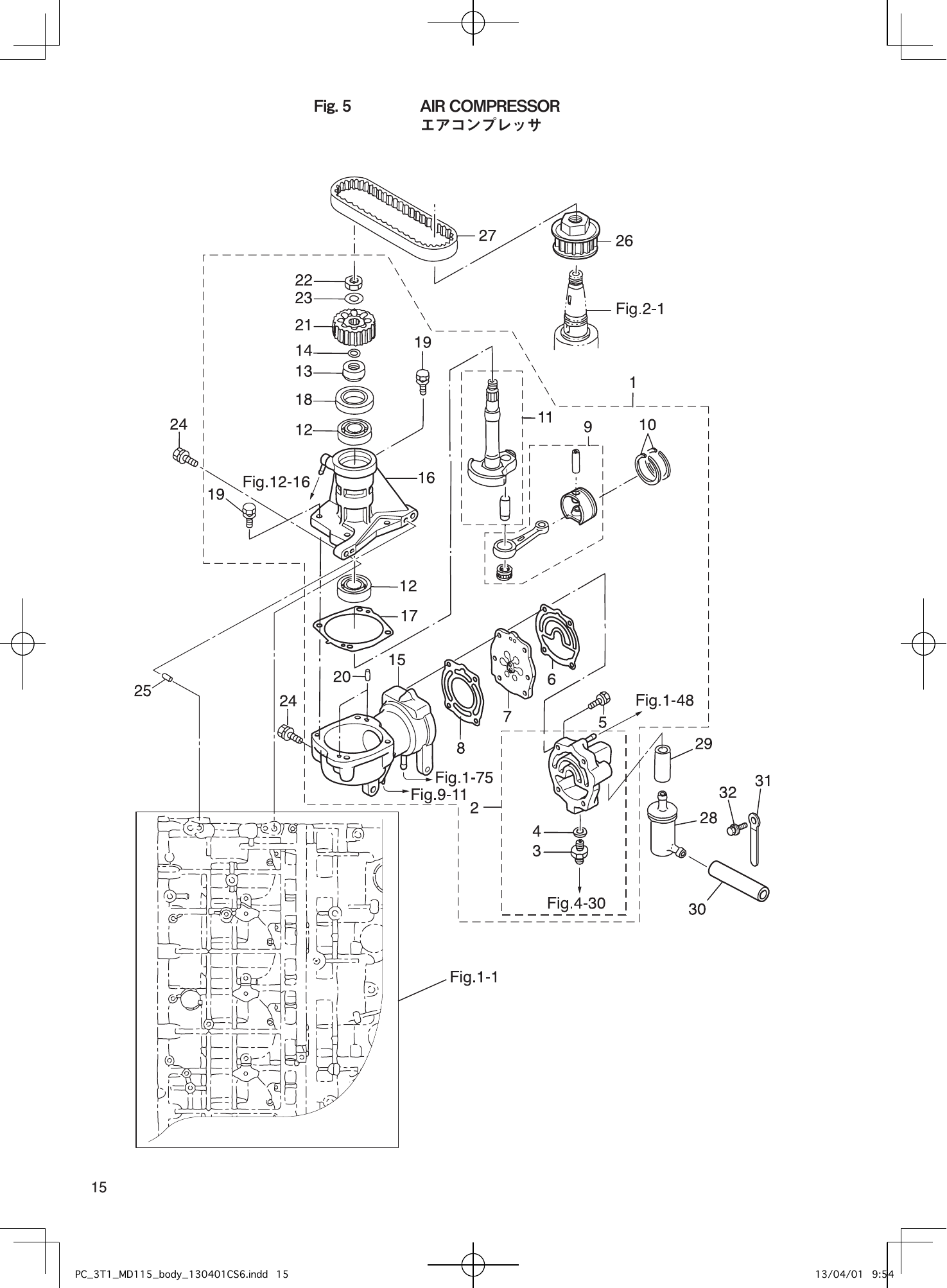
Tohatsu MD115A2 AIR COMPRESSOR parts diagram
Fig. 5 — AIR COMPRESSOR
32 items
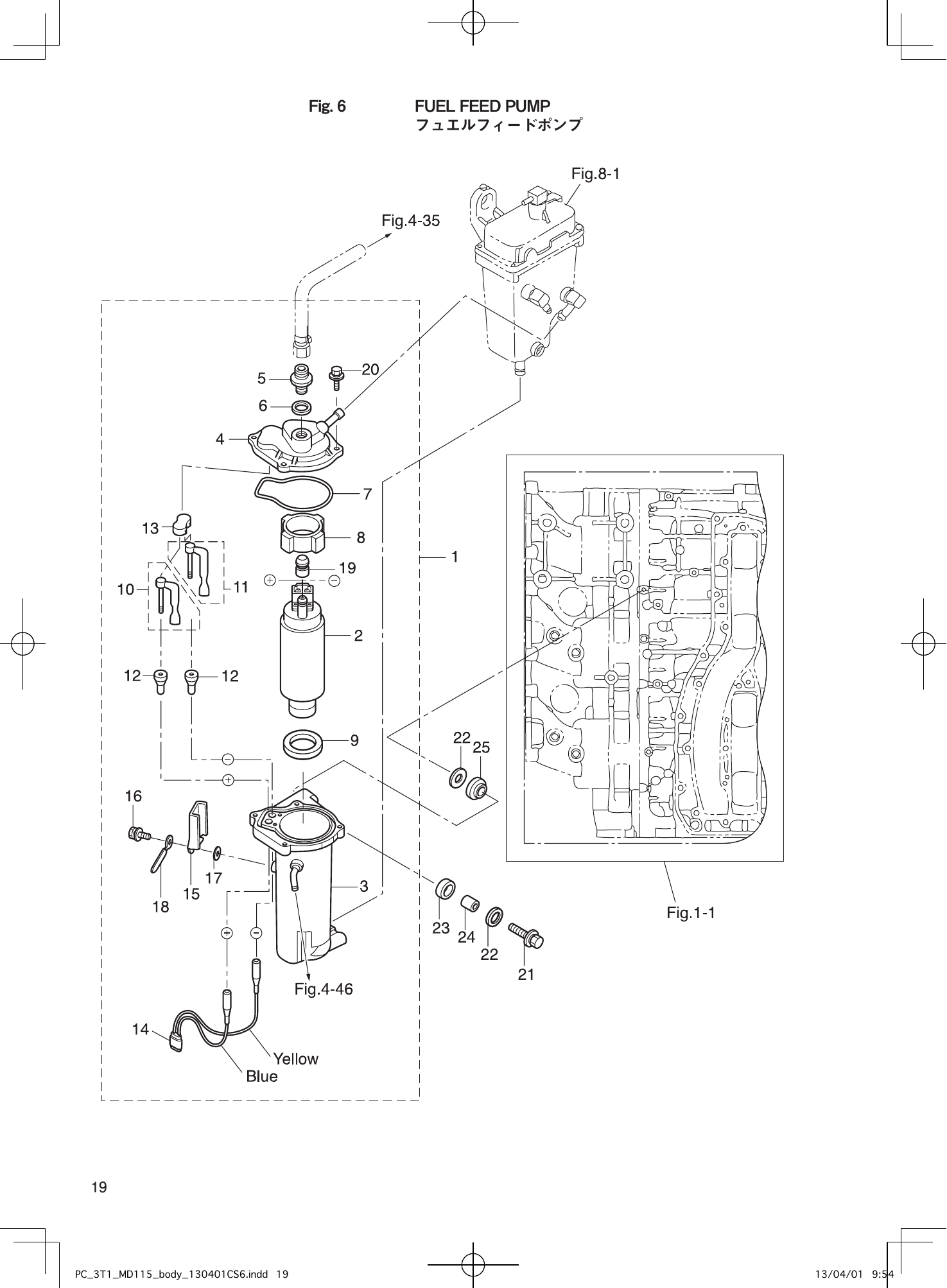
Tohatsu MD115A2 FUEL FEED PUMP parts diagram
Fig. 6 — FUEL FEED PUMP
25 items · 1 available products
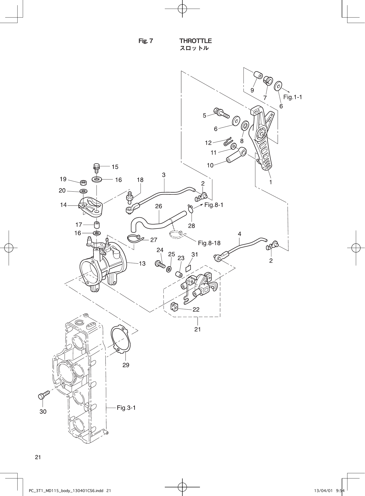
Tohatsu MD115A2 THROTTLE parts diagram
Fig. 7 — THROTTLE
31 items · 1 available products
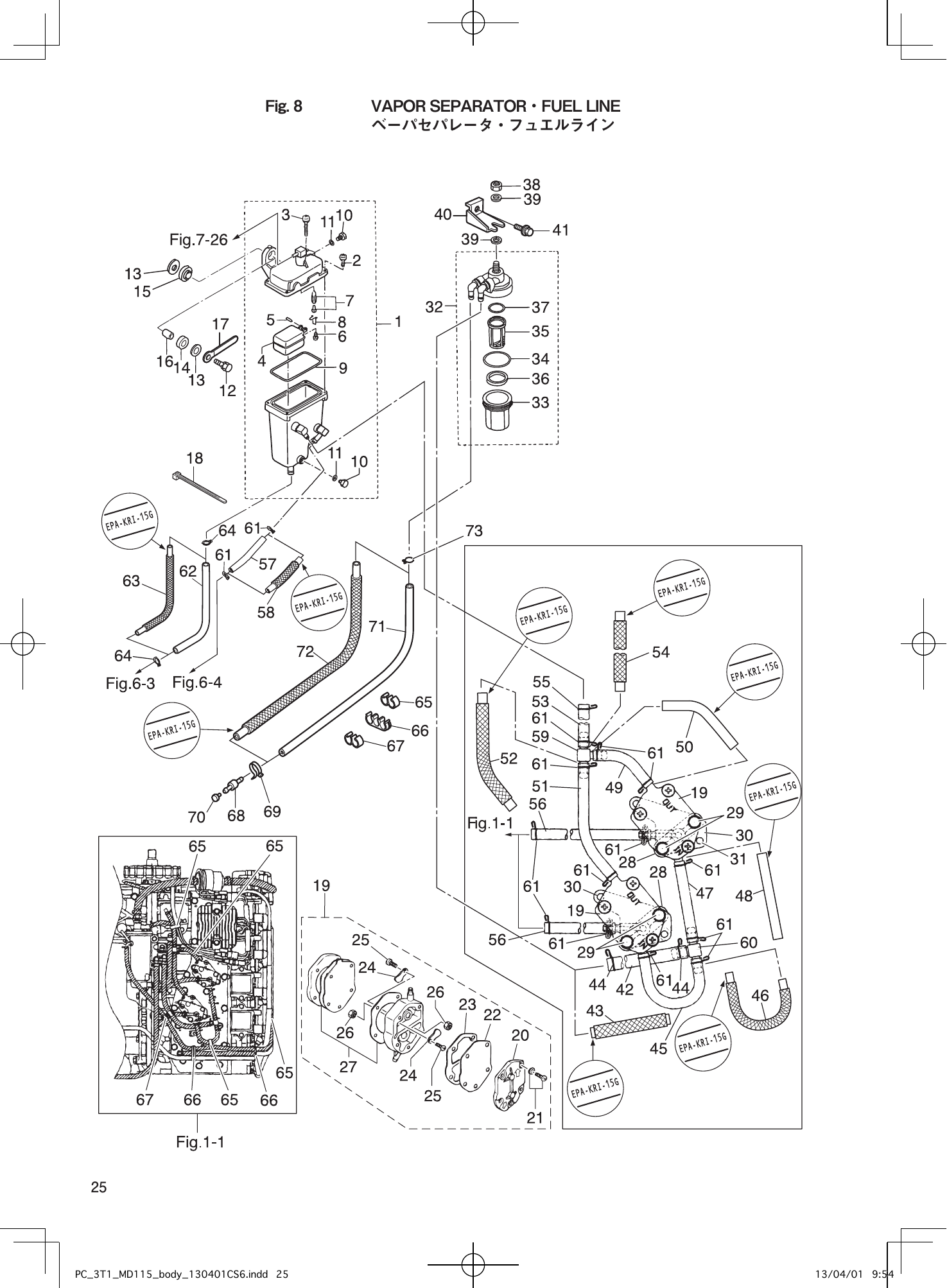
Tohatsu MD115A2 VAPOR SEPARATOR・FUEL LINE parts diagram
Fig. 8 — VAPOR SEPARATOR・FUEL LINE
73 items · 4 available products
Tohatsu MD115A2 MAGNETO parts diagram
Fig. 9 — MAGNETO
12 items
Tohatsu MD115A2 ELECTRIC PARTS (ECU・DIAGRAM) parts diagram
Fig. 10 — ELECTRIC PARTS (ECU・DIAGRAM)
41 items · 1 available products
Tohatsu MD115A2 ELECTRIC PARTS (STARTER MOTOR) parts diagram
Fig. 11 — ELECTRIC PARTS (STARTER MOTOR)
30 items · 1 available products
Tohatsu MD115A2 OIL PUMP parts diagram
Fig. 12 — OIL PUMP
43 items · 4 available products
Tohatsu MD115A2 DRIVE SHAFT HOUSING parts diagram
Fig. 13 — DRIVE SHAFT HOUSING
45 items · 8 available products
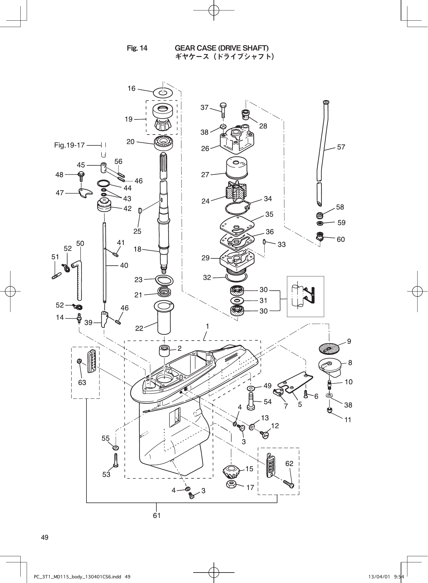
Tohatsu MD115A2 GEAR CASE (DRIVE SHAFT) parts diagram
Fig. 14 — GEAR CASE (DRIVE SHAFT)
69 items · 7 available products
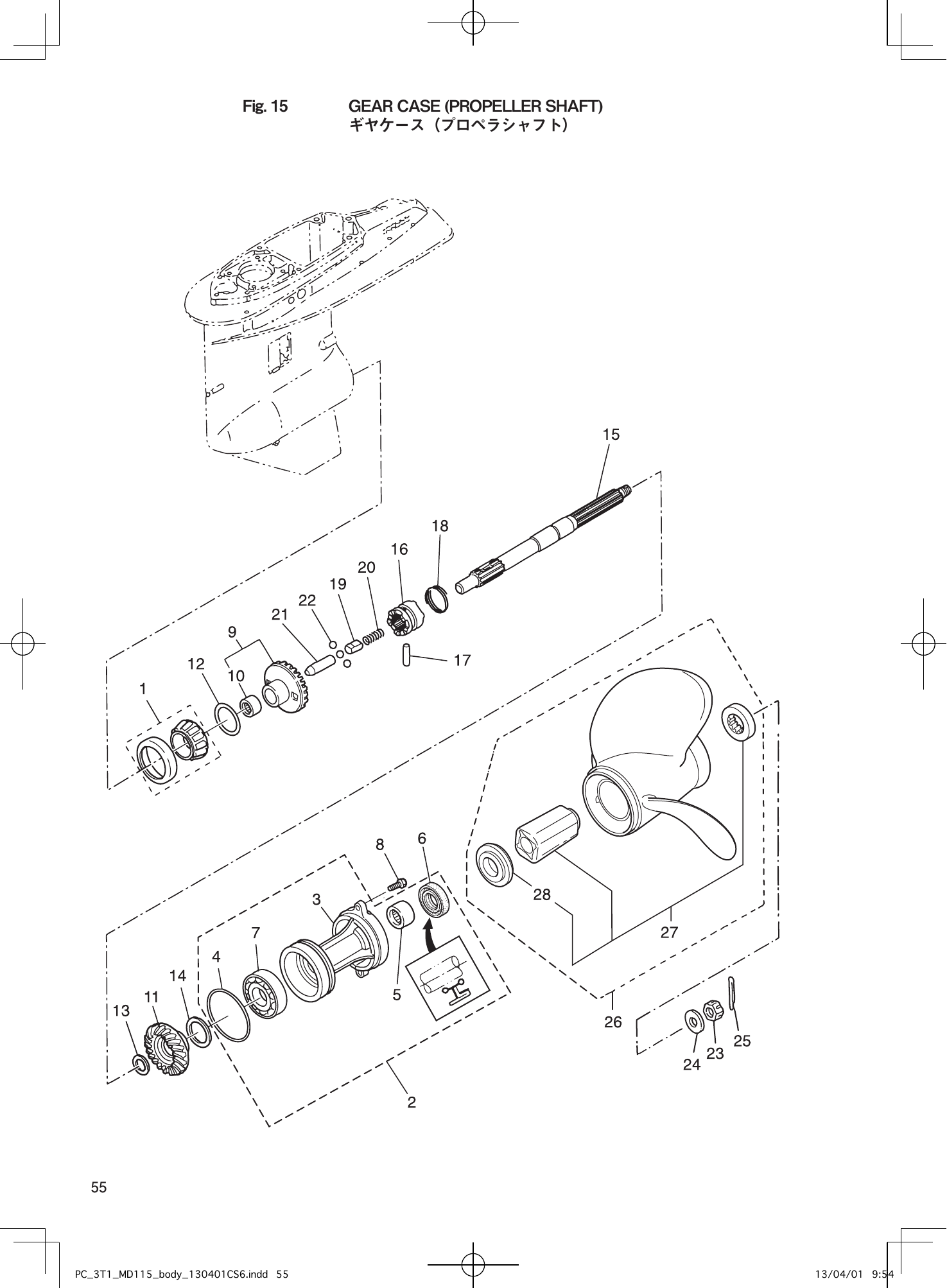
Tohatsu MD115A2 GEAR CASE (PROPELLER SHAFT) parts diagram
Fig. 15 — GEAR CASE (PROPELLER SHAFT)
38 items · 3 available products
Tohatsu MD115A2 BRACKET parts diagram
Fig. 16 — BRACKET
82 items · 9 available products
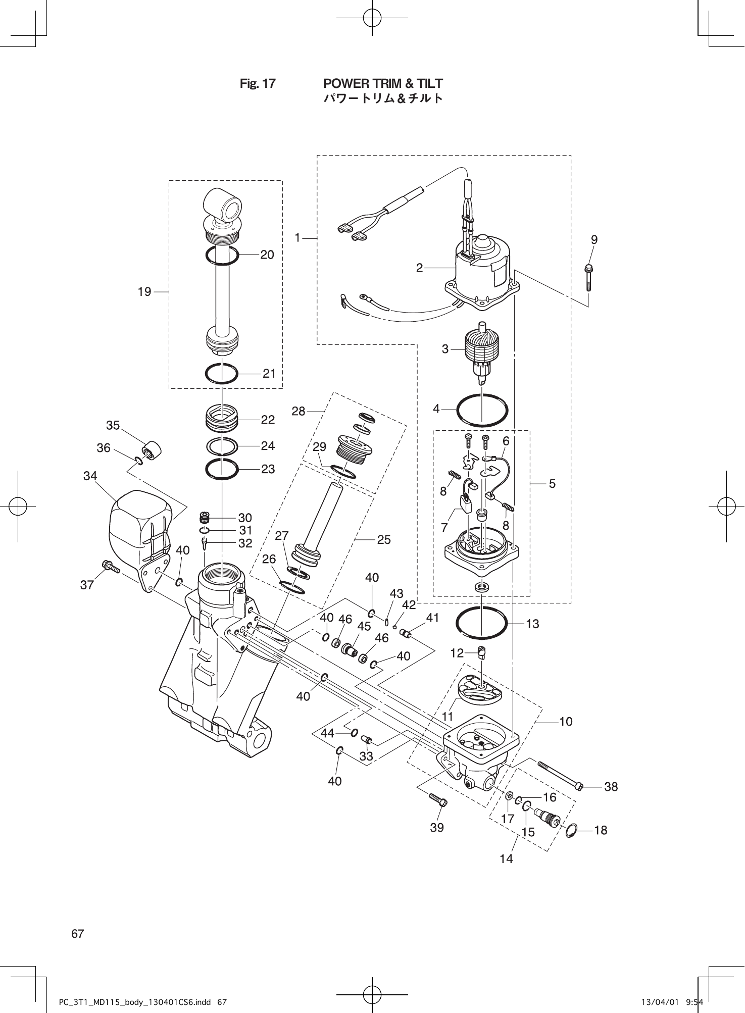
Tohatsu MD115A2 POWER TRIM & TILT parts diagram
Fig. 17 — POWER TRIM & TILT
46 items
Tohatsu MD115A2 BOTTOM COWL parts diagram
Fig. 18 — BOTTOM COWL
47 items · 2 available products
Tohatsu MD115A2 SHIFT parts diagram
Fig. 19 — SHIFT
26 items · 3 available products
Tohatsu MD115A2 TOP COWL parts diagram
Fig. 20 — TOP COWL
26 items · 3 available products
Tohatsu MD115A2 COMPONENT PARTS OF REMOTE CONTROL parts diagram
Fig. 21 — COMPONENT PARTS OF REMOTE CONTROL
48 items · 1 available products
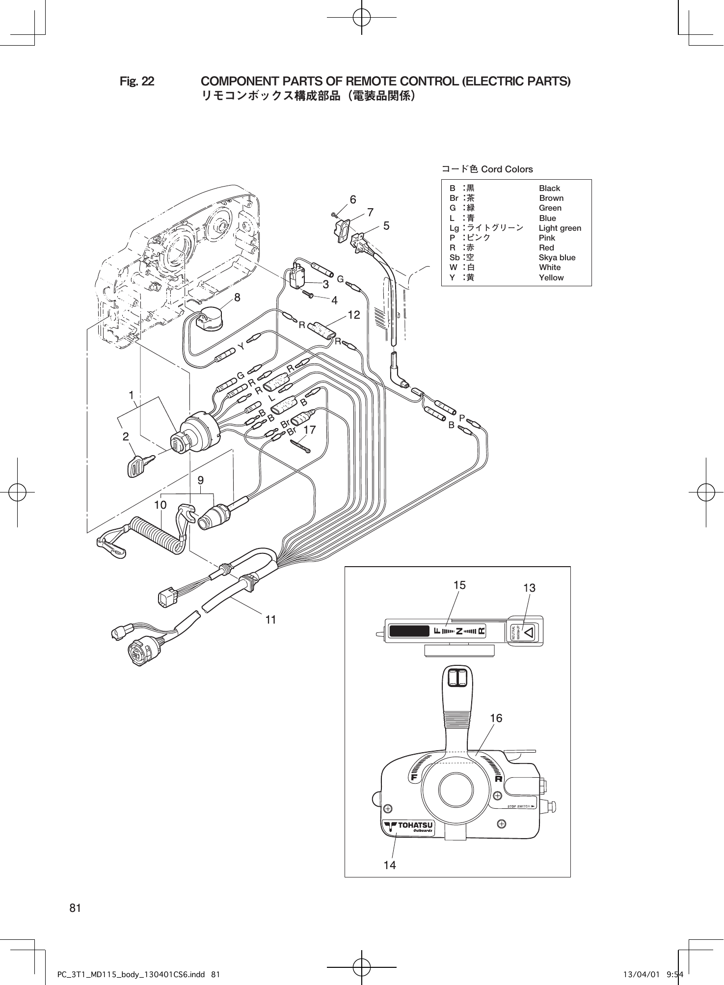
Tohatsu MD115A2 COMPONENT PARTS OF REMOTE CONTROL (ELECTRIC PARTS) parts diagram
Fig. 22 — COMPONENT PARTS OF REMOTE CONTROL (ELECTRIC PARTS)
19 items · 2 available products
Tohatsu MD115A2 ACCESSORIES parts diagram
Fig. 23 — ACCESSORIES
30 items · 4 available products
Tohatsu MD115A2 OPTIONAL PARTS (1) parts diagram
Fig. 24 — OPTIONAL PARTS (1)
31 items · 1 available products
Tohatsu MD115A2 OPTIONAL PARTS (2) parts diagram
Fig. 25 — OPTIONAL PARTS (2)
23 items · 3 available products
Tohatsu MD115A2 RIGGING KIT parts diagram
Fig. 26 — RIGGING KIT
10 items
Tohatsu MD115A2 ASSEMBLY・KIT PARTS parts diagram
Fig. 27 — ASSEMBLY・KIT PARTS
69 items · 9 available products