Catalogs / Tohatsu / Outboard

Tohatsu MD75C2, MD90C2 Parts Catalog

Browse 28 catalog sections for Tohatsu MD75C2, MD90C2. Open a section to view the parts diagram, reference numbers and available products.

Tohatsu MD75C2, MD90C2 CYLINDER・CRANK CASE parts diagram
Fig. 1 — CYLINDER・CRANK CASE
62 items · 1 available products
Tohatsu MD75C2, MD90C2 PISTON・CRANK SHAFT parts diagram
Fig. 2 — PISTON・CRANK SHAFT
22 items · 1 available products
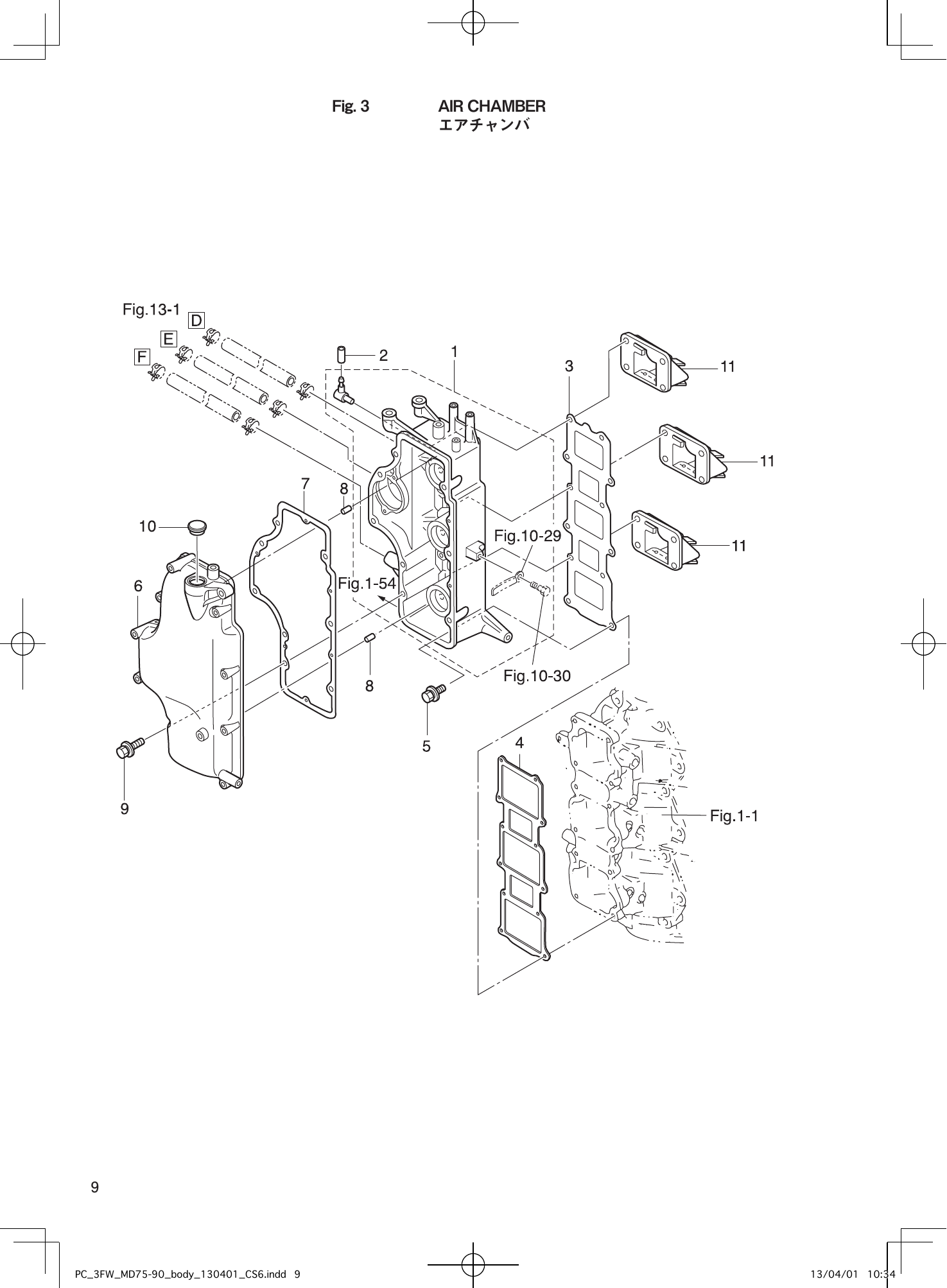
Tohatsu MD75C2, MD90C2 AIR CHAMBER parts diagram
Fig. 3 — AIR CHAMBER
11 items
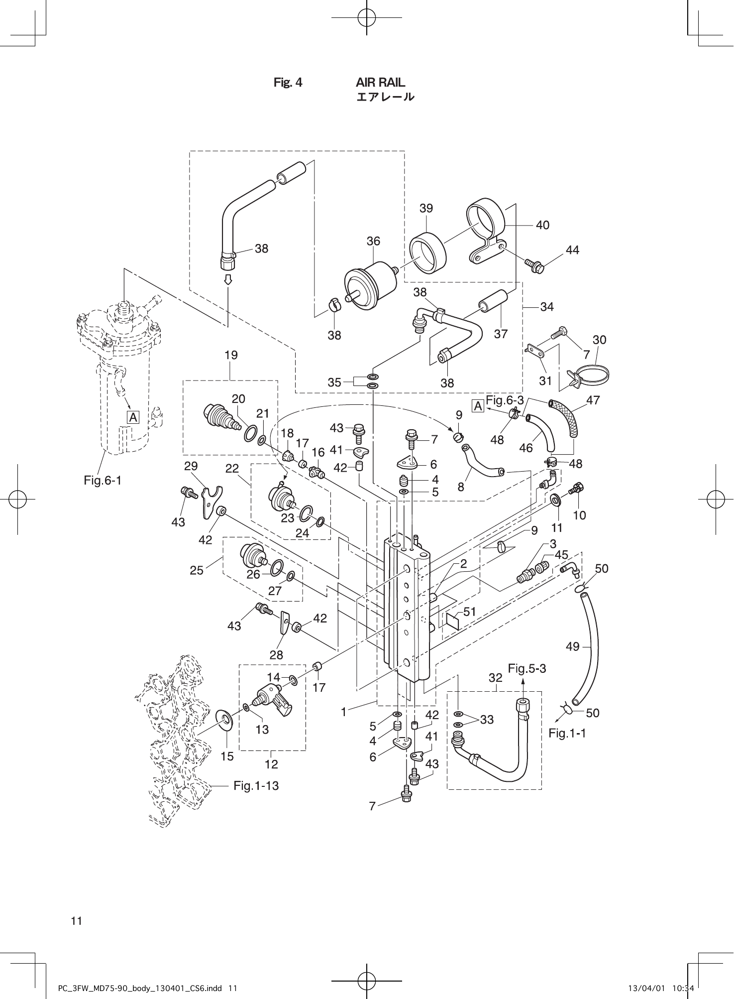
Tohatsu MD75C2, MD90C2 AIR RAIL parts diagram
Fig. 4 — AIR RAIL
51 items · 2 available products
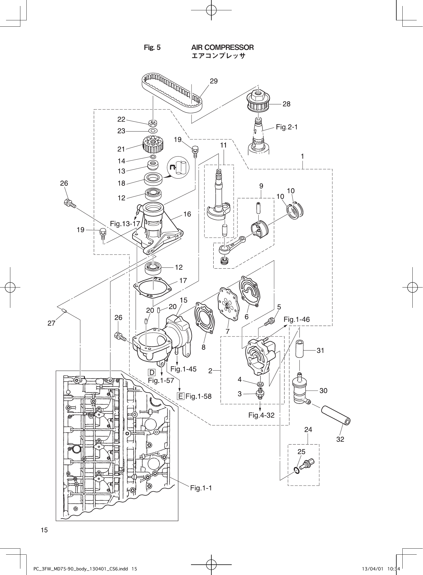
Tohatsu MD75C2, MD90C2 AIR COMPRESSOR parts diagram
Fig. 5 — AIR COMPRESSOR
32 items
Tohatsu MD75C2, MD90C2 FUEL FEED PUMP parts diagram
Fig. 6 — FUEL FEED PUMP
25 items · 1 available products
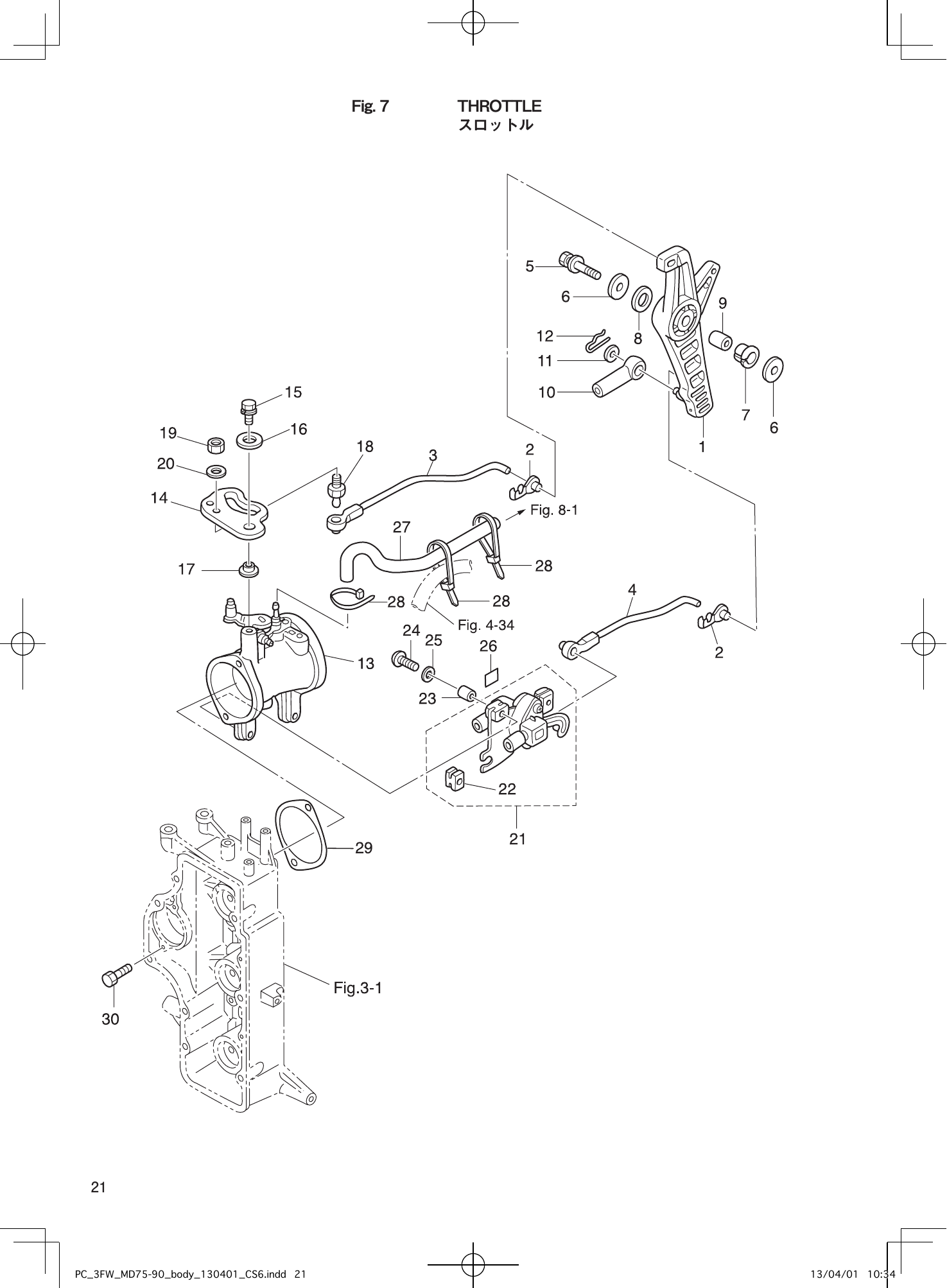
Tohatsu MD75C2, MD90C2 THROTTLE parts diagram
Fig. 7 — THROTTLE
31 items · 1 available products
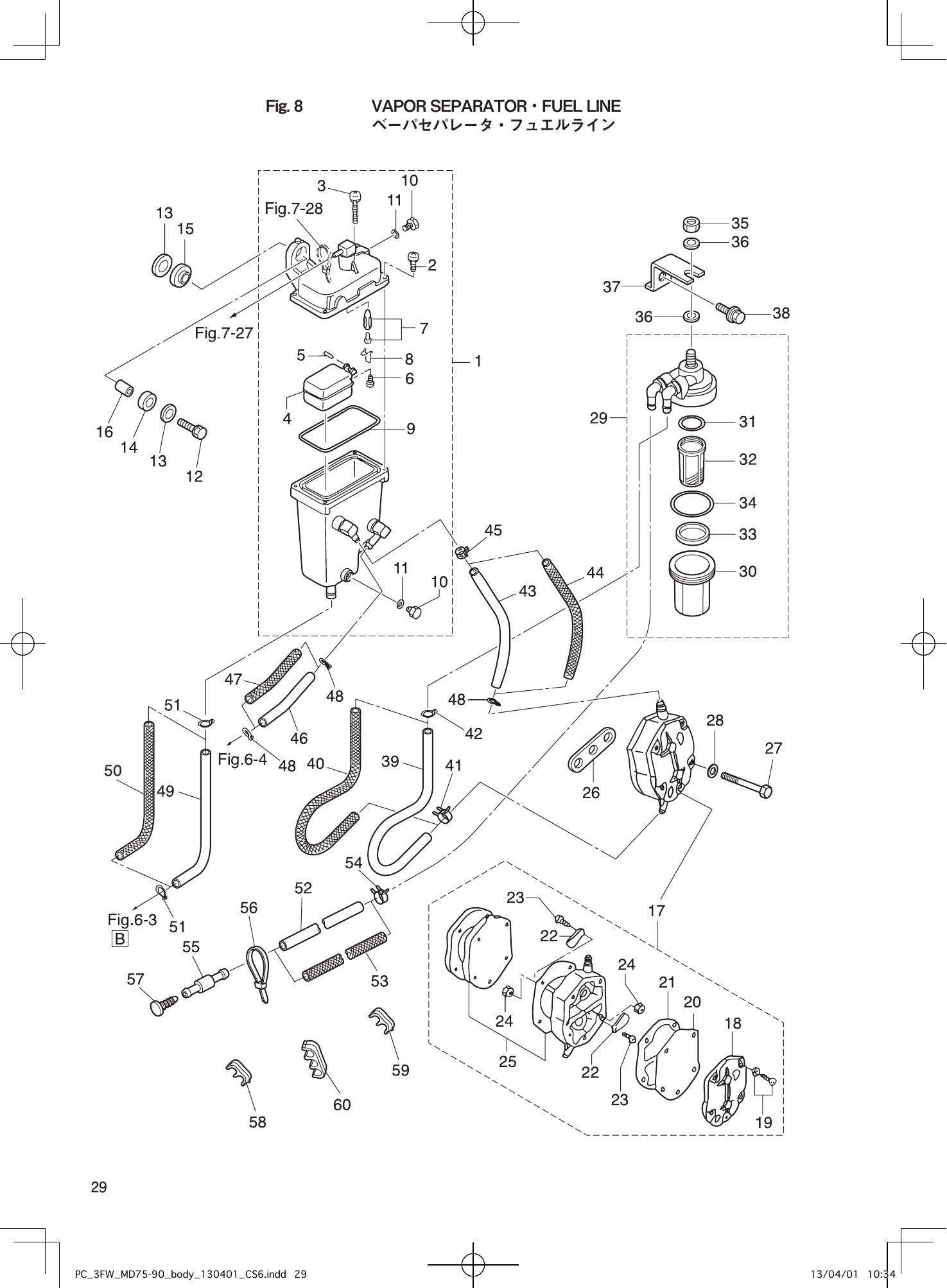
Tohatsu MD75C2, MD90C2 VAPOR SEPARATOR・FUEL LINE parts diagram
Fig. 8 — VAPOR SEPARATOR・FUEL LINE
60 items · 4 available products
Tohatsu MD75C2, MD90C2 MAGNETO parts diagram
Fig. 9 — MAGNETO
9 items
Tohatsu MD75C2, MD90C2 ELECTRIC PARTS (ECU・DIAGRAM) parts diagram
Fig. 10 — ELECTRIC PARTS (ECU・DIAGRAM)
55 items · 2 available products
Tohatsu MD75C2, MD90C2 ELECTRIC PARTS (STARTER MOTOR) (1) parts diagram
Fig. 11 — ELECTRIC PARTS (STARTER MOTOR) (1)
20 items
Tohatsu MD75C2, MD90C2 STARTER MOTOR (2) parts diagram
Fig. 12 — STARTER MOTOR (2)
9 items
Tohatsu MD75C2, MD90C2 OIL PUMP parts diagram
Fig. 13 — OIL PUMP
43 items · 3 available products
Tohatsu MD75C2, MD90C2 DRIVE SHAFT HOUSING parts diagram
Fig. 14 — DRIVE SHAFT HOUSING
42 items · 8 available products
Tohatsu MD75C2, MD90C2 GEAR CASE (DRIVE SHAFT) parts diagram
Fig. 15 — GEAR CASE (DRIVE SHAFT)
69 items · 8 available products
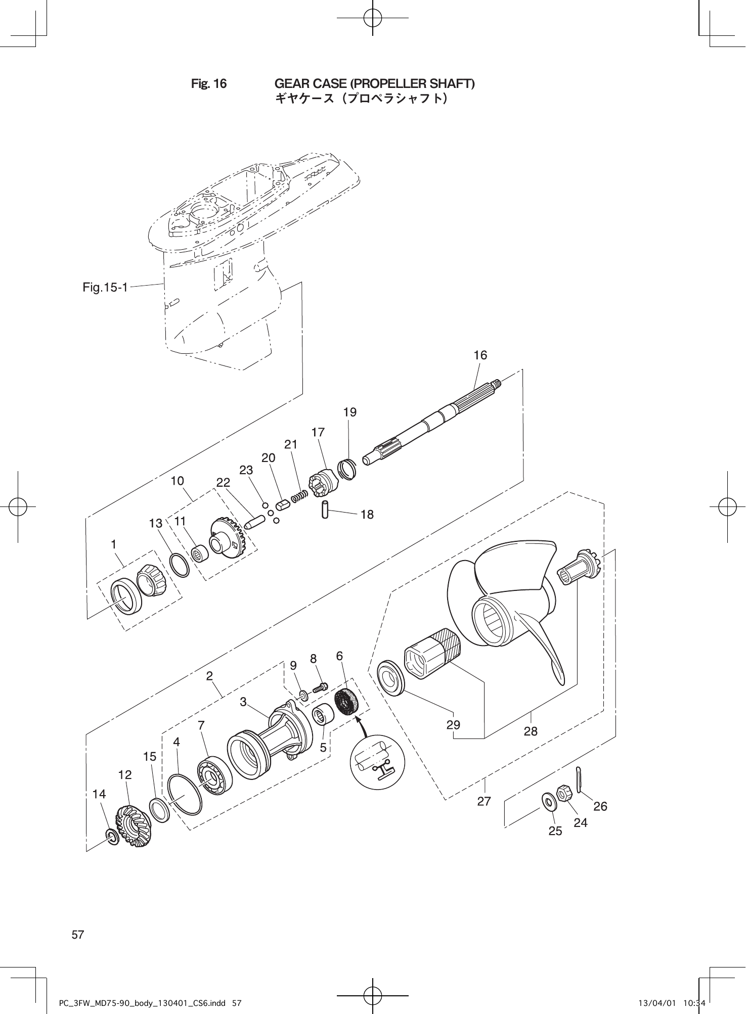
Tohatsu MD75C2, MD90C2 GEAR CASE (PROPELLER SHAFT) parts diagram
Fig. 16 — GEAR CASE (PROPELLER SHAFT)
39 items · 4 available products
Tohatsu MD75C2, MD90C2 BRACKET parts diagram
Fig. 17 — BRACKET
88 items · 10 available products
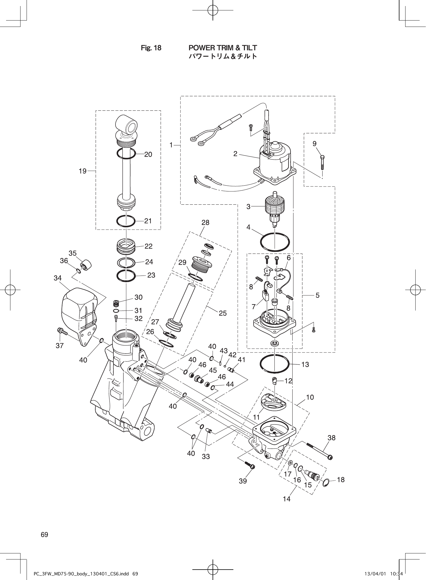
Tohatsu MD75C2, MD90C2 POWER TRIM & TILT parts diagram
Fig. 18 — POWER TRIM & TILT
46 items
Tohatsu MD75C2, MD90C2 BOTTOM COWL parts diagram
Fig. 19 — BOTTOM COWL
46 items · 1 available products
Tohatsu MD75C2, MD90C2 SHIFT parts diagram
Fig. 20 — SHIFT
21 items · 2 available products
Tohatsu MD75C2, MD90C2 TOP COWL parts diagram
Fig. 21 — TOP COWL
27 items · 2 available products
Tohatsu MD75C2, MD90C2 COMPONENT PARTS OF REMOTE CONTROL parts diagram
Fig. 22 — COMPONENT PARTS OF REMOTE CONTROL
49 items · 1 available products
Tohatsu MD75C2, MD90C2 COMPONENT PARTS OF REMOTE CONTROL (ELECTRIC PARTS) parts diagram
Fig. 23 — COMPONENT PARTS OF REMOTE CONTROL (ELECTRIC PARTS)
20 items · 2 available products
Tohatsu MD75C2, MD90C2 ACCESSORIES parts diagram
Fig. 24 — ACCESSORIES
17 items · 3 available products
Tohatsu MD75C2, MD90C2 OPTIONAL PARTS (1) parts diagram
Fig. 25 — OPTIONAL PARTS (1)
58 items · 2 available products
Tohatsu MD75C2, MD90C2 OPTIONAL PARTS (2) parts diagram
Fig. 26 — OPTIONAL PARTS (2)
18 items · 2 available products
Tohatsu MD75C2, MD90C2 RIGGING KIT parts diagram
Fig. 27 — RIGGING KIT
11 items
Tohatsu MD75C2, MD90C2 ASSEMBLY・KIT PARTS parts diagram
Fig. 28 — ASSEMBLY・KIT PARTS
68 items · 9 available products