Catalogs / Tohatsu / Outboard
Tohatsu MFS40A, MFS50A Parts Catalog
Browse 25 catalog sections for Tohatsu MFS40A, MFS50A. Open a section to view the parts diagram, reference numbers and available products.
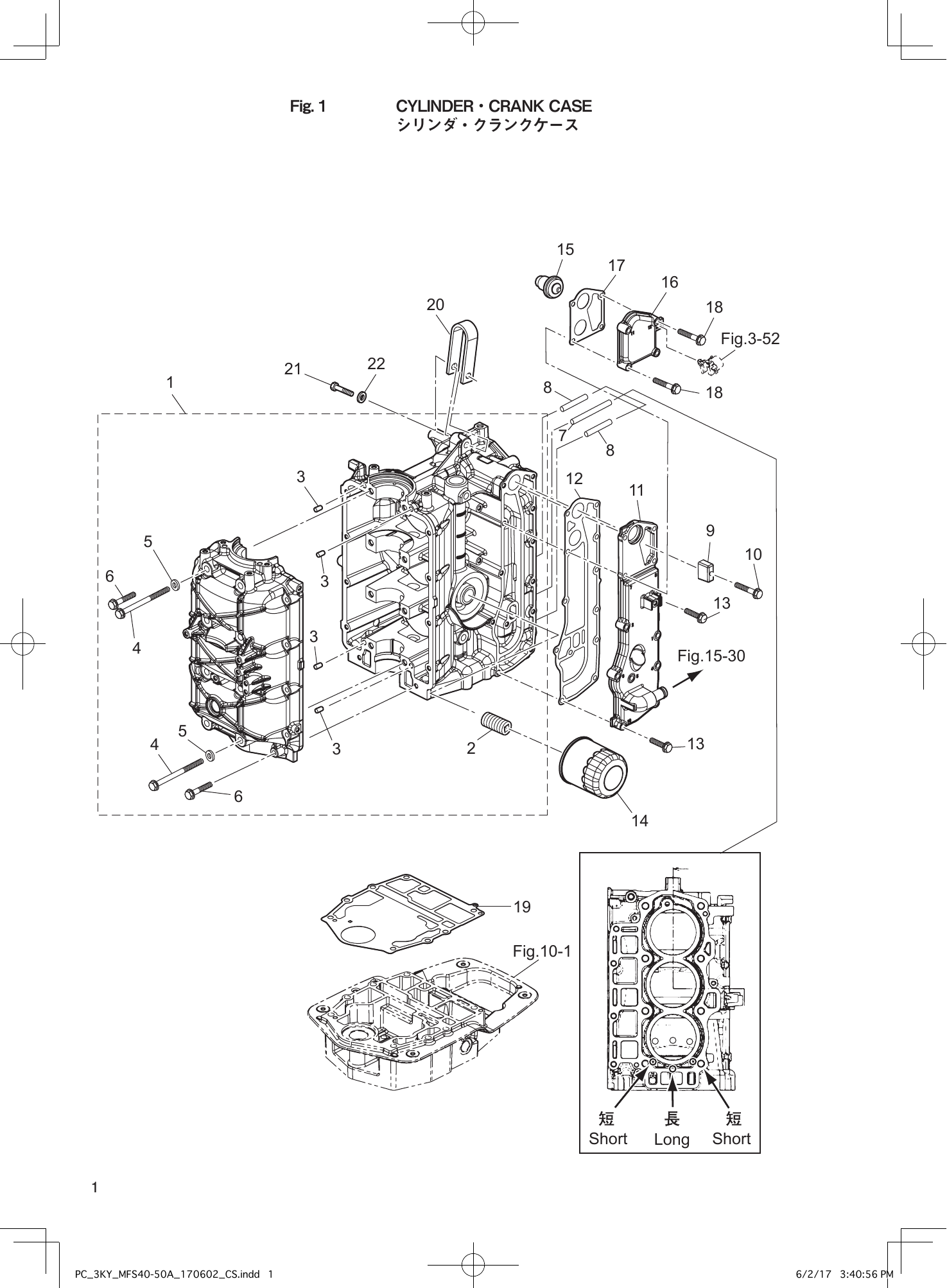
Fig. 1 — CYLINDER・CRANK CASE
22 items
Fig. 2 — PISTON・CRANK SHAFT
25 items
· 1 available products
Fig. 3 — CYLINDER HEAD・OIL PUMP
52 items
· 2 available products
Fig. 4 — PULLEY・TIMING BELT
8 items
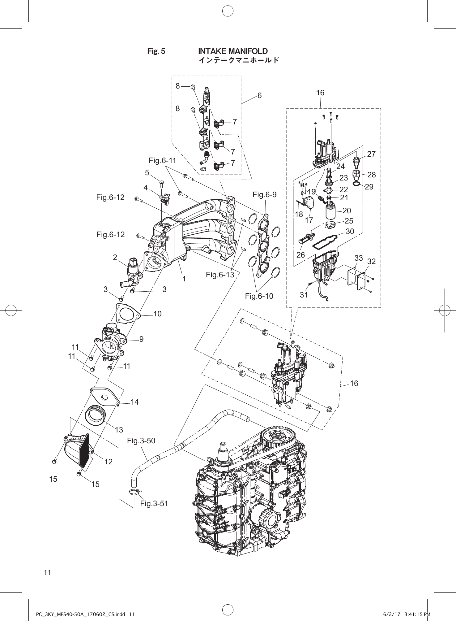
Fig. 5 — INTAKE MANIFOLD
33 items
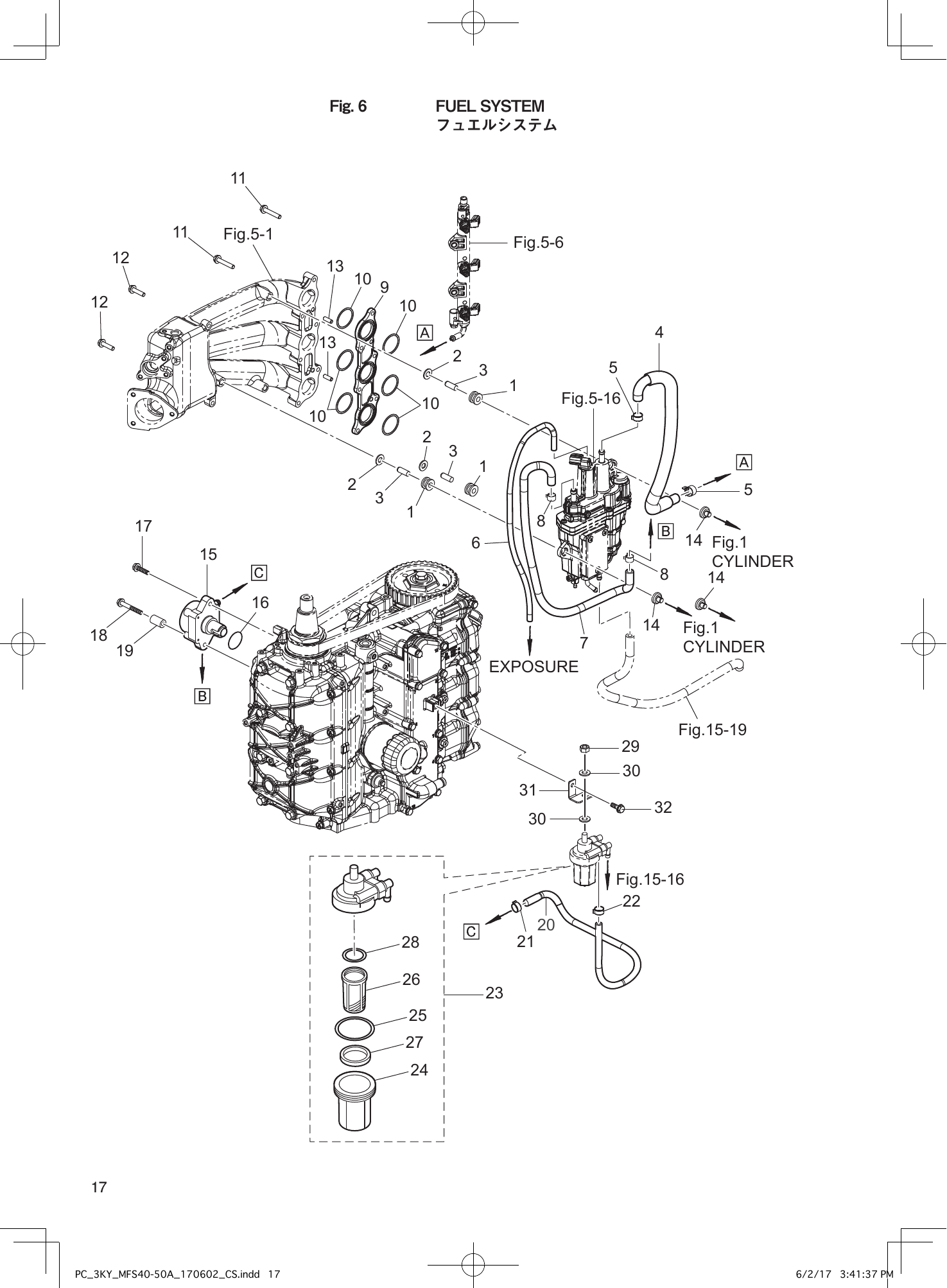
Fig. 6 — FUEL SYSTEM
34 items
· 4 available products
Fig. 7 — MAGNETO
28 items
Fig. 8 — ELECTRIC PARTS (STARTER MOTOR)
17 items
· 1 available products
Fig. 9 — ELECTRIC PARTS
39 items
· 1 available products
Fig. 10 — DRIVE SHAFT HOUSING
36 items
· 4 available products
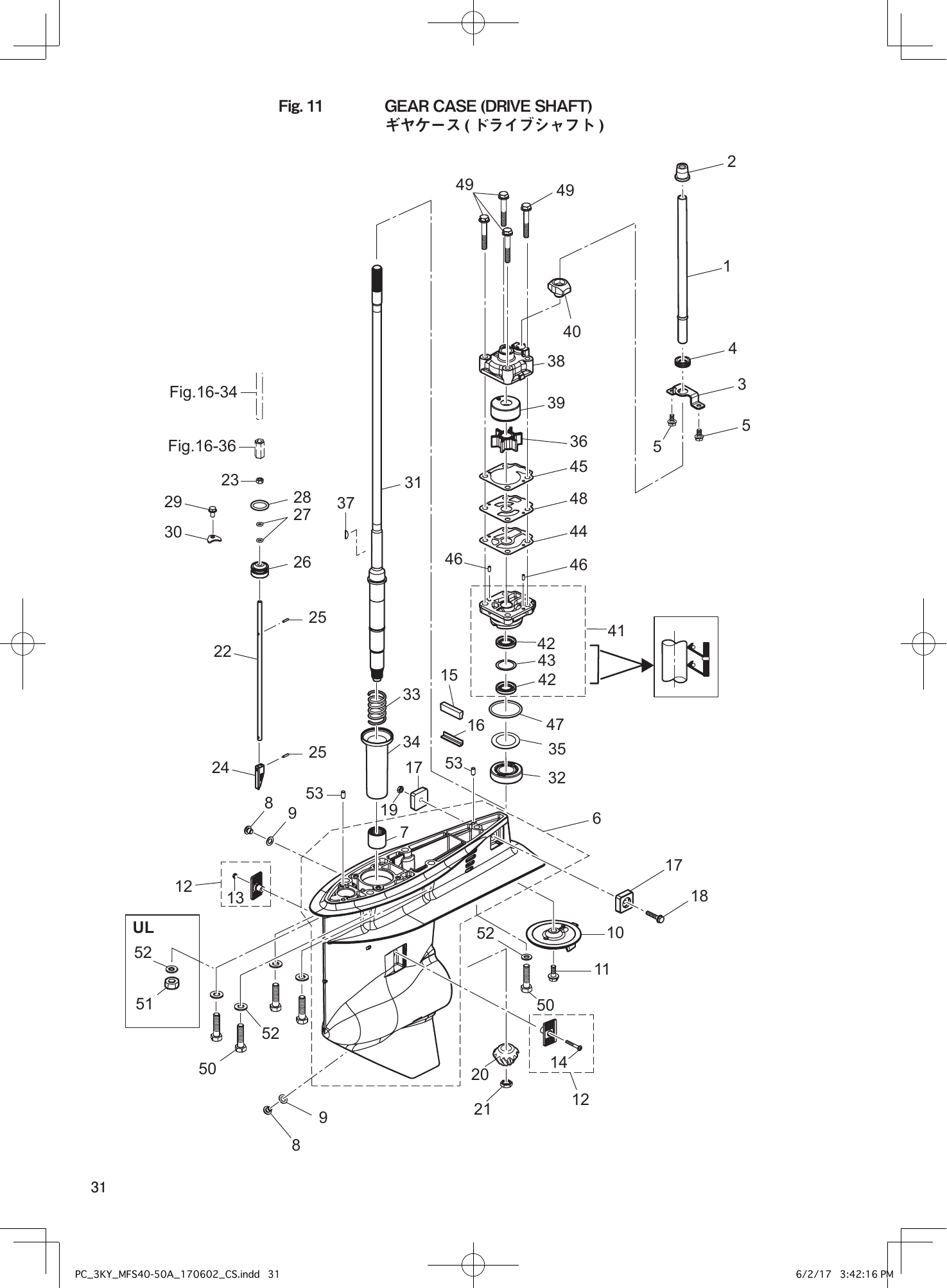
Fig. 11 — GEAR CASE (DRIVE SHAFT)
61 items
· 8 available products
Fig. 12 — GEAR CASE (PROPELLER SHAFT)
36 items
· 6 available products
Fig. 13 — BRACKET
82 items
· 10 available products
Fig. 14 — POWER TRIM&TILT
27 items
· 1 available products
Fig. 15 — BOTTOM COWL
43 items
· 3 available products
Fig. 16 — SHIFT・THROTTLE
40 items
· 1 available products
Fig. 17 — STEERING
9 items
Fig. 18 — TOP COWL
11 items
· 1 available products
Fig. 19 — FUEL TANK
21 items
· 5 available products
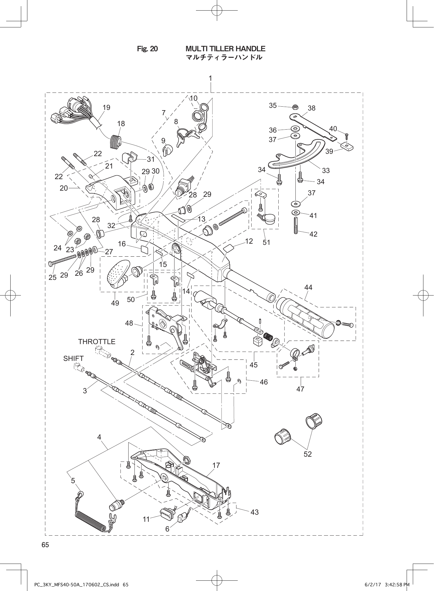
Fig. 20 — MULTI TILLER HANDLE
54 items
· 1 available products
Fig. 21 — COMPONENT PARTS OF REMOTE CONTROL
48 items
· 1 available products
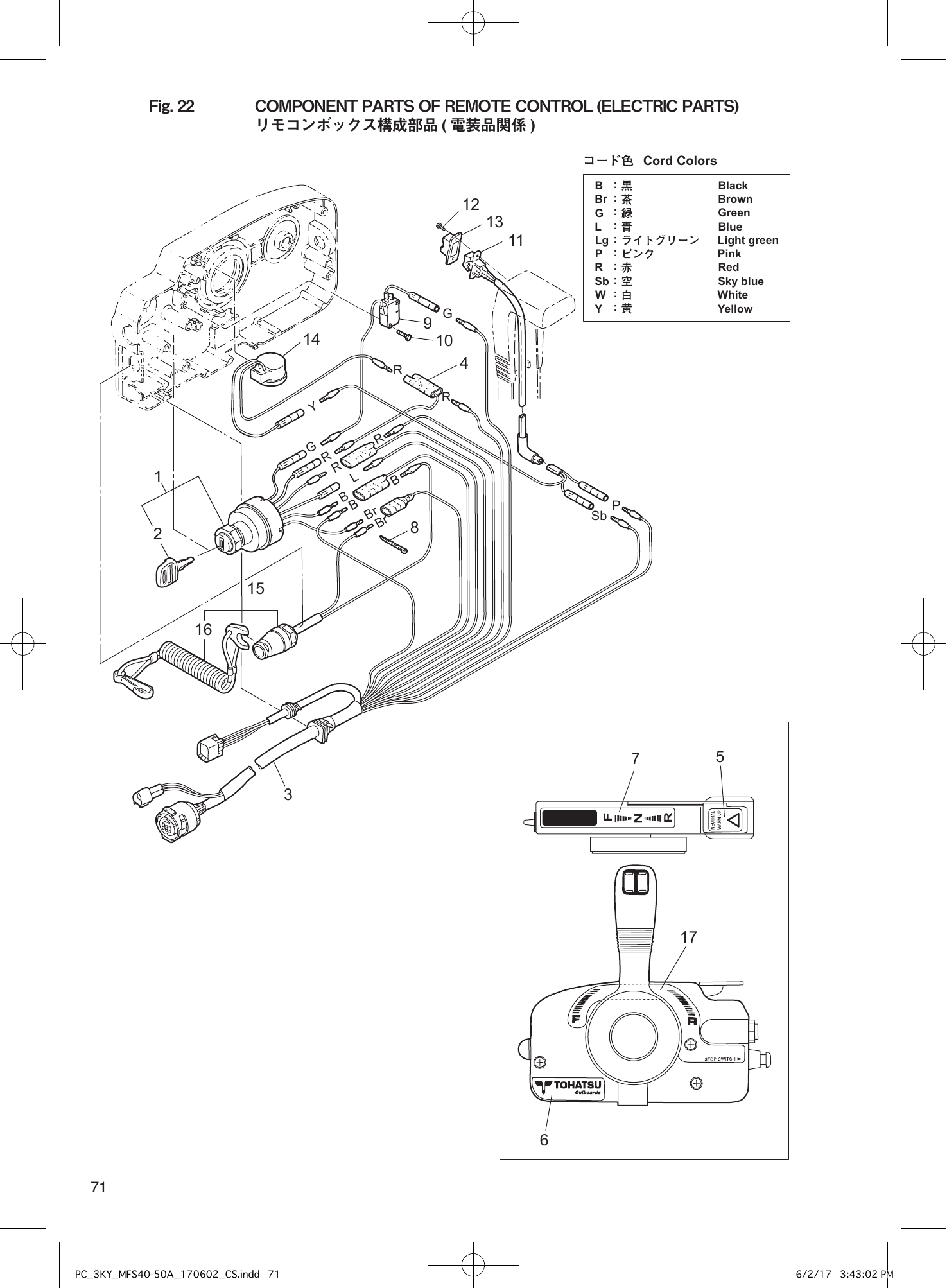
Fig. 22 — COMPONENT PARTS OF REMOTE CONTROL (ELECTRIC PARTS)
19 items
· 2 available products
Fig. 23 — OPTIONAL PARTS・ACCESSORIES
21 items
Fig. 25 — RIGGING KIT
9 items
Fig. 26 — ASSEMBLY・KIT PARTS
81 items
· 8 available products