Catalogs / Tohatsu / Outboard
Tohatsu MFS4C, MFS5C, MFS6C Parts Catalog
Browse 17 catalog sections for Tohatsu MFS4C, MFS5C, MFS6C. Open a section to view the parts diagram, reference numbers and available products.
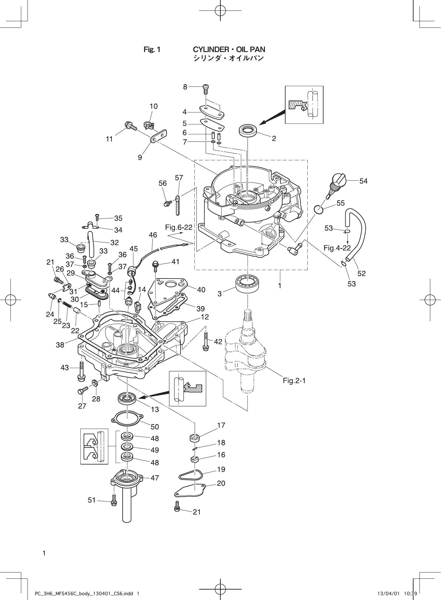
Fig. 1 — CYLINDER・OIL PAN
57 items
· 2 available products
Fig. 2 — PISTON・CRANK SHAFT
19 items
· 4 available products
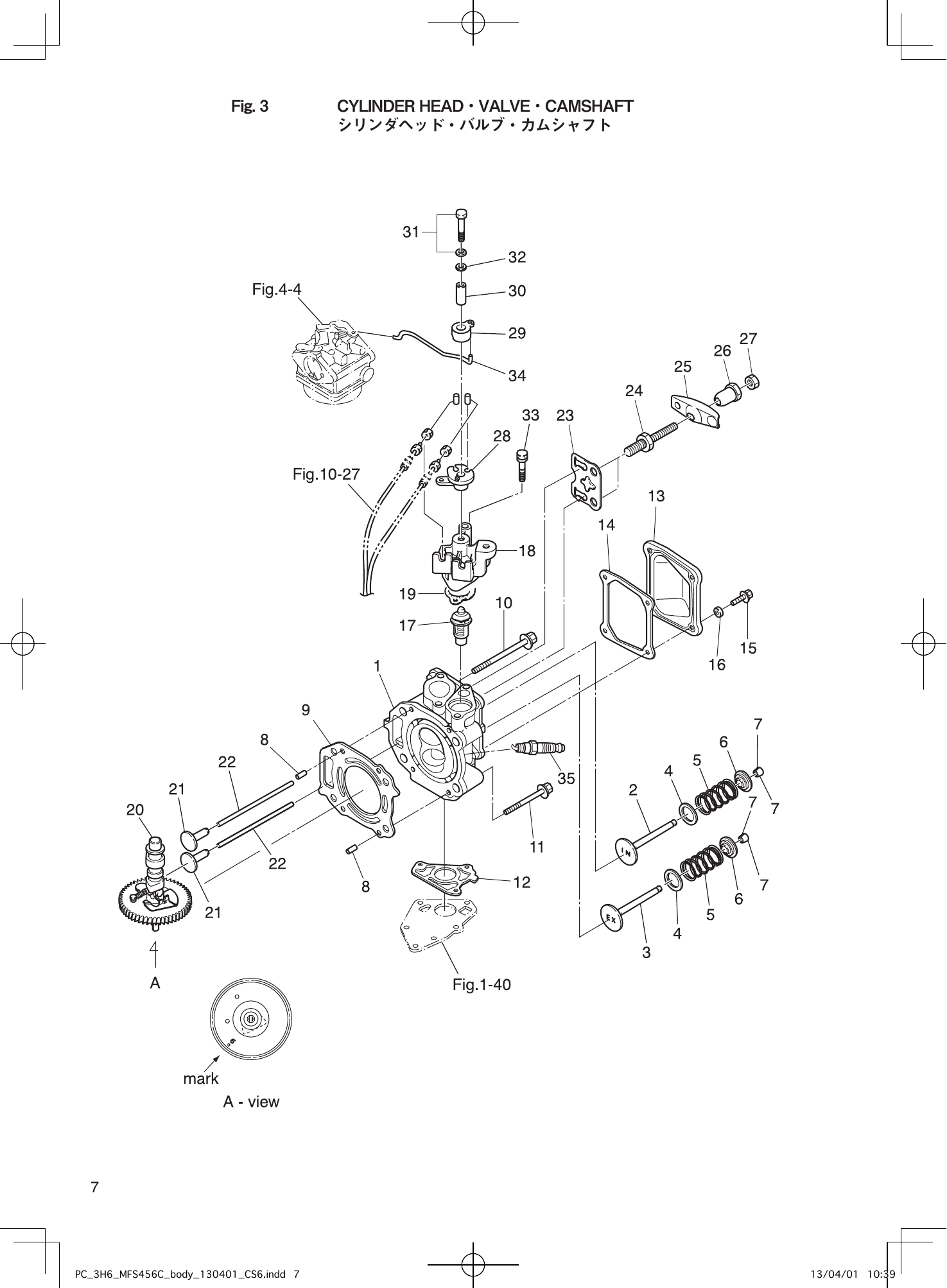
Fig. 3 — CYLINDER HEAD・VALVE・CAMSHAFT
35 items
· 1 available products
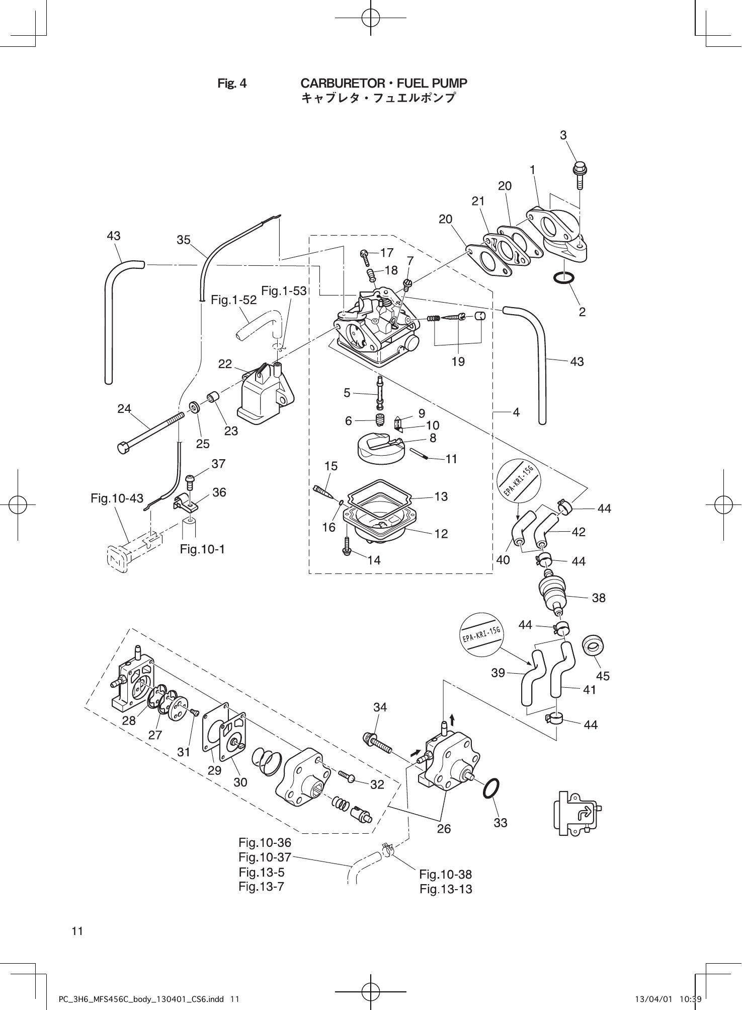
Fig. 4 — CARBURETOR・FUEL PUMP
52 items
· 1 available products
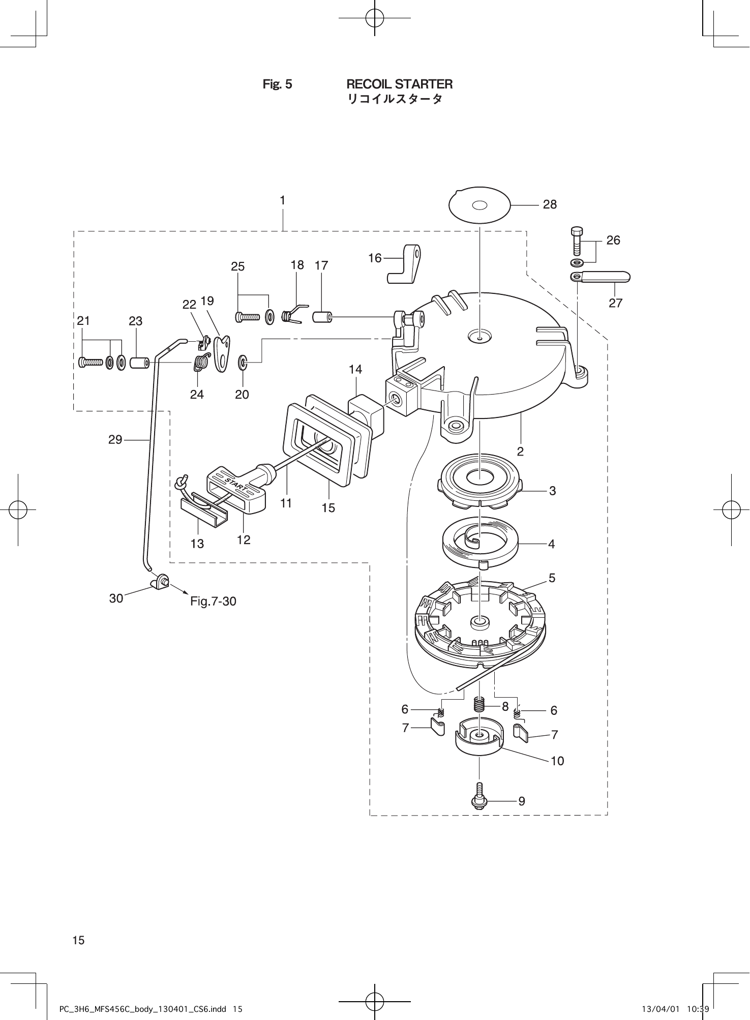
Fig. 5 — RECOIL STARTER
30 items
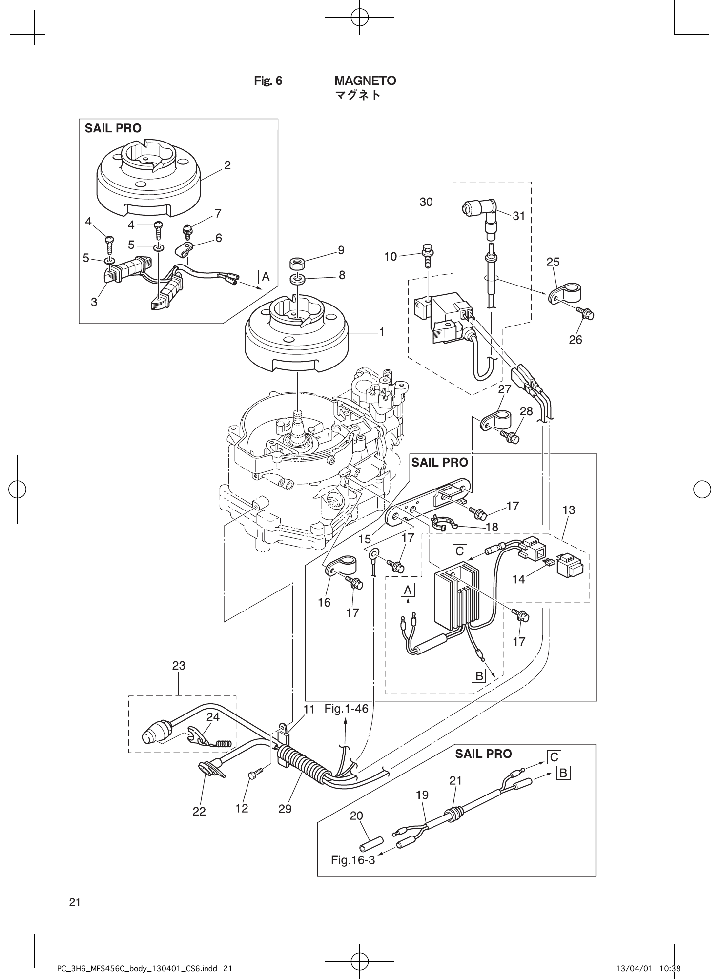
Fig. 6 — MAGNETO
31 items
· 1 available products
Fig. 7 — DRIVE SHAFT HOUSING・SHIFT
41 items
· 4 available products
Fig. 8 — GEAR CASE
77 items
· 15 available products
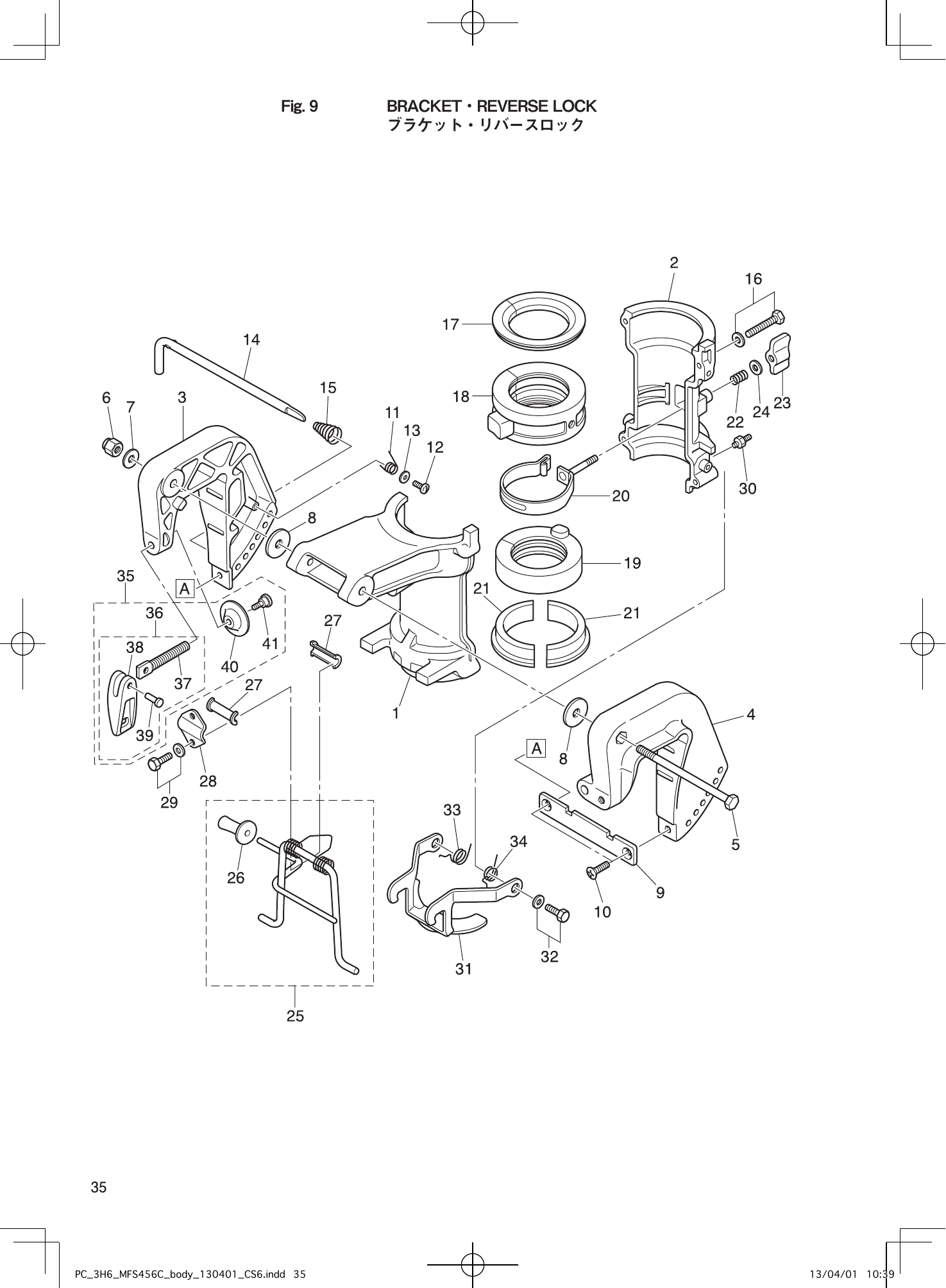
Fig. 9 — BRACKET・REVERSE LOCK
41 items
· 7 available products
Fig. 10 — BOTTOM COWL・TILLER HANDLE
59 items
· 4 available products
Fig. 11 — TOP COWL
14 items
Fig. 12 — SEPARATE FUEL TANK
29 items
· 5 available products
Fig. 13 — INTEGRAL FUEL TANK
24 items
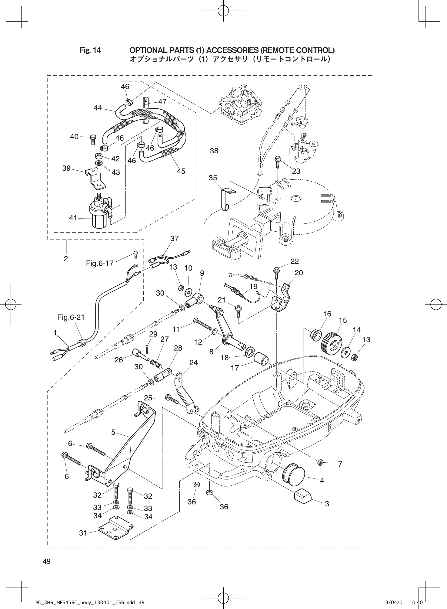
Fig. 14 — OPTIONAL PARTS (1) ACCESSORIES (REMOTE CONTROL)
50 items
· 5 available products
Fig. 15 — COMPONENT PARTS OF REMOTE CONTROL
55 items
· 2 available products
Fig. 16 — OPTIONAL PARTS (2) ACCESSORIES
32 items
· 1 available products
Fig. 17 — ASSEMBLY・KIT PARTS
59 items
· 5 available products