Catalogs / Tohatsu / Outboard

Tohatsu MFS6BZ, MFS8B, MFS9.8B Parts Catalog

Browse 25 catalog sections for Tohatsu MFS6BZ, MFS8B, MFS9.8B. Open a section to view the parts diagram, reference numbers and available products.

Tohatsu MFS6BZ, MFS8B, MFS9.8B CYLINDER・CRANK CASE parts diagram
Fig. 1 — CYLINDER・CRANK CASE
23 items · 2 available products
Tohatsu MFS6BZ, MFS8B, MFS9.8B PISTON・CRANK SHAFT parts diagram
Fig. 2 — PISTON・CRANK SHAFT
20 items · 2 available products
Tohatsu MFS6BZ, MFS8B, MFS9.8B CYLINDER HEAD・OIL PUMP parts diagram
Fig. 3 — CYLINDER HEAD・OIL PUMP
34 items · 2 available products
Tohatsu MFS6BZ, MFS8B, MFS9.8B PULLEY・TIMING BELT parts diagram
Fig. 4 — PULLEY・TIMING BELT
17 items · 1 available products
Tohatsu MFS6BZ, MFS8B, MFS9.8B INTAKE MANIFOLD・FUEL PUMP parts diagram
Fig. 5 — INTAKE MANIFOLD・FUEL PUMP
51 items · 2 available products
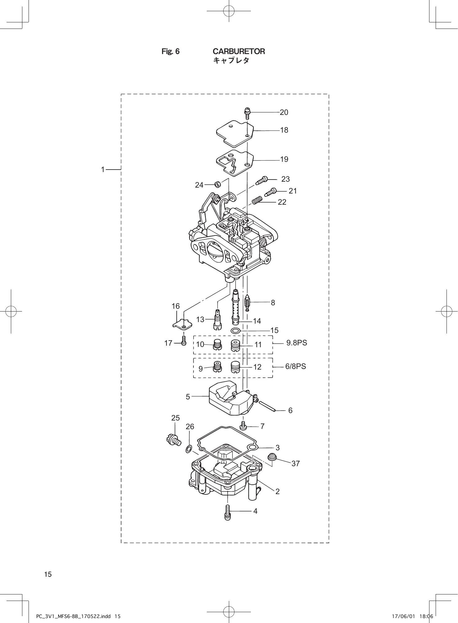
Tohatsu MFS6BZ, MFS8B, MFS9.8B CARBURETOR parts diagram
Fig. 6 — CARBURETOR
31 items · 1 available products
Tohatsu MFS6BZ, MFS8B, MFS9.8B RECOIL STARTER parts diagram
Fig. 7 — RECOIL STARTER
37 items · 2 available products
Tohatsu MFS6BZ, MFS8B, MFS9.8B MAGNETO・ELECTRIC PARTS parts diagram
Fig. 8 — MAGNETO・ELECTRIC PARTS
85 items · 5 available products
Tohatsu MFS6BZ, MFS8B, MFS9.8B DRIVE SHAFT HOUSING parts diagram
Fig. 9 — DRIVE SHAFT HOUSING
20 items · 3 available products
Tohatsu MFS6BZ, MFS8B, MFS9.8B GEAR CASE parts diagram
Fig. 10 — GEAR CASE
79 items · 19 available products
Tohatsu MFS6BZ, MFS8B, MFS9.8B BRACKET (MF・EF MODEL) parts diagram
Fig. 11 — BRACKET (MF・EF MODEL)
55 items · 10 available products
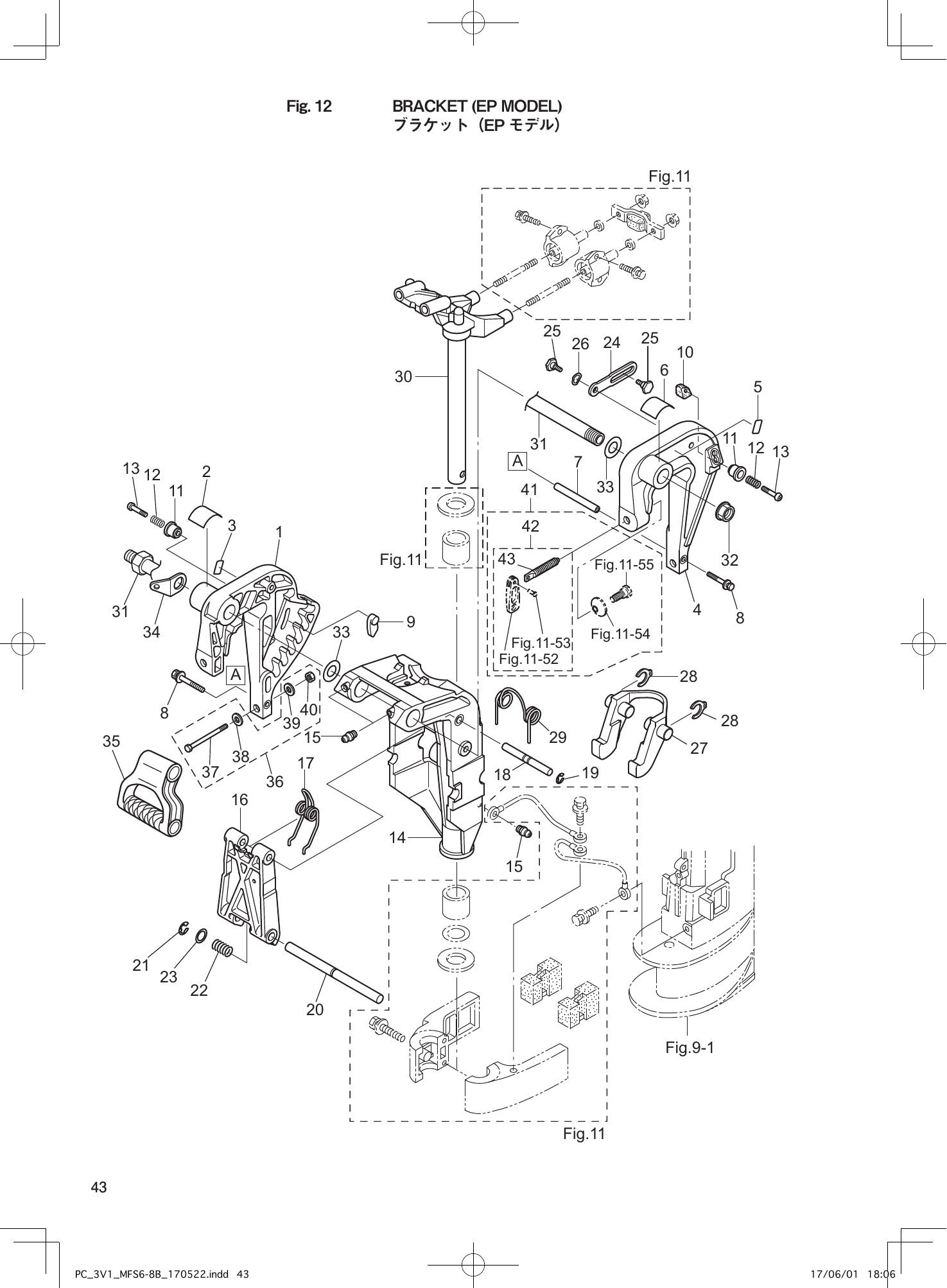
Tohatsu MFS6BZ, MFS8B, MFS9.8B BRACKET (EP MODEL) parts diagram
Fig. 12 — BRACKET (EP MODEL)
43 items · 1 available products
Tohatsu MFS6BZ, MFS8B, MFS9.8B BRACKET (EFT・EPT MODEL) parts diagram
Fig. 13 — BRACKET (EFT・EPT MODEL)
48 items · 3 available products
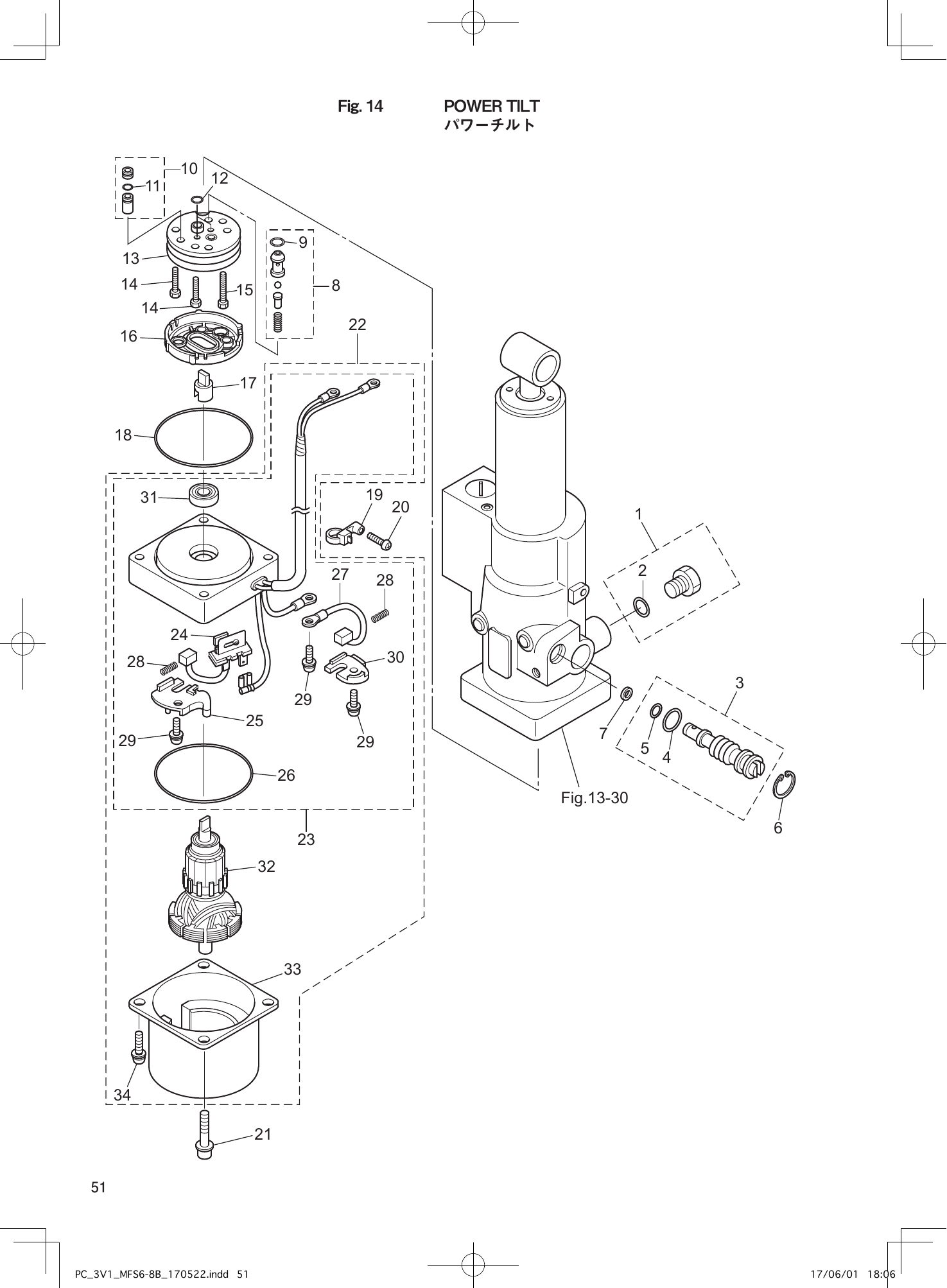
Tohatsu MFS6BZ, MFS8B, MFS9.8B POWER TILT parts diagram
Fig. 14 — POWER TILT
34 items
Tohatsu MFS6BZ, MFS8B, MFS9.8B TILLER HANDLE parts diagram
Fig. 15 — TILLER HANDLE
35 items · 1 available products
Tohatsu MFS6BZ, MFS8B, MFS9.8B BOTTOM COWL parts diagram
Fig. 16 — BOTTOM COWL
33 items · 5 available products
Tohatsu MFS6BZ, MFS8B, MFS9.8B SHIFT parts diagram
Fig. 17 — SHIFT
29 items · 3 available products
Tohatsu MFS6BZ, MFS8B, MFS9.8B REMOTE CONTROL PARTS parts diagram
Fig. 18 — REMOTE CONTROL PARTS
32 items · 4 available products
Tohatsu MFS6BZ, MFS8B, MFS9.8B TOP COWL parts diagram
Fig. 19 — TOP COWL
11 items
Tohatsu MFS6BZ, MFS8B, MFS9.8B FUEL TANK parts diagram
Fig. 20 — FUEL TANK
29 items · 5 available products
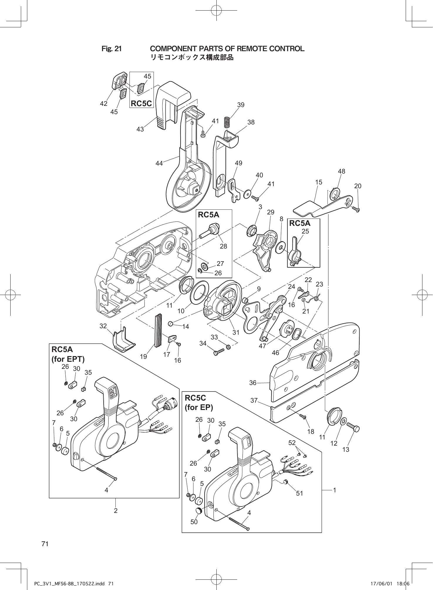
Tohatsu MFS6BZ, MFS8B, MFS9.8B COMPONENT PARTS OF REMOTE CONTROL parts diagram
Fig. 21 — COMPONENT PARTS OF REMOTE CONTROL
54 items · 1 available products
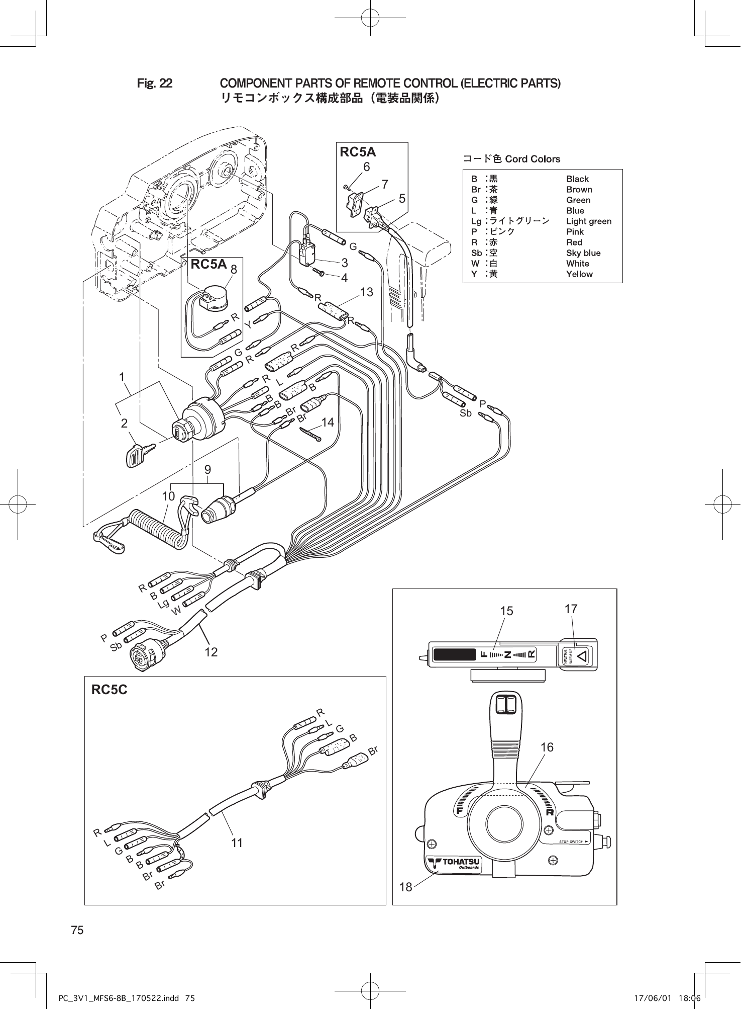
Tohatsu MFS6BZ, MFS8B, MFS9.8B COMPONENT PARTS OF REMOTE CONTROL (ELECTRIC PARTS) parts diagram
Fig. 22 — COMPONENT PARTS OF REMOTE CONTROL (ELECTRIC PARTS)
20 items · 2 available products
Tohatsu MFS6BZ, MFS8B, MFS9.8B OPTIONAL PARTS (REMOTE CONTROL) parts diagram
Fig. 23 — OPTIONAL PARTS (REMOTE CONTROL)
23 items · 3 available products
Tohatsu MFS6BZ, MFS8B, MFS9.8B OPTIONAL PARTS (ACCESSORIES) parts diagram
Fig. 24 — OPTIONAL PARTS (ACCESSORIES)
33 items · 3 available products
Tohatsu MFS6BZ, MFS8B, MFS9.8B ASSEMBLY・KIT PARTS parts diagram
Fig. 25 — ASSEMBLY・KIT PARTS
143 items · 12 available products