Catalogs / Tohatsu / Outboard
Tohatsu MFS9.9D, MFS15D, MFS20D Parts Catalog
Browse 23 catalog sections for Tohatsu MFS9.9D, MFS15D, MFS20D. Open a section to view the parts diagram, reference numbers and available products.
Fig. 1 — CYLINDER・CRANK CASE
45 items
· 4 available products
Fig. 2 — PISTON・CRANK SHAFT
15 items
· 4 available products
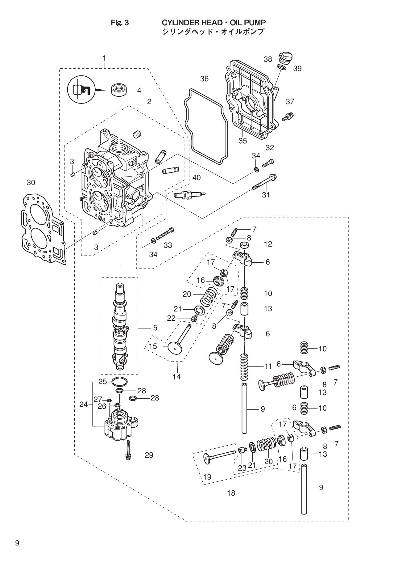
Fig. 3 — CYLINDER HEAD・OIL PUMP
40 items
· 4 available products
Fig. 4 — PULLEY・TIMING BELT
11 items
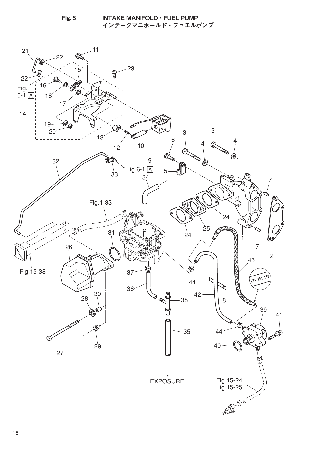
Fig. 5 — INTAKE MANIFOLD・FUEL PUMP
45 items
· 4 available products
Fig. 6 — CARBURETOR
63 items
· 1 available products
Fig. 7 — RECOIL STARTER
33 items
· 1 available products
Fig. 8 — MAGNETO・ELECTRIC PARTS
102 items
· 3 available products
Fig. 9 — DRIVE SHAFT HOUSING
36 items
· 3 available products
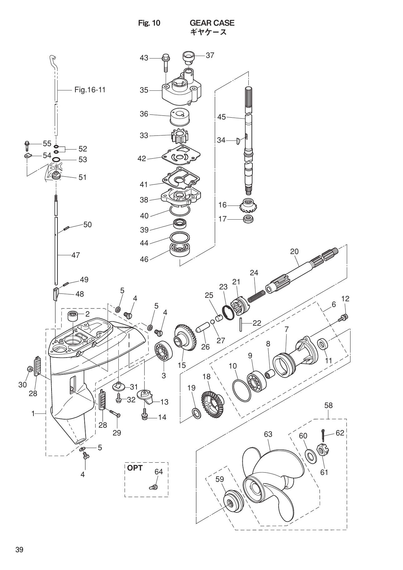
Fig. 10 — GEAR CASE
75 items
· 25 available products
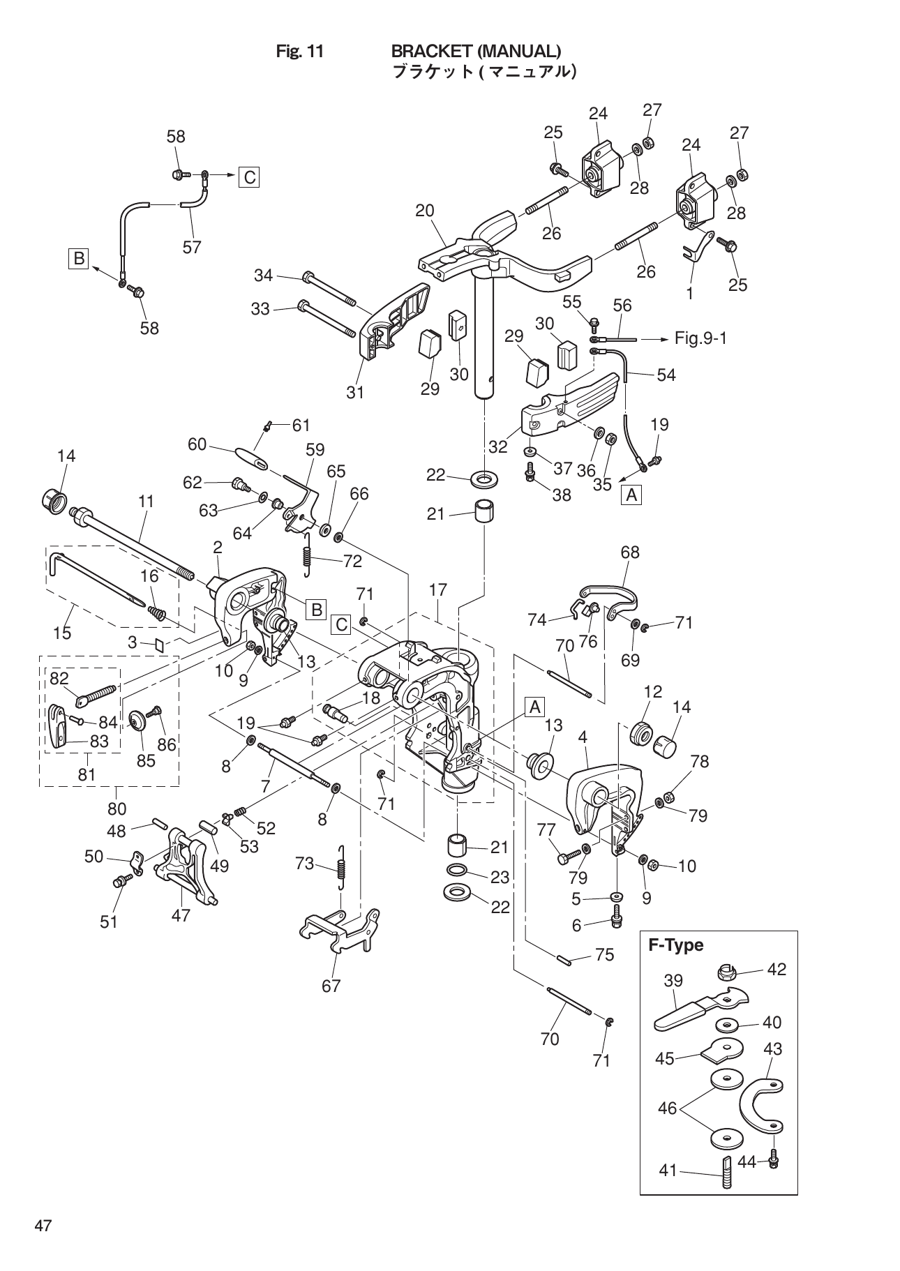
Fig. 11 — BRACKET (MANUAL)
87 items
· 13 available products
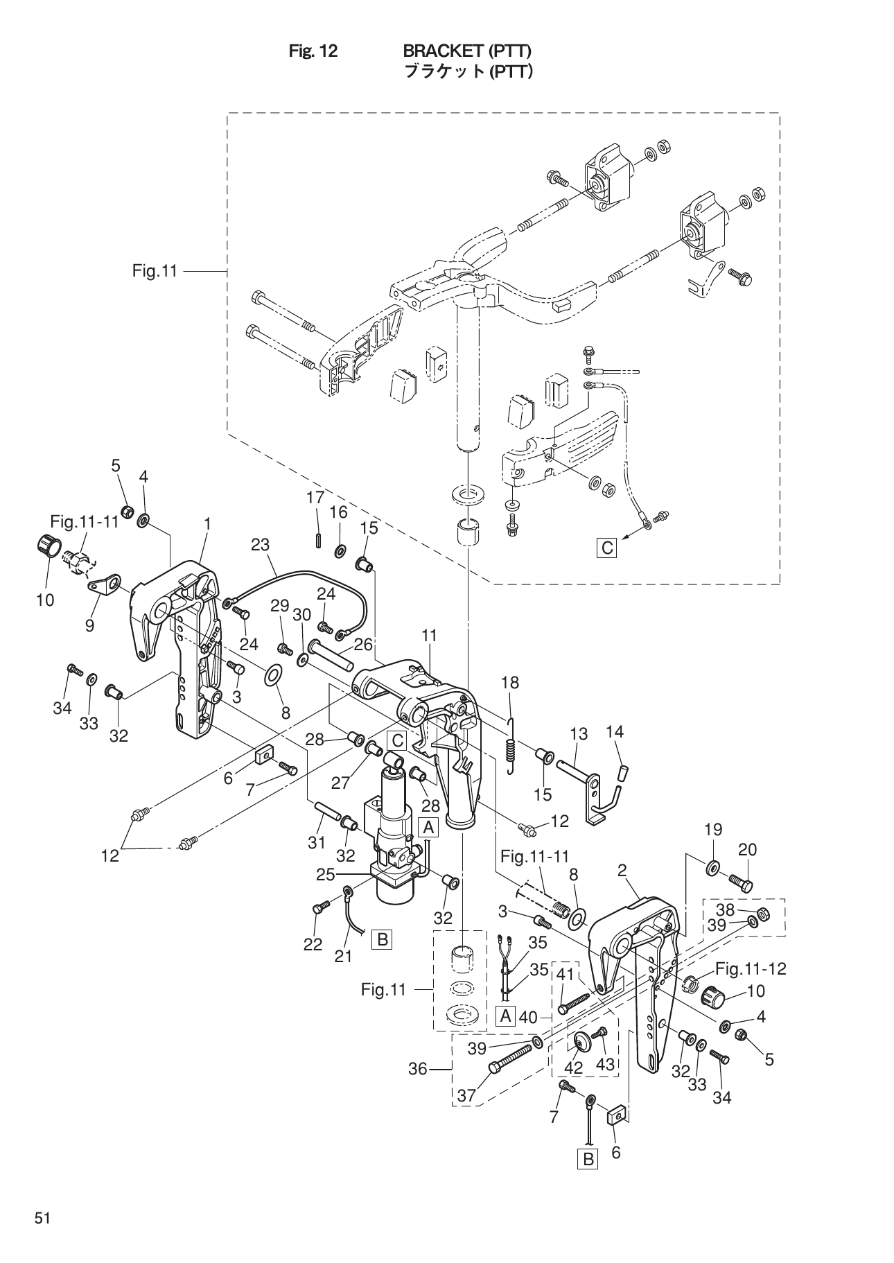
Fig. 12 — BRACKET (PTT)
43 items
· 3 available products
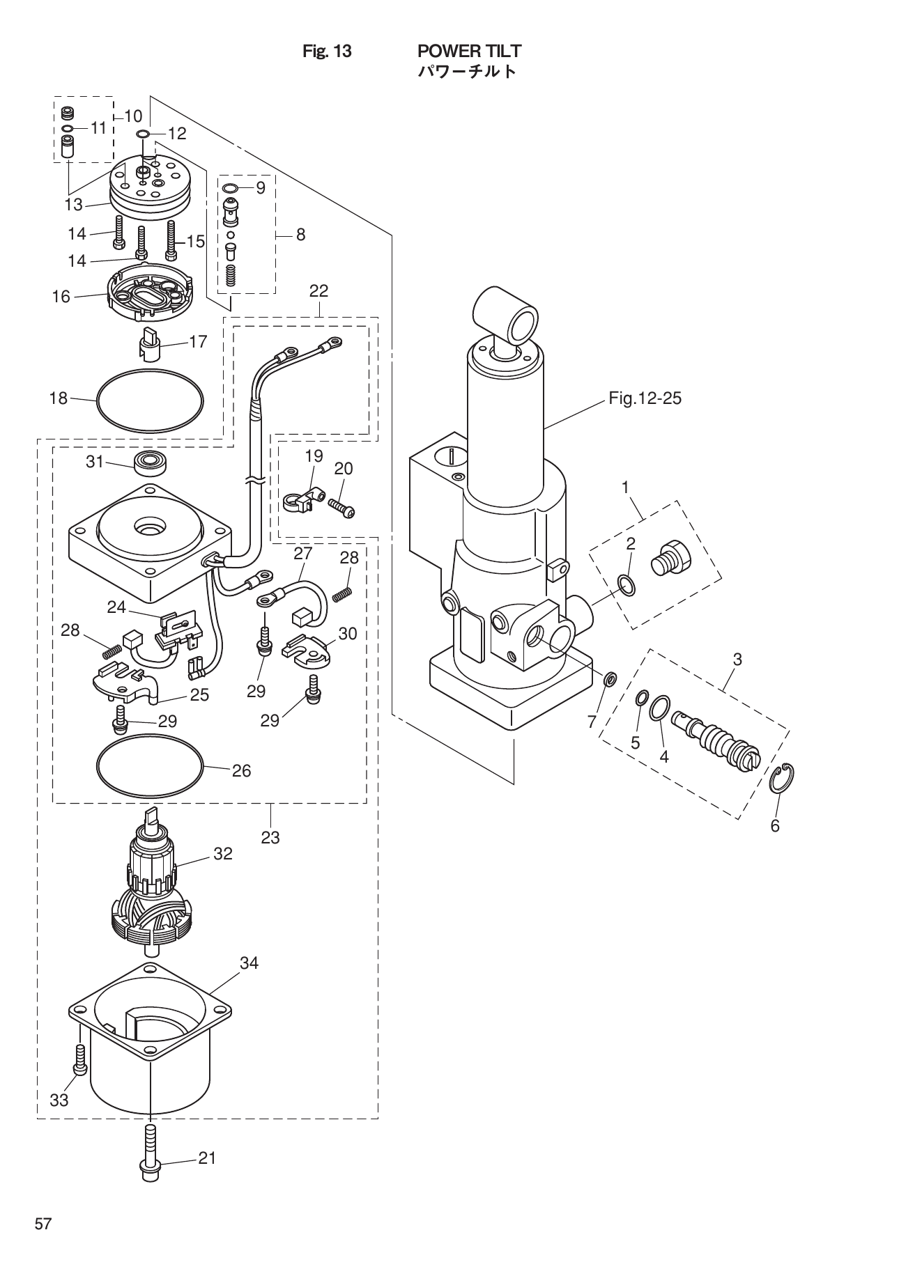
Fig. 13 — POWER TILT
34 items
Fig. 14 — TILLER HANDLE
35 items
· 1 available products
Fig. 15 — BOTTOM COWL
63 items
· 8 available products
Fig. 16 — SHIFT
16 items
Fig. 17 — REMOTE CONTROL PARTS
39 items
· 4 available products
Fig. 18 — TOP COWL
14 items
· 1 available products
Fig. 19 — FUEL TANK
28 items
· 5 available products
Fig. 20 — COMPONENT PARTS OF REMOTE CONTROL
52 items
· 1 available products
Fig. 21 — COMPONENT PARTS OF REMOTE CONTROL (ELECTRIC PARTS)
19 items
· 2 available products
Fig. 22 — OPTIONAL PARTS・ACCESSORIES
27 items
· 2 available products
Fig. 23 — ASSEMBLY・KIT PARTS
131 items
· 13 available products