Catalogs / Tohatsu / Outboard
Tohatsu MX25H, M25H, M30H, MX30H, 25JET Parts Catalog
Browse 19 catalog sections for Tohatsu MX25H, M25H, M30H, MX30H, 25JET. Open a section to view the parts diagram, reference numbers and available products.
Fig. 1 — CYLINDER・CRANK CASE
101 items
· 10 available products
Fig. 2 — PISTON・CRANK SHAFT
45 items
· 12 available products
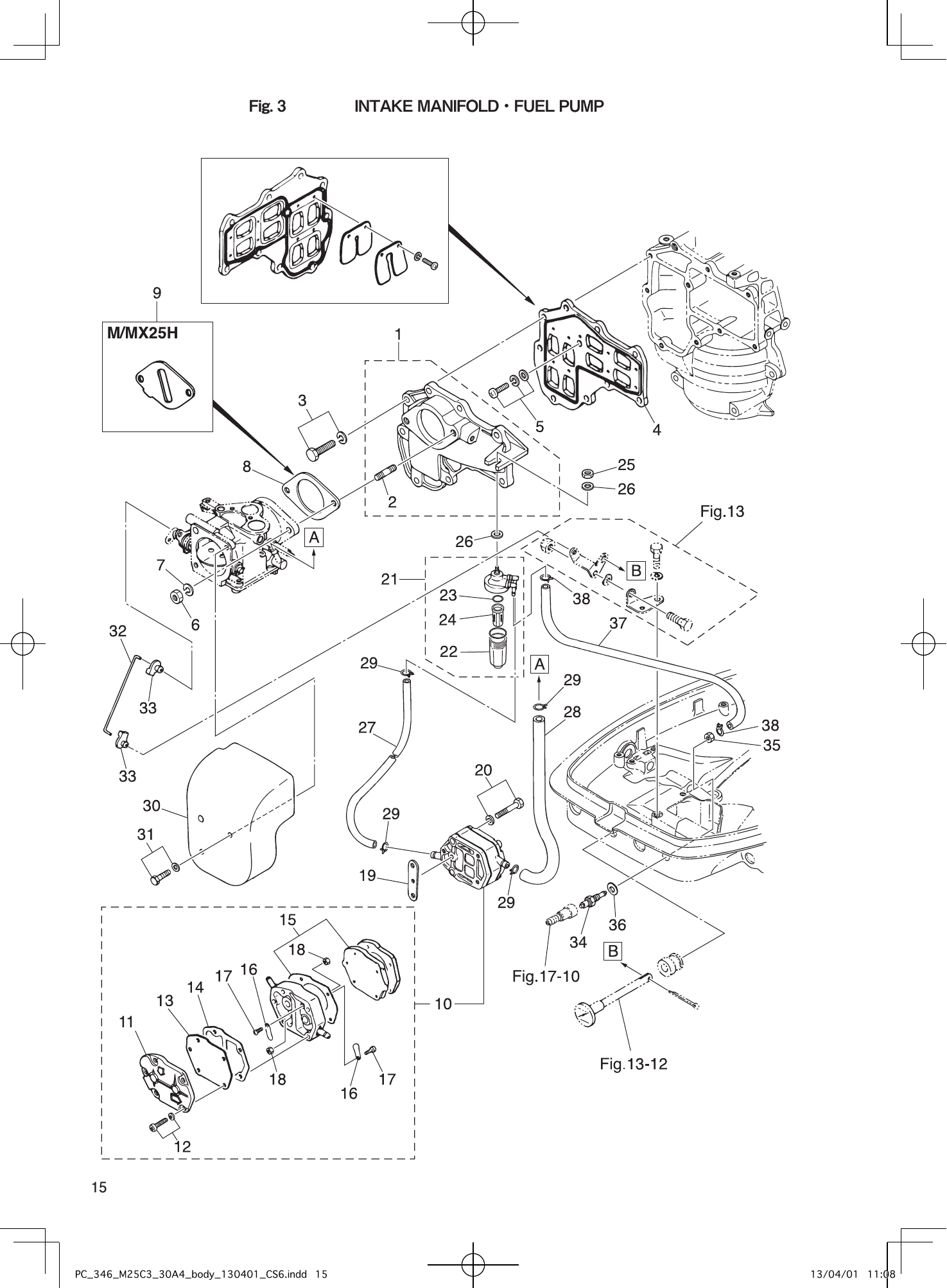
Fig. 3 — INTAKE MANIFOLD・FUEL PUMP
39 items
· 5 available products
Fig. 4 — CARBURETOR
27 items
Fig. 5 — RECOIL STARTER
41 items
· 8 available products
Fig. 6 — MAGNETO
54 items
· 7 available products
Fig. 8 — DRIVE SHAFT HOUSING
10 items
Fig. 10 — JET DRIVE
41 items
· 4 available products
Fig. 11 — BRACKET
84 items
· 15 available products
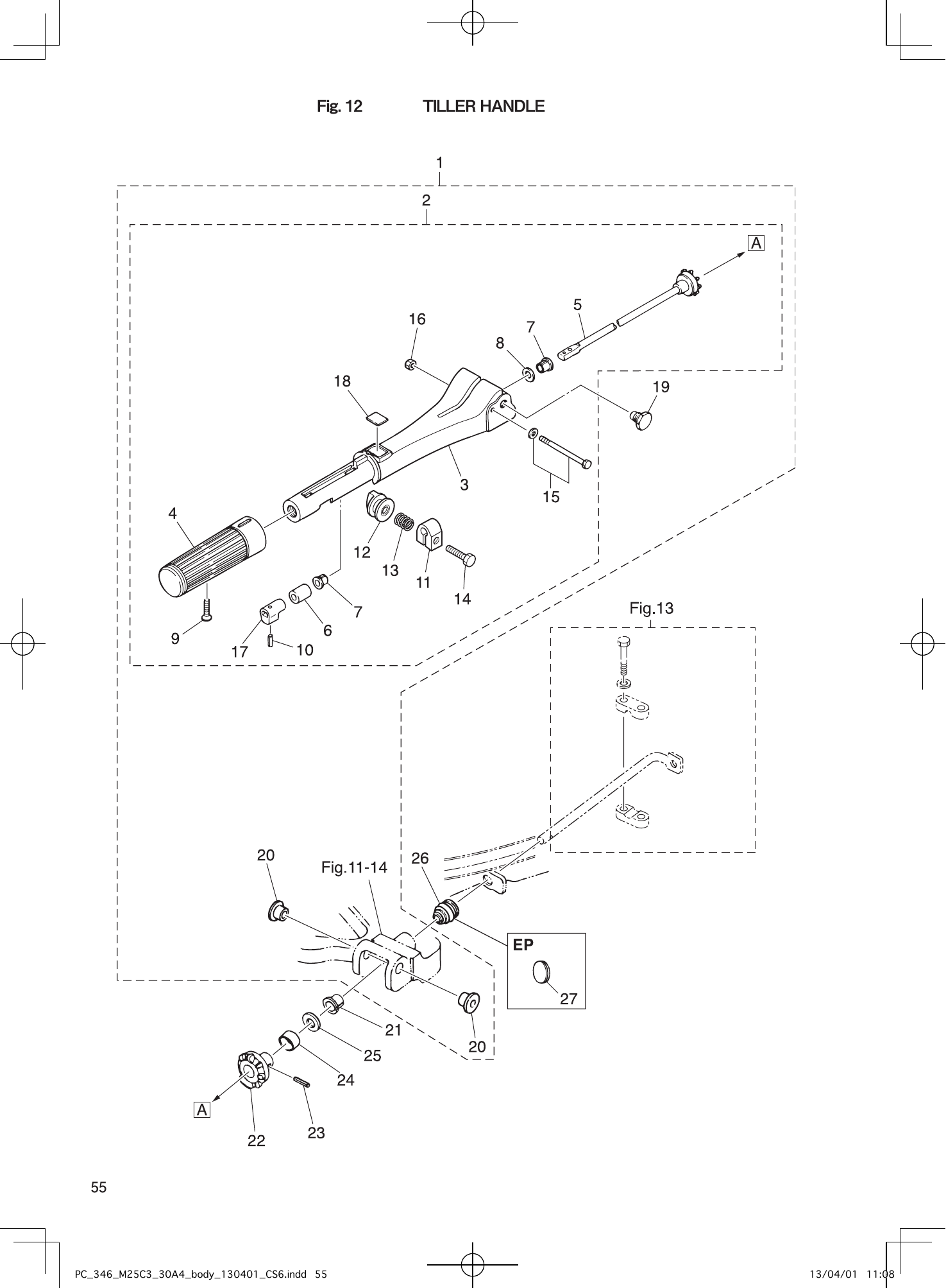
Fig. 12 — TILLER HANDLE
27 items
· 1 available products
Fig. 13 — BOTTOM COWL
39 items
· 9 available products
Fig. 14 — SHIFT
26 items
· 4 available products
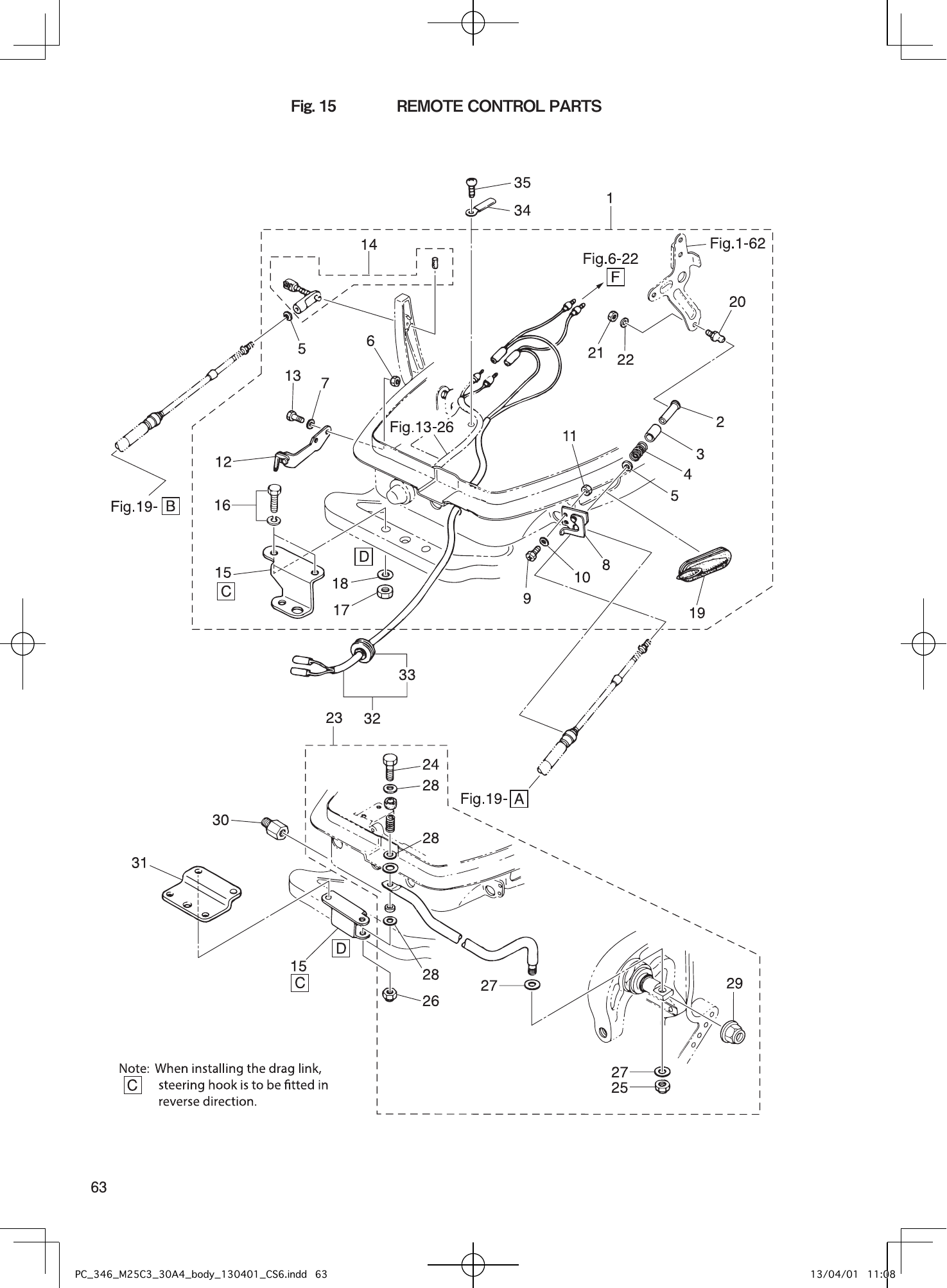
Fig. 15 — REMOTE CONTROL PARTS
36 items
· 2 available products
Fig. 16 — TOP COWL
15 items
· 1 available products
Fig. 17 — FUEL TANK
17 items
· 4 available products
Fig. 18 — COMPONENT PARTS OF REMOTE CONTROL
53 items
· 1 available products
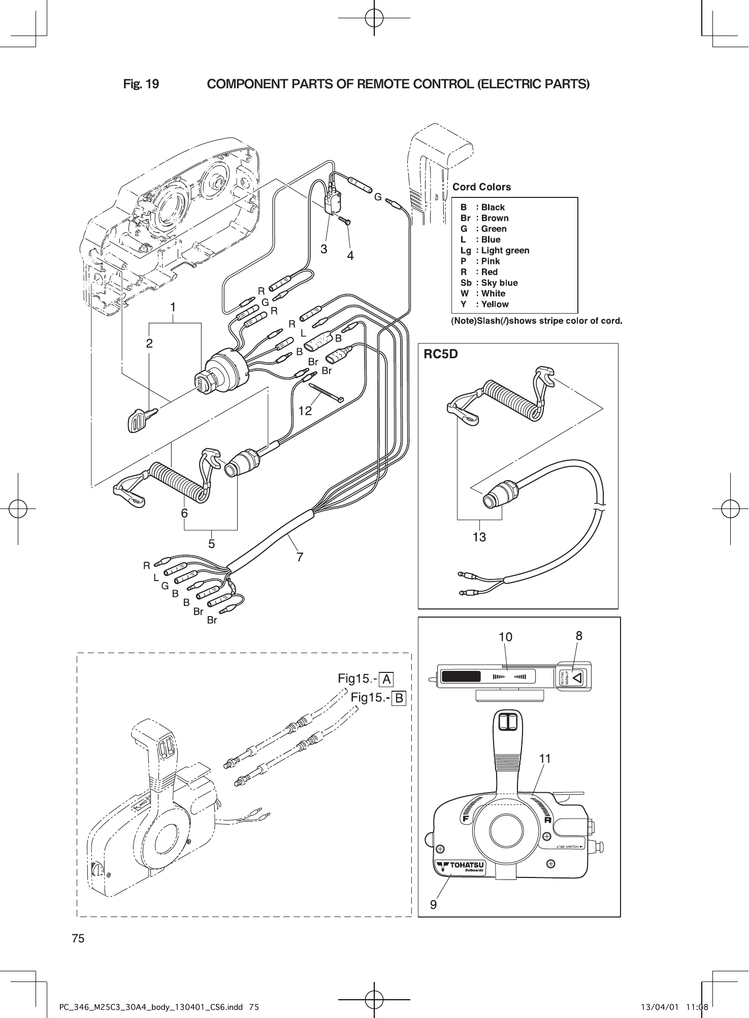
Fig. 19 — COMPONENT PARTS OF REMOTE CONTROL (ELECTRIC PARTS)
15 items
· 1 available products
Fig. 20 — OPTIONAL PARTS (ACCESSORIES)
16 items
· 2 available products
Fig. 21 — ASSEMBLY・KIT PARTS
168 items
· 14 available products